UR FOG Fast 14000 Pump Pro Plus Wide Anti Intrusion Fogging Security System

PACKAGE CONTENT
Inside the package you will find:
- The machine FAST 14000 PUMP PRO PLUS WIDE
- One 5000 ml bag
- A label to indicate the device presence
- Installation and use manual.
INTRODUCTION OF THE PRODUCT
Thank you for purchasing UR Fog product.
Fast 14000 PUMP PRO PLUS WIDE is the most powerful and fastest system in the world, ideal to protect wide areas like big shops, warehoses or superstores. It shoots in one shot up to 4000 m3 of dense fog in about 3 minutes. This fogging system is able to work without mains power up to 5 hours so it is ideal to protect isolated areas or where mains power, fades away of ten. With patented technological innovations too, PUMP LINE products are the best fog generators with the best performances.
- Simple: machine easy to install and able to be integrated to any existing alarm system.
CONDITIONS OF USE AND WARNINGS
The fog generated by UR Fog does not create particular problems or injuries for a human being for a short stay in a fogged room if the system is used according to the manufacturer’s recommendations. Generated fog is certified as safe for people and animals from an authorized international certification company and is proved that it does not leave any residual. UR Fog systems are certified respecting European laws and regulations. Any certifications required in specific countries are a responsibility of the distributor of that specific country. The documents related to certifications can be requested by mail to [email protected]. It is not guaranteed by the manufacturer the use of UR Fog system in the presence of objects that may be damaged anyway by the contact with substances based on glycol, water and alcohol. Any employee or worker that may be exposed to fog must be warned in advance and must be checked for any allergy to the substances listed above. At the date of printing of this manual it has never been pointed out any problem related to any allergy. UR Fog is in no way responsible for any damage or condition of use that has not been required and specifically approved by any specific written request prior to the installation of its products. For fog fluid please refer to UR Fog fluid safety data sheet published on the website and carefully read it at www.urfog.com. Contact a doctor if for any reason you swallow fog fluid or if after contact with eyes or skin you have any kind of reaction, and in any case wash it immediately with water and soap. Do never stay for a long time in a room filled with fog. Do not use refills that are not the ones suggested by UR Fog and never try to recharge them, they are made for a single use. Follow your national rules for the dispose of empty bags. Keep UR Fog refills out of reach of babies and animals. The nozzle may be hot and touching it may cause burns. Do not look directly into the nozzle. Never use UR Fog products for any purpose that is not related to protection from thief or robbery (the choice of the conditions of use in case of robbery will be suggested by your security consultant). Never use different fog fluids or add any other substance into the refills. Do not use or keep charged UR Fog machines in vehicles and do never transport UR Fog before 24 hours since it has been shut off. During transport it must be not armed.
INSTALLATION TIPS FOR FOGGING SYSTEMS
Please observe the following instructions for installing UR Fog:
- This appliance is not intended for use by person (including children) with reduced physical, sensory or mental capabilities, or lack of experience and knowledge, unless they have been given supervision or instruction concerning use of the appliance by a person responsible for their safety.
- Children should be supervised to ensure that they do not play with this appliance.
- The machine must be installed avoiding to obstruct escape routes.
- Verify the fog does not limit the visibility near: stairs, landings, moving objects that may cause:
falls down, injuries or any damage to persons. - Do not look directly into the nozzle. Do not add any other substance into the bags.
- The nozzle may reach high temperatures, touch it may cause burns.
- When UR Fog produces fog avoid staying closer than 1 meter from the machine.
- When UR Fog is armed avoid staying closer than 50 cm from the nozzle.
- Before testing UR Fog, remember to report it in advance to the firefighters in your area to avoid false alarms.
- Remember to put warning labels about the presence of UR Fog on the windows.
- Report its installation to the firefighters in your area and eventually to other institutions if needed.
- It is necessary to add an external switch to separate the fog generator from the alarm system and it should be activated before the maintenance to avoid that input tests, for example, can activate the fog generator.
- Never direct the fog jet towards an object or a wall less than 2 meters away and if possible increase the suggested minimum distance. Thanks to the power of the jet, UR Fog reaches and exceeds more than 10 meters away in the first 3 seconds from the point where the machine is installed.
- Setting the shooting time interval between the minimum and maximum shown in the shooting table, avoid
“overshooting” even if the produced fog is dry and generally doesn’t leave residue.
A shot that goes far beyond the recommended seconds can create a residue problems in the room. - UR Fog continues to be effective for up to 2 hours and 30 minutes without 230 V or 120 V main power thanks to the insulation system which maintains the temperature in the heating system.
- Install at an height of about 2,5 meters not to let it be reached, avoiding possible tampering.
- Install with a maximum inclination of 20°.
- Do not move the machine when it is still hot.
- The main body of UR Fog, which has the heating system enclosed inside a metal frame, should not be opened unless by specific and authorized service centers. Do not open and touch for any reason the insulation before 24 hours UR Fog has been shut off. The internal part may reach really high temperature.
- Do not activate the UR Fog machine before the installation is completed.
- Insert the cylinders as the last procedure and verify the anti-tampering function.
- When the installation is finished, always test the system.
- From the moment of UR Fog activation, at least one hour is necessary to reach the minimum temperature needed for the fog shooting.
- Install UR Fog avoiding any obstacles in front of it which can prevent the spreading of the fog.
- The external temperature of UR Fog can change from room temperature to 50 °C.
- The tip of a stranded conductor should not be soft-soldered where the conductor is subjected to contact pressure.
- The UR Fog machine should not be exposed to water spray or dripping.
- Request to UR Fog or its distributors to take part in courses for installers to ensure the optimal installation of the equipment.
- The content of the bags is mechanically predetermined and can be subject to variations +/- 10%
TECHNICAL SPECIFICATIONS
| * Industrial standard as from other manufacturers Weight without bag and batter | FAST 14000 PUMP PRO PLUS WIDE 56 Kg |
| Max fog emission in a single shot | 4500 m3 |
| Total fog emission capacity | 9000 m3 |
| Fog bag capacity | 1 x 5000 ml |
| Working time without mains power | about 4 hours |
| Max power on heating system | 600 W |
| Average power consumption during heating | 500 W |
| Heating time | about 5 hours |
| Average power consumption | 110 W |
| Batteries type suggested | FIAMM FG 20721 or similar |
| Door tamper | Screw to ground |
| Anti-tear off and anti-shift | Accelerometer |
- The “empty” signal doesn’t mean only that the bag is empty, but also warns you that the system has shot at least 150 seconds. For this reason is very important to make the “reset” only when you actually exchange the bag, or you will lose seconds counting. (See paragraph 13)
WARNING:
- Loosened ferrule can cause dropping
- Do not disconnect the machine immediately after the shot
- Change the battery every two years
- Change the bag as soon as the “empty” signal appears
- The machine cannot be activated on a surface that does not allow air circulation from lower slots.
HOW TO ACTIVATE THE SYSTEM
It is always recommended to fix the fog generator to a wall. The bracket can also simplify standar installation, by allowing to use back holes for the passage of cables. Remember to use a screw in the fixing hole placed in the bag compartment. Always verify that the bracket or the support surface are suitable for the weight of the machine. It must be verified that the machine has the correct air circulation.
CAUTION:
to avoid injuries please securely fix the fogging machine to the wall according to the installation instructions.
To open the side compartment, it is necessary to remove bag compartment and take off the frontal shell, unscrew and remove the screws below.
The screw in lower left part of bag compartment’s door is longer than the others and its removal activates the tamper output. After the screw has been positioned correctly, the machine emits 4 beeps and deactivate tamper output.
The fogging system Pump 14000 must only be installed vertically.

MAINS POWER SUPPLY AND CONNCTIONS
The heating element is rated at 600 W, at the very beginning power consumption is about 500 W and in some minutes it goes down reaching average consumption of about 110 W.
- Do not use inverter or UPS if you are not sure that they generate a true sine wave, not a rebuilt one. Ask please to the UPS manufacturer the correspondance of such features before proceeding with the connection.
- The max current to be considered for the system is 6 A for the 120 V or 3 A for the 230 V
- The connection to the 230 V electricity grid must be performed by a qualified technician
- Connect the equipment to the electricity grid only after you have completed the installation
- It is necessary to connect the ground terminal.
PLEASE NOTE THAT, AS ALL POWERED EQUIPMENT FROM THE ELECTRICITY GRID REQUIRING INSTALLATION, IT IS SUBJECT TO COMPLIANCE WITH RULES OF THE COUNTRY IN WHICH IT IS INSTALLED
For section and types of wires, fuses, suitability of materials to installation sites etc..
IF YOU NEED TO REPLACE THE FUSE, USE ONLY FUSE WITH THE FOLLOWING SPECIFICATIONS:
- FOR 230 V MAINS VOLTAGE: CERAMIC BODY FILLED WITH QUARTZ, REF. STD. EN60127-2-3/DIN41660, 6.3 A, H 1500 A (EXAMPLE OMEGA GT520231)
- FOR 120 V MAINS VOLTAGE: CERAMIC BODY FILLED WITH QUARTZ, REF. STD. EN60127-2-3/DIN41660, 10 A, H 1500 A


- Power supply mains connections
- Mains power
- Ground connection
- Battery holder (battery not included)

While connecting the machine to the mains power, it is recommended to never disconnect existing ground cable. The fact of disconnecting or modifying existing cables voids the warranty and can cause troubles or accidents related to the temperature control.
DESCRIPTION OF INPUT AND OUTPUT CONNECTIONS
INPUTS
+ Power supply input
– Power supply input
ARM Arming input
SHOOT Shooting input
– Negative
OUTPUTS
EMPTY Empty bag output
FAULT Fault output
TAMPER Tamper output
CONFIRM Shot confirmation output
PIR SENSOR VALIDATION INPUT
P+ Positive power supply output
P- Negative power supply output / COM.
PIR
PV N.C. PIR
INPUTS
+ 12V Power input
The power supply is connected to those inputs.
INPUT SIGNALS
A By connecting this input to positive, FAST PUMP PRO PLUS is armed, blue frontal LED is switched on and when the machine reaches proper temperature it means that it is ready for shooting.
S Putting this input to positive, if FAST PUMP PRO PLUS is hot and armed, starts fog emission for the set time In case of alarm, opening ARM input, the fog emission stops immediately, even if the time set wasn’t reached.
VALIDATION INPUT
In order to validate this input, it’s necessary to insert the jumper W4 with the unit switched OFF. This input automatically generates AND function with input S. If any input receives the shooting command, the generator doesn’t emit fog if within 1 minute doesn’t receive the command also from the second input.
P+ Output positive to give power to a validation sensor or a remote control receiver, max 300 mA.
P- Output negative to give power to a validation sensor or a remote control receiver, max 300 mA.
PV Validation input. It’s possible to connect to this input a validation sensor with a contact normally closed conncted
to the terminal P-.
The PV input can be connected to external devices such as PIR or door sensors and behaves as an additional firing validation input. When the PV function is active, by closing the W4 jumper, the emission of fog will be possible ONLY if the SHOOT and PV commands have both been received, in any order, in a time interval not exceeding 60 seconds. After the shooting in these conditions both inputs will be inhibited for 2 minutes to avoid false activations.
OUTPUTS
E This output (NPN Open Collector) closes towards negative direction when the bag is empty. This output (NPN open collector) closes towards negative when the fogging machine emitted fog for at least 100’’ or when the bag is empty. The signal is activated by a sensor that detects the absence of liquid just while shooting. The empty bag signal is deactivated only making the RESET (see paragraph 15). For this reasons, if the bag is not inserted, or there is an empty bag inside, FAST 14000 PUMP PRO PLUS WIDE will detect it just after a shot.
F This output (NPN Open Collector) closes towards negative when there is a malfunction (such as batteries expired, fault of power supply or temperature control fault), which compromises the functioning of the device and which requires a technical action.
T This output (NPN Open Collector) closes towards negative direction when you open the bag door or when the accelerometer detects a sudden movement (such as the detachment from the wall).
C This output (NPN open collector) closes towards negative only after that the system has emitted fog for the set time, the signal will stay active for 10 seconds. If the emission of fog is interrupted (if there is an interruption of ARM command, if the fluid finishes, if there is not thermal autonomy anymore) this output will not change its status.
Note:
in 120v models this output has a safety function; it is used to control a relay to cut off power to heating resistor on serious fault conditions. Please refer to local distributor for more informations.
- Remember, it is necessary to connect all three outputs to an alarm central or an electronic panel that can see all those information in real time and take proper action. In order to avoid accidental activation with subsequent fog emission, the inputs are in “negative security”, for this reason the disconnection of a wire does not cause activation. So it is necessary to check carefully the reliability of connections and protect the cables to the control panel to avoid the risk of accidental damages.
CONNECTION EXAMPLES
The diagrams and examples below are intended only for a “better understanding” of the operation of the inputs / outputs. None of the diagrams below represents the “single scheme to perform” as, in respect of the reference standard EN50131-8, there are precise indications and only using all inputs and outputs on the PCB it is possible to abide by the standard.
- A Example of connection of FAST 14000 PUMP PRO PLUS inputs with outputs of a standard alarm system
- B Example of connection of FAST 14000 PUMP PRO PLUS inputs to an alarm with relay outputs
- C Example of connection of FAST 14000 PUMP PRO PLUS inputs with outputs of an alarm with open collector outputs
- D Example of connection of FAST 14000 PUMP PRO PLUS outputs to drive LEDS and / or relays
- E Example of connection of FAST 14000 PUMP PRO PLUS outputs with inputs of an alarm normally opened
- F Example of connection of FAST 14000 PUMP PRO PLUS outputs with balanced inputs of an antitheft
- G Example of connection of FAST 14000 PUMP PRO PLUS outputs with antirobbery connection.
- H Example of connection of FAST 14000 PUMP PRO PLUS outputs with relay board.
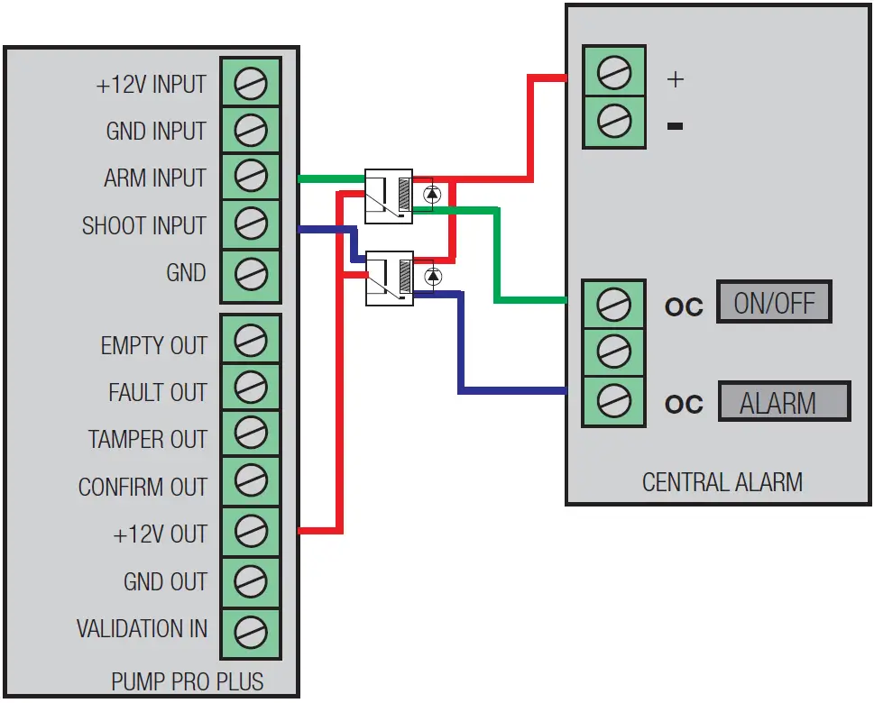
A – Example of connection of FAST 14000 PUMP PRO PLUS inputs with outputs of a standard alarm system
In the diagram above the control panel, as example, provides to UR Fog power supply between 11 and 14V DC 250 mA max. The ON/OFF output of this alarm is an Open Collector NPN opened when the system is off and it is stably closed to negative as long as the system turned on. The alarm output of the alarm is normally open and becomes positive during the alarm time.
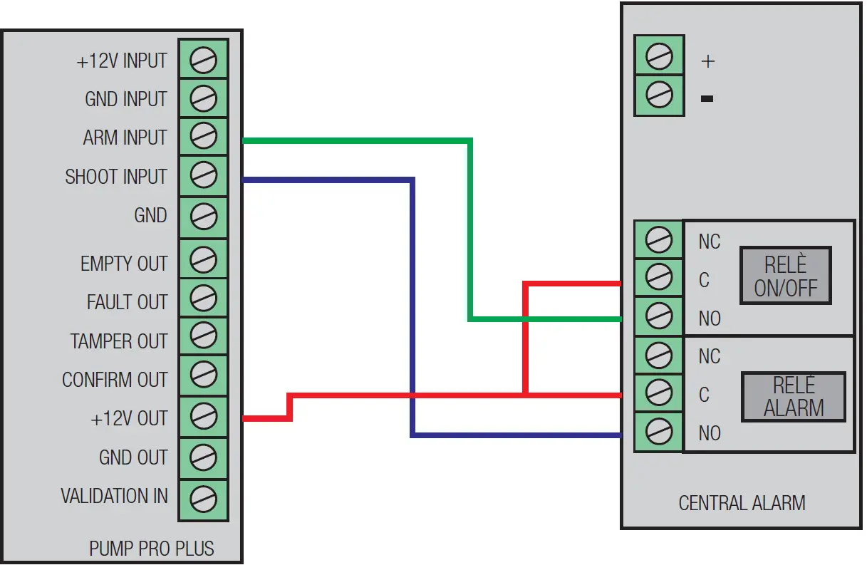
B – Example of connection of FAST 14000 PUMP PRO PLUS inputs to an alarm with relay outputs
ON/OFF output of this alarm central is an open relay when the system is off and it is stably closed to positive as long as the system is turn on.
C – Example of connection of FAST 14000 PUMP PRO PLUS inputs with outputs of an alarm with open collector outputs
Compared to B diagram, this alarm central has only open collector outputs. The simplest action to take is to use 2 relays to create a connection similar to the one shown in the previous diagram.
D – Example of connection of FAST 14000 PUMP PRO PLUS WIDE outputs to drive LEDS and/or relays
In case of an empty bag, the EMP LED (EMPTY) will switch on. In case of a fault, the FLT LED (FAULT) will switch on. By opening the cylinders door, besides the TPR (TAMPER) turning on, the relay will switch as well.
Max power applicable on the outputs is 100mA
E – Example of connection of FAST 14000 PUMP PRO PLUS WIDE outputs with inputs of an alarm normally opened
The outputs shown in the diagram are not always necessary, but only in cases where the voltage of pull-up resistance is lower than that of power supply.
The UR Fog outputs are normally opened and connected with input zones of the alarm control panel normally opened.
F – Example of connection of FAST 14000 PUMP PRO PLUS WIDE outputs with balanced inputs of an antitheft
In this diagram, by putting a resistance with a value required by the alarm control panel used, in UR Fog terminal with not used outputs the central will see the correct resistance. After the activation of an output, a pull-down will occur causing the alarm in the corresponding zone.
G – Example of connection of FAST 14000 PUMP PRO PLUS WIDE outputs with antirobbery connection
Using the special connector and enabling the option antirobbery closing the Jumper W2, you will obtain the immediate emission of the fog for the seconds that you have set (paragraph13) even if the fogging system is not armed.
- N.B. Is recommend to use this function after a careful evaluation of the risks from a security consultant.
H – Example of connection of FAST 14000 PUMP PRO PLUS WIDE outputs with relay board
FRONT LEDS MEANINGS
BLUE LED
When on: the machine is armed and, if hot, it’s ready to shoot.
When flashing: something is wrong (see paragraph 17 “DEFECTS AND POSSIBLE SOLUTIONS“)
RED LED
When on: the bag is empty or it is in reserve.
When flashing: something is wrong (see paragraph 17 “DEFECTS AND POSSIBLE SOLUTIONS“)
GREEN LED
When on: the machine is hot and ready for the fog emission.
When flashing: the heating process is in progress. In this step the machine is heating but is not ready to shoot.
- IF THE BLUE LED IS FLASHING, TOGETHER WITH A CONTINUOUS SOUND FROM THE BUZZER, A PROBLEM IS DETECTED. SEE PARAGRAPH 17
- The symbol of empty bag, has the meaning of “RESERVE” too. It means that, since the last bag reset the machine consumed at least 50% of the estimated range of the bag. The machine already shot for 150 seconds.
SHOOTING TIME SETTING AND FOG FLOW DIRECTION
To set the shooting time, after opening the bag compartment door, at the top of the PCB, facing the board you must move the jumper in left position P3 (closer to the buttons S1/S2). Then, holding down the button S1 “SET”, 6 leds on the front will flash and each flash is equivalent to 10 seconds.
If you press the button again, the shooting time is not added to the one previously set, but will restart from zero.
N.B. Before opening side door ensure that the control panel is set to “service”, so that the opening of “anti-sabotage or tamper” circuit does not cause any shooting.
N.B. To correctly dimension the machines it is needed to verify that the saturation of the area occurs in faster time than the one supposed for the theft.
RECOMMENDED SHOOTING SECONDS ACCORDING TO THE VOLUME SPACE TO PROTECT (m3)
Fogging systems Fast 14000 PUMP PRO PLUS WIDE are able to produce fog for a maximum 180 seconds per single shot. The maximum quantity of 22,5 ml/s allows to fill an area of about 4500 m3. There might be cases in which, due to specific characteristic of the location, nozzle type, levels of temperature and air pressure, degree of the fog density and light in the target area, the shooting time should be increased or decreased.
For example, above 5 m of height the shooting time must be integrated and above 7 m , every additional meter should be considered as double.
The following tables indicate the suggested fog emission in relation to the number of seconds of shooting set in average condition of temperature, air pressure and humidity.
SHOOTING TABLE FAST 14000 PUMP PRO PLUS
| m³ to protect 225 (675*) | Seconds of emission 10 | m³ to protect 2250 (6750*) | Seconds of emission 100 |
| 450 (1350*) | 20 | 2475 (7425*) | 110 |
| 675 (2025*) | 30 | 2700 (8100*) | 120 |
| 900 (2700*) | 40 | 2925 (8775*) | 130 |
| 1125 (3375*) | 50 | 3150 (9450*) | 140 |
| 1350 (4050*) | 60 | 3375 (10125*) | 150 |
| 1575 (4725*) | 70 | 3600 (10800*) | 160 |
| 1800 (5400*) | 80 | 3825 (11475*) | 170 |
| 2025 (6075*) | 90 | 4050 (12150*) | 180 |
| 4500 (14000*) | 200 |
- Industrial standard as from other manufacturers
The value in the first column indicates the volume of the room to be protected, with respective seconds of emission reported in the second column. The value in m³ varies depending on the density to be obtained. Within the second column, the first value allows to get the maximum density recommended to ensure the absence of any residual, while with the second value you get minimum recommended visibility of according to the standard CENELEC, whereas a higher visibility would make the fog superfluous. In places where a little residual causes no problems, it is possible to increase the shooting time.
- Please note that the higher the fog released, the more the time required to recover visibility. High levels of fog, over recommended limits, can leave residual.
Any residue usually goes away by itself within 24/48 hours, otherwise, being soluble in water, it is enough to use a wet cloth for cleaning.
If you desire to obtain an average of 1 meter visibility after 60 seconds, as specified by the standard, as used as reference by all manufacturers of Fog generators, the number of shooting seconds must be reduced by half.
FOG FLOW DIRECTION
To ensure the right direction of the fog flow, it is recommended to insert a screwdriver of the diameter of the hole and, without forcing, orient the nozzle in the correct fog emission direction. This allows you to clearly see the direction and keep it in place while tightening. To screw and unscrew the nozzle you should use a pair of pliers in good condition to avoid damaging the plating. Do not overscrew the nozzle, it is sufficient that the teflon nozzle does not move. Do not direct the fog jet towards objects and walls less than 2 meters away or to the floor if it is installed at a height lower than 2.50 meters (we advise against the installation on the floor).
WARNING!
After the fog emission, and for a few minutes the nozzle is very hot RISK OF BURNS IF TOUCHED by bare hands.
NOZZLE TAMPER
The check of the obstruction of the nozzle is done with a little air flow, while a sensor check the pressure of the internal circuit. In case the sensor detect an increase of the internal pressure, means that there is an obstruction inside the nozzle. In the meantime, the output of Tamper will be activated, the buzzer will emit a sound with a fast frequency with the flash of the red LEDs. This condition of the alarm will continue until the system is disarmed and armed again.
As the little compressor that introduces the air flow emits some vibrations, its activation occurs only in the following cases:
- When you press the button RESET for more than 5 seconds, besides the activations of the drop of the motors, will start a cycle of monitoring of 15 minutes, in order to simulate the obstruction and check the correct working.
- When the system is armed the cycle of monitoring starts. This cycle is the most important, because as the system was disarmed probably was easier to go near the machine and obstruct the nozzle. After 15 minutes, the compressor will stop automatically. If the system is disarmed and armed again, the cycle will start again for 15 minutes.
- After the emission of the fog, as normally the zone where the machine is installed is the last where the visibility is reduced, the generator remains vulnerable, giving the possibility to who generated the alarm to attempt the sabotage. For this reason, after the emission of the fog the compressor will be activated for 15 minutes.
- Do not obstruct the nozzle when the generator is armed and bag is in.
INSTALLATION, EXCHANGE AND BAG RESET

- Insert the plastic bag in the compartment as shown in the picture

- In order to make the reset the jumper P3 must be on the right position as you can see in the picture.
After that, insert a new bag until you hear the “click” of the metal plug (pictures at page 17) entering in its housing, then close the door.
- N.B. When you close the door, the buzzer will make a sound to confirm the tamper is closed. Attention: Before opening the side doors, make sure that the alarm control panel is in “service” mode, so that the opening of the “anti-sabotage or tamper” circuit does not cause any alarm.

- metal plug

- metal plug
MAINTENANCE
UR Fog generators do not require special care, however, it is recommended the support of qualified and authorized personnel for periodic annual monitoring, taking into account the following:
- Verify the good working condition of the power supply and battery
- Verify the lock of the nozzle ferrule
- Verify the entirety of the nozzle sphere
- Check the air tightness of the circuit and the switch functioning
- Annually verify the functioning of the fluid pump
- Intervention report redaction and release of conformity declaration according to 37/08 order in case of provision
Check the efficiency of the power supply and of the battery
Verify that the tension of the no-load voltage power supply (disconnected battery) is 13,8 V. If tension is different, regulate it using the trimmer placed on the power supply. Verify the efficiency of the battery (it should not be hot and bloated); it is suggested to change it every two years due to the heavy and prolonged charge during the shot without mains power.
Entirety of the nozzle sphere
Verify that the nozzle hole is cylindric. The average duration of the nozzle sphere depends on the number and duration of the shooting, around 8L of glycol.
Checking of the pneumatic circuit and the pressure control system
THE TEST CAN BE DONE JUST BY QUALIFIED PERSONNEL
Before starting the test of the pressure control it’s necessary:
- to remove the bag
- to be sure that the nozzle is cold
- to be sure that the nozzle tamper pump is activated
The pneumatic seal test must be done within a few seconds when the pump for nozzle tamper control is turned on, as the nozzle temperature rises rapidly reaching temperatures that may cause serious burns. The air coming out of the nozzle exceeds 200° C.
IT’S ADVISABLE TO USE GLOWES
- Obstruct the nozzle with soft and insulating material (for example an eraser).
- Keep the nozzle obstructed, press the button P3 previously moved in RESET position (see paragraph 14) and keep
it pressed until you hear that the pump is activated. - Wait for the activation of the buzzer (Max 30’’)
- Remove the obstruction taking away your hand quickly to avoid to be in contact with the hot emission of air. The buzzer must stop.
- If after 30’’ you don’t hear the buzzer, may be a loss inside the circuit; please contact the service center.
- If after removing the obstruction the buzzer doesn’t stop, it means that there is an obstruction;
please contact the service center.
Annually verify the functioning of the pump
The test can be done by letting the fog generator shoot. If you do not want to shoot during the whole shooting time set, you can just disarm the machine and the shot will stop immediately.
RESET FROM FAULT CONDITION
This process is useful to discriminate false interpretations of faults caused by electrical shocks or serious problems on power supply from thermal loop problems.
- Serious fault signal occurs with a first phase when the buzzer emits a continuous sound for 20 minutes and blue led flashes, the output FAULT immediately switch (if the generator is disconnected and connected again you can go directly at point 3)
- After 20 minutes, the buzzer stops, while blue led goes on flashing, the FAULT output remains closed. This phase remains permanently, until the machine is completely disarmed.
- When you connect again the machine, blue and red leds flash alternately and no sound is emitted. This phase lasts up to 30 minutes, then, the output FAULT is reset and the generator start to work again. If during this process the generator is disconnected, when you connect it again the time start again from the beginning and for 30 minutes.
If at the end of this process, the generator start to work again regularly is not necessary any further operation.
If occurs again the fault condition within the following 20 minutes, it’s necessary a check from the assistance center, or to send the machine back to the factory.
DEFECTS POSSIBLE SOLUTION
| DEFECT FOUND | POSSIBLE CAUSE | POSSIBLE SOLUTION | |
| When you arm the machine | The compressor is | When the machine is armed, for 15 minutes the | |
| you hear an internal buzz, | cheching that there are no | compressor will monitor the nozzle. After this time it | |
| like a motor | obstructions in the circuit of | will deactivate automatically: if the fogging system | |
| fog emission | is disarmed, the compressor will go on with it | ||
| reaches 15 minutes. | |||
| If the machine is disarmed and then armed again, | |||
| the count will start again from zero | |||
| When you arm the fogging system, a little fog flow goes out from the nozzle even if the machine has never shot before | During testing phase in the factory, we also test the quality of fog in all produced systems, a little quantity of the fog liquid remains in the ducts | This emission occurs just at first activation, it will decrease visibly with any activation, until disappearing completely. After an eventual disassembly and reinstallation or after the transport of the machine, with the first activations a little flow of fog can occur again | |
| The 3 frontal LED are flashing and the buzzer emits 1 beep for minute | The tension on +12 V input is too low or too high | Check the external power supply or the alarm unit | |
| The buzzer emits 2 beep for minute | Low battery but possible shot | Verify/replace battery – See paragraph MAINTENANCE | |
| The buzzer emits 3 beep for minute | Low battery but possible shot | Verify/replace battery – See paragraph MAINTENANCE | |
| The buzzer emits 10 continuous beep for minute | Battery not present | Insert battery | |
| Connector not inserted correctly | Remove and reinsert the connector | ||
| Verify that jumper W5 is inserted | Insert jumper W5 | ||
| The front RED LED is on | Bag reset has not been made Reset as described in paragraph 15 | ||
| Bag is in reserve or empty-Change the bag as described in paragraph 15 | |||
| The machine is armed (BLUE LED ON) but doesn’t shoot | |||
| The front GREEN LED flashes | The heat exchanger has not yet reached the minimum temperature of shooting, wait for the led to stop flashing standard heating time: 60 min. | ||
| Wiring error | Verify that the alarm, once activated has tension on connectors of at least 12 V between GND(5) + SHOOTS(4) |
| DEFECT FOUND | POSSIBLE CAUSE | POSSIBLE SOLUTION |
| BLUE LED is flashing The buzzer emits a continuous sound
BLUE and RED LEDS | Overvoltage power line (120/230 V) | Try to reset. See paragraph 15 In case of unsuccessful restore the PCB can be damaged, contact the assistance service. |
| Overtemperature of the PCB | Check there is a sufficient ventilation around the machine. See paragraph 15 To reset see paragraph 15 | |
| Disturbance/ interference or potential differences between devices | In the case of strong interference (lightning) can occur a thermocouple reading error, make a reset. See paragraph 15. In case of unsuccessful restore can be occurred a potential difference or a fault. | |
| In large size plants or with more than on fogging system connected with the same central, in rare situations, it may occur that there are potential differences between the equipments and it could be necessary to uncouple them. | ||
| Error in the thermal loop | Possible fault of: thermocouple, resistance or fuse cable. Don’t try to repair Contact the assistance service center. | |
| Impossible to arm the machine BLUE LED doesn’t switch on | Wiring error | Check on the terminal with a tester that when the alarm system is tuned on there is a minimum voltage of 11 V between – GND (5) + ARM (3). |
| When you press the reset button you don’t hear the sound of the buzzer, the frontal LED are flashing but the RED LED does not reset | The Jumper P3 is in the “SET” position | Warning in this case shooting time is reset to zero Bag reset – Paragraph 13 Shooting time setting – Paragraph 11 |
| Setting the shooting time, the buzzer does not sound and the LEDs do not flash | The jumper P3 stands in the “RESET” position | See the setting mode of the shooting time at paragraph 11 |
WARRANTY
The warranty of UR Fog is two years and is handled directly from the dealer or authorized installer, so please contact your supplier to take advantage of warranty with the copy of the purchase document that contains the serial number of the machine. Not included in the warranty: moving parts and/or damages depending on the incorrect use unless it is found a manufacturing defect in origin. Liquid and bags are not covered by warranty. We recommend to throw away the batteries in the appropriate waste containers for recycling. Heavy metals contained in them are recyclable.
BY BREAKING THE SECURITY LABELS AND THE OPENING OF THE MACHINE YOU WILL ACCEPT WHAT IS WRITTEN ON THIS MANUAL AND ON THE WEB SITE: www.urfog.com
MAINTENANCE
| DATE | BATTERY EXCHANGE | BAG EXCHANGE | SIGNATURE | ||
| YES | NO | n. | NO | ||
| YES | NO | n. | NO | ||
| YES | NO | n. | NO | ||
| YES | NO | n. | NO | ||
| YES | NO | n. | NO | ||
| YES | NO | n. | NO | ||
| YES | NO | n. | NO | ||
| YES | NO | n. | NO | ||
| YES | NO | n. | NO | ||
| YES | NO | n. | NO | ||
| YES | NO | n. | NO | ||
| YES | NO | n. | NO | ||
| YES | NO | n. | NO | ||
| YES | NO | n. | NO | ||
| YES | NO | n. | NO | ||
| YES | NO | n. | NO | ||
| YES | NO | n. | NO | ||
- It is mandatory to fill out this table in accordance with the law


























