UR FOG FAST 03 1C Anti-intrusion Fogging Security Systems
The conditions of use will be automatically accepted by breaking the security labels on the product.
PACKAGE CONTENT
Inside the package you will find:
- The machine FAST 02 or FAST 03
- 1 fog fluid charged cylinder for the model FAST 03 1C or two cylinders for the models FAST 03 2C and FAST 02 2C
- A label to indicate device presence
- Installation and use manual..
INTRODUCTION OF THE PRODUCT
Thank you for purchasing UR Fog product.
The great patented technological innovations such as the liquid injection system, the disposable cylinders, the fact that they don’t need to be refilled, the ecological and economic system for the complete emptying of the cylinders, together with the heating system, all of them make the FAST fog generators the best fog devices with the best performance in the security market.
- Reliable: There are no high pressure pumps which lose fluid or tend to stop working.
There are no high pressure pumps that must be tested periodically.
UR Fog double cylinders technology is guaranteed to work in any condition. - Competitive: Complete use of cylinders liquid avoiding any waste of liquid thanks to pressure control low power consumption, fast and powerful.
- Simple: Easy to install machines, they can be integrated to any existing alarm system 2 cylinders included with the machines (mod. FAST 03 1C – 1 cylinder included).
CONDITIONS OF USE AND WARNINGS
The fog generated by UR Fog does not create particular problems or injuries for a human being for a short stay in a fogged room if the system is used according to the manufacturer’s recommendations.
Generated fog is certified as safe for people and animals from an authorized international certification company and is proved that it does not leave any residual.
UR Fog systems are certified respecting European laws and regulations. Any certifications required in specific countries are a responsibility of the distributor of that specific country.
The documents related to certifications can be requested by mail to [email protected].
It is not guaranteed by the manufacturer the use of UR Fog system in the presence of objects that may be damaged anyway by the contact with substances based on glycol, water and alcohol. Any employee or worker that may be exposed to fog must be warned in advance and must be checked for any allergy to the substances listed above. At the date of printing of this manual it has never been pointed out any problem related to any allergy.
UR Fog is in no way responsible for any damage or condition of use that has not been required and specifically approved by any specific written request prior to the installation of its products.
For fog fluid please refer to UR Fog fluid safety data sheet published on the website and carefully read it at
www.urfog.com.
Contact a doctor if for any reason you swallow fog fluid or if after contact with eyes or skin you have any kind of reaction, and in any case wash it immediately with water and soap. Do never stay for a long time in a room filled with fog. Do not use charged cylinders that are not the ones suggested by UR Fog and never try to recharge them, they are made for a single use. Follow your national rules for the dispose of empty cylinders. Keep UR Fog cylinders out of reach of babies and animals. The nozzle may be hot and touching it may cause burns. Do not look directly into the nozzle. Never use UR Fog products for any purpose that is not related to protection from thief or robbery (the choice of the conditions of use in case of robbery will be suggested by your security consultant). Never use different fog fluids or add any other substance into the cylinders.
Do not use or keep charged UR Fog machines in vehicles and do never transport UR Fog before 24 hours since it has been shut off. During transport it must be not armed.
INSTALLATION TIPS FOR FOGGING SYSTEMS
Please observe the following instructions for mounting UR Fog:
- The machine must be installed avoiding to obstruct escape routes.
- Verify the fog does not limit the visibility near: stairs, landings, moving objects that may cause: falls down, injuries or any damage to persons.
- Do not look directly into the nozzle. Do not add any other substance into the cylinders.
- The nozzle may reach high temperatures, touch it may cause burns.
- When UR Fog produces fog avoid staying closer than 1 meter from the machine.
- When UR Fog is armed avoid staying closer than 50 cm from the nozzle.
- Before testing UR Fog, remember to report it in advance to the firefighters in your area to avoid false alarms.
- Remember to put warning labels about the presence of UR Fog on the windows.
- Report its installation to the firefighters in your area and eventually to other institutions if needed.
- It is necessary to add an external switch to separate the fog generator from the alarm system and it should be activated before the maintenance to avoid that input tests, for example, can activate the fog generator.
- Never direct the fog jet towards an object or a wall less than 2 meters away and if possible increase the suggested minimum distance. Thanks to the power of the jet, UR Fog reaches and exceeds more than 10 meters away in the first 3 seconds from the point where the machine is installed.
- Setting the shooting time interval between the minimum and maximum shown in the time table, avoid “overshooting” even if the produced fog is dry and generally doesn’t leave residue. A shot that goes far beyond the recommended seconds can create a residue problems in the room.
- UR Fog continues to be effective for up to 2 hours without 220V and 110V main power thanks to the insulation system which maintains the temperature in the heating system.
- Install at an height of about 2,5 meters not to let it be reached, avoiding possible tampering.
- Install with a maximum inclination of 20°.
- Do not move the machine when it is still hot.
- The main body of UR Fog FAST 02 and Fast 03, which has the heating system enclosed inside a metal frame, should not be opened unless by specific and authorized service centers. Do not open and touch for any reason the insulation before 24 hours UR Fog has been shut off. The internal part may reach really high temperature.
- Do not activate the UR Fog machine before the installation is completed.
- Insert the cylinders as the last procedure and verify the anti-tampering function.
- When the installation is finished, always test the system.
- From the moment of UR Fog activation, at least one hour is necessary to reach the minimum temperature needed for the fog shooting.
- Install UR Fog avoiding any obstacles in front of it which can prevent the spreading of the fog.
- The external temperature of UR Fog can change from room temperature to 50 °C.
- Request to UR Fog or its distributors to take part in courses for installers to ensure the optimal installation of the equipment.
HOW TO ACTIVATE THE SYSTEM
It is always recommended to affix the Fast 02 or Fast 03 on a wall even when is placed on a flat surface. Always verify that the bracket or the support surface are suitable for the weight of the machine.
It is suggested not to install the machine behind walls in a limited close area without a specific ventilation to prevent a possible overheating.
After removing the machine from the package, unscrew the two screws that stop the right side panel and remove it. Inside it is possible to see the front part of the electronic circuit, later called PCB.
On the side you can see two cylinders (one for Fast 03 1C) placed on the cylinder plate.
- It is necessary to take away the cylinders to remove the blocks placed in the upper part of the cylinders, they are only used to avoid the risk of discharge of the liquid during transport.
- The cylinders supplied with the equipment are intended to be used only for a vertical (standard) installation. In case of horizontal installation, please refer to your authorized reseller/distributor to get the appropriate cylinders.
On the rear of the cabinet you have to remove precutted holes on the metal case and choose the proper ones after deciding for a straight or corner installation.
The round precutted holes on the other hand, are to be used for cables that should go in or out of the machine.
TECHNICAL SPECIFICATIONS
| * Industrial standard as from other manufacturers
Weight without cylinders and battery | FAST 03 1C
10 Kg | FAST 03 2C
11 Kg | FAST 02 2C
14,7 Kg |
| Fog emission in a single shoot (max density) | 200 m3 | 200 m3 | 400/1200 m3 |
| Total emission capacity | 800 m3 | 1600 m3 | 1500/4500 m3 |
| Cyliders capacity | 1 x 400 ml | 2 x 400 ml | 2 x 500 ml |
| Work time without main power | about 2 hours | about 2 hours | 2 hours 30 minutes |
| Average Consumption | 250 W | 250 W | 250 W |
| Max power on heating system | 300 W | 300 W | 300 W |
| Heating time | about 50 minutes | about 50 minutes | about 90 minutes |
| Average power consumption | 40 W | 40 W | 45 W |
| Maximum consume at 12V | 230 mA after shooting 60 mA stand-by | 230 mA after shooting 60 mA stand-by | 230 mA after shooting 60 mA stand-by |
| Average batteries lifetime | 12 months with 10 shoots | 12 months with 10 shoots | 12 months with 10 shoots |
| Door anti tampering | Micro switch | Micro switch | Micro switch |
| Anti-tear off or anti-shift | Accelerometer | Accelerometer | Accelerometer
|
WARNING
- Loosened ferrule can cause dropping
- Do not disconnect the machine immediately after the shot
- Change batteries every year
- Change the cylinder as soon as the “empty” signal appears
POWER SUPPLY
220V and 110V power source supplies energy only to the heating system. The electronic card and the motors of the cylinders are supplied from the alarm system and batteries. The heating element is of 300W, at the very beginning power consumption is about 250W and in some minutes it goes down reaching average consumption which is about 40W – 60W.
Do not use inverter or UPS unless you have the certainty that they generate a true sine wave, not a rebuilt one.
- The max current to be considered for the system is 4A
- The connection to the 230V and 110V electricity grid must be performed by a qualified technician.
- Connect the equipment to the electricity grid only after you have completed the installation.
- It is necessary to connect the ground terminal.
PLEASE NOTE THAT, AS ALL POWERED EQUIPMENT FROM THE ELECTRICITY GRID REQUIRING INSTALLA-TION, IT IS SUBJECT TO COMPLIANCE WITH RULES OF THE COUNTRY IN WHICH IT IS INSTALLED
For section and types of wires, fuses, suitability of materials to installation sites etc..
- Phase 220V and 110V
- Neutral 220V and 110V
- Ground connection
- Ground connection for heat exchanger and cabinet (never disconect)

IF YOU NEED TO REPLACE THE FUSE, USE THE ONE WITH EXACTLY THE SAME SPECIFICATIONS. IF IN DOUBT, ASK YOUR AUTHORIZED DEALER
While connecting the machine to the mains power, it is raccomended to never disconnect existing ground cable. The fact of disconnecting or modifing existing cables voids the warranty and can cause troubles or accidents related to the temperature control.
Connect ground cable from the system to the screw on the metal sheet.

BATTERIES
The batteries are intended to maintain the efficiency of the electronic card, allowing the fog emission even in absence of power supply from the electricity grid, until the heating system has a sufficient temperature. The batteries also have the purpose of activating the motors that lift up the plates holding the cylinders, even when the main power supply or 12V from the alarm system is available. Without batteries, with dead batteries, rechargeable or poor quality ones, the motors do not lift up the plates that push the cylinders.
For this reason it is important:
- To use only high quality alkaline batteries
- To replace them within the expiry date
- to replace them every 12 month anyway
- When Fast 02 / Fast 03 report the signal of battery low (paragraph 14 and 16)
- Test the battery case during every maintenance (paragraph 16)
After inserting the batteries, it is important to check that they are in good contact with the battery case to guarantee the proper functioning. Description of how to make tests is in paragraph 16.
DESCRIPTION OF INPUT AND OUTPUT CONNECTIONS
INPUTS
- + 12V Power input
- GND Power input – In these inputs is necessary to provide a stable supply, between 11V and 14V DC from the alarm control panel or from an external 12V power supply. This power is necessary to the operation of the LED and for the logic of operation.
In the absence of voltage on this input, the logic part will continue to operate, but not the heater. For about 2 hours and 30 minutes, or until the temperature of the heat exchanger (heating system) allows, Fast 02 or Fast03 may produce fog.
The maximum current drawn from UR Fog on this input is 230 mA. - ARM Arming input – By connecting this input to positive, Fast 02 or 03 is armed, blue frontal led is switched on and when the machine reaches proper temperature it means that it is ready for shooting. In case of alarm, opening ARM input, the fog emission stops immediately, even if the time set wasn’t reached.
- SHOOTS shooting input – By connecting this input to positive, Fast 02 or 03 is armed, blue frontal led is switched on and when the machine reaches proper temperature it means that it is ready for shooting. In case of alarm, opening ARM input, the fog emission stops immediately, even if the time set wasn’t reached.
- GND – Negative reference connected to terminal 1
OUTPUTS - EMPTY Output empty cylinder
This output (NPN Open Collector) closes towards negative direction when at least one of the two cylinders is empty. - FAULT Fault output
This output (NPN Open Collector) closes towards negative when there is a serious malfunction ( such as batteries expired, fault of power supply or temperature control fault), which compromises the functioning of the device and which requires a technical action. Fault signal due to supply absence has a delay of 20 minutes. - TAMPER Tamper output
This output (NPN Open Collector) closes towards negative direction when you open the door cylinders or when the accelerometer detects a sudden movement (such as the detachment from the wall) - GND Negative reference
Remember, it is necessary to connect all three outputs to an alarm central or an electronic panel that can see all those information in real time and take proper action.
In order to avoid accidental activation with subsequent fog emission, the inputs are in “negative security”, for this reason the disconnection of a wire does not cause activation.
So it is necessary to check carefully the reliability of connections and protect the cables to the control panel to avoid the risk of accidental damages.
CONNECTION EXAMPLES
- It’s recommended not to use the space close to the valves/junction for the cables.
- The diagrams and examples below are intended only for a “better understanding” of the operation of the inputs / outputs. None of the diagrams below represents the “single scheme to perform” as, in respect of the reference standard EN50131-8, there are precise indications and only using all inputs and outputs on the PCB it is possible to abide by the standard.

- Example of connection FAST 02-03 inputs with outputs of a central anti-theft standard
- Example of connection FAST 02-03 for anti-robbery use with external power supply
- Example of connection FAST 02-03 outputs to drive LEDs and / or relays
- Example of connection FAST 02-03 outputs with inputs of an antitheft normally opened with diods (1N4148) needed only with some equipments.
- Example of connection FAST 02-03 outputs with balanced inputs of an antitheft
- Example of connection FAST 02-03 outputs with relay board
- A – Example of connection FAST 02-03 inputs with outputs of a central anti-theft standard
- In the diagram above the control panel, as example, provides to UR Fog power supply between 11 and 14V DC 250 mA max. The ON/OFF output of this power plant is an Open Collector NPN opened when the system is off and it is stably closed to negative for all the time in which the system still lit. The alarm output of the plant is normally open and becomes positive during the alarm time

- In the diagram above the control panel, as example, provides to UR Fog power supply between 11 and 14V DC 250 mA max. The ON/OFF output of this power plant is an Open Collector NPN opened when the system is off and it is stably closed to negative for all the time in which the system still lit. The alarm output of the plant is normally open and becomes positive during the alarm time
Esempio di collegamento di UR FOG con alimentatore esterno per uso Antirapina
In the diagram above Ur Fog is powered by an external power supply.
When Fast 02 or 03 is used with an external power supply in case of power failure, the machine will not be able to shoot.
For this reason, when the anti-robbery function must be guaranteed in the absence of power, it is needed to add a rechargeable battery with a capacity of 1.2 Ah 12V in parallel to the output of power supply.
The arming key is important, as required by law, to allow you to disarm the device when not in use and during maintenance. The shooting button, when the machine is armed, starts the fog emission immediately after pushing the button with the shooting time already set in advance.
To stop the fog emission before the set time, turn the key to disarm the machine.
- For safety reasons and to avoid false fog emissions in power,
when Fast02 or Fast 03 is armed, it becomes operative only after 20”. After this time, the fog emission is instantaneous.
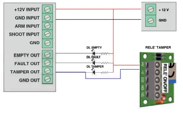
Example of connections FAST 02-03 of outputs to drive LEDs and/or RELAY 
In case of an empty cylinder, the DL EMPTY led will switch on.
In case of a fault, the DL FAULT led will switch on. By opening the cylinders door, in addition to the DL TAMPER led switching on the relay will switch.
Max power applicable on the outputs is 100mA
- In case of an empty cylinder, the DL EMPTY led will switch on
- In case of a fault, DL FAULT will switch on By opening the cylinders doors, in addition to the DL TAMPER led switching on, the relay will switch Maximum applicable power on the outputs is 100mA
Example of connection FAST 02-03 outputs with inputs of an antitheft normally opened with diods (1N4148) needed only with some equipment.
The UR Fog outputs are normally opened and connected with input zones of the alarm control panel opened. According to the diagram above: when there is an empty cylinder the entrance area L3 will detect an alarm; if a failure occurs or the batteries run down, L2 detects an alarm;
when you open the door of the cylinders, L1 detects an alarm.
Examples of connections FAST 02-03 outputs with balanced inputs of an antitheft
In this diagram, putting the resistance value required by the alarm control panel used in the terminal UR Fog, with not used outputs the central will see the correct resistance, while following the activation of an output, you will have a pull-down causing the alarm of the corresponding zone.
Example of connection FAST 02-03 outputs with relay board.

MEANING OF FRONT LEDS
- LED BLUE
When on it means the machine is armed, hot and ready to shoot.
When flashing means something is wrong. - LED RED
When on when at least one cylinder is empty or it is in reserve (only FAST 03 1C) - LED GREEN
When on means Fast 02 o Fast 03 is hot and ready for the fog emission. When flashing the heating process is in progress Fast 02 or Fast 03 in this step is heating but is not ready to shoot.
IF THE BLUE LED IS FLASHING, TOGETHER WITH A CONTINUOUS SOUND FROM THE BUZZER, A SERIOUS PROBLEM IS DETECTED. SEE PARAGRAPH 15
SHOOTING TIME SETTING AND FOG FLOW DIRECTION
To set the shooting time, after opening the cylinders compartment door, at the top of the PCB, facing the board you must move the jumper P3 in “setting” position.
Then, holding down the button S1 “SET”, 6 leds on the front will flash and each flash is equivalent to one second.
If you press the button again, the shooting time is not added to the one previously set, but will restart from zero.
- N.B. Before opening side door ensure that the control panel is set to “service”, so that the opening of the circuit “anti-sabotage or tamper” does not cause any shooting.
- The machines are programmed to activate the internal pump to verify any possible obstruction to the nozzle in the following conditions: arming, cylinder reset and shot.
- The duration of this process is about 15 minutes (verifiable by a light buzz) at the end of which no action is required as the pump will cease autonomously.
TABLE RECOMMENDED FOR SHOOTING BASED ON M³ TO PROTECT
Fogging systems URFog FAST 03 and FAST 02 are able to produce fog for a maximum respectively of 15 and 25 seconds per single shoot. The maximum quantity of 9,7 ml/s (FAST03) and 12,8 ml/s (FAST 02) allows to fill an area of about 200 and 400 m3.
There might be cases in which, due to specific characteristic of the location, nozzle type, levels of temperature and air pressure, degree of the fog density and light in the target area, the shooting time can be increased or decreased. For example, above 5 m of height the shooting time must be integrated and above 7 m, every additional meter should be considered as double.
The following tables indicate the suggested fog emission in relation to the number of seconds of shooting set in average condition of temperature, air pressure and humidity.
N.B. To correctly dimension the machines it is needed to verify that the saturation of the area occurs in faster time than the one supposed for the theft.
SHOOTING TABLE FAST 03
| m³ to protect 15-18 (64*) | Seconds of emission 1 | m³ to protect 87-105 (315*) | Seconds of emission 6 | m³ to protect 160-192 (576*) | Seconds of emission 11 |
| 29-35 (105*) | 2 | 102-122 (366*) | 7 | 175-210 (630*) | 12 |
| 44-52 (156*) | 3 | 116-140 (420*) | 8 | 189-227 (681*) | 13 |
| 58-70 (210*) | 4 | 131-157 (471*) | 9 | 204-244 (732*) | 14 |
| 73-87 (261*) | 5 | 146-175 (525*) | 10 | 218-262 (786*) | 15 |
SHOOTING TABLE FAST 02
| m³ to protect 19-23 (69*) | Seconds of emission 1 | m³ to protect 190-228 (684*) | Seconds of emission 10 | m³ to protect 325-390 (1170*) | Seconds of emission 19 |
| 38-46 (138*) | 2 | 205-246 (738*) | 11 | 340-408 (1224*) | 20 |
| 57-68 (204*) | 3 | 220-264 (792*) | 12 | 355-426 (1278*) | 21 |
| 77-92 (276*) | 4 | 235-282 (846*) | 13 | 370-444 (1332*) | 22 |
| 96-115 (345*) | 5 | 250-300 (900*) | 14 | 385-462 (1386*) | 23 |
| 115-138 (414*) | 6 | 265-318 (954*) | 15 | 400-480 (1440*) | 24 |
| 135-162 (486*) | 7 | 280-336 (1008*) | 16 | 415-498 (1494*) | 25 |
| 160-192 (576*) | 8 | 295-354 (1062*) | 17 | ||
| 175-210 (630*) | 9 | 310-372 (1116*) | 18 |
Industrial standard as from other manufacturers
The value in the first column indicates the volume of the room to be protected, with respective seconds of emission reported in the second column. The value in m³ varies depending on the density to be obtained. Within the second column, the first value allows to get the maximum density recommended to ensure the absence of any residual, while with the second value you get minimum recommended visibility of according to the standard CENELEC, whereas a higher visibility would make the fog superfluous. In places where a little residual causes no problems, it is possible to increase the shooting time. Please note that the higher the fog released, the more the time required to recover visibility. High levels of fog, over recommended limits, can leave residual.
Any residue usually goes away by itself within 24/48 hours, otherwise, being soluble in water, it is enough to use a wet cloth for cleaning. If you desire to obtain an average of 1 meter visibility after 60 seconds, as specified by the standard, as used as reference by all manufacturers of Fog generators, the number of shooting seconds must be reduced by half.
FOG FLOW DIRECTION
To ensure the right direction of the fog flow, it is recommended to insert a screwdriver of the diameter of the hole and, without forcing, orient the nozzle in the correct fog emission direction. This allows you to clearly see the direction and keep it in place while tightening. To screw and unscrew the nozzle you should use a pair of pliers in good condition to avoid damaging the plating. Do not overscrew the nozzle, it is sufficient that the teflon nozzle does not move.
Do not direct the fog jet towards objects and walls less than 2 meters away or to the floor if it is installed at a height lower than 2.50 meters (we advise against the installation on the floor).
WARNING! After the fog emission, and for a few minutes the nozzle is very hot RISK OF BURNS IF TOUCHED by bare hands.
INSTALLATION, EXCHANGE AND CYLINDERS RESET
The cylinders for fog cannons Fast 02 and Fast 03 are guaranteed to work for 3 years from production date.
The expiry date is printed on the top of them.
After that date, cylinders should be changed even if they have not been used.
It is recommend to return them to the same to the dealer, who will take care of disposal.
For Model Fast 03 1C, with one cylinder, the “reserve” signal occurs when the machine has shot at least 50% of the expected duration of the cylinder, calculated in seconds and not in quantity of fluid shot.
For this reason it is recommended to use only new cylinders, and reset only when you actually inserts a new cylinder. After removing the screws from the door, take away the cylinders and reset the warning light for empty cylinder. After this operation, insert the new cylinder until you hear the “click” of the plastic support at its top that goes into the slot, then close the door of the cylinder.
If the cylinder seemed “stuck” in the upper part DO NOT pull with force, make a pressure with two fingers on top of the cylinder, such as to lower it. Then try again to remove it. If the cylinder does not enter, check if the cylinder plate of the motor remains lifted. If so see paragraph 14
In case of an empty cylinder to be replaced, it is recommended to replace it with the second cylinder still full present in the machine, and a new cylinder will replace this last one.
The cylinders supplied with the equipment are intended to be used only for a vertical (standard) installation. In case of horizontal installation, please refer to your authorized reseller/distributor to get the appropriate cylinders. I’s necessary to insert the cylinders with the black plastic plug.
MAINTENANCE
UR Fog generators do not require special care, however, it is recommended the support of qualified and authorized personnel for periodic annual monitoring, taking into account the following:
- Verify the good working condition of alcaline batteries
- It is advisable to replace the cylinders after 2 years from the installation
- Verify the lock of the nozzle ferrule
- Verify the entirety of the nozzle sphere
- Check the air tightness of the circuit and the switch functioning
- Intervention report redaction and release of conformity declaration according to 37/08 order in case of provision
Entirety of the nozzle sphere
Verify that the nozzle hole is cylindric. The average duration of the nozzle sphere depends on the number and duration of the shooting, around 8L of glycol.
Verification of batteries and battery case
When do you need to change the batteries:
- After one year of use.
- Within the deadline printed on them.
- When it is reported that they stopped to function.
- If the batteries run out, it starts a sequence of acoustic signals:
- 2 bips/minute – battery is low,
- 3 bips/minutes – machine can’t shoot, battery too low,
- 10 bips/minutes – batteries missing or bad contact on battery case, plug or cable interrupted.
The anomaly of the batteries also causes the activation of the output “fault”, useful to signal a possible anomaly.
When the empty batteries are removed from the battery case, the buzzer will sound a sequence of 10 bips for each minute. After re-inserting the new batteries, it is suggested to wait at least one minute, to verify that the sequence of beeps is not repeated. If the sequence of beeps does not stop, you have to check the polarity of the batteries and, if correct, check if the batteries are in correct contact with the battery case. In this step it is suggested to verify a battery case with a tester.
It is necessary the use of alkaline batteries of excellent quality. The use of rechargeable batteries is not allowed.
When you close the cylinder compartment, the buzzer will sound to confirm the correct closing of the anti-tamper system.
We recommend to throw away the batteries in the appropriate waste containers for recycling. Heavy metals contained in them are recyclable.
Checking of the pneumatic circuit and pressure control system
THE TEST CAN BE DONE JUST BY QUALIFIED PERSONNEL
Before starting the test of the pressure control it’s necessary:
- to remove the cylinders
- to be sure that the nozzle is cold
- to be sure that the nozzle tamper pump is activated
The pneumatic seal test must be done within a few seconds when the machine for nozzle tamper control is turned on, as the nozzle temperature rises rapidly reaching temperatures that may cause serious burns.
The air coming out of the nozzle exceeds 200° C.
IT’S ADVISABLE TO USE GLOVES
- Obstruct the nozzle with soft and insulating material (for example an eraser).
- Keep the nozzle obstructed, press the button P3 previously moved in RESET position (see paragraph 14) and keep it pressed until you hear that the pump is activated.
- Wait for the activation of the buzzer (Max 30’’)
- Remove the obstruction taking away your hand quickly to avoid to be in contact with the hot emission of air.
The buzzer must stop.- If after 30’’ you don’t hear the buzzer, may be a loss inside the circuit; please contact the service center.
- If after removing the obstruction the buzzer doesn’t stop, it means that there is an obstruction; please contact the service center.
FAULTS AND POSSIBLE SOLUTIONS
| DEFECT FOUND | POSSIBLE CAUSE | POSSIBLE SOLUTION |
| The three front LEDs flash and the buzzer emits 1 beep / minute | The +12 V input voltage is too low or too high | Check the external power supply or the alarm unit |
| The buzzer emits 2 beeps / minute | Low battery but still can shoot | Replace batteries – See paragraph 14 |
| The buzzer emits 3 beeps / minute | Low battery power can not shoot | Replace batteries – See paragraph 14 |
| The buzzer emits 10 consecutive beeps every minute | Batteries absent | Insert batteries |
| False contact battery case | Move the batteries, turn them | |
| Connector not correct inserted | Remove and reinsert the connector | |
| In any case it is useful to use a tester to verify the presence of voltage on the battery case | ||
|
The machine is armed (BLUE LED ON) but does not shoot | The front red LED is on | Has not been made the reset of the cylinders Reset as described in paragraph 13 |
| The cylinders are empty – Change the cylinders as described in paragraph 13 | ||
| The front green LED flashes | The heat exchanger has not yet reached the minimum temperature of shooting, wait for stop flashing (standard time of heating 60 min) | |
| The machine does not shoot immediately after arming | For security reasons and to avoid false fog emissions in power, when the machine is armed, it becomes operative only after 20”. After this time, the emission is instantaneous | |
| Wiring error | Verify that the alarm once activated has a tension on connectors of at least 12V | |
| The buzzer sounds continuously and the LED flashes blue | Error reading thermocouples | Disconnect electrical power from the machine for a few minutes. If this happens again contact technical support. Not try to repair |
| Cannot arm, BLUE LED doesn not become on | Wiring error | Test the terminal that there is a minimum voltage of between 11V – GND (5) + ARM (3), when the anti-theft system is activated |
| When you press the reset cylinder button can not hear the sound of the buzzer, the all front leds flash but the red LED does not reset | The Jumper P3 is in the “SET” position | CAUTION the shooting time has been reset Reset cylinders – Paragraph 13 Set shooting time – Paragraph 12 |
| The cylinder does not enter | The plate is raised | Pressure down and then pull |
| The cylinder does not exit | The cylinder is stuck in the valvebody | Pressure down and then pull |
| Setting the shooting time, the buzzer does not sound and the LEDs do not flash | The jumper P3 stands in the “RESET” position | See the setting mode of the shooting time at paragraph 12 |
RESET FROM FAULT CONDITION
This process is useful to discriminate false interpretations of faults caused by electrical shocks or serious problems on power supply from thermal loop problems.
- Serious fault signal occurs with a first phase when the buzzer emits a continuous sound for 20 minutes and blue led flashes, the output FAULT immediately switch (if the generator is disconnected and connected again you can go directly at point 3)
- After 20 minutes, the buzzer stops, while blue led goes on flashing, the FAULT output remains closed.
This phase remains permanently, until the machine is completely disarmed. - When you connect again the machine, blue and red leds flash alternately and any sound is emitted.
This phase lasts for 30 minutes, then, the output FAULT is reset and the generator start to work again.
If during this process the generator is disconnected, when you connect it again the time start again from the beginning and for 30 minutes.
If at the end of this process, the generator start to work again regularly is not necessary any further operation.
If occurs again the fault condition within the following 20 minutes, it’s necessary a check from the assistance center, or to send the machine back to the factory.
WARRANTY
The warranty of UR Fog is two years and is handled directly from the dealer or authorized installer, so please contact your supplier to take advantage of warranty with the copy of the purchase document that contains the serial number of the machine. Not included in the warranty: moving parts and/or damages depending on the incorrect use unless it is found a manufacturing defect in origin. Liquid and cylinders are not covered by warranty.
BY BREAKING SECURITY LABELS AND OPENING THE MACHINE YOU WILL ACCEPT WHAT IS INCLUDED IN THIS MANUAL AND CONDITIONS OF USE REPORTED
ON OUR WEBSITE: www.urfog.com
UR Fog srl: Via Toscana n. 38 – 10099 San Mauro Torinese – Italy Phone 011/01.33.037 – Fax 011/01.33.005
| DATE | BATTERY EXCHANGE | CYLINDER EXCHANGE | SIGNATURE | ||
| YES | NO | n. | NO | ||
| YES | NO | n. | NO | ||
| YES | NO | n. | NO | ||
| YES | NO | n. | NO | ||
| YES | NO | n. | NO | ||
| YES | NO | n. | NO | ||
| YES | NO | n. | NO | ||
| YES | NO | n. | NO | ||
| YES | NO | n. | NO | ||
| YES | NO | n. | NO | ||
| YES | NO | n. | NO | ||
| YES | NO | n. | NO | ||
| YES | NO | n. | NO | ||
| YES | NO | n. | NO | ||
| YES | NO | n. | NO | ||
| YES | NO | n. | NO | ||
| YES | NO | n. | NO | ||
It is mandatory to fill out this table in accordance with the law



























