V-TAC VT-4004 Cct Led Batten Fitting

TECHNICAL DATA

SENSOR SPECIFICATION

REMOTE CONTROL

IN CASE OF ANY QUERY/ISSUE WITH THE PRODUCT, PLEASE REACH OUT TO US AT: [email protected] FOR MORE PRODUCTS RANGE, INQUIRY PLEASE CONTACT OUR DISTRIBUTOR OR NEAREST DEALERS. V-TAC EUROPE LTD. BULGARIA, PLOVDIV 4000, BUL.L.KARAVELOW 9B
INTRODUCTION & WARRANTY
Thank you for selecting and buying V-TAC product. V-TAC will serve you the best. Please read these instructions carefully before starting the installation and keep this manual handy for future reference. If you have any another query, please contact our dealer or local vendor from whom you have purchased the product. They are trained and ready to serve you at the best. The warranty is valid for 5 years from the date of purchase. The warranty does not apply to damage caused by incorrect installation or abnormal wear and tear. The company gives no warranty against damage to any surface due to incorrect removal and installation of the product. The products are suitable for 10-12 Hours Daily operation. Usage of product for 24 Hours a day would void the warranty. This product is warranted for manufacturing defects only.
WARNING

- Please make sure to turn off the power before starting the installation.
- Installation must be performed by a qualified electrician
- The light source of this luminaire is not replaceable, when the light source reaches its end of life the whole luminaire should be replaced.
- If the external flexible cable or cord of this luminaire is damaged, it shall be exclusively replaced by the manufacturer or his service agent or a similar qualified person in order to avoid a hazard.
- Proper grounding should be ensured throughout the installation.
- Please do not install on a surface that is prone to vibrations.
- Contact our customer support team for battery replacement.
- For Indoor use only [IP20].
This marking indicates that this product should not be disposed of with other household wastes.
Caution, risk of electric shock.
MULTI-LANGUAGE MANUAL QR CODE
Please scan the QR code to access the manual in multiple languages.

INSTALLATION PRECAUTIONS
- Microwave sensor can be installed in any lamp except the one with full metal shell.
- The detected surface cannot be shielded by metal objects.
- Make sure the microwave module is completely exposed outside.
- The detection surface of the sensor module shall be installed facing the detection area.
- Should be kept away from the driver to avoid interference generation and lamp flashing.
- Wiring must be strictly in accordance with the wiring diagram to avoid short circuit.
USER NOTES
- 3M distance is suggested when having a lot sensors in one same room.
- If the sensor is applicated in the room with 5G WiFi router, 3M distance or above is needed.
INSTALLATION DIAGRAM

INSTALLATION INSTRUCTIONS
- Switch OFF the power before starting the installation.
- Drill holes on the wall/surface using the fixing points or BESA plates for conduit mounting.
- Press the sides of the base and gently remove the front cover.
- Install plastic plugs into the drilled holes. Feed the cable from the backside of the fitting as shown in the diagram. Using the screws install the backside of the fitting on the wall/surface.
- Connect supply leads with terminal brown (L) to brown, blue (N) to blue & greenish-yellow (
) to greenish-yellow. - Gently push fit the front cover/diffuser to the backside fitting until you hear a click sound. Ensure the fitting is properly fixed.
- Switch ON the power to test the light.
WIRING DIAGRAM

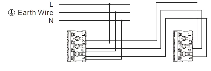
LINKABLE UNITS WIRING DIAGRAM

- Detection Area – It can be adjusted by combining DIP switches for specific application [FIG 1].
- Hold Time – Time period during which the light will be ON after the last detection [FIG 2].
- Daylight Threshold – Daylight sensor priors motion sensor. Set Threshold for Specific needs. If disabled, only motion sensor will work [FIG 3].
- Stand-by Period – This is the time period during which the light keeps dimming down after the last detection [FIG 4].
- Stand-by dimming level – The dimming level during which the light is ON during the stand-by Period [FIG 5].
AUTOMATICALLY ON/OFF FUNCTION

- With sufficient daylight, even when motion detected, light remains OFF.
- With insufficient daylight, the sensor turns light ON when motion gets detected.
- The sensor turns OFF light automatically after the holdtime when there’s no motion detected.
DAYLIGHT DISABLE

- The sensor turns light ON when motion gets detected.
- The sensor keeps light ON for holdtime period after motion leaves.
- The sensor turns OFF light automatically after the holdtime.
- When daylight threshold is preset as “disable”, the sensor turns light ON when motion gets detected, and OFF after holdtime.
CORRIDOR FUNCTION, BI-LEVEL DIMMABLE

- With sufficient daylight, the sensor keeps light OFF even motion gets detected.
- With insufficient daylight, the sensor turns light ON when motion gets detected.
- After there’s no motion detected, the sensor keeps light ON 100% for holdtime.
- After holdtime, sensor dims light to standby dimming level for standby period.
- The sensor turns OFF light automatically after the standby period when there’s no motion detected.
REMOTE CONTROL (PURCHASE SEPERATELY)

Remark
Indicator light on the remote will blink once every time it successfully delivers command.

This marking indicates that this product should not be disposed of with other household wastes.
Caution, risk of electric shock.

















