Wattsonic High Voltage
Single Phase All-In-One ESS
USER MANUAL

Overview
To secure the full 10-years battery product warranty, be sure to install the Watt sonic All-In-One ESS by qualified installers.
Warning: Read this entire document before installing or using Watt sonic Alline-one ESS. Failure to do so or to follow any of the instructions or warnings in this document can result in electrical shock, serious injury, or death, or can damage Watt sonic LFP ESS, potentially rendering it inoperable.

PRODUCT SPECIFICATIONS
All specifications and descriptions contained in this document are verified to be accurate at the time of printing. However, because continuous improvement is a goal
at Watt sonic, we reserve the right to make product modifications at any time.
The images provided in this document are for demonstration purposes only. Depending on product version and market region, details may appear slightly different.
ERRORS OR OMISSIONS
To communicate any inaccuracies or omissions in this manual, please send an email to: [email protected]
ELECTRONIC DEVICE: DO NOT THROW AWAY
Proper disposal of batteries is required. Refer to your local codes for disposal requirements.
![]()
©2018 Wuxi Watt sonic Energy Technology Ltd. All rights reserved.
All information in this document is subject to copyright and other intellectual property rights of Wuxi Watt sonic Energy Technology Co., Ltd. and its licensors. This material may not be modified, reproduced or copied, in whole or in part, without the prior written permission of Wuxi Watt sonic Energy Technology Ltd. and its licensors. Additional information is available upon request. The following are trademarks or registered trademarks of Wuxi Watt sonic Energy Technology Ltd. in Germany, South Africa, Australia, UK and other countries:
![]()
All other trademarks contained in this document are the property of their respective owners and their use herein does not imply sponsorship or endorsement of their
products or services. The unauthorized use of any trademark displayed in this document or on the product is strictly prohibited.
Important Safety Instructions
SAVE THESE IMPORTANT SAFETY INSTRUCTIONS. Watt sonic All-in-one ESS installation and repair instructions assume knowledge of high voltage electricity and should only be performed by Watt sonic Certified Installers. Watt sonic assumes no liability for injury or property damage due to repairs attempted by unqualified individuals or a failure to properly follow these instructions. These warnings and cautions must be followed when using Watt sonic ESS.
Symbols in this document
This manual uses the following symbols to highlight important information:
| DANGER used to warn of urgent dangerous situations, if not avoided, it could result in death or serious personal injury. | |
| WARNING indicates a hazardous situation which, if not avoided, could result in injury or death. | |
| CAUTION indicates a hazardous situation which, if not avoided, could result in damage to the equipment. | |
| ATTENTION used to transmit the safety warning information about equipment or environment, if not avoided, it may cause equipment damage, data loss, equipment performance degradation or other unpredictable results. “Attention” does not involve personal injury. | |
| Note | NOTE indicates an important step or tip that leads to best results, but is not safety or damage related. |
Symbols on the Hybrid Inverter
| Power indicator. | |
| Grid status indicator. | |
| Inverter status indicator. | |
| Battery SOC and status indicator. | |
| Grounding symbol, the inverter casing needs to be properly grounded. |
Symbols on the Packing box
| Handle with care. | |
| This side up. | |
| Keep dry. | |
| Stacked layers. |
Symbols on the Inverter nameplate
| The inverter cannot be disposed of with household waste. | |
| Please read the instructions carefully before installation. | |
| Do not touch any internal parts of the inverter until 5 min after being disconnected from the mains and PV input. | |
![]() | CE mark, the inverter complies with the requirements of the applicable CE guidelines. |
| TUV certification. | |
| Danger. Risk of electric shock! | |
![]() | The surface is hot during operation and no touch is allowed. |
| Electric shock hazard, it is strictly forbidden to use the person to disassemble the inverter casing. |
GENERAL INFORMATION
Warning: Read this entire document before installing or using Watt sonic All-in-one ESS. Failure to do so or to follow any of the instructions or warnings in this document can result in electrical shock, serious injury, or death, or can damage Watt sonic LFP Battery, potentially rendering it inoperable.
Warning: A battery can present a risk of electrical shock, fire, or explosion from vented gases. Observe proper precautions.
Warning: Watt sonic All-in-one storage system installation must be carried out only by Watt sonic Certified Installers, who have been trained in dealing with high voltage electricity.
Warning: Watt sonic is heavy and challenging to lift.
Warning: Use Watt sonic LFP Battery only as directed.
Warning: Do not use Watt sonic LFP Battery if it is defective, appears cracked, broken, or otherwise damaged, or fails to operate.
Warning: Before beginning the wiring portion of the installation, first power off the inverter and then open the AC and DC disconnect switches (if applicable for the installation).
Warning: Do not attempt to open, disassemble, repair, tamper with, or modify Watt sonic LFP Battery. Watt sonic LFP Battery is not user serviceable. LFP Cells in Watt sonic Battery are not replaceable. Contact the Watt sonic Authorized Reseller who sold the Watt sonic LFP Battery for any repairs.
Warning: Do not connect Watt sonic LFP Battery to alternating current carrying conductors. Watt sonic All-in-one storage system including battery and inverter must
be wired to either an inverter or a DC combiner panel that is then wired to an inverter.
No other wiring configuration may be used.
Warning: Watt sonic LFP Battery contains components, such as switches and relays, that can produce arcs or sparks.
Warning: To protect Watt sonic LFP Battery and its components from damage when transporting, handle with care. Do not impact, pull, drag, or step on Watt sonic LFP Battery. Do not subject Watt sonic LFP Battery to any strong force. To help prevent damage, leave Watt sonic LFP Battery in its shipping packaging until it is ready to be installed.
Warning: Do not insert foreign objects into any part of Watt sonic LFP Battery.
Warning: Do not expose Watt sonic LFP Battery or its components to direct flame.
Warning: Do not install Watt sonic LFP Battery near heating equipment.
Warning: Do not immerse Watt sonic LFP Battery or its components in water or other fluids.
Caution: Do not use cleaning solvents to clean Watt sonic LFP Battery, or expose Watt sonic LFP Battery to flammable or harsh chemicals or vapors.
Caution: Do not use fluids, parts, or accessories other than those specified in this manual, including use of non-genuine Watt sonic parts or accessories, or parts or accessories not purchased directly from Watt sonic or a Watt sonic-certified party.
Caution: Do not place Watt sonic LFP Battery in a storage condition for more than one (1) month, or permit the electrical feed on the Watt sonic LFP Battery to be severed
for more than one (1) month, without placing Watt sonic LFP Battery into a storage condition in accordance with Watt Sonic’s storage specifications.
Caution: Do not paint any part of Watt sonic LFP Battery, including any internal or external components such as the exterior shell or casing.
Caution: Do not connect Watt sonic LFP Battery directly to photovoltaic (PV) solar wiring.
Caution: When installing Watt sonic LFP Battery in a garage or near vehicles, keep it out of the driving path. If possible, install the Watt sonic LFP Battery on a side wall and/or above the height of vehicle bumpers.
ENVIRONMENTAL CONDITIONS
Warning: Install Watt sonic LFP Battery at a height that prevents damage from flooding.
Warning: Operating or storing Watt sonic LFP Battery in temperatures outside its specified range might cause damage to Watt sonic LFP Battery.
Warning: Do not expose the Watt sonic LFP Battery to ambient temperatures above 60°C (140°F) or below -30°C (-22°F).
Caution: Ensure that no water sources are above or near Watt sonic LFP Battery, including downspouts, sprinklers, or faucets.
What is Watt sonic All-in-one ESS?
THE FUTURE OF SUSTAINABLE ENERGY
Watt sonic All-in-one ESS is a smart hybrid energy storage system that turns solar panels into an all-day resource while offering backup power in the event of a grid outage. Watt sonic All-intone ESS enables storage of renewable energy, allowing optimized home energy control and an increasing amount of total electricity production to come from renewable sources. Reliable renewable energy improves the resiliency of the grid, reduces energy costs, and increases the impact of electric vehicle ownership.
POWER WHEN NEEDED
Wattsonic All-in-one ESS enables the storage of energy from solar panels during the day, or from the grid when energy rates are low; discharges energy for backup or use
at night; and automatically optimizes home energy. Wattsonic All-in-one ESS thereby maximizes solar consumption and reduces energy spending.
A FLEXIBLE SOLUTION
Wattsonic All-in-one ESS can be charged from solar or grid power and can provide backup power.
If greater amounts of energy are needed, multiple Wattsonic All-in-one ESS can be installed together to work as a larger system.

Inverter Introduction
Basic features
Function
Watt sonic WTS series is also known as hybrid inverter or storage inverter, which is mainly used to combine the PV array, lithium battery, loads and power grid to realize intelligent power management and dispatching.
The WTS 3~8kW series hybrid inverter contains 8 models which are listed below: WTS-3KW-HVS, WTS-3.6KW-HVS, WTS4.2KW-HVS, WTS-4.6KW-HVS, WTS-5KW-HVS, WTS-6KW-HVS, WTS-7KW-HVS, WTS-8KWHVS.
Applicable grid type
The applicable grid types of the Wattsonic WTS 3~8kW series are TN-S, TN-C, TN-C-S and TT. When applied to the TT grid, the voltage of N to PE should be less than 30V.

Schematic Diagram of Hybrid System
The hybrid solar system is usually composed of the PV array, hybrid inverter, lithium battery, loads and power grid.

Operation Modes
Watt sonic WTS Hybrid inverter has the following basic operation modes and you can configure the operation mode as per your preference in the App.
General Mode
In this working mode, when the power from the PV array is sufficient, PV power will supply the loads, battery, and grid by the following sequence:
Loads>Battery>Grid.
PV power will supply the loads with priority, and secondly charge the battery if exceed PV energy, and then feed to the grid. (You can set the power to the grid to 0W if the local grid doesn’t allow through APP or inverter display).
When the PV power is insufficient, the battery will discharge to supply loads, and the grid will join in if the battery power is not enough to supply loads.

Peak Load Shifting Mode
Setting Step: General Mode–>Pmax.
Screen Setting step:
- General Settings → Work Mode Set → General Mode
- Advanced Settings → Peak load Shifting → ON
- Advanced Settings → SetMaxGrid → XXX (kVA) APP Setting step: General Mode → To Set
→Peak load Shifting ON → Set Max Grid (kVA)
When the loads consumption more than the Pmax, the power exceeded Pmax (cannot be higher than the inverter max output power) will be supplied by the inverter. Inverter will use power from PV array to supply loads first and battery second if it isn’t enough.

In this working mode, set the Pmax from grid in the App can realize the “Peak Load Shifting”. When the loads consumption less than the Pmax, loads are supplied by the PV array and grid together.

* To realize the “Peak Load Shifting” function, the load power that exceeded Pmax has to be within the inverter max output power, otherwise, the inverter will only output the max power which allowed.
UPS Mode
In this working mode, the inverter will use the power from PV or grid (Set by App) to charge the battery with full power and top priority until it is fully charged, and as long as the grid is there, the battery won’t discharge.
When the grid is cut off, power from PV and battery will suppy real-time loading connected to inverter back-up port immediately within 10ms.

* During UPS mode, if battery long time no discharge, the inverter will discharge and charge battery periodically(every 1 week) with small current roughly 1A to to reset battery SOC.
Economy Mode
In this working mode, the customer can set time-based scheduled charge and discharge by App, inverter will use the power from PV or grid(selectable by APP) to charge the battery in the scheduled period.

Inverter will use power from PV and battery to supply loads in the scheduled period and the insufficient part will be supplied by the grid.

Off-Grid Mode
In the purely off-grid mode, power from PV will supply the back-up loads firstly and then charge the battery if there is surplus PV generation.
When the power from PV is weak, the battery will discharge to supply back-up loads together with or without PV.

Off-grid peak load capability
Watt sonic WTS hybrid inverter overloading ability in off-grid work mode describes as the table:
Storage conditions
- Inverter must be stored in its original packaging.
- The storage temperature should be in the range of -30 ° C and + 60 ° C, and the relative humidity stored is less than 90%.
- If a batch of inverters needs to be stored, the height of each pile should be no more than 6 levels.
Appearance Introduction
Inverter front view

Inverter side view

Inverter bottom view

Inverter back view

Wall bracket view

Display Interface

| NO. | Definition |
| 1 | Battery SOC and Status Indicator |
| 2 | Power Indicator |
| 3 | Grid Indicator |
| 4 | Alarm Indicator |
| 5 | Display |
| 6 | Button |
Display interface
| Item | Indicator | Status | Description |
| Battery SOC and Status Indicator | Off | Battery not connected or communication fault. | |
| Always on | Battery is discharging or waiting, indicator shows battery SOC. | ||
| Single indicator flash | Battery is charging, indicator shows battery SOC. | ||
| 2 | Power Indicator | Off | Inverter no AC output. |
| Quick flashing | Inverter entered self-test status. | ||
| Always on | Inverter works normal. | ||
| 3 | Grid Indicator | Off | Disconnected with grid. |
| Slow flashing | Inverter detected grid but not running in on-grid mode. | ||
| Always on | Inverter works in on-grid mode. | ||
| 4 | Off | The inverter is running normally. | |
| Slow flashing | The monitoring device is not connected to the router or is not connected to the base station. | ||
| Alarm Indicator | Quick flashing | The monitoring device is connected to the router or connected to the base station but not connected to the server. | |
| Orange | A waring is detected but inverter still working, view the warning info on the display. | ||
| Red | An alarm or fault is detected, view the fault info on the display. | ||
| 5 | On | Display the inverter operation information. | |
| Display | Off | Display off to save power, press the button to wake up the display. | |
| 6 | Button | Physical button | Switch display information and set parameters by short press or long press. |
Specifications

- The grid feed in power for AS/NZS 4777.2 is limited 4.99kW & 4.99kVA & 21.7A.
- Max apparent power from the grid means the maximum power imported from the utility grid used to satisfy the backup loads and charge the battery.
- The output power will exceed the rated value only when the power in the PV array is sufficient, and the duration of the overload is relating to the overload power.
| Model | WTS-3KW -HVS | WTS-3.6KW -HVS | WTS-4.2KW -HVS | WTS-4.6KW -HVS | WTS-5KW -HVS | WTS-6KW -HVS | WTS-7KW -HVS | WTS-8KW -HVS |
| Efficiency | ||||||||
| Max. Efficiency | 98.% | 98.% | 98.% | 98.% | 98.% | 98.% | 98.% | 98.% |
| European Efficiency | 97.% | 97.% | 97.% | 97.% | 97.% | 97.% | 97.% | 97.% |
| Battery Charged by PV Max. Efficiency | 98.% | 98.% | 98.% | 98.% | 98.% | 98.% | 98.% | 98.% |
| Battery Charged by AC Max. Efficiency | 97.% | 97.% | 97.% | 97.% | 97.% | 97.% | 97.% | 97.% |
| Max. Battery Discharge Conversion Efficiency | 97.% | 97.% | 97.% | 97.% | 97.% | 97.% | 97.% | 97.% |
| Protection | |
| DC Reverse Polarity Protection | Integrated |
| Battery Input Reverse Connection Protection | Integrated |
| Insulation Resistance Protection | Integrated |
| DC Switch | Optional |
| Surge Protection | Integrated ( Type Ⅱ ) |
| Over-temperature Protection | Integrated |
| Residual Current Protection | Integrated |
| Islanding Protection | Frequency Shift, Integrated |
| AC Over-voltage Protection | Integrated |
| Overload Protection | Integrated |
| AC Short-circuit Protection | Integrated |
| General Data | |
| Over Voltage Category | PV: main: Ⅲ |
| Dimensions (mm) | 550W*410H*175D |
| Weight (KG) | 26 |
| Protection Degree | IP65 |
| Self-consumption at Night (W) | <15 |
| Topology | Transformer-less |
| Operating Temperature Range (°C) | -30~60 |
| Relative Humidity | 0~100% |
| Operating Altitude (m) | 3000 |
| Cooling | Natural Convection |
| Noise Level (dB) | <25 |
| Display | OLED & LED |
| Communication | WiFi / LAN(Optional) |
| Compliance | IEC62109, IEC62116, VDE4105, VDE0126, AS4777, RD1699、NBR16149 ,IEC61727, IEC60068, IEC61683, EN50549, EN61000 |
Standard Packing List
The package of the inverter includes the following accessories. Please check whether the accessories in the packing box are complete at the first time when receiving the goods.

Battery Introduction
Specifications

MASTER BMS
| Operation Voltage [Vdc] | 200-900 |
| Max. Charge/Discharge Current [A] | 30 |
| Recommend Charge/Discharge Current [A] | 30 |
| Functions | Pre-charge, Over-Less Voltage/ |
| /Over-Less Temperature Protection, | |
| Cells Balancing/SOC-SOH calculationetc. | |
| Communication Protocol/Connector Type | CAN/RS485 MODBUS, TCP/IP/ RJ45 |
| Power Connection Type | Amphenol MC4 |
| User Interface | LCD Display(Optional, need to be confirmed upon order) |
| Dimension [W*H*D(mm)] | 557. |
| Weight | 11kg |
| Operating Temperature [°C ] | -20–55 |
| Ingress Protection | IP21(Optional IP65, need to be confirmed upon order) |
| Installation Method | Floor or Wall Mounted |
| Warranty | 10 years |

BATTERY MODULE
| Nominal Voltage/Capacity per Module | 76.8V/2.3KWH |
| Expand Capability | Up to 8 Modules series at 614V/18.4KWH |
| DOD Recommended | 90% |
| Max. Charge/Discharge Current [A] | 30A Continual |
| Recommend Charge/Discharge Current [A] | 25A Continual |
| Communication Protocol/Connector Type | CAN/ RJ45 |
| Power Connection Type | Amphenol MC4 |
| Dimension [W*H*D(mm)] | 557.’319*(152.6 per module |
| Weight | 28kg |
| Charge Temperature Range [°C ] | 0-45 |
| Discharge Temperature RangerC 1 | -20-55 |
| Ingress Protection | IP21(Optional IP65, need be confirmed upon order) |
| Installation Method | Floor or Wall Mounted |
| Cables Connection Method | Connection from side |
| Warranty | 10 years or 10,000 cycles @90% DOD |
*Battery System Configuration Options: 230V/6.9kWh, 307V/9.2kWh, 384V/11.5kWh, 460V/13.8kWh, 537V/16.1kWh, 614V/18.4kWh
Standard Packing List
Main units

Standard Accessories

Spare Accessories

Spared MC4 connectors for customized Inverter<–>Sub-Master BMS Power Cable(+/-) with different length
Mechanical Installation
Selection of Installation Location
> The Watt sonic WTS 3~8kW series is designed with IP65 protection for indoor and outdoor installations. When selecting an inverter installation location, the following
factors should be considered:
> The wall on which the inverter is mounted must be strong and can withstand the weight of the inverter for a long time.
> The inverter needs to be installed in a well-ventilated environment.
> Do not expose the inverter directly to strong sunlight to prevent the power derating due to excessive temperature.
> The inverter should be installed in a place with shelter to prevent direct exposure to sunlight and rain.
> Install the inverter at the eye level for easy inspection of screen data and further maintenance.
> The ambient temperature of the inverter installation location should be between -30 °C and 60 °C.
> The surface temperature of the inverter may reach up to 75 °C. To avoid risk of burns, do not touch the inverter while it’s operating and inverter must be installed out of reaching of children.
> The area is completely water proof.
> The floor is flat and level.
> > There are no flammable or explosive materials.
The ambient temperature is within the range from 0 to 50.
> The temperature and humidity is maintained at a constant level.
> There is minimal dust and dirt in the area.
> The distance from heat source is more than 2 meters.
> The distance from air outlet of whole system is more than 0.5 meters.
> Do not cover or wrap the battery case or cabinet.
> Do not place at a children or pet touchable area.
> The installation area shall avoid of direct sunlight.
> There is no mandatory ventilation requirements for battery module, but please avoid of installation in confined area(minimum 300mm to top/left/right/front).
> The aeration shall avoid of high salinity, humidity or temperature.
Recommended installation location of the inverter.

Warning: Do not put flammable and explosive articles around the inverter.
The requirements for inverter installation spacing.

The installation angle of the inverter.

The requirements for the installation environment.

Inverter+Sub-Master BMS + 3 Battery Modules
Suggested Wall Mounted (vertical)
Back sheet positioning and installation
- Use the back sheet as the template to mark the position of holes on the wall. Make sure the back sheet is in a horizontal position.
- Use an electrical driller to drill holes on the wall and make sure hole depth is enough.
- Insert the expansion tubes into the holes and tighten them, then fix the bracket onto the wall with expansion screws by using a cross screwdriver.

Warning: Before drilling, make sure to avoid the buried water tube and electric wires in the wall to avoid danger.
Mounting the Sub-Master BMS and battery modules
Lift up the Sub-Master BMS or battery modules with both hands, hang the back rail on the back sheet carefully.
Start the installation from the bottom one, complete the installation from bottom to top.

Mounting the inverter
Lift up the inverter with both hands, hang the back rail on the back sheet carefully.

Cables Connection
Please refer to Page33 for Sub-Master BMS and batteries cables connection and Sub Master BMS and inverter cables connection.
Mounting the cables cover
After all the cables are connected (you can refer to cables connection instruction in this manual for more details), push into the cables cover from the right side and use a cross screwdriver to lock and fix the screws reserved on the side.

Inverter+Sub-Master BMS + 3 Battery Modules
Battery Stack Installation
Place stacked batteries and Sub-Master BMS
Check installation environment to ensure ground level.
Place the first battery on the ground, with the cushion facing down, and make sure it is level and stable. The remaining battery and master control are then placed in turn.

Mounting the stackable fixed frame
Install two stackable fixed bars on both sides between battery modules, and one on the left side between the battery and Sub Master BMS. Then secure with screws to ensure the stability of the stack structure.

Mounting the stackble fixed bar
After the battery stack is secured, install the stackble fixed bar. Install in the top two stability bracket on the left side of the battery and the Sub-Master BMS, and ensure
stability.

Mounting the inverter
- Use the back sheet as the template to mark the position of holes on the wall. Make sure the back sheet is in a horizontal position.
- Use an electrical driller to drill holes on the wall and make sure hole depth is enough.
- Insert the expansion tubes into the holes and tighten them, then fix the bracket onto the wall with expansion screws by using a cross screwdriver.
- Lift up the inverter with both hands, hang the back rail on the back sheet carefully.
Mounting the cables cover
After all the cables are connected (please refer to cables connection instruction on page 39), push into the cables cover from the right side and use a cross screwdriver to lock
and fix the screws reserved on the side.
Inverter+Sub-Master BMS + 4 Battery Modules
Suggested Wall Mounted (vertical horizontal)
Back sheet positioning and installation
- Use the back sheet as the template to mark the position of holes on the wall. Make sure the back sheet is in a horizontal position.
- Use an electrical driller to drill holes on the wall and make sure hole depth is enough.
- Insert the expansion tubes into the holes and tighten them, then fix the bracket onto the wall with expansion screws by using a cross screwdriver.

Warning: Before drilling, make sure to avoid the buried water tube and electric wires in the wall to avoid danger.
Mounting the Sub-master BMS and battery modules
Lift up the Sub-Master BMS or battery modules with both hands, hang the back rail on the back sheet carefully.
Start the installation from the bottom one, complete the installation from bottom to top.

Mounting the inverter
Lift up the inverter with both hands, hang the back rail on the back sheet carefully.
Cables Connection
Please refer to Page34 for Sub-Master BMS and batteries cables connection and Submeter BMS and inverter cables connection.

Inverter+Sub-Master BMS + 4 Battery Modules
Battery Stack Installation
Place stacked batteries and Sub-Master BMS
Check installation environment to ensure ground level.
Place the first battery on the ground, with the cushion facing down, and make sure it is level and stable. The remaining battery and master control are then placed in turn.

Mounting the stackable fixed frame
Install two stackable fixed bars on both sides between battery modules, and one on the left side between the battery and Sub Master BMS. Then secure with screws
to ensure the stability of the stack structure.

Mounting the stackble fixed bar
After the battery stack is secured, install the stackble fixed bar. Install in the top two stability bracket on the left side of the battery and the Sub-Master BMS, and ensure
stability.

Mounting the inverter
- Use the back sheet as the template to mark the position of holes on the wall. Make sure the back sheet is in a horizontal position.
- Use an electrical driller to drill holes on the wall and make sure hole depth is enough.
- Insert the expansion tubes into the holes and tighten them, then fix the bracket onto the wall with expansion screws by using a cross screwdriver.
- Lift up the inverter with both hands, hang the back rail on the back sheet carefully.
Mounting the cables cover
After all the cables are connected (please refer to cables connection instruction on page 39), push into the cables cover from the right side and use a cross screwdriver to lock
and fix the screws reserved on the side.
Inverter+Sub-Master BMS + 5 Battery Modules
Suggested Wall Mounted (vertical horizontal)
Back sheet positioning and installation
- Use the back sheet as the template to mark the position of holes on the wall. Make sure the back sheet is in a horizontal position.
- Use an electrical driller to drill holes on the wall and make sure hole depth is enough.
- Insert the expansion tubes into the holes and tighten them, then fix the bracket onto the wall with expansion screws by using a cross screwdriver.

Warning: Before drilling, make sure to avoid the buried water tube and electric wires in the wall to avoid danger.
Mounting the Sub-Master BMS and battery modules
Lift up the Sub-Master BMS or battery modules with both hands, hang the back rail on the back sheet carefully.
Start the installation from the bottom one, complete the installation from bottom to top.

Mounting the inverter
Lift up the inverter with both hands, hang the back rail on the back sheet carefully.

Cables Connection
Please refer to Page35 for Sub-Master BMS and batteries cables connection and Sub Master BMS and inverter cables connection.
Mounting the cables cover
After all the cables are connected (you can refer to cables connection instruction in this manual for more details), push into the cables cover from the right side and use a
cross screwdriver to lock and fix the screws reserved on the side.

Place stacked batteries and Sub-Master BMS
Check installation environment to ensure ground level.
Place the first battery on the ground, with the cushion facing down, and make sure it is level and stable. The remaining battery and master control are then placed in turn.

Mounting the stackable fixed frame
Install two stackable fixed bars on both sides between battery modules, and one on the left side between the battery and Sub Master BMS. Then secure with screws to ensure the stability of the stack structure.
Mounting the stackble fixed bar
After the battery stack is secured, install the stackable fixed bar. Install in the top two stability bracket on the left side of the battery and the Sub-Master BMS, and ensure stability.

Mounting the inverter
- Use the back sheet as the template to mark the position of holes on the wall. Make sure the back sheet is in a horizontal position.
- Use an electrical driller to drill holes on the wall and make sure hole depth is enough.
- Insert the expansion tubes into the holes and tighten them, then fix the bracket onto the wall with expansion screws by using a cross screwdriver.
- Lift up the inverter with both hands, hang the back rail on the back sheet carefully.
Mounting the cables cover
After all the cables are connected (please refer to cables connection instruction on page 39), push into the cables cover from the right side and use a cross screwdriver to lock
and fix the screws reserved on the side.
Inverter+Sub-Master BMS + 6 Battery Modules
Suggested Wall Mounted (vertical horizontal)
Back sheet positioning and installation
- Use the back sheet as the template to mark the position of holes on the wall. Make sure the back sheet is in a horizontal position.
- Use an electrical driller to drill holes on the wall and make sure hole depth is enough.
- Insert the expansion tubes into the holes and tighten them, then fix the bracket onto the wall with expansion screws by using a cross screwdriver.

Warning: Before drilling, make sure to avoid the buried water tube and electric wires in the wall to avoid danger.
Mounting the Sub-Master BMS and battery modules
Lift up the Sub-Master BMS or battery modules with both hands, hang the back rail on the back sheet carefully.
Start the installation from the bottom one, complete the installation from bottom to top.

Mounting the inverter
Lift up the inverter with both hands, hang
the back rail on the back sheet carefully.

Cables Connection
Please refer to Page36 for Sub-Master BMS and batteries cables connection and Sub Master BMS and inverter cables connection.
Mounting the cables cover
After all the cables are connected (you can refer to cables connection instruction in this manual for more details), push into the cables cover from the right side and use a
cross screwdriver to lock and fix the screws reserved on the side.

Inverter+Sub-Master BMS + 6 Battery Modules
Battery Stack Installation
Place stacked batteries and Sub-Master BMS
Check installation environment to ensure ground level.
Place the first battery on the ground, with the cushion facing down, and make sure it is level and stable. The remaining battery and master control are then placed in turn.

Mounting the stackable fixed frame
Install two stackable fixed bars on both sides between battery modules, and one on the left side between the battery and Sub Master BMS. Then secure with screws to ensure the stability of the stack structure.
Mounting the stackble fixed bar
After the battery stack is secured, install the stackable fixed bar. Install in the topo stability bracket on the left side of the battery and the Sub-Master BMS, and ensure
stability.

Mounting the inverter
- Use the back sheet as the template to mark the position of holes on the wall. Make sure the back sheet is in a horizontal position.
- Use an electrical driller to drill holes on the wall and make sure hole depth is enough.
- Insert the expansion tubes into the holes and tighten them, then fix the bracket onto the wall with expansion screws by using a cross screwdriver.
- Lift up the inverter with both hands, hang the back rail on the back sheet carefully.
Mounting the cables cover
After all the cables are connected (please refer to cables connection instruction on page 39), push into the cables cover from the right side and use a cross screwdriver to lock
and fix the screws reserved on the side.
Inverter+Sub-Master BMS + 7 Battery Modules
Suggested Wall Mounted (vertical horizontal)
Back sheet positioning and installation
- Use the back sheet as the template to mark the position of holes on the wall. Make sure the back sheet is in a horizontal position.
- Use an electrical driller to drill holes on the wall and make sure hole depth is enough.
- Insert the expansion tubes into the holes and tighten them, then fix the bracket onto the wall with expansion screws by using a cross screwdriver.

Warning: Before drilling, make sure to avoid the buried water tube and electric wires in the wall to avoid danger.
Mounting the Sub-Master BMS and battery modules
Lift up the Sub-Master BMS or battery modules with both hands, hang the back rail on the back sheet carefully.
Start the installation from the bottom one, complete the installation from bottom to top.
Mounting the inverter
Lift up the inverter with both hands, hang
the back rail on the back sheet carefully.

Cables Connection
Please refer to Page37 for Sub-Master BMS and batteries cables connection and Sub Master BMS and inverter cables connection.
Mounting the cables cover
After all the cables are connected (you can refer to cables connection instruction in this manual for more details), push into the cables cover from the right side and use a cross screwdriver to lock and fix the screws reserved on the side.

Place stacked batteries and Sub-Master BMS
Check installation environment to ensure ground level.
Place the first battery on the ground, with the cushion facing down, and make sure it is level and stable. The remaining battery and master control are then placed in turn.

Mounting the stackable fixed frame
Install two stackable fixed bars on both sides between battery modules, and one on the left side between the battery and Sub Master BMS. Then secure with screws to ensure the stability of the stack structure.
Mounting the stackble fixed bar
After the battery stack is secured, install the stackable fixed bar. Install in the top two stability bracket on the left side of the battery and the Sub-Master BMS, and ensure stability.

Mounting the inverter
- Use the back sheet as the template to mark the position of holes on the wall. Make sure the back sheet is in a horizontal position.
- Use an electrical driller to drill holes on the wall and make sure hole depth is enough.
- Insert the expansion tubes into the holes and tighten them, then fix the bracket onto the wall with expansion screws by using a cross screwdriver.
- Lift up the inverter with both hands, hang the back rail on the back sheet carefully.
Mounting the cables cover
After all the cables are connected (please refer to cables connection instruction on page 39), push into the cables cover from the right side and use a cross screwdriver to lock
and fix the screws reserved on the side.
Back sheet positioning and installation
- Use the back sheet as the template to mark the position of holes on the wall.Make sure the back sheet is in a horizontal position.
- Use an electrical driller to drill holes on the wall and make sure hole depth is enough.
- Insert the expansion tubes into the holes and tighten them, then fix the bracket onto the wall with expansion screws by using a cross screwdriver.
Back sheet positioning and installation
- Use the back sheet as the template to mark the position of holes on the wall.Make sure the back sheet is in a horizontal position.
- Use an electrical driller to drill holes on the wall and make sure hole depth is enough.
- Insert the expansion tubes into the holes and tighten them, then fix the bracket onto the wall with expansion screws by using a cross screwdriver.

Warning: Before drilling, make sure to avoid the buried water tube and electric wires in the wall to avoid danger.
Mounting the Sub-Master BMS and battery modules
Lift up the Sub-Master BMS or battery modules with both hands, hang the back rail on the back sheet carefully. Start the installation from the bottom one, complete the installation from bottom to top.

Mounting the inverter
Lift up the inverter with both hands, hang the back rail on the back sheet carefully.

Cables Connection
Please refer to Page38 for Sub-Master BMS and batteries cables connection and SubMaster BMS and inverter cables connection.

Mounting the cables cover
After all the cables are connected (you can refer to cables connection instruction in this manual for more details), push into the cables cover from the right side and use a cross screwdriver to lock and fix the screws reserved on the side.
Place stacked batteries and Sub-Master BMS
Check installation environment to ensure ground level.
Place the first battery on the ground, with the cushion facing down, and make sure it is level and stable. The remaining battery and master control are then placed in turn.

Mounting the stackable fixed frame
Install two stackable fixed bars on both sides between battery modules, and one on the left side between the battery and SubMaster BMS. Then secure with screws to ensure the stability of the stack structure.
Mounting the stackble fixed bar
After the battery stack is secured, install the stackble fixed bar. Install in the top two stability bracket on the left side of the battery and the Sub-Master BMS, and ensure stability.

Mounting the inverter
- Use the back sheet as the template to mark the position of holes on the wall. Make sure the back sheet is in a horizontal position.
- Use an electrical driller to drill holes on the wall and make sure hole depth is enough.
- Insert the expansion tubes into the holes and tighten them, then fix the bracket onto the wall with expansion screws by using a cross screwdriver.
- Lift up the inverter with both hands, hang the back rail on the back sheet carefully.
Mounting the cables cover
After all the cables are connected (please refer to cables connection instruction on page 39), push into the cables cover from the right side and use a cross screwdriver to lock and fix the screws reserved on the side.
Inverter+Sub-Master BMS + 3 Battery Modules

Inverter+Sub-Master BMS + 4 Battery Modules

Inverter+Sub-Master BMS + 5 Battery Modules

Inverter+Sub-Master BMS + 6 Battery Modules

Inverter+Sub-Master BMS + 7 Battery Modules

Inverter+Sub-Master BMS + 8 Battery Modules

(Stackable) Battery Cables Connection

Battery System PE connection
Battery earth cables connection
Please use standard earth connection cables from standard accessories to connect together SubMaster BMS to battery array in series, and then connect to earth point in distribution box from Sub-Master BMS.

Battery(Sub Master BMS)<–>Inverter Power and COM Cables Customization
*In case of customized cables request onsite with different length and standard packed cables cannot satisfy the demand, please follow here the instructions:
Power Cable connection
Please use the Mc4 connectors in both inverter and battery standard accessories package with proper length cables to make two cables(-/-) and (+/+) to plug in:
Sub-Master BMS POWER OUT+<—->Inverter BAT+
Sub-Master BMS POWER OUT-<—->Inverter BAT-
Communication Cable connection
Please customize the COM cable(RJ45) in inverter accessory box according to below Rj45 pin definition at Battery side.

Inverter Cables Connection
Electrical Connection
Danger hint
Danger: A high voltage in the conductive part of the inverter may cause an electric shock. When performing any installation on the inverter, make sure that the AC and DC sides of the inverter are completely de-energized.
Warning: Do not ground the positive or negative pole of the PV string, otherwise it will cause serious damage to the inverter.
Warning: Static may cause damage to the electronic components of the inverter. Antistatic measures should be taken during the repairing or installation.
Attention: Do not use other brands or other types of PV terminals other than the PV terminal in the accessory package. Wattsonic has the right to refuse all damages caused by the mixed-use of terminals.
Attention: Moisture and dust can damage the inverter, ensure the cable gland is securely tightened during installation. The warranty claim will be invalided if the inverter damaged by the cable connector not well installed.
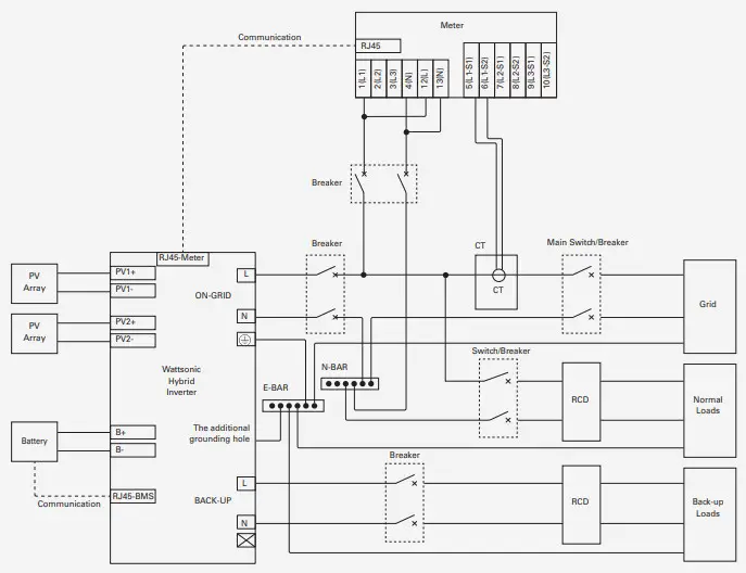
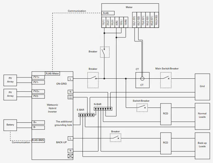
Wattsonic WTS hybrid inverter electrical wiring diagram
This diagram shows Wattsonic WTS 6~12kW series hybrid inverter wiring structure and composition, concerning the real project, the installation and wiring have to be in line with the local standards.

Single inverter wiring diagram
This diagram is an example without special requirement on electrical wiring connection. Neutral line of AC supply can be isolated or switched.

This diagram is an example for Australia and New Zealand. Neutral line of AC supply must not be isolated or switched.

External ground connection
Connect the inverter and ground bar through PE wire to achieve the purpose of grounding protection. Please always remember wiring the PE wire before wiring other wires.
Danger: Do not connect the N-wire as a protective ground wire to the inverter casing. Otherwise, it may cause electric shock.
Attention: Good grounding is good for resisting surge voltage shock and improving EMI performance. Inverters must be well-grounded.
For a system with only one inverter, just ground the PE cable.
For a multi-inverter system, all inverters PE wire need to be connected to the same grounding copper bar to ensure equipotential bonding.
Ground terminal connection steps:
- The external grounding terminal is located in the lower right side of the inverter.
- Fix the grounding terminal to the PE wire with a proper tool and lock the grounding terminal to the grounding hole in the lower right side of the inverter.

Inverter PV string connection
The following principles must be considered when making electrical connections to the inverter:
- Disconnect the AC breaker on the grid side.
- The DC switch of the inverter must be turned to the “OFF” position.
- The number and type of the PV panels connected in the two strings of one MPPT must be same.
- Make sure the maximum output voltage of each PV string does not exceed 550V.
DC connector assembly procedures
- Select the appropriate photovoltaic cable:
Cable type Conductor transverse area(mm²) General photovoltaic cable Scope(mm²) Recommended value(mm²) 2.5-4.0 4 - Peel off the DC cable insulation sleeve for 7 mm.

- Disassemble the connector in the accessory bag.

- Insert the DC cable through the DC connector nut into the metal terminal and press the terminal with a professional crimping plier (pull back the cable with some power to check if it’s tight enough).

- Insert the positive and negative cables into the corresponding positive and negative connectors, pull back the cable to ensure that the terminal is tightly attached in the connector.

- Use an open-end wrench to screw the nut to the end to ensure that the terminal is well sealed.

Warning 1.Before assembling the DC connector, make sure that the cable polarity is correct.
Warning 2.Use a multimeter to measure the voltage of the DC input string, verify the polarity of the DC input cable, and ensure that each string voltage is within 1000V.
Inverter battery connection
The following principles must be considered when making battery connection:
- Disconnect the AC breaker on the grid side.
- Disconnect the breaker on the battery side.
- Turn the inverter DC switch to the “OFF” position.
- Make sure the maximum input voltage of battery is within the inverter limitation (180~750V). For 2.3kWh LFP module, the operation voltage range of each battery module is 60V~87.6V, so usually suggested to series connected 3 to 8 modules.
Lithium battery connector assembly procedures
- Select an appropriate DC cable.
Cable type Conductor transverse area(mm²) AWG 10 Outside diameter (mm²) Conductor core section (mm²) 5.5-8.0 4.0-6.0 - Peel off the DC cable insulation sleeve for 7 mm.

- Use a flathead screwdriver to open the clamping bracket in the connector.

- Insert the stripped DC cable to the battery connector deep enough and toggle the clamping bracket to make sure it tightly locked with the stripped cable.

- Push the battery connector to the thread joint, and use an open wrench to lock the connector in a torsion of 2Nm tightly.

Warning: Before making the battery connector, please make sure the polarity of the cable is correct.
Warning: Use a multimeter to measure the voltage of the battery pack and make sure the voltage is within the inverter limitation and the polarity is correct. - Insert the positive and negative connector into the inverter battery terminals respectively, and a “click” sound represents the assembly in place.

AC output connector connection
The following principles must be considered when making AC output connection.
- An independent AC breaker is required in both on-grid and back-up output side, and any loads cannot be connected with inverter directly.
- Before making the connection of AC cable, please confirm all DC & AC power source are disconnected from the inverter.
- The Wattsonic WTS 3~8kW series single phase high voltage hybrid inverter applies to the single phase power grid with a voltage of 230V and a frequency of 50/60Hz.
AC connector assembly procedures
The recommended AC cable and AC breaker for Wattsonic WTS 3~8kW series single phase hybrid inverter are as shown in the table.
| Model | WTS-3KW -HVS | WTS-3.6KW -HVS | WTS-4.2KW -HVS | WTS-4.6KW -HVS | WTS-5KW -HVS | WTS-KW 6-HVS | WTS-7KW -HVS | WTS-8KW -HVS |
| Outside diameter (mm) | 12-18 | 12-18 | 12-18 | 12-18 | 12-18 | 12-18 | 12-18 | 12-18 |
| Conductor core section(mm2) | 4-10 | 4-10 | 4-10 | 4-10 | 6-10 | 6-10 | 6-10 | 6-10 |
| Breaker (A) | 20 | 25 | 25 | 25 | 30 | 40 | 50 | 50 |
- According to the table above, select an appropriate AC cable, peel off the insulation sleeve of AC cable for 40~60mm, and peel off the sleeve in the conductor core of 3L/ PE/N wires for 8mm.

- Insert the stripped AC cables through the AC connector cover in the sequence.

- Put the cord end terminals on the stripped conductors one by one and press with some pressure to make it tightly locked with the conductors.

Caution: The cold-pressed terminals must be locked tightly, and make sure it won’t be loose after a long period of use. - Lock the well-pressed cord end terminals into the AC connector in the accessory bag and make sure the cables sequence is in line with the mark on the connector.

- Insert the assembled AC connector to the corresponding AC port in the inverter.

Caution: Please distinguish the on-grid and back-up port, and don’t mix up the on-grid port and back-up port when making the connection. - Lock the AC connector cover to the inverter with screws.

- Screw up the rubber ring and anti-watercap to make sure the AC connector is wellsealed.

Meter and CT connection
- The current transducer, also called CT, is usually installed on the fire wires between the house loads and the power grid.
The Meter can install in the AC combiner box or other places that are unable to be touched by children. Wattsonic CT integrated a cable with length of 2m and could be extended to 5m at max. N-BAR
Attention: CT installation direction and phase sequence should strictly follow the instruction in the user manual, otherwise, the inverter may not be working normally. Switch/Breaker Normal Loads RCD
Attention: The CT has to be corresponding with the port in the meter, and the connection between CT and Meter needs to be reliable, otherwise, the CT measurement accuracy may be affected.
Note: The rated current of CT in the inverter accessory box is 80A, and the maximum allowed inserted cable diameter is 16mm. If the max current through the CT exceeds the rated current or the cable diameter wider than 16mm, please contact Wattsonic for help. PE N - The CTs have been connected to the Sunways Meter when you received them, and you just need to follow the wiring diagram in the Meter to connect CT.

>>> Meter terminals definition
![]() | No. | Definition | Function |
| 1 | L | L/N connect to grid to detect power grid voltage | |
| 2 | NULL | ||
| 3 | NULL | ||
| 4 | N | ||
| 5 | L1-S1 | Connect CT to detect current | |
| 6 | L1-S2 | ||
| 7 | NULL | ||
| 8 | NULL | ||
| 9 | NULL | ||
| 10 | NULL | ||
| 12 | L | Power supplied from grid | |
| 13 | N | ||
| RS485 | RS485 | Communicate with inverter |
Communication Connection
Communication wiring illustration All communication ports are hidden behindthe communication terminal at the bottomof inverter which including Meter port, CANport, BMS port, EMS port, RLYOUT port,DRED port.
>>> Inverter communication interface anddefinition.
![]() | Type | Definition |
| METER | Communicate with Meter | |
| BMS | Communicate with BMS | |
| DRED | For Australia use/One key to shut off | |
| PARCAN | Parallel CAN communication bus interface | |
| EMS | EMS power dispatching interface | |
| RLYOUT | Dry contact output, a group of normally open contact passive dry contact |
Dismantle the cover of the communication ports with a screwdriver, and put all communication cables through the holes and follow the illustration below to make the connection of each communication cables, and when all cables have connected, put back the cover and screw up the anti-water cap of the holes.
Communication between inverter and meter
The communication between meter and inverter is an RJ45 interface cable.A 10M length meter communication cable is already attached to the inverter when you received it and this cable could be extended up to 100M. Insert the RJ45 heads into the meter RS485 port.
>>> RJ45 terminal connection sequence and definition.
![]() | No. | Color | Meter Side | Battery Side |
| 1 | Orange&White | / | RS485_A | |
| 2 | Orange | / | RS485_B | |
| 3 | Green&White | RS485_B | / | |
| 4 | Blue | / | CAN_H | |
| 5 | Blue&White | / | CAN_L | |
| 6 | Green | RS485_A | / | |
| 7 | Brown&White | RS485_B | / | |
| 8 | Brown | RS485_A | / |
Communication between inverter and battery
The communication between meter and inverter is an RJ45 interface cable. A 3M length battery communication cable is already attached to the inverter when you received it, and you just need to insert it to the BMS interface of the inverter and SubMaster BMS.
Note: Before purchasing the battery, you have to make sure the battery you selected is in the battery approval list of Wattsonic, otherwise, the system may not work properly. Please contact your installer or Wattsonic service team for confirmation if you’re not sure about it.
Multiple inverters parallel connection/ EMS/Relay output dry contact
Multiple inverters parallel connection, EMS and relay output dry contact use the 6pin terminal on the right side, and you can use the matching 6pin terminal in the accessory box to make the connection.
| No. | 1 | 2 | 3 | 4 | 5 | 6 |
| Definition | CAN PAR | EMS | RLY OUT | |||
| CAN_H | CAN_L | RS485_B | RS485_A | RLY_COM | RLY_NO | |
- An EMS communication cable needs to be connected when to control the operation of a hybrid inverter through the EMS, and communication between EMS and inverter is RS485.

- Wattsonic WTS 3~8kW series hybrid inverter integrated a set of relay output dry contacts with the contact capacity 230Vac/1A or 30Vdc/1A that are very useful in some special circumstances, such as in the purely off-grid system, it can be used to trigger the backup generator. Please contact your installer or Wattsonic service team to
learn more detailed operation steps.
DRED Connection
DRED interface is special reserved for Australia and New Zealand according to their safety regulation, and Wattsonic doesn’t provide the DRED device for the customer.
DRED connection uses the 6pin terminal on the left side, and you can use the matching 6pin terminal in the accessory box to make the connection.
| No. | 1 | 2 | 3 | 4 | 5 | 6 |
| Definition | COM/DRMO | REFGEN | DRM4/8 | DRM3/7 | DRM 2/6 | DRM1/5 |
One key to shut off
Wattsonic WTS kW hybrid inverter comes standard with one key to shut off function, and you can use this function by connecting an external switch into the DRED interface if it requires in the installation place. The external switch doesn’t include in our accessory box.
| No. | 1 | 2 | 3 | 4 | 5 | 6 |
| Definition | COM/DRMO | REFGEN | / | / | / | / |
Monitoring Device Installation
Wattsonic WTS 6~12kW series hybrid inverter can be monitored through either WiFi or LAN, and you can alternatively select according to your preference.
Plug the WiFi or LAN module into the WiFi/GPRS port in the bottom of inverter by following the direction the side with indicator is up. A slight “click” sound during the installation represents that the assembly is in place.
For detailed monitoring system setup, please refer to manual-“Wattsonic Li-HV AIO Monitoring”
System Start and Stop
Start Inverter
Please make sure all cables(PV/Battery/Grid/Back-up) are correctly connected according to above instructions before start up the inverter, or it will has high risk to damage inverter or batteries.
Before starting the inverter, follow these steps:
- Turn the DC switch in the inverter bottom to the “ON” position.
- Turn on the Sub-Master BMS DC Isolator.
- Switch on the AC breaker.
- The inverter will start to check the DC and AC input parameters and self-check, and if everything is normal, the inverter will start to work according to the work mode which you set on the App. The inverter display and indicators will show relative parameters and status.
Start Battery
Turn on the DC Switch on the Sub-Master BMS. When the indicator light on the SubMaster BMS flashing 5 times with solid green or the display show correct system information with no error. 
Stop Inverter
When turning off the inverter, please follow the steps below:
- Shut off the inverter through the APP or the button on the display first.
- Disconnect the breakers on the grid and load side.
- Turn off the battery switch, and disconnect the DC breaker on the battery side (if any).
- Wait 30 seconds and then turn the inverter DC switch to the “OFF” position. At this time, there is remaining power in the inverter capacitor. Wait for 5 minutes until the inverter is completely de-energized before operating.
- Disconnect the AC and DC cables.
Stop Battery
Turn off the DC Switch on the Sub-Master BMS.
General Operation
Display Operation
Short press(1s), switch window
Long press(3s), enter the lower Menu
When the inverter is turned on, the following interfaces will be displayed on the OLED display, and you can check the information and modify the parameters of the inverter by short or long pressing the button. Please refer to the following display operation flow for details.
Tip: After every setting completed, wait for 10 seconds and the inverter will automatically save your settings or modifications.
Short press(1s), switch window
Long press(3s), enter the lower Menu
| Inverter Display Abbreviation and Complete Name Reference Table | |
| Abbreviation | Complete Name |
| Work Mode | Current Work Mode / Work Mode Setting |
| Peakload Shifting | Peakload Shifting Function Switch |
| SetMaxGrid kVA | Set max allowed power from grid (under the condition of Peakload Shifting is on) |
| OnGrid SocProt. | OnGrid Bettery Soc Protection |
| OnGrid DOD | OnGrid Discharge of Depth |
| OffGrid SocProt. | OffGrid Soc Protecttion |
| OffGrid DOD | OffGrid Discharge of Depth |
| OffGrid Volt | OffGrid Voltage Setting |
| OffGrid Freq | OffGrid Frequency Setting |
| Discharg.S.time | Discharge Start Time (Available in Economic Mode) |
| Discharg.E.time | Discharge End Time (Available in Economic Mode) |
| Discharg.P.Lim. | Discharge Power Limit (Available in Economic Mode) |
| Charg. S.time | Charge Start Time (Available in Economic Mode) |
| Charg. E.time | Charge End Time (Available in Economic Mode) |
| Charg. P.Lim. | Charge Power Limit (Available in Economic Mode) |
| Unbalan. Output | OnGrid 3-Phase Unbalanced Output Switch |
| On-Off Grid SW | Off-grid Function SW (Inverter will automatically switch to off-grid mode to ensure the back-up side power supply when the gird is abnormal or off) |
| Relax OffGrid | Reduce the switching sensitivity of the On/Off-grid (applied to the places where the grid is unstable or inverter always entered off-grid mode for some reasons) |
| OffGrid ReConn. | When the power grid is off, the inverter can automatically restart the back-up output after a fault or overloading protection occurred if the Off-grid Restart is ON. Otherwise, the back-up output needs to be restarted manually |
| FW Updating | Firmware Updating |
| E-Day | Daily Energy Generation |
| E-Total | Total Energy Generation |
| H-Total | Total Generating Hours |
| System Info | System Infomation |
| FW Version | Firmware Version |
| SN | Series Number |
| Fault Info | Fault Information |
| RSSI | Received Signal Strength Indicator |
| WiFi Reset | WiFi Reset |
| WiFi Reld | WiFi Reload, to reload the WiFi module to factory settings |
| Export Limit | On-Grid Export Limit Function Switch |
| Feed in Grid | Set the percentage of the power that is allowed to feed to the grid |
| Re-Conect | Fault Reconnection Time |
| CT Ratio | Current Transformer Ratio Setting |
| Modbus Addr | Modbus Address Setting |
| Battery_ID Set | Set Battery Model |
| System Maint. | System maintenance, includes inverter stop and run, system restart |
Auto-Test
This function is disabled by default, and only will be functional in the safety code of Italy. Short press the button several times until “Auto Test CEI 0-21” displays on the screen, press and hold the button 3 seconds to activate “Auto Test”. After the auto test finished, short press the button several times until the screen displays “Auto Test Record”, and hold the button 3 seconds to check the test result. The auto test type will be chosen from “Remote” and “Local” before starting the auto test. “Remote” is set as 1 by default, which only can be modified to “0” by sending an external command and “Local” is set as 0 by default, which can be modified to 1 through operating the button on the inverter. According to the requirements of the standard, the test has been divided into three modes:
- “Remote” set as 1, “Local” set as 0, then the test order is 59.S1, 59.S2, 27.S1, 81>. S2, 81<.S2;
- “Remote” set as 1, “Local” set as 1, then the test order is 59.S1, 59.S2, 27.S1, 81>. S1, 81<.S1;
- “Remote” set as 0, “Local” set as 1, then the test order is 59.S1, 59.S2, 27.S1, 81>. S2, 81<.S2.
Connect the AC cable, auto test will start after the inverter connected to the grid, see the operation steps below:
The auto test will start when the correct test item is selected, and the test result will be displayed on the screen when it finished. If the test success, it will display “Test Pass”, otherwise will display “Test Fail”. After each item tested, the inverter will reconnect to the grid and automatically start the next test item according to the requirements of CEI 0-21.
Monitoring and Configuration
Wattsonic inverter provides a monitoring port that can collect data from the inverter and transmit it to monitoring website via an external monitoring data collector WiFi or LAN module. Please check the WiFi user manual for more details.
Troubleshooting
Fault Messages
Wattsonic WTS 3~8kW series single phase hybrid inverter is designed in accordance with grid operation standard, and conform to the requirements of the safety and EMC. The inverter had passed a series of rigorous tests to ensure it runs sustainably and reliably before shipment. When a fault occurs, the corresponding fault messages will display on the OLED display, and in this case, the inverter might stop feeding into grid.
The fault messages and their corresponding troubleshooting methods are listed below:
| Error Message | Solution |
| Mains Lost | 1. Check whether the mains supply is lost. 2. Check whether the AC breaker and terminal are well connected. |
| Grid Voltage Fault | 1. Check whether the impendence of the AC cable is too high to lead the grid voltage increased. Change a thicker AC cable if it is. 2. Extend the voltage protection range if it is allowed by the electricity company. |
| Grid Frequency Fault | 1. Check whether the AC cable is correct and well connected. 2. Change to another country with wider protection range if it’s allowed by the local electricity company. |
| DCI Fault | 1. Restart the inverter. 2. Seek for help from the installer or manufacture. |
| ISO Over Limitation | 1. Restart the inverter. 2. Check if the insulation of the wires in PV, battery, and AC is damaged. 3. Seek for help from the installer or manufacture. |
| GFCI Fault | 1. Restart the inverter. 2. Check if the insulation of the wires in PV, battery, and AC is damaged. 3. Seek for help from the installer or manufacture. |
| PV Over Voltage | Reduce the number of PV panels to make sure the open-circuit voltage of each string is lower than the inverter max allowed input voltage. |
| Bus Voltage Fault | 1. Check whether the input voltage is over the limitation. 2. Seek for help from the installer or manufacture. |
| Inverter Over Temperature | 1. Check if the heat dissipation of the inverter is normal. 2. Seek for help from the installer or manufacture. |
| SPI Fault | 1. Restart the inverter. 2. Seek for help from the installer or manufacture. |
| E2 Fault | 1. Restart the inverter. 2. Seek for help from the installer or manufacture. |
| GFCI Device Fault | 1. Restart the inverter. 2. Seek for help from the installer or manufacture. |
| AC Transducer Fault | 1. Restart the inverter. 2. Seek for help from the installer or manufacture. |
| Relay Check Fail | 1. Restart the inverter. 2. Seek for help from the installer or manufacture. |
| Internal Fan Fault | 1. Restart the inverter. 2. Seek for help from the installer or manufacture. |
| External Fan Fault | 1. Restart the inverter. 2. Seek for help from the installer or manufacture. |
| Bus Voltage Hard Fault | 1. Restart the inverter. 2. Seek for help from the installer or manufacture. |
| PV Power Low | 1. Check if part of the PV array is sheltered. 2. Check if the sunlight is sufficient at the PV installed area. |
| Bat OV | 1. Check whether the battery voltage exceeds the upper limit of the battery. 2. Check battery terminal wiring. |
| Backup OV | 1. Restart the inverter. 2. Check the inverter Backup side wiring. |
| Bus Volt Low | 1. Restart the inverter. 2. Seek for help from the installer or manufacture. |
| Hard Fault | 1. Restart the inverter. 2. Seek for help from the installer or manufacture. |
| Backup OP | 1. Reduce loads connected in the Backup side. 2. Restart the inverter. |
| Inverter OV | 1. Restart the inverter. 2. Seek for help from the installer or manufacture. |
| Inverter OF | 1. Restart the inverter. 2. Seek for help from the installer or manufacture. |
| Inverter OC | 1. Restart the inverter. 2. Seek for help from the installer or manufacture. |
| Phase Order Err | 1. Restart the inverter. 2. Seek for help from the installer or manufacture. |
| SCI Fault | 1. Restart the inverter. 2. Seek for help from the installer or manufacture. |
| FLASH Fault | 1. Restart the inverter. 2. Seek for help from the installer or manufacture. |
| Meter Comm Fault | 1. Check the Meter wiring. 2. Check whether the Meter is normal. |
| Bettery Fault | 1. Restart the inverter. 2. Seek for help from the installer or manufacture. |
Maintenance
Danger: Risk of inverter damage or personal injury due to incorrect service!
Danger: Always keep in mind that the inverter is powered by dual sources: PV strings and utility grid.
Danger: Before any service work, observe the following procedure.
- Disconnect the AC circuit breaker and then set the DC load-break switch of the inverter to OFF;
- Wait at least 5 minutes for inner capacitors to discharge completely;
- Verify that there is no voltage or current before pulling any connector.
Caution: Keep non-related persons away!
Caution: A temporary warning sign or barrier must be posted to keep non-related persons away while performing electrical connection and service work.
Attention: Restart the inverter only after removing the fault that impairs safety performance.
Attention: As the inverter contains no component parts that can be maintained, never arbitrarily replace any internal components.
Attention: For any maintenance need, please contact us. Otherwise, Wattsonic shall not be held liable for any damage caused.
Note: Servicing of the device in accordance with the manual should never be undertaken in the absence of proper tools, test equipment or the latest revision of the manual which has been clearly and thoroughly understood.
| Items | Methods | Period |
| System clean | Check the temperature and dust of the inverter. Clean the inverter enclosure if necessary. Check if the air inlet and outlet are normal. Clean the air inlet and outlet if necessary. | Six months to a year (it depends on the dust contents in air.) |

WATTSONIC SERVICE GLOBAL CONTACT
WATTSONIC CHINA
B1-416, NO. 200 Linghu Road,Xinwu District, Wuxi 214110, CHINA
T.+86 510 8102 6876
E.[email protected]
May 2021 Version1.0



















Attention: CT installation direction and phase sequence should strictly follow the instruction in the user manual, otherwise, the inverter may not be working normally. Switch/Breaker Normal Loads RCD





















