SPEAKERCRAFT SDSi-12 Triple 12-Inch Subwoofer Installation Guide
FCC Notice
This equipment has been tested and found to comply with the limits for a Class B digital device, pursuant to part 15 of the FCC Rules. These limits are designed to provide reasonable protection against harmful interference in a residential installation. This equipment generates, uses, and can radiate radio frequency energy and, if not installed and used in accordance with the instructions, may cause harmful interference to radio communications. However, there is no guarantee that interference will not occur in a particular installation. If this equipment does cause harmful interference to radio or television reception, which can be determined by turning the equipment off and on, the user is encouraged to try to correct the interference by one or more of the following measures:
- Reorient or relocate the receiving antenna.
- Increase the separation between the equipment and receiver.
- Connect the equipment into an outlet on a circuit different from that to which the receiver is connected.
- Consult the dealer or an experienced radio/TV technician for help.
Caution – changes or modifications not expressly approved by the party responsible for compliance could void the user’s authority to operate the equipment.
Canada
This Class B digital apparatus complies with Canadian ICES-003.
Canada.
FCC and IC Radiation Exposure Statement
This equipment complies with FCC radiation exposure limits set forth for an uncontrolled environment and meets the exemption from the routine evaluation limits in section 2.5 of RSS 102.
- This Transmitter must not be co-located or operating in conjunction with any other antenna or transmitter.
- This equipment complies with FCC RF radiation exposure limits set forth for an uncontrolled environment. This equipment should be installed and operated with a minimum distance of 20 centimeters from user and bystanders.
Warning: The device meets the exemption from the routine evaluation limits in section 2.5 of RSS 102, and users can obtain Canadian information on RF exposure and compliance from the Canadian Representative Product Solutions Group at Tel: (519) 763-4538
Important Safety Information
- Read these instructions
- Keep these instructions
- Heed all warnings
- Follow all instructions
- Do not use this apparatus near water
- Clean only with dry cloth.
- Do not block any ventilation openings. Install in accordance with the manufacturer’s instructions.
- Do not install near any heat sources such as radiators, heat registers, stoves, or other apparatus (including amplifiers) that produce heat.
- Do not defeat the safety purpose of the polarized or grounding plug. A polarized plug has two blades with one wider than the other. A grounding plug has two blades and a third grounding prong. The wide blade or the third prong is provided for your safety. If the provided plug does not fit into your outlet, consult an electrician for replacement of the obsolete outlet.
- Protect the power cord from being walked on or pinched particularly at the plugs, convenience receptacles, and at the point where they exit from the apparatus.
- Only use attachments/accessories specified by the manufacturer.
- Use only with the cart, stand, tripod, bracket, or table specified by the manufacturer, or sold with the apparatus. When a cart or rack is used, use caution when moving the cart/apparatus combination to avoid injury from tip-over.
- Unplug this apparatus during lightning storms or when unused for long periods of time.
- Refer all servicing to qualified personnel. Servicing is required when the apparatus has been damaged in any way, such as power supply cord or plug is damaged, liquid has been spilled or objects have fallen into the apparatus, the apparatus has been exposed to rain or moisture, does not operate normally, or has been dropped.
- No naked flame sources, such as lighted candles, should be placed on the apparatus
- WARNING: To reduce the risk of fire or electric shock, do not expose this apparatus to rain or moisture. The apparatus shall not be exposed to dripping or splashing and objects filled with liquids, such as vases, shall not be placed on apparatus.
- WARNING: The mains plug/appliance coupler is used as disconnect device, the disconnect device shall remain readily operable.
- WARNING: An apparatus with Class I construction (a three wire AC Mains cord) shall be connected to a mains socket outlet with a protective earthing connection.
Correct disposal of this product. This marking indicates that this product should not be disposed with other household wastes throughout the EU. To prevent possible harm to the environment or human health from uncontrolled waste disposal, recycle it responsibly to promote the sustainable reuse of material resources. To return your used device, please use the return and collection systems or contact the retailer where the product was purchased.
They can take this product for environmentally safe recycling.
CAUTION
RISK OF ELECTRIC SHOCK
DO NOT OPEN![]()
CAUTION: TO REDUCE THE RISK OF ELECTRIC SHOCK,
DO NOT REMOVE COVER (OR BACK)
NO USER-SERVICEABLE PARTS INSIDE
REFER SERVICING TO QUALIFIED SERVICE PERSONNEL
The lightning flash with arrowhead symbol within an equilateral triangle is intended to alert the user to the presence of uninsulated “dangerous voltage” within the product’s enclosure, that may be insufficient magnitude to constitute a risk of electric shock to persons.
The exclamation point within an equilateral triangle is intended to alert the user of the presence of important operating and maintenance (servicing) instructions in the literature accompanying the appliance.
Unpacking
Your subwoofer should reach you in perfect condition. If you notice any shipping damage, please contact your Dealer immediately.
Gently lift the unit out, and remove all the packing material. It’s important to save all the packing materials and the box in case your subwoofer ever needs to be moved or returned.
Care
To maintain the speaker cabinet’s finish, first unplug the power cord and then use a soft cloth to clean the surfaces. If your subwoofer needs servicing, please read the Warranty section, page 12. If a problem persists, contact your nearest authorized Dealer.
Amplifier Panel Features

- Power Indicator. This light is illuminated blue when the subwoofer is turned on and playing, and it illuminates red when the subwoofer is in on, but in Standby mode.
- Volume Control. Volume control gives the ability to match the output level of the subwoofer to the level of your satellite/main speakers. The subwoofer output will increase as this control is rotated clockwise. To prevent damage to the subwoofer during installation, turn the volume down before turning on your subwoofer.
- Crossover. This controls the crossover frequency between 50 Hz and 160 Hz.
Set to 50 Hz – 160 Hz: the subwoofer will reproduce frequencies below 50 Hz. Rotating the control clockwise will smoothly increase this frequency range up to 160 Hz.
Set to LFE: If your processor does not have its own subwoofer crossover frequency control, rotate this control until the bass sounds natural. If the mid-bass sounds natural but you want more low bass, turn the crossover frequency down a little, then turn the volume up by about the same amount. This increases the low-bass output while leaving the mid-bass output the same. - Turn-on Mode Switch. In addition to the master Power Rocker Switch, the subwoofer has 3 additional Turn-On modes.
- When the switch is set to ON, the subwoofer will remain powered on and will not turn off when audio signal disappears.
- When the switch is set to AUTO, after approximately 15 minutes with no signal, the subwoofer will enter Standby mode. It will turn back on when an audio signal is detected.
- When the switch is in the OFF position, the subwoofer will not turn on, regardless of the Power Rocker Switch position.
- Power Rocker Switch. Press the top of this rocker switch to turn the subwoofer’s master power ON or OFF.
- Voltage Selection Switch. This switch is used to select the compatible electrical voltage for the installation location. Please check with your local electrical requirements before making changes to this setting.
- Phase. This controls the relative phase of the subwoofer with respect to your other speakers. Use this to help blend the subwoofer with the rest of the system.

Flip the switch, and listen for the most bass at your listening position. As a final trim, adjust the crossover frequency and volume controls after the phase control has been set. - Low-Level Inputs. These connect with RCA type cables from the linelevel outputs of your receiver or preamp.
Examples:
If your processor or receiver has a single subwoofer output, connect it to the subwoofer’s LFE input connector (see next page).
If your processor or receiver has stereo line-level output, connect it to the subwoofer’s red and white Low Level “IN” connectors. - USB Connector. The USB connector is used to power the optional subwoofer wireless receiver. Do not plug in other USB devices into this port, as it may damage the subwoofer or the device. Refer to the wireless receiver installation instructions for more details.
- Mounting Standoffs. The mounting standoffs are used to mount the optional subwoofer wireless receiver. Refer to the wireless receiver installation instructions for more details.
- IEC Power Connector. The subwoofer comes with a detachable line cord that attaches here. Make sure it is firmly pushed into place. Connect the other end to a properly configured AC outlet designed for the type of plug with the correct voltage for your model.
- AC Line Fuse. The subwoofer is supplied with a conservative slow-blow type fuse to protect the electronics. If this fuse fails, replace it with the exact same type and current rating for your local AC voltage. This rating is marked on the control panel near the fuse holder
NOTE: Always unplug the power cord from your AC outlet before removing the fuse. To replace or inspect the fuse, use a small flathead screwdriver to gently pry out the fuse carrier and fuse.
Subwoofer Placement
Subwoofer placement can greatly influence its performance. All rooms are different, but the loudest output will likely occur if the subwoofer is placed in a corner of the room on the same wall as the front channel speakers. You may need to experiment with more than one location, always testing the sound from the primary listening position until you find the right balance and consistency in the bass performance.
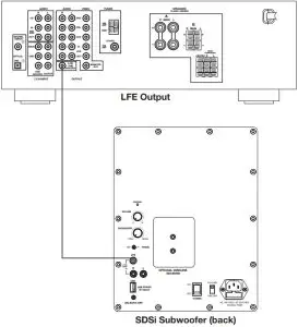
Connecting your Subwoofer (LFE)

If your processor or receiver has a subwoofer output (LFE/SUB), it should be connected to the subwoofer’s LFE input as shown. This is the simplest and recommended connection.
If you have a Home Theater processor or receiver, it likely has an independent subwoofer volume and crossover control. If so, you should set the subwoofer’s Volume Control to 12 o’clock, the Crossover to 160Hz/LFE, and use the processor’s subwoofer level and frequency controls for adjustments.
Connecting your Subwoofer (Stereo)

If your processor or receiver does not have a LFE/SUB output, but has a Stereo Output, you can connect a stereo RCA type cable from the stereo output to the Low Level red and white inputs on the back on the subwoofer.
You can also use the optional subwoofer wireless receiver to send audio from your source to the subwoofer. Refer to the wireless receiver installation instructions for more details
Adjusting your Subwoofer
- Set the MODE switch to the ‘ON’ position.
- Plug the subwoofer into an electrical outlet using the included power cord. The status LED will illuminate solid blue when power is present and the subwoofer is ON.
- Set the controls and switches to their initial setup positions:
- VOLUME: dial set to 50%, or 12 o’clock
- CROSSOVER dial: Set to LFE (if LFE input is used). Otherwise, set it to match the low-end frequency limit of the satellite speakers in use. (See specifications for the speakers installed to determine their low-end limit.)
- PHASE: Set to 0

- Play a movie scene or music track and set the system volume to an average level. Listen to the bass level from your favorite listening position. Adjust the VOLUME control as desired.
- Continue listening to your favorite music and movie sources using the settings chosen for volume and crossover.
- Experiment with the PHASE setting until you find the best setting for the installation. Depending on your subwoofer’s placement, the bass may sound louder or deeper when the phase has been optimized. In some cases, adjusting phase will make no audible difference.
- Once calibration is complete, switch the power mode back to ‘AUTO’ if Auto Sense mode is being used.
Attention: To Our Valued Customers
To insure that consumers obtain quality pre-sale and after-sale support and service, products are sold exclusively through authorized dealers. This warranty is VOID if the products have been purchased from an unauthorized dealer.
Nortek Security & Control offers a variety of accessories to make your installation of this and other products easy, economical, and professional. To learn more about our products, technologies and specifications, go to: www.nortekcontrol.com or contact your authorized Dealer for more information. For technical inquiries, please call 1-800-448-0976.
In our attempt to constantly improve our products, features and specifications are subject to change without notice.
Specifications
| SDSi-8 | |
| Woofer | 8” High-excursion Polypropylene Cone |
| Passive Woofers | Dual 8” High-excursion Polypropylene Cone |
| Frequency Response (+/– 3dB): | 29 – 160HZ |
| Amplifier Power (Peak) | 400 Watts |
| Crossover Frequency | 50-160Hz |
| Dimensions (L x W x H) mm / inches | 298 x 316 x 317 / 11.73 x 12.44 x 12.48 |
| Voltage | 100-120VAC / 220-240VAC Selectable |
| SDSi-10 | |
| Woofer | 10” High-excursion Polypropylene Cone |
| Passive Woofers | Dual 10” High-excursion Polypropylene Cone |
| Frequency Response (+/– 3dB): | 26 – 160HZ |
| Amplifier Power (Peak) | 500 Watts |
| Crossover Frequency | 50-160Hz |
| Dimensions (L x W x H) mm / inches | 334 x 351 x 353 / 13.15 x 13.87 x 13.9 |
| Voltage | 100-120VAC / 220-240VAC Selectable |
| SDSi-12 | |
| Woofer | 12” High-excursion Polypropylene Cone |
| Passive Woofers | Dual 12” High-excursion Polypropylene Cone |
| Frequency Response (+/– 3dB): | 24 – 160HZ |
| Amplifier Power (Peak) | 600 Watts |
| Crossover Frequency | 50-160Hz |
| Dimensions | 375 x 393 x 394 / 14.75 x 15.46 x 15.5 |
| Voltage | 100-120VAC / 220-240VAC Selectable |
| SDSi-15 | |
| Woofer | 15” High-excursion Polypropylene Cone |
| Passive Woofers | Dual 15” High-excursion Polypropylene Cone |
| Frequency Response (+/– 3dB): | 19 – 160HZ |
| Amplifier Power (Peak) | 1000 Watts |
| Crossover Frequency | 50-160Hz |
| Dimensions (L x W x H) mm / inches | 483 x 508 x 502 / 19 x 20 x 19.75 |
| Voltage | 100-120VAC / 220-240VAC Selectable |
Limited 2-Year Warranty
Nortek Security & Control, LLC (“Nortek Security & Control”) warrants to the original retail purchaser only that this product will be free of manufacturing defects in material and workmanship for the following periods and subject to the limitations and exclusions set forth below:
2-Year Warranty
This warranty is not transferable to subsequent purchasers of the product. To obtain warranty service, contact the authorized dealer where you purchased your product or take the unit to the nearest authorized dealer (with proof of purchase – claims made without proof of purchase will be denied) who will test the product and if necessary, forward it to Nortek Security & Control for service. If there are no authorized Dealers in your area, please contact Nortek Security & Control to receive a factory Return Authorization Number. DO NOT RETURN ANY UNIT WITHOUT FIRST RECEIVING WRITTEN AUTHORIZATION AND SHIPPING INSTRUCTIONS FROM Nortek Security & Control.
Upon examination, Nortek Security & Control will, at its sole option and expense, repair or replace any product found to be defective. Nortek Security & Control will return the repaired or replaced unit to you via its usual shipping method from the factory or repair center to your address in the United States of America or Canada only. Any shipping costs for addresses outside of the United States or Canada shall be the responsibility of the purchaser. In the event that this model is no longer available and cannot be repaired effectively, Nortek Security & Control, at its sole option, may replace it with a different model of equal or greater value, or refund the original purchase price paid.
THE FOREGOING ARE YOUR EXCLUSIVE REMEDIES FOR BREACH OF WARRANTY.
This Warranty does not include service or parts to repair damage caused by improper use or handling, including but not limited to damage caused by accident, mishandling, improper installation, commercial use, abuse, negligence, or any defect caused by repair to the product by anyone other than Core Brands. This warranty does not cover reimbursement for your costs of removing and transporting the product for warranty service evaluation, or installation of any replacement product provided under this warranty.
This Warranty will be void if:
- The Serial Number on the product has been removed, tampered with or defaced.
- The product was not purchased from an authorized dealer or reseller.
THE FOREGOING WARRANTIES ARE EXCLUSIVE AND IN LIEU OF ALL OTHER EXPRESSED AND IMPLIED WARRANTIES. NORTEK SECURITY & CONTROL EXPRESSLY DISCLAIMS ALL SUCH OTHER WARRANTIES, INCLUDING BUT NOT LIMITED TO IMPLIED WARRANTIES OF MERCHANT ABILITY, FITNESS FOR A PARTICULAR PURPOSE AND NON-INFRINGEMENT, WITH RESPECT TO THE PRODUCT. TO THE MAXIMUM EXTENT PERMITTED BY LAW, NORTEK SECURITY & CONTROL SHALL NOT BE RESPONSIBLE FOR ANY INCIDENTAL OR CONSEQUENTIAL DAMAGES EXCEPT TO THE EXTENT PROVIDED (OR PROHIBITED) BY APPLICABLE LAW, EVEN IF NORTEK SECURITY & CONTROL HAS BEEN ADVISED OF THE POSSIBILITY OF SUCH DAMAGES.
Notwithstanding the above, if you qualify as a “consumer” under the Magnuson-Moss Warranty Act, or applicable state laws, then you may be entitled to any implied warranties allowed by law for the Warranty Period. Further, some states do not allow limitations on how long an implied warranty lasts or allow the exclusion or limitation of consequential damages, so such limitations may not apply to you. This warranty gives you specific legal rights, and you may also have other rights which vary from state to state.
For the name of your nearest authorized dealer, contact: Nortek Security & Control, 5919 Sea Otter Place, Suite 100 Carlsbad, CA 92010, or call (800) 472-5555 or (707) 778-5733.
With regard to sales over the Internet, please be advised that Nortek Security & Control only sells products through a select group of authorized Internet Resellers. Products offered on the Internet through unauthorized Internet dealers are not covered by Nortek Security & Control.
- Goods acquired on a secondary or gray market
- Counterfeit or stolen goods
- Damaged, or defective goods
Please fill in your product information and retain for your records.
Model __________________________________________
Serial # _________________________________________
Purchase Date____________________________________
www.speakercraft.com
©2020 Nortek Security & Control LLC. All rights reserved. SpeakerCraft is a registered trademark of Nortek Security & Control LLC.
Nortek Security & Control LLC
Correct disposal of this product. This marking indicates that this product should not be disposed with other household wastes throughout the EU. To prevent possible harm to the environment or human health from uncontrolled waste disposal, recycle it responsibly to promote the sustainable reuse of material resources. To return your used device, please use the return and collection systems or contact the retailer where the product was purchased.



















