TRANE BAYSPEK060 Single Point Entry Kit

Single Point Entry Kit
- BAYSPEK060
- BAYSPEK061
- BAYSPEK062
- BAYSPEK063
- BAYSPEK064
- BAYSPEK065
SAFETY WARNING
Only qualified personnel should install and service the equipment. The installation, starting up, and servicing of heating, ventilating, and air-conditioning equipment can be hazardous and requires specific knowledge and training. Improperly installed, adjusted or altered equipment by an unqualified person could result in death or serious injury. When working on the equipment, observe all precautions in the literature and on the tags, stickers, and labels that are attached to the equipment.
SAFETY SECTION
Important: This document contains a wiring diagram, a parts list, and service information. This is customer property and is to remain with this unit. Please return to service information pack upon completion of work.
WARNING: HAZARDOUS VOLTAGE!
Failure to follow this warning could result in property damage, severe personal injury, or death. Disconnect all electric power, including remote disconnects before servicing. Follow proper lockout/Tagout procedures to ensure the power cannot be inadvertently energized.
WARNING: SAFETY AND ELECTRICAL HAZARD!
Failure to follow thisWarning could result in property damage, severe personal injury, or death. These servicing instructions are for use by qualified personnel only. To reduce the risk of electrical shock, do not performany servicing other than that contained in these operating instructions unless you are qualified to do so.
CAUTION: GROUNDING REQUIRED!
Failure to inspect or use proper service toolsmay result in equipment damage or personal injury. Reconnect all grounding devices. All parts of this product that are capable of conducting electrical current are grounded. If grounding wires, screws, straps, clips, nuts, or washers used to complete a path to ground are removed for service, they must be returned to their original position and properly fastened.
WARNING: UNIT CONTAINS R-410A REFRIGERANT!
Failure to use proper service tools may result in equipment damage or personal injury. R-410A operating pressure exceeds the limit of R- 22. Proper service equipment is required. Service using only R-410A Refrigerant and approved POE compressor oil.
WARNING: SAFETY HAZARD!
Operating the unit without the access panels properly installed may result in severe personal injury or death. Do not operate the unit without the evaporator fan access panel or evaporator coil access panel in place.
WARNING: This product can expose you to chemicals including lead, which are known to the State of California to cause cancer and birth defects or other reproductive harm. For more information go to www.P65Warnings.ca.gov.
Important
- Wear appropriate gloves, arm sleeve protectors and eye protection when servicing or maintaining this equipment.
- Air filters and media wheels or plates shall meet the test requirements in UL 900.
General Information
Follow these instructions to install the Single-Point Power Entry Kit (SPEK) in single packaged units.
- Check for any shipping damage, and if any, report it to the carrier immediately.
- Check the single power entry kit nameplate to ensure available power supply complies with the particular single power entry kit, heater and unit model being used.
- The field electrical connections and wiring must be done in accordance with the “National Electrical Code” and must comply with local electrical codes.
Install Single Power Entry Kit
- Remove the Control/Heat panel.
- Open the louvered Heater Control box door and mount the SPEK inside the Heater Control box. Secure the SPEK with the screws provided in the kit. See illustrations
- and wiring diagrams throughout this guide.
- Insert the included grommet in the hole in the heater Control box base that leads to the unit Control/Heater compartment. The unit power wires provided with the SPEK will pass through this grommet and be routed up to the unit contactor.
- Make all electrical connections to the unit and
heater in accordance with the appropriate wiring diagram in this instruction and included with the specific SPEK. - Place the included SPEK wiring diagram on the inner surface of the Control/Heater access panel next to the unit wiring diagram and extra heater wiring diagram.
Important: The two (2) nameplate labels included with the single power entry kit must be attached to the air conditioning unit or heat pump unit as illustrated in The smaller label MUST be placed over the unit rating nameplate to cover the unit only MCA and Fusing. Check the appropriate kit, heaters and unit combination using the tables in this guide.
High Voltage FieldWiring
Note: All field wire to be rated 75°C minimum. Maximum field wire size is 2/0 AWG.
- Check to make certain the proper size fuses are installed per the fuse table ( located on the wiring diagram) and the ampacity and max fuse/circuit breaker tables for the particular SPEK being used.
- Remove the required electrical knockout from the unit conduit panel and route the field wires through the u nit heater section (not the Control Box section).
- Connect the power supply to the terminal block or fuse block (depending on SPEK kit being used) on the SPEK. See appropriate wiring diagram for hookup connections. Connect the power supply ground wire to the ground lug on the single power entry kit. The BAYSPEK060 and 061 wire terminals connect to the installed heater terminal block on the Heater Control box base to power the unit.
- Close the Heater/SPEK control box cover.
- Reinstall the Control/Heat access panel.
- Apply power to the unit.
Low VoltageWiring (24 Volts)
All lower voltage connections have been made to the heater via polarized plugs. The low voltage controls are connected to the room thermostat from the air conditioner or heat pump low voltage leads. See the field wiring diagram with the unit.

BAYSPEK060

BAYSPEK061

BAYSPEK062


BAYSPEK063, 064 and 065


BAYSPEK060

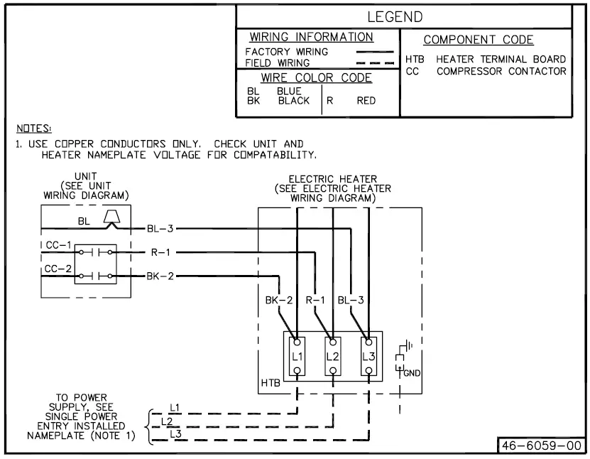
BAYSPEK060 WIRING

BAYSPEK061

BAYSPEK061 WIRING

BAYSPEK062

BAYSPEK062 WIRING

BAYSPEK063

BAYSPEK063 Wiring

BAYSPEK064

BAYSPEK064 —Wiring

BAYSPEK065

BAYSPEK065–Wiring

About Trane and American Standard Heating and Air Conditioning
Trane and American Standard create comfortable, energy-efficient indoor environments for residential applications. For more information, please visit www.trane.com or www.americanstandardair.com.
The manufacturer has a policy of continuous data improvement and it reserves the right to change design and specifications without notice. We are committed to using environmentally conscious print practices.
18-HB20D5-1E-EN 31 May 2022
Supersedes 18-HB20D5-1D-EN (July 2020)



















