THORLABS LDM56F Temperature-Controlled Mount for Ø5.6 mm Laser Diodes
Warning Symbol Definitions
Direct Current
Alternating Current
Both Direct and Alternating Current
Earth Ground Terminal
Protective Conductor Terminal
Frame or Chassis Terminal
Equipotentiality
On (Supply)
Off (Supply)
In Position of a Bi-Stable Push Control
Out Position of a Bi-Stable Push Control
Caution: Risk of Electric Shock
Caution: Hot Surface
Caution: Risk of Danger
Warning: Laser Radiation
Caution: Spinning Blades May Cause Harm
Safety
This unit must not be operated in explosive environments Avoid exposure – laser radiation emitted from apertures
Description
Supports 5.6 mm Pinout Spacing TO-Can Lasers with F or G Pin StylesIntegrated TEC Lockout Circuit to Protect Laser Diode (Can Be Disabled) Integrated Bias-T Network Allows for RF Modulation of LD Current up to 600 MHz 8 W Heat Dissipation @ Tambient = Tlaser = 25 °C TEC Element Prolongs LD Life, Stabilizes Output Power, and Stabilizes
Wavelength
The LDM56F(/M) mounts by Thorlabs are ideal for temperature-controlled operation of all 3- and 4-pin F & G pin code laser diodes in Ø5.6 mm (TO-56) packages, respectively. The mount can control the laser diode and monitor the photodiode independently. Laser diodes can be quickly and easily changed in the mount. It is as simple as inserting the laser diode into the socket according to the imprinted pin assignment and fastening the mounting flange with two screws. The diode socket is located very close to the front of the cold plate, making the connection of short lead devices easier.
The LDM56F(/M) can be easily integrated into an existing optical setup. The mount offers nine 1/4″-20 (M6) mounting holes for post mounting. The front plate is equipped with tapped holes to mount our 30 mm or 60 mm Cage Systems, and internal SM1 threading for use with our Lens Tube Assemblies. The LDM56F(/M) includes an internal Bias-T network for RF modulation of the laser current up to 600 MHz. The mount can be adapted to the polarity of the laser diode and monitor diode by miniature switches located at the top of the mount. User protection features include an LED indicating an enabled laser located along the top of the mount and a remote interlock connector located on the side. Laser protection features include optional grounding configurations and the TEC
lockout circuit (only useable with our controllers) that prevents enabling the laser unless the TEC controller is active. The built-in TE cooler enables temperature-controlled operation of the laser diode. The mounting flange protects the laser diode against air drafts, thus temperature stabilities of about 10 mK can be achieved.
Location of Features
Setup
Package Contents
- LDM56F(/M) Mount
- 5.6 mm TO-can Laser Diode Mounting Flange
- 2-56 x 1/8″ Screws for Mounting Flange
- 2-56 x 1/4″ Screws for Pigtail Laser Diodes
- Hex Key
- Operating Manual
Laser Installation
- To install the laser diode, complete the following steps:
- Unpack the laser mount. Removing the cover is not necessary when installing the laser diode.
- Determine the laser pin configuration from the laser diode manufacturer’s data sheets and set the LD (Laser Diode) and PD (Photodiode) switches located on the top of the unit according to the figure below.

- Most laser diodes have three pins with the case tied to one of the laser pins and also to one of the photodiode pins. The other laser and photodiode pin will be isolated from the case. The LDM56F(/M) was designed to operate the laser case at ground potential therefore this common pin will be inserted into either the 12 o’clock or the 3 o’clock position of the laser connector. For F or G style laser diodes, locate the isolated laser pin and insert it in the 9 o’clock position. For F style laser diodes, the isolated photodiode should now be in the 6 o’clock position. Refer to the figure below. Install the laser mounting flange and the cover. Install both screws through the mounting flange and loosely into the cold plate. Then carefully tighten each screw a little bit at a time until the flange is just snug.

- Do not over tighten either screw – the flange will sit slightly above the cold plate. If removed during installation reinstall the cover using the four 2-56 cap head screws provided. The four sockets comprising the laser diode connector are 0.4″ deep, so laser diode leads do not need to be cut unless they are longer than 0.4″. The laser connector is located close enough to the front face of the copper cold plate to allow easy installation of laser diodes with short leads. The clearance area around the LD and PD sockets is sufficient to prevent the pins from contacting the cold plate.
Laser Controller Connection
Using the Thorlabs LDC/ITC Series Laser Controllers The LDM56F(/M) is compatible with all Thorlabs LDC Series LD controllers and ITC series combination controllers (LD and TEC). Appropriate cables with DB9 connectors are included with Thorlabs controllers and ensure that the controllers cannot be connected incorrectly. Additionally, these controllers have built-in protection circuitry that protects the laser when not in use. The nomenclature for the Laser Diode polarity switch on the LDC/ITC Series driver and the LDM56F(/M) are consistent with each other. For
example, if the laser polarity on the driver is set to AG (anode grounded), then the LD polarity switch on the LDM56F(/M) should also be set to AG, and so forth. The nomenclature for the Photo Diode polarity switch on the LDC40xx/80xx and ITC series drivers and the LDM56F(/M) is as follows The photodiode polarity switch on the LDM56F(/M) must always be set to“CG”. The photodiode polarity should be set with the internal Laser controller switch only. For more information on how to set Polarity settings on the Laser controller, please refer to the appropriate Laser Controller manual.
Using a Third-Party Laser Controller
When using a third-party controller, a custom cable will have to be made to properly interface to the laser mount. Please refer to the figure and table below for laser connections
| Pin | Signal | Description |
| 1 | Interlock and Status Pin (LDC Specific) | This pin is the input to the LD Status Indicator and Interlock Circuits. When using Thorlabs LDCs no external circuitry is required. To use these features with third-party controllers please refer to the Status and Interlock section of this manual. |
| 5 | Interlock and Status Return | This pin is the return side of the Status and Interlock circuitry. |
| 7 | Laser Diode Cathode | This pin is connected to the 9 o’clock pin on the laser socket when the LD Polarity Switch is set to AG1 . Otherwise it is floating. |
| 8 | Laser Diode Anode | This pin is connected to the 9 o’clock pin on the laser socket when the LD Polarity Switch is set to CG2 . Otherwise it is floating. |
|
3 | Laser Ground (Case) | This pin is connected to the 12 o’clock and 3 o’clock pins on the laser socket and corresponds to the settings of the LD and PD polarity switches. i.e. If the LD and PD switches are set to AG then this pin grounds the Anodes of the laser and photo diodes. |
| 2 | Photodiode Cathode | This pin is connected to the 6 o’clock pin on the laser socket when the PD Polarity Switch is set to AG. It is attached to ground and the 12 o’clock and 3 o’clock pins on the laser socket when the PD Polarity Switch is set to CG. |
| 4 | Photodiode Anode | This pin is connected to the 6 o’clock pin on the laser socket when the PD Polarity Switch is set to CG. It is attached to ground and the 12 o’clock and 3 o’clock pins on the laser socket when the PD Polarity Switch is set to AG. |
| 6 | Laser Diode Voltage (Cathode) | This pin is connected to LD Interface Pin 7, thru a 499 Ω resistor, when the LD Polarity Switch is set to AG. It is attached directly to LD Interface Pin 3 when the LD Polarity Switch is set to CG. |
|
9 | Laser Diode Voltage (Anode) | This pin is connected to LD Interface Pin 8, thru a 499 Ω resistor, when the LD Polarity Switch is set to CG. It is attached directly to LD Interface Pin 3 when the LD Polarity Switch is set to AG. |
TEC Controller Connection
- Using the Thorlabs TED Series TEC Controllers
- The LDM56F(/M) is best used with Thorlabs TED200C or related TEC Controllers.
- The TED series are shipped with a mating DB9 cable that plugs directly into the controller and laser mount.
Using a third-party TEC controller
When using a third-party controller, a custom cable will have to be made to properly interface to the laser mount. Please refer to the table below for laser connections
| Pin | Signal | Description |
| 4 | +TEC | This pin is connected to the positive terminal of the TEC element. |
| 5 | -TEC and TEC Lockout (-) | This pin is connected to the negative terminal of the TEC element, and also is common to the cathode of the photo- relay of the TEC Lockout circuit – refer to the Status and Interlock section of this manual. |
|
1 |
TEC Lockout (+) | This pin is connected to the anode of the photo-relay side of the TEC Lockout circuit. When using Thorlabs TEDs no external circuitry is required. To use these features with third-party controllers please refer to the Status and Interlock section of this manual. |
| 2 | +Thermistor | The 10 kW at 25 °C NTC thermistor (provided for temperature feedback). |
| 3 | -Thermistor | The thermistor return pin. |
|
7 |
AD592(-) | The negative terminal of the AD592 temperature transducer. When using Thorlabs TEDs no external circuitry is required. To use this device with third party controllers it must be properly biased. Refer to Analog Devices AD592 Data for application information. |
| 9 | AD592(+) | The positive terminal of the AD592 |
| 6 | N.C. | Not used. |
| 8 | N.C. | Not used. |
Mounting Other Accessories
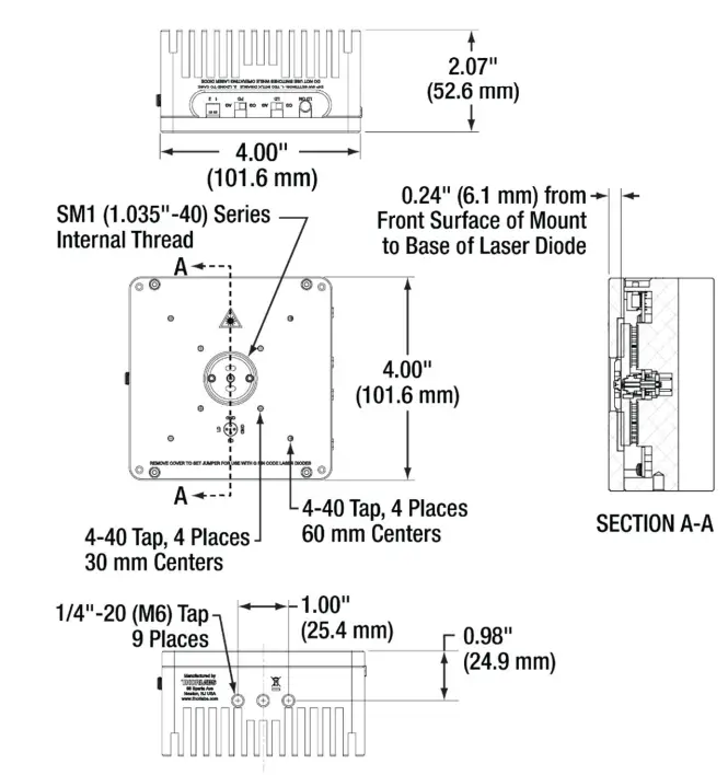
The LDM56F(/M) includes an internally SM1 (1.035″-40) threaded hole centered on the laser for mounting our SM1 series of optics mounts. This is most often used for mounting aspheric collimating optics. The LDM56F(/M) has four 4-40 tapped holes at the corners of the mount for compatibility with the LDMXY Flexure Adapter, which provides ±1.0 mm of XY translation for collimation optics. Also included are eight 4-40 tapped holes for attaching Thorlabs 30 mm or 60 mm cage assembly products. Using the combination of the SM1 threaded mount and cage assembly products, a wide variety of optical systems can be easily assembled from off-the-shelf products.
Mounting Thorlabs Fiber Coupled Pigtailed Lasers
Ensuring that the pins are correctly aligned, mount the pigtail housing directly onto the LDM56F(/M) cold-plate, as shown in Figure 8 below. Note that this mount is not optimized for use with pigtailed lasers so TEC performance and compatibility are not guaranteed. If primarily using pigtailed lasers, we suggest using the
LDM9LP or CLD1011LP.
- Install the pigtailed laser into the LDM56F(/M) socket, observing the proper polarity of the laser to the socket (the pigtail’s pin-outs are provided with the pigtail data sheet).
- Make sure the pigtail’s laser diode leads are fully inserted into the socket. The mounting holes on the laser housing should be lined up with the threaded holes on the LDM56F(/M) cold-plate as shown in the photo below.
- Secure the housing to the cold-plate using two 2-56 x 1/4″ cap head screws (included).
Making the Safety Interlock Connections
The LDM56F(/M) is equipped with a Remote Interlock connector located on the side panel. In order to enable the laser source, a short circuit must be applied across the terminals of the remote interlock connector. In practice this connection is made available to allow the user to connect a remote actuated switch to the connector (i.e. an open door indicator). The switch (which must be normally open) has to be closed in order for the unit to be enabled. Once the switch is in an open state the laser diode must automatically shut down. All units are shipped configured with a shorting device installed in the interlock connector. If you are not going to use this feature then you can leave the shorting device installed and the unit will operate normally as described in the procedures in this manual. If you wish to make use of the interlock feature you will need to acquire the appropriate connector mate and wire it to your remote interlock switch. Next, remove the shorting device by pulling it from the input and install the connector into the interlock input. The interlock input only accepts a 2.5 mm mono phono jack. This connector is readily available at most electronics suppliers. The electrical specifications for the interlock input are as follows:
| Specification | Value |
| Type of Mating Connector | 2.5 mm mono phono jack |
| Open Circuit Voltage | +5 VDC with respect to system ground (when used in conjunction with Thorlabs drivers) |
| Short Circuit Current | 10 mA DC Typical |
| Connector Polarity | Tip is positive, Barrel is ground |
| Interlock Switch Requirements | Must be N.O. dry contacts (under no circumstances should any external voltages be applied to the Interlock input) |
Operation
With the laser mounted and the laser controller and temperature controller connected, the LDM56F(/M) is ready to operate. Please refer to the operating instructions for the laser and temperature controller for specific operating instructions. When operating at low temperatures in high humidity climates the laser mount may develop internal condensation. If this occurs, turn the laser off, open the case, and allow the mount to dry off completely before re-using.
RF Modulation
The LDM56F(/M) has an RF input for modulating the laser with an external RF source up to 600 MHz. This is a 50 Ω input that is AC-coupled directly to the laser through a Bias-T network. To calculate the desired RF power to modulate the laser determine the amount of modulating current needed from the laser manufacturer’s data sheets and use the following calculations:
Modulating Current
It is strongly recommended that you start off conservatively by a factor of 10 below the calculated modulating voltage and slowly bring the RF power up until the desired depth of modulation is reached. Use the laser controller to establish the DC operating point of the laser.
Status and Interlocks
This unit is equipped with two interlock circuits and an LED that indicates if the laser diode is enabled. All three circuits are designed to interface with our laser and TEC controllers with no external circuitry. The first interlock circuit is controlled by the Interlock connector outlined in section The second interlock is the TEC Interlock DIP SW 1. When the dip switch is in the down position shown the TEC interlock circuit is closed, enabling operation DIP Switch 2 allows the user to internally tie the LD ground to earth ground when in the down position as shown above. Care should be taken when setting the LDGND switch. It should be noted this is commonly left open and is only needed if using a controller that is floating, has no path to earth ground. If third party controllers are used to drive the laser diode or TEC elements then only the LD ON indicator can be used. To prevent damage to the Status and
Interlock circuits the following external connections should be followed:
1. Install the shorting device into the INTERLOCK connector that was shipped with the LDM56F(/M).
2. Connect a resistor to LD Interface DB9 Pin 1 appropriately sized to limit the current into Pin 1 to between 5 – 10 mA.
3. The “driver” side of this resistor should be connected to a DC signal that, when high, indicates that the laser diode is being driven.
4. If you have any questions regarding these connections please feel free to contact Thorlabs Tech Support for clarification.
If you wish to make full use of all the status and interlock features with your third party drivers, please contact your local Tech Support office. An engineer will help you determine if this is possible and how to implement these features.
Temperature Sensor
The LDM56F(/M) includes a 10 kΩ thermistor for temperature feedback. We recommend setting the sensor type to Thermistor (low) when operating with a Thorlabs ITC or TED4xxx series controller. The graph below shows the typical thermistor resistance versus temperature. Full thermistor specifications can be found in Chapter 8.
Maintenance
There are no serviceable parts in the LDM56F(/M) Mount. The housing may be cleaned by wiping with a soft damp cloth. If you suspect a problem with your mount, please call Thorlabs and an engineer will be happy to assist you.
Troubleshooting
| Problem | Solution | |
| Remote Interlock is open. | ||
|
Laser Driver will not enable. | Make sure that either the “shorting device” is installed in the INTERLOCK connector on the side of the LDM56F(/M), or if you have a remote interlock switch connected, it must be in a closed position. | |
| (If you are using Thorlabs Laser and TEC controllers with your LDM56F(/M) mount.) | ||
| TEC LOCKOUT circuit is active and the TED series TEC controller is not enabled. To determine if you have selected the TEC LOCKOUT circuit to be active refer to section 5.2. If it is selected, then the TED series TEC controller must first be enabled before the LDC series laser controller can be enabled. | ||
| Laser wavelength or power is unstable even though the TEC | Make sure your laser diode is fully inserted into the LDM56F(/M) laser socket and its body is in full contact with the copper cold plate. | |
| controller shows a stable temperature. | Make sure the mounting flange is correctly installed over your laser. | |
| The LD and PD polarity switch settings are incorrect. | ||
| Refer to Figure 2 and the data sheet for your specific | ||
| laser diode to ensure the proper settings. The LD polarity | ||
| The LDC series laser driver indicates an “Open Circuit” alarm when the | switch setting on your LDM56F(/M) must also match the LD polarity switch setting on the rear panel of your LDC series laser diode controller. | |
| laser is enabled. | The laser diode is installed into the wrong pins on the | |
| laser diode socket. Refer to Figure 3 for the correct | ||
| orientation of the laser diode pins and compare this to | ||
| the data sheet for your laser diode. | ||
|
The LD does not have an integrated photodiode, how does it get installed and how do the polarity switches get set? | If your laser diode has one of its two active leads common to the case of the laser, that lead must be connected to one of the “GND” sockets on the laser diode connector (refer to Figure 3) while the other pin is connected to the “LD” socket in the 9 o’clock position. Depending on the pin orientation of your laser, you might be using either the “GND” socket at 12 o’clock or the “GND” socket at 3 o’clock. Refer to your laser diode data for pin orientation. If your Cathode pin is common to the body of your laser diode, set the LD polarity switch to “CG”. If your Anode pin is common to the body of your laser diode, set the LD polarity switch to “AG”. The setting for the PD polarity switch is irrelevant. |
Specifications
| Specification | Value |
| Laser Specs | |
| Laser Diodes Supported | Ø5.6 mm TO Can |
| Max Laser Current | 2 A (Tambient = 25 °C) |
| Laser Pin Configurations | F and G LD Packages, Switch Selectable |
| Pin Lead Diameter | 0.015″ – 0.020″ (0.38 – 0.51 mm) |
| Pin Lead Length, Max | 0.26” – 0.40″ (6.5 – 10.1 mm) |
| RF Modulation Frequency | 100 kHz to 600 MHz |
| RF Input Impedance | 50 W |
| Max RF Power | 200 mW |
| RF Input Connector | SMA |
| Interlock Connector | 2.5 mm Phono Jack |
| Laser Interface | DB9 Female |
| TEC Specs | |
| Max TEC Current | 5 A |
| Max TEC Voltage | 4 V |
| TEC Heating / Cooling Capacity | 8 W (Tambient = 25 °C) |
| Typical Temperature Range (LD Dependent) | 0 to 70 °C |
| Temperature Sensor | AD592AN (1 mA/°K) |
| Thermistor | 10 kW ± 3% at 25 °C, NTC Beta = 3977 K ± 0.75% |
| TEC Interface | DB9 Male |
| General | |
| Size | 4.00″ x 4.00″ x 2.07″ (101.6 mm × 101.6 mm × 52.6 mm) |
| Weight | 1.9 lbs (0.87 kg) |
| Operating Temperature | 10 to 40 °C |
| Storage Temperature | 10 to 80 °C |
| Accessory Mounting | SM1 (1.035″-40) Series Internal Thread |
| Cage Compatibility | 4-40 Taps (8 Places) for 30 mm and 60 mm Cage Systems |
| Mounting Holes | LDM56F: 1/4″-20 (9 Places) LDM56F/M: M6 x 1.0 (9 Places) |
DRAWING

Regulatory
- As required by the WEEE (Waste Electrical and Electronic Equipment Directive)of the European Community and the corresponding national laws, Thorlabs offersall end users in the EC the possibility to return “end of life” units without incurring disposal charges.
- This offer is valid for Thorlabs electrical and electronic equipment:
- Sold after August 13, 2005
- Marked correspondingly with the crossed out “wheelie bin” logo (see right)
- Sold to a company or institute within the EC
- Currently owned by a company or institute within the EC
- Still complete, not disassembled and not contaminateds the WEEE directive applies to self contained operational electrical and electronic products, this end of life take back service does not refer to other Thorlabs products, such as:
- Pure OEM products, that means assemblies to be built into a unit by the user (e.g. OEM laser driver cards)
- Components
- Mechanics and optics
- Left over parts of units disassembled by the user (PCB’s, housings etc.).
- If you wish to return a Thorlabs unit for waste recovery, please contact Thorlabs oryour nearest dealer for further information. Waste Treatment is Your Own Responsibility If you do not return an “end of life” unit to Thorlabs, you must hand it to a company specialized in waste recovery. Do not dispose of the unit in a litter bin or at a public waste disposal site.
Ecological Background
It is well known that WEEE pollutes the environment by releasing toxic products during decomposition. The aim of the European RoHS directive is to reduce thecontent of toxic substances in electronic products in the future. The intent of the WEEE directive is to enforce the recycling of WEEE. A controlled recycling of end of life products will thereby avoid negative impacts on the environment. Thorlabs Worldwide Contacts For technical support or sales inquiries, please visit us at www.thorlabs.com/contact for our most up-to-date contact information


Earth Ground Terminal
Protective Conductor Terminal
Frame or Chassis Terminal
Equipotentiality
Off (Supply)
In Position of a Bi-Stable Push Control
Out Position of a Bi-Stable Push Control
Caution: Risk of Electric Shock
Caution: Hot Surface
Caution: Risk of Danger
Warning: Laser Radiation
Caution: Spinning Blades May Cause Harm





















