PicoLas LDP-V 240-100 V3.3 Drive Module for Pulsed Lasers User Manual
Product Description
The LDP-V 240-100 is a small and inexpensive source for nanosecond pulses. The device is optimized for pulse repetition from single shot up to Mhz-repetition with duty cycles up to 7.5%**. Its typical application is driving pulsed laser diodes. Those can be mounted directly onto the LDP-V, eliminating the need for strip lines. The diode must be electrically isolated from earth (chassis) ground. Compatible packages: TO-18, TO-5, TO-52, 5.6 mm, 9 mm and similar. Despite its small size, the LDP-V is designed for ease of use. It eliminates the need for multiple peripheral supply units. A single 15 V DC supply and a triggering signal are all which is required for operation.
Additionally, you can upgrade the LDP-V with the PLCS-21 controller to enable USB2.0- communication with a PC or with the external operating unit PLB-21.
Do not use PLCS-21 with higher supply voltage than 15 V. If you use the PLCS-21 with higher voltage than 15 V the device will be damaged.
- Compact OEM module
- 40 to 240 A output
- 25 ns rise time
- Pulse width control via SMC trigger input (60 ns to >1 ps)
- Rep. rates from single shot to 2 Mhz
- Single +15 V supply
- Current monitor and isolated monitor
- Applications: LIDAR, Measurements, Ignition, Range finding, Biochemistry, …
Technical Data
- Output current: 40 .. 240 A
- Max. output voltage : 100 V
- int. high voltage: 0 .. 100V, 1 A, 15 W
- Rise time: Typ. 25 ns, max. 35 ns
- Trigger delay: Typ. 36 ns, max. 40 ns
- Min. pulse duration: 60 ns
- Max. pulse duration: > 1 ps**
- Trigger range: Single shot to 2 MHz** (refer to diagram with operating limits)
- Trigger input: 5 V into 50 0 via SMC
- Trigger output: jack
- Current monitor: galvanically isolated
- Supply voltage: Rogowski coil
- Max. power dissipation: 400 A / V into 50 Ω 15 .. 24 V, 2.2A Optional: 0 .. 100 V, 30 W (external high voltage)
- Dimensions in mm: 88 x 44 x 20
- Weight: 90 g
- Operating temperature: -20 to +55 °C
How to get started
| Step | What to do | Check |
| 1 | Unpack your device. | – |
| 2 | Make a short at the output. | ![]() |
| 3 | Turn the high voltage to the lowest value (turn poti fully counterclockwise). | ![]() |
| 4 | Connect a pulse source with the desired pulse width to the selected triggering input. | E.g. 100 ns, 100 Hz repetition rate. |
| 5 | Connect your scope. | Select 50 Ohm termination, trigger on neg. falling edge, 200 mV/div. Scale: 400 A/V |
| 6 | Apply the supply voltage. Security advice: Do not touch any leads of the output or the output capacitors as they are connected to a high voltage of up to 100 V. | Connect a 15 V DC power supply to the pin header. See page 5 for details. Note: Some supplies have a voltage overshoot during turn on/turn off. This may damage the device. |
| 7 | Adjust the value of the desired pulse current (turn the poti clockwise until the current reaches the desired level). | ![]() |
| 8 | Disconnect the supply, remove the short at the output and assemble the laser diode (polarity!). | ![]() |
| 9 | Reconnect the supply and check the optical output of your laser diode. | Note: The actual current is always some percent lower than the value of step 7. Adjust the current with help of the poti. |
How to connect the LDP-V 240-100

Connections via Pin header:
| Pin | Name | Description |
| 1 | GND | Ground return |
| 2 | HV+ | External high voltage supply input (0 .. 100 V) for connecting an alternative HV-DC supply. See page 9 for details. |
| 3 | GND | Ground return |
| 4 | +15 V | Supply voltage, connect to a power supply. |
| 5* | Disable_Poti | Disables the internal HV setpoint poti when set high. |
| 6 | Pulse_In | Trigger input into 50 Ohm |
| 7 | Disable | Disables the driver when set high. |
| 8* | U-Monitor | High voltage monitor output (scale: 40 mV/V) for supervising the actual high voltage. |
| 9 | NTC | Internal 10 kOhm NTC versus GND for temperature monitoring. (B-value: 3630) |
| 10* | Ext_HV_Setpoint | External HV setpoint input (scale: 25 V/V) allows control over the internal HV-DC source. |
*These pins had to be left unconnected in older versions then V3
Trigger Input:
The trigger input requires a signal level of 5 V and is terminated with 50 Ohm.
Current Monitor Output:
The current monitor output has a scale of 400 A/V with a negative signal output. It has a source impedance of 50 Ohm and must be terminated with 50 Ohm to achieve the correct scale.
Laser Diode Connection:
The laser diode can either be connected via the mounting holes on the top side of the pulser (inner hole: anode, outer hole: cathode) or at the rectangular pads on top (anode) and bottom (cathode) of the pulser.
Security Advice: Do not touch any leads of the output or the output capacitors as they are connected to a high voltage of up to 100 V.
Do not use PLCS-21 with higher supply voltage than 15 V. If you use the PLCS-21 with higher voltage than 15 V the device will be damaged.
Operating Range Diagram
- LDP-V 240-100 V3: Max. Reprate vs. Pulsewidths (internal HV, with cooling)

- LDP-V 240-100 V3: Max. Reprate vs. Pulsewidths (internal HV, without cooling)

- LDP-V 240-100 V3: Max. Reprate vs. Pulsewidth (external HV, with cooling)

- LDP-V 240-100 V3: Max. Reprate vs. Pulsewidth (external HV, without cooling)

Maximum Duty Cycle vs. Output Current
The following tables show the maximum allowable duty cycle depending on a given output current.
With active cooling of the baseplate:
| Output current in A | Max. duty cycle with ext. HV | Typical high voltage in V | Max. duty cycle with int. HV |
| 40 | 0.1000 | 17.8 | 0.0211 |
| 60 | 0.0444 | 25.9 | 0.0097 |
| 80 | 0.0250 | 34.0 | 0.0055 |
| 120 | 0.0111 | 50.2 | 0.0025 |
| 160 | 0.0063 | 66.4 | 0.0014 |
| 200 | 0.0040 | 82.6 | 0.0009 |
| 240 | 0.0028 | 98.8 | 0.0006 |
Without cooling of the baseplate:
| Output current in A | Max. duty cycle with ext. HV | Typical high voltage in V | Max. duty cycle with int. HV |
| 40 | 0.0100 | 17.8 | 0.0100 |
| 60 | 0.0044 | 25.9 | 0.0044 |
| 80 | 0.0025 | 34.0 | 0.0025 |
| 120 | 0.0011 | 50.2 | 0.0011 |
| 160 | 0.0006 | 66.4 | 0.0006 |
| 200 | 0.0004 | 82.6 | 0.0004 |
| 240 | 0.0003 | 98.8 | 0.0003 |
Current Droop vs. Pulse Duration
The following table shows the absolute output current droop (in A) versus pulse length. Pulse durations shorter than one microsecond are not considered as the droop is typically lower than 5%.
| Pulse duration in µs | |||
| Current in A | 1 | 5 | 10 |
| 50 | 2,8 | 8 | 12 |
| 100 | 5 | 16 | 27 |
| 200 | 13 | 42 | 70 |
| 240 | 16 | 57 | 92 |
Internal Structure of the LDP-V
The LDP-V series generates the pulses by a simple but efficient principle. First, the storage capacitors (CS) are charged, whether through the internal HV-DC supply or an external high voltage source. When a pulse is applied at the trigger input the high speed mosfet opens and the current flows from the capacitor through the laser diode, mosfet and current sense resistors. At the end of the pulse the mosfet closes again and the current stops. The generated current depends on the applied high voltage, the laser diode compliance voltage and its differential resistance.
The following formula gives a good estimation of the laser diode current depending on the pulser’s high voltage supply UHV, the laser diode compliance voltage Ucomp and its differential resistance Rdiff:

The laser diode current is measured with current sensing resistors (current monitor output) and with the galvanically isolated Rogowski coil. Disable and trigger input provide full control of the driver’s pulsing capability to the user. The required DC high voltage can either be applied through an external voltage source or it can be generated with the integrated HV-DC supply. The internal supply is controlled by the HV set point poti or, when the Disable_Poti (pin 5) pin is set high, via the Ext_HV_set point (pin 10) pin. A voltage monitor (pin 8) provides feedback of the high DC voltage.
The Diode DRP prevents the laser diode from reverse currents; a 10kR NTC provides the possibility to monitor the pulser temperature. An over temperature protection is NOT integrated on the driver.

How to use the internal HV-DC Supply
The LDP-V series provides a high power (up to 15 W / 1 A / 100 V) internal high voltage supply. To adjust the laser diode current to the desired value follow the steps below.
Note: Make sure that the solder junction (HVON) is done to activate the HV-DC supply.
- Turn the poti fully counterclockwise
- Apply the 15 V supply voltage
- Start pulses
- Measure the diode current
- Adjust the level of the high voltage supply (hence the level of the current) by turning the poti clockwise
Since version 3 of the LDP-V series, the HV-DC supply can also be controlled through an external setpoint signal on pin 10 of the pin header (Ext_HV_Setpoint); the scale is 25V/V. To enable the external setpoint pin and disable the internal poti, pin 5 (Disable_Poti) of the pin header has to be set to “high”. Otherwise the internal poti will override the external signal. The high DC voltage can be monitored at pin 8 (U-Monitor) with a scale of 40 mV/V.
Note: Older versions are not capable of these features and the above mentioned pins have to be left unconnected!
Security Advice:
Do not touch any leads of the output or the output capacitors as they are connected to a high voltage of up to 100 V.
Pulse Output
The LDP-V series provides ultra rapid pulse rise- and falltimes in the region of several nanoseconds. However, pulse rise and fall depend on the parasitic stray inductance of the cabling to the laser diode. Direct connection without any kind of wires to the module is absolutely necessary for best results. For detailed information about the effect of the laser diode connection on the pulse shape please refer to PicoLAS Application Notes “Impedance of Diodes” and “LD-Connections”.

Typical Pulse Rise- and Falltimes of LDP-V 240-100 (scale: 40 A/Div)
Trigger Input
The trigger input, both on the pin header and the SMC jacket, is terminated with 50 Ohm to ground. The trigger source has to be able to provide a signal level of 5 V with a 50 Ohm load.
The delay between the triggering signal and the load current is very low around 36 ns and very constant. The pulse-to-pulse jitter is very stable below 1 ns if the supply voltage and temperature are kept constant.

Typical trigger delay of LDP-V 240-100
Trigger Output Monitor
The trigger output signal is generated with an integrated, isolated Rogowski coil and provides an ultra fast galvanically isolated signal. The signal shape is proportional to the derivative of the load current. It can be used for a current response triggering signal and has no delay to the load current. Combined with an integrator it is possible to use this signal for a galvanically isolated current monitor. The isolation barrier is suitable for voltages up to 100 V and prevents unwanted ground loops.

Absolute Maximum Ratings
- Supply voltage range: 12 .. 24 V, typ. 15 .. 24 V
- Max. voltage at HV pin: 100 V
- Max. output current U-monitor, NTC: 1 mA
- Input voltage range Disable_Poti, Ext_HV_Setpoint: 0 .. 5 V
- Input voltage range trigger input, disable: 0 .. 15 V
Security Advice:
Do not touch any leads of the output or the output capacitors as they are connected to a high voltage of up to 100 V.
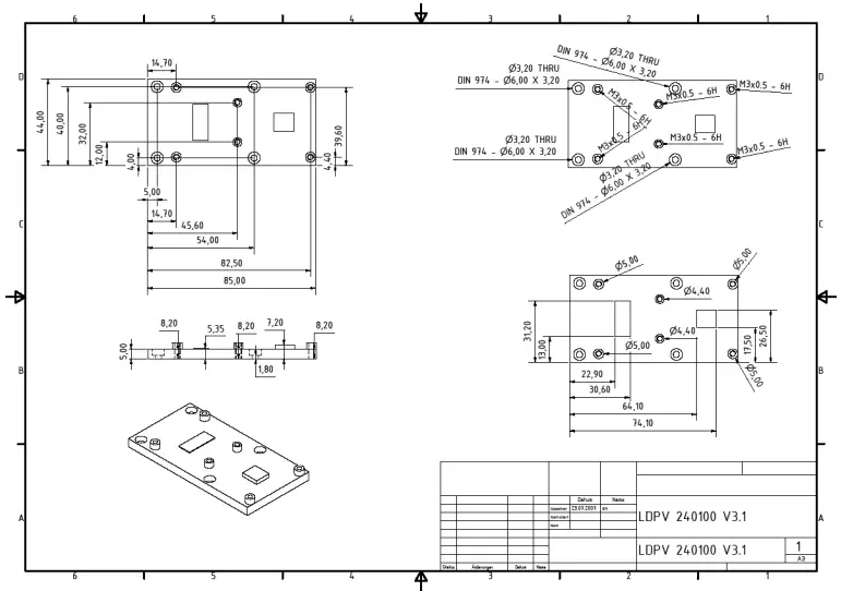
Mechanical Details of the Baseplate
All dimensions in millimetres.

























