
Pulsed Fiber Laser
YDFLP-E-60-M7-M-R
USER MANUAL
Version 1.0
SHENZHEN JPT OPTO-ELECTRONICS CO., LTD.
Safety Information
Please read this manual carefully before operating the YDFLP fiber lasers.
In order to ensure the safe operation and optimal performance of the product, please strictly follow the safety notification below.
- Make sure that the 24V DC power supply is connected in the correct way. Inappropriate connection might damage the product.
- To prevent electrical shock, please do not remove the laser cover. Warranty will be invalid if warranty label is removed.
- Please wear appropriate laser safety goggle (see below Fig.1.) before emitting the laser. We recommend OD4+ goggle or better. This laser module carries a Class 4 laser rating, which emits invisible 1064nm wavelength laser radiation with average output power over 60W and peak power over 10kW. Both direct beam and reflected beam will cause permanent damage to the eyes, skin, and might cause fire.
- Caution: Even at 0% power emitting, the average output laser power is still around 100mW.

Figure 1 Laser Safety Goggle
Table 1 Safety Labels and Labeling Locations
Symbols | Information |
![]() | Laser Warning Triangle -Label of laser emission (Attached on the cover plate, near the output fiber) |
![]() | Compliance Label (Attached on the cover plate) |
![]() | Product Rating Information (Attached on the cover plate) |
1. Product Introduction
1.1 Product Description
JPT M7 Series fiber laser control with standard DB25 interface and powered with 24V DC. It is designed for high-speed and precise marking application. The pulse response and performance are much better comparing to similar products. Significantly compact size is ideal for small marking system.
Photographs of typical M7 type fiber lasers are shown in Fig.2 and Fig.3 ( For the specific appearance, please refer to the appearance of the product shipped):

Figure 2 YDFLP-E-60-M7-M-R
1.2 Packing List
Please refer to the packing list according to table 2.
Table 2 Packing List of YDFLP
Item | Quantity |
| Fiber Laser | 1 |
Testing Report | 1 |
| Power Cable | 1 |
Dust Cap for Laser Isolator | 1 |
| Laser Usage Notes | 1 |
Product List | 1 |
1.3 Operation Conditions and Safety Instructions
Please read the following instructions carefully. Product reliability and lifetime probably be affected if not following the user manual.
1.3.1. Make sure that the 24VDC power supply is connected in the correct way. Wrong connection or input voltage might damage the product.
1.3.2. Make sure that the bending diameter of the fiber cable is larger than 15cm in anytime. Otherwise power will decrease or the laser may even be damaged.
1.3.3. The speed of the fan is adjustable according to ambient temperature. Make sure that minimum10cm air gaps behind and in front of the fiber laser. And the air flow direction of the system should be the same as the laser. Short ventilation distance and wrong air flow direction will lead to the laser temperature rises.
1.3.4. The required running ambient temperature range is 0~40°C. Laser will get internal alarm if out of this range. It is recommended that the operating temperature range of the laser is 10-30°C. Good heat dissipation is helpful to prolong the working life of the laser.
1.3.5. Due to the “thermal lens effect” of ordinary K9 glass optical lens in medium and high power range application, the phenomenon of focus drift, spot size inconsistency or light output instability might occur during material processing if using K9 glass optical field lens. Fused silica lens is recommended.
1.3.6. Please keep the fiber laser source clean especially the laser output window. Please remember to cover the output window when it’s exposed to the open environment. Dust on the window will cause heat and damage the lens, which results in output power decrease even laser damage.
1.3.7. Please make sure that the power is off before installing and uninstalling.
1.3.8. Please do not look at the output window anytime when power on, and wear laser safety goggle when operating the fiber laser.
1.3.9. YDFLP-E-60-M7-L1-R contains 17 wave-forms: CW, 2ns, 4ns, 6ns, 9ns, 13ns, 20ns, 30ns, 45ns, 60ns, 80ns, 100ns, 150ns, 200ns, 250ns, 350ns, 500ns.
Other pulse width is available for customization request.
1.4 YDFLP Product Naming Convention
Table 3 Naming Convention for Pulsed Fiber Laser
YDFLP – X – XX – XX – X – X
1 2 3 4 5 6
1.4.1. Product Name: Ytterbium Doped Fiber Laser Pulse (YDFLP)
1.4.2. Product type
1.4.3. Average Output power
1.4.4. Pulse Characteristics:
M series – adjustable pulse width
LP series – fixed pulse width
1.4.5. Optical Fiber attributes:
M: Near single mode, M²<1.5
L: Low mode, M²<1.8
H: High mode, M²>2.5
1.4.6. Additional function:
R: Built-in red pilot laser
Examples:
YDFLP-E-50-LP-L: Type E LP, using low mode type of optical fiber with nominal output power 50W.
YDFLP-200-M7-H-R: Customized M7, using high mode type of optical fiber with the nominal output power 200W, built-in red pilot laser.
1.5 Technical Specifications
Table 4 Specifications of the M7 Series Pulsed Fiber Laser
Characteristic\ Laser Type | E-60-M7-M-R | |
| M² | <1.5 | |
Delivery Cable Length | m | 3 |
| Average Output Power | W | >60 |
Maximum Pulse Energy | mJ | 1.5 |
| Pulse Repetition Rate Range | kHz | 1-4000 |
Pulse Width | ns | 2-500 |
| Output Power Instability | % | <5 |
Cooling Method | Air-cooled | |
| Power Supply Voltage (DC) | V | 24 |
Power Consumption | W | < 300 |
| Power supply current requirement | A | >13 |
Central Wavelength | nm | 1064 |
| Emission Bandwidth@3dB | nm | <15 |
Polarization | Random | |
| Anti-Reflection Protection | Yes | |
Built-in Red Beam | Yes | |
| Output Beam Diameter | mm | 7.0±0.5 |
Output Power Tuning Range | % | 0~100 |
| Ambient Temperature Range | °C | 0~40 |
Storage Temperature Range | °C | -10~60 |
| Dimensions | mm | 325*260*75 |
Package Size | mm | 580*400*140 |
| Weight | Kg | Net: 8.2 Gross: 9.8 |
Table5 M7 Series Fiber Laser Cut-off Frequency Value (kHz)
YDFLP-E-60-M7-M-R | ||
| Pulse Width (ns) | Cut-off frequency (kHz) | Max pulse frequency (kHz) |
1 (CW) | – | – |
| 2 | 1950 | 4000 |
4 | 1350 | 4000 |
| 6 | 975 | 4000 |
9 | 600 | 4000 |
| 13 | 412 | 3000 |
20 | 225 | 3000 |
| 30 | 187 | 3000 |
45 | 150 | 2000 |
| 60 | 135 | 2000 |
80 | 112 | 2000 |
| 100 | 105 | 1000 |
150 | 57 | 1000 |
| 200 | 45 | 1000 |
250 | 42 | 900 |
| 350 | 40 | 600 |
500 | 30 | 500 |
* The laser will have expected output power when working above the cut-off frequency. When working below the cut-off frequency, the power will drop accordingly to maintain the output peak power. Below chart shows the relationship between frequency and output power:

Figure 3 Cut-off Frequency & Output Power Relationship Charts
Waveforms 2ns to 30ns

Waveforms 45ns to 500ns

Figure 4 YDFLP-E-60-M7-M-R Output Waveform Graph.
1.6 Installation Dimensions
1.6.1. YDFLP-E-60-M7-M-R Laser Dimensions

Figure 5 YDFLP-E-60-M7-M-R Laser Module Dimensions (Unit: mm)
1.6.2. YDFLP-E-60-M7-M-R Laser Dimensions

Figure 6 YDFLP-E-60-M7-M-R Standard Output Head Dimensions (Unit: mm)
* The isolator head is only for reference. Please be subject to the actual product.
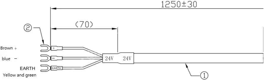
2. Laser Interface
2.1 Power Supply Connector
The length of standard power cord for laser is around 1250mm. Please refer to Figure 12 & Table 6 in below to install the power cable to the 24V DC power supply and ensure the DC power supply can provide enough output power. Please also note the polarity of the cable when connecting.

Figure 7 Diagram of the power supply cable
Table 6 Definition of power supply cable
PIN# | Description |
| EARTH | Ground wire |
+ | 24VDC Positive |
| – | 24VDC Negative |
Note: Housekeeping (main and control power supply independent) function can be customized.
2.2 RS-232 Control Connector
RS-232 connector is available for connecting PC or the Red Control card. Customer can monitor and control laser by GUI software, serial commands or red card after connected. Pins definition is shown in below Figure10 & Table 7:

Figure 8 RS232 Connector DB9
Table 7 RS-232 Interface Definition
PIN# | Description |
| 1, 4, 6-9 | No need to connect |
2 | RxD |
| 3 | TxD |
5 | GND |
2.3 DB25 Control Connector
DB25 is the interface usually used to connect the marking control system. The Pins are defined as shown in Figure 11 and Table 8.

Figure 9 DB25 Connector
Table 8 DB25 Interface Definition
DB25 PIN# | Definition |
1-8 | IP0-IP7 Power Control |
9 | Latches power setting of the laser, effective during rising edge(This feature can be enabled in the GUI) |
10-15 | GND Description: PIN10-15 have connected to the ground inside the fiber laser, only need to connect control card GND with one of the Pins. |
16, 21 | Warning signal Description: 16 low level, 21 high level: Normal 16 low level, 21 low level: temperature alarm |
19 | Emission Modulation input (PA) HIGH= Emission ON LOW=Emission OFF |
20 | Frequency Modulation (TTL) |
23 | Emergency Stop signal High level: Normal; Low level: Emergency Stop (this function can be selected in GUI) Emergency stop signal is from low to high, need to detect the rising edge of MO firstly, then the laser can be re-emitted. |
22 | Red beam ENABLE (Red Beam is preferred when Laser and Red Beam are mutually exclusive. * refer to note2) Pulse width adjustment ENABLE (Please refer to the following pulse width control section for specific control mode). High Level: Red Beam On Low Level: Red Beam Off |
18 | MO signal for turn on/off HIGH: ON LOW: OFF |
17, 24, 25 | No need to connect |
Note 1: 4.6-5.4V will be recognized as TTL high; 0-0.5V will be recognized as TTL low.
Note 2: Red beam Pin22 signal has higher priority than MO and PA signal. When Pin22 signal is high, MO and PA signal will be shut down internally. The laser can be emitted by restarting MO and PA after Pin22 signal is low.
2.3.1 DB25 Control & Sequence
2.3.1.1 Output Power Control
PIN1~8 controls the output laser power by TTL signal. The encoding can be set within the range of 0~255 which is corresponding to the 0~100% output power. The actual output laser power may not be a linear relationship with these settings. And the actual output power also related to the frequency (see Figure 4). Please refer to the example in table 9 current setting:
Table 9 Current Setting (example)
Setting 1 | Setting 2 | Setting 3 | Setting 4 | |
| PIN 1 | 0 | 0 | 0 | 0 |
PIN 2 | 0 | 0 | 0 | 0 |
| PIN 3 | 0 | 0 | 0 | 0 |
PIN 4 | 0 | 0 | 0 | 0 |
| PIN 5 | 0 | 0 | 0 | 1 |
PIN 6 | 0 | 0 | 1 | 1 |
| PIN 7 | 0 | 1 | 1 | 1 |
PIN 8 | 1 | 1 | 1 | 1 |
| Current | ~50 % | ~75 % | ~87.5 % | ~93.75% |
2.3.1.2 DB25 Sequence

Figure 10 Diagram of DB25 Control Time Sequence
- SUPPLY VOLTAGE 24V
- PIN18 MO
- PIN19 PA
- PIN20 PRR
- PUMP CURRENT
- LASER OUTPUT
- A: 12 seconds System initialization time
- B: MO and PA signal delay time: range(8ms-35ms), recommend 8ms.
- C: Switching off PA should be earlier than MO or at the same time.
- D: Frequency sampling time under internal frequency mode, at least 1 complete frequency period before turning on the laser (PA).
- E: SIMMER value. The first pulse energy can be adjusted via GUI software.
Fiber laser control system self-locking: If fiber laser is on abnormal status (high temperature, low power supply etc.), it will stop working to protect the whole system. Please restart the fiber laser.
2.3.1.3 Pulse Width Control
PIN2, PIN3 and PIN22 pins of DB25 control interface are not only used for basic control of laser, but also for pulse width control. Table 10 shows the pulse width control pin and signal description of M7 laser.
Table 10 Pulse Width Control Pin and Signal Description of M7 Series Laser
PIN. # | Item | Description |
2 | Serial Input | When fiber laser is serial input, setting data bits synchronize with the rising edge of serial clock. |
3 | Serial Clock | Serial digital clock, 8kHz≦Clock Frequency≦10kHz, 10KHZ is recommended. |
22 | Enable | Pulse width control function: High: Enable, Pin2 and Pin3 to control the pulse width Low or Not connection: Disable |
• Pulse width control instruction
- Send instruction to Pin2 of DB25 connector and send clock signal to Pin3 at the same time. The instruction description will be transmitted in binary form, with its most significant bit transmitted first.
- The instruction structure transmitted by the user to the laser is as follows:

- 0xA55 (A5h) is the active pulse width control byte. 0xA5 and all subsequent data bytes are input to Pin2 serial input.
- Data length of input laser is 4-bit bytes.
- The first byte of instruction code is 0x01.
- The Pin22 signal needs to be turned on 10us in advance before sending Pin2 and Pin3 signals. After finished pulse width adjustment, Pin2 and Pin3 signals need ≥ 10us delay before turning off Pin22 signal (as shown in Figure 14).
- All instruction design starts with byte 0xA5.
- Set Pin19 low before using pulse width control function.
• Pulse width control instruction code
Table 11 Pulse Width Control Instruction Code
Instruction | Instruction Code | Description |
| Set-up pulse width | 0x01 | Set-up pulse width (ns) |
It takes less than 50ns to finish the fiber laser pulse width initialization.
Remarks: If Instruction code transmit 3 * 0x01 instruction, it will not be accepted by the laser.
• Pulse width time sequence
- The following figure is an example to illustrate the sampling series diagram with a pulse width of 200ns. The series of 0x01 bytes of instructions is as follows:
Example: 0xa5 → 0x01 → 0x00 → 0xc8
0xa5: for activating pulse width control instruction
0x01: for setting pulse width instruction
0x00 and 0xc8: set the pulse width to 200ns.

Figure 11 Diagram of 200ns Pulse Width Control Sequence
- SCLK (Pin3)
- Serial (Pin2)
- Enable (Pin22)
T1: the duration is 10us, and the enabling signal of pulse width adjustment needs to be turned on 10us in advance before adjusting the serial input and the serial clock signal.
T2: the duration is 10us. After pulse width adjustment, it needs to delay 10us before closing.
- If the user sets 350ns pulse width, the input instruction is: 0xa5 → 0x01 → 0x01 → 0x5e, where 0x01 and 0x5e represent the pulse width value 350.
- The parameter of this instruction is the binary value of pulse width.
- The user can compile any pulse width, but the laser only accepts the specified pulse width (refer to the specifications of various versions for specific pulse width). If the given pulse width is out of the range, the laser will output with the close pulse width value.
3. JPT GUI Laser Testing Software-TypeE
TypeE is designed for YDFLP-E series laser. It has multiple functions including laser control, setting the default parameters, setting the control mode, alarm monitoring, DB25 interface monitoring, internal parameters monitoring etc. TypeE also records error events which caused system self-locking.
3.1 GUI Operation
3.1.1 Software Installation

Figure 12 Installation Package and Driver
Installation steps: decompress installation package → install driver → install software library → open TypeE-GUI software
3.1.2 Serial COM Port
3.1.2.1 Connecting method
Using USB TO RS232 cable to connect PC’s USB to the Laser’s RS-232 connector.
| After connecting the data line, check the serial port number: my computer → properties → hardware → device manager →
If the Serial Port Number is bigger than 4, revise the COM number to ≤4. |
Click and open the Serial Com Number as follow:

Figure 13 The Selection of GUI Serial Port Connection
3.1.2.2. Connecting State

Figure 14 GUI Disconnected State

Figure 15 GUI Connected State
3.1.3 GUI Control Function
3.1.3.1 GUI Control the Emission
GUI control the emission
(1) Choose the GUI control Mode

Figure 16 GUI Full Ctrl mode
GUI Full Control mode(GUI Ctrl): When selecting the GUI full Control mode, all the parameters of Internal/External Control mode (EG. power, frequency, pulse width, PA, MO) will change to Internal Control mode. This mode will not be preserved after power off. It will change to “Free Ctrl” mode after serial port closed, and all the parameters of Internal/External Control mode will be changed to the previous free control mode setting. User can select this mode to test the emission of laser temporarily.

Figure 17 Free Ctrl mode
Free Control Mode (Free Ctrl): When selecting free Control mode, user can choose parameter control mode individually. In this mode, all the settings will be preserved after power off. EG.
User can select this mode to lock a specific frequency or output power individually when don’t want to control it by external signal.
(2) Set parameters and emitting

Figure 18 Setting parameters and emitting
After selecting full control mode, user can set power, frequency, pulse width and then press “edit” button to confirm. User can switch on/off emission when clicking “Laser” button.
Note: All the parameters except power can’t be modified during emission.
(3) Control MO signal

Figure 19 GUI control MO state
Ctrl MO: The “MO” button will be appeared on the interface after selecting Ctrl MO. User can control the switching of MO signal while clicking this button. This setting will not be preserved after power off.
3.1.3.2 Default parameter setting and selection
E type software can modify laser default parameter setting and selection in the option of “Parameter setting” and “Parameter selection”. The parameter settings take effect immediately and save automatically after power down.

Figure 20 Default parameter settings and selection
Lock PRR: Laser will lock to GUI setting frequency.
Default pulse: The laser will use GUI default pulse when no pulse width control command received.
Simmer: Can be used for controlling the height of the first pulse, the higher the value, the larger the first pulse. Setting range: 0-1000
Simmer setting examples:

[Appropriate Simmer]

[High Simmer]

[Low Simmer]
Default pulse width: If the external control fails to provide the pulse width signal, the laser will work according to the default pulse width window setting value.
Default frequency: If the external control fails to provide frequency signal, the laser will work according to the default frequency window setting value.
Pin9Lock: Power latch function is enabled if selected, the value of Pin1 to Pin8 is latched during the rising edge. Default setting is not selected.
Pin23Stop: Emergency stop function is enabled if selected. Low level is effective. Default setting is not selected.
External frequency: When selecting external frequency mode, the laser output pulse will be synchronized with external frequency signal. If the control card has optimized the external frequency signal, this mode can be used.
When this option is not selected, the laser will use with internal frequency mode. And the laser will calculate external frequency signal in MO and PA delay time. Default setting is internal frequency mode.
External frequency and internal frequency setting examples:

[External Frequency]

[Internal Frequency]
*T=Duration of pulse period, maximum duration ≤ reduction frequency period
3.2 Laser Monitoring Function
The monitoring function of TypeE software can observe some operation parameters and alarm conditions. The laser will send the number of alarms saved in the system to the GUI software each time when it is turned on.

Figure 21 Laser Running Status Monitoring
Status Monitoring
Optical circuit temperature alarm: alarm when the optical circuit temperature exceeds the set temperature range.
Circuit temperature alarm: alarm when the circuit temperature exceeds the set temperature range.
Low primary current: abnormal alarm for low primary current.
Seed TEC: alarm when seed source temperature is abnormal.
No pulse E: alarm when no seed source backlight signal detected or backlight signal frequency less than 1kHz.
Voltage error: alarm when supplying voltage is too low or too high.
DB25-D7-D0: monitor the current power signal of the laser, corresponding to the 8-bit binary mode. D0 is the lowest bit, D7 is the highest bit, and the green light is the status of the received signal of this bit.
DB25-PA: monitor whether the laser currently receives the PA signal, and the green light is the status of the received signal.
DB25-MO: monitor whether the laser currently receives MO signal, and the green light is the status of received signal.
Laser power: the power percentage of the pump source current conversion (it can be used to refer to whether the output of the circuit is normal, not the output optical power value).
Circuit temperature: monitors the current laser circuit module temperature.
Optical path temperature: monitor the temperature of the optical path module of the current laser.
Pulse width: monitor the working pulse width parameter of the current laser.
Frequency: monitor the current laser operating frequency parameter.
Warranty and service terms in User’s Manual are for reference only. Official service and warranty are subject to official contract.
SHENZHEN JPT OPTO-ELECTRONICS CO., LTD.
File Number: S-PI-0035



















