John Wood 62607 80G-120G Insulated Storage Tank Instruction Manual
SAFETY INSTRUCTIONS
Read these instructions thoroughly before starting Please retain these instructions in a safe location for future reference.
NOTE: These instructions apply only to this storage tank unit. The water heating source or other components of the system should be installed in accordance with their instructions, provided by their manufacturer.
FOR YOUR SAFETY:
- Do not store or use gasoline or other flammable vapours or liquids in the vicinity of this or any other appliance.
- Installation and service must be performed by a qualified installer, service agency, gas supplier, or electric utility.
WARNING: Improper installation, adjustment, alteration, service, or maintenance can cause injury or property damage. Refer to this manual. For assistance or additional information, consult a qualified installer, service agency, gas/oil supplier, or the electric utility.
WARNING: If the information in these instructions is not followed exactly, a fire, explosion, or water damage may result causing property damage, personal injury or death
IMPORTANT CONSUMER NOTICE
These instructions have been written for the proper installation, safe operation and maintenance of this storage tank unit.
It is your responsibility to ensure that your insulated storage tank is properly installed and cared for. FAILURE TO FOLLOW THE INSTRUCTIONS IN THIS MANUAL MAY RESULT IN SERIOUS BODILY INJURY AND/OR PROPERTY DAMAGE. THOROUGHLY READ ALL INSTRUCTIONS BEFORE YOU ATTEMPT TO INSTALL OR OPERATE THIS UNIT.
Installation and service require trade knowledge in the area of plumbing, electricity, venting, air supply, and gas supply. Installation is required by a qualified tradesperson in accordance with National/Local Codes.
The manufacturer of this insulated storage tank cannot be held liable for those damages caused by improper installation, sizing, or failure to comply with these instructions. PROTECT YOUR WARRANTY: Regularly maintain your unit as detailed in the service and maintenance section of this manual.
INSTALLATION CODE REQUIREMENTS
CANADIAN INSTALLATIONS
In addition to the installation instructions found in this manual, the heater shall be installed in accordance with the latest edition of CSA B149 installation codes and /or any local codes. These shall be carefully followed in all cases. Authorities having jurisdiction shall be consulted before installations are made. All electrical connections shall be in accordance with the latest edition of the Canadian Electrical Code CSA C22-1 Part 1.
U.S. INSTALLATIONS
In addition to the installation instructions found in this manual, the heater shall be installed in accordance with the latest edition of the National Fuel Code ANSI Z223-1 (NFPA 54) and/ or any local codes. These shall be carefully followed in all cases. Authorities having jurisdiction shall be consulted before installations are made.
IMPORTANT: All supply equipment, installation, approvals, permits, inspections, etc. are the responsibility of the owner of this storage tank unit. Consult your local authorities for regulations specific to your area. RELIEF VALVES ( T&P )
All heaters must be installed with a proper temperature and pressure relief valve. These valves must be certified as meeting the requirements for Relief Valves and Automatic Gas Shut-Off Devices for Hot Water Supply Systems, ANSI Z21-22 in the United States. When in Canada, the Standard for Temperature, Pressure, Temperature and Pressure Relief and Vacuum Relief CAN 1-4.4, is required. BACKFLOW PREVENTION
Certain jurisdictions may require the installation of a backflow device (e.g. Check Valve) in the water supply line. Such a device will require the use of a system expansion tank of adequate size to control the thermal expansion generated during the heating cycle. Consult your water supplier or local plumbing authority.
IMPORTANT: The supply water meter may have a built-in check valve device. Contact your local water authority
SAFETY WARNINGS
- Water Heaters are heat producing appliances. To avoid damage or injury, no materials shall be stored against the heater and provision shall be made to prevent unauthorized contact (e.g. children).
FOR YOUR SAFETY, DO NOT STORE OR USE
GASOLINE OR OTHER FLAMMABLE, COMBUSTIBLE OR CORROSIVE VAPOURS OR LIQUIDS IN THE VICINITY OF THIS HEATER OR ANY OTHER APPLIANCE.
- Hot water leaving this appliance can cause severe burns due to scalding. The hazard is increased for young children, the elderly, or the disabled where water temperatures o o exceed 125 F (52 C). Use anti-scald valves in the hot water system to reduce the risk of scalding at points of use such as lavatories, sinks, and bathing facilities. Such precautions must be followed when this unit is operated in combination with dishwashing or space heating applications.
- If this storage tank has been exposed to flooding, freezing, fire, or any unusual condition, do not put it into operation until it has been inspected and approved by a qualified professional. THESE CONDITIONS CAN RESULT IN UNSEEN INTERNAL DAMAGE and are not subject to warranty coverage.
- Exposure to airborne chemicals can cause severe corrosion to the unit. Air containing vapours from cleaning solvents, pool chemicals, refrigerator or air conditioning refrigerants, laundry detergents or bleaches, waxes, spray can propellants, dry cleaning, photo processing liquids, calcium and sodium chloride (softener salt) or other process chemicals are typical compounds which are potentially corrosive. Products of this type should not be stored near the unit.
- HYDROGEN GAS CAN BE PRODUCED IN A HOT WATER SYSTEM. THIS CAN BE PROBLEMATIC IN SYSTEMS WITH LONG STANDBY PERIODS. HYDROGEN GAS IS EXTREMELY FLAMMABLE.
To reduce the risk of injury under these conditions, it is recommended that the hot water faucet be opened for several minutes at the kitchen sink before using any electrical appliance that is connected to the hot water system. If hydrogen is present, there will probably be an unusual sound such as air escaping through the pipe as the water begins to flow. THERE SHOULD BE NO SMOKING, OR OPEN FLAME NEAR THE FAUCET AT THE TIME THAT IT IS OPEN.
WARNING: THE WATER HEATING SOURCE, PIPING, AND COMPONENTS CONNECTED TO THE STORAGE TANK MUST BE SUITABLE FOR POTABLE WATER USE. TOXIC CHEMICALS SUCH AS USED FOR BOILER TREATMENT MUST NOT BE INTRODUCED INTO THE TANK. ONLY POTABLE WATER IS ALLOWED TO ENTER THE INSULATED STORAGE TANK UNIT
INSTALLATION INSTRUCTIONS
Locate the storage tank in a clean and dry area close to the water heating source and preferably central to the piping system (this is to help prevent heat loss through the pipes). Locate the unit such that controls, hand-hole cleanout, drain valve, and plumbing are easily accessible to permit future service and maintenance. Ensure that the unit is level on the floor.
Locate and install the unit near a floor drain and in an area where leakage of the tank or water piping will not result in damaging adjacent areas or lower floors of the premises
Where such a location is not available, it is strongly recommended that a suitable drain pan must be installed under this unit. This pan shall be 1 ½ “ (40 mm) deep with a diameter of minimum 2” (50 mm) larger than the diameter of the storage tank. A suitable pipe properly connected to an adjacent floor drain shall be provided (See Figure 1).
WARNING: Do not install directly on carpet. Instead, place the unit on a metal or wo
WATER PIPE PLUMBING CONNECTIONS
NOTE: THE FITTINGS SUPPLIED WITH THIS HOT WATER STORAGE TANK ARE 2” NPT.
- Close main water supply and drain the piping system when the hot water storage tank is to be connected.
- When attaching solder “sweat” fittings, DO NOT APPLY HEAT DIRECTLY TO THE WATER HEATER NIPPLES as the plastic liners in the nipples will be damaged. Sweat adapters to the first section of the water pipingbefore threading onto the unit.
- Install a manual shut-off valve in the water supply line. It is good plumbing practice to include unions at the connections.
- IMPORTANT: Before putting the unit into service, make sure that a properly rated and sized temperature and pressure relief valve is installed in the designated fitting. The relief pressure marked on the relief valve must not exceed that stated on the rating plate of the hot water storage tank.
- IMPORTANT: The relief valve must be connected to a discharge or drain pipe no smaller in size than the outlet of the relief valve. This pipe must not be valved, plugged, allowed to freeze, or be restricted in any way. Terminate close to a drain of adequate capacity. The relief valve is necessary to avoid excessive water pressure or water temperature from developing. Such a condition could cause serious personal injury due to scalding or serious physical damage to the unit. This safety device must be checked annually for proper operation.
- With water piping installed, check that a hot water faucet served by the storage tank is open and that the unit’s drain valve is closed. Open the supply valve and fill the unit and piping system with water. When an uninterrupted stream of water flows from the faucet, the system is full. Close the faucet. Check for piping and connections for leaks, and repair as necessary.
- Connect a hose to the drain valve and connect to a drain. Open drain and let water run until clear to flush out any foreign matter that may have entered the system. Once flushed, close the drain valve and disconnect the hose.
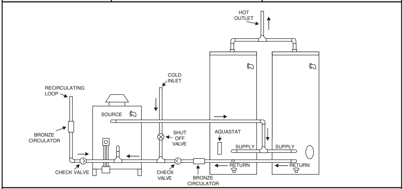
- For multiple storage tank systems, check valves must be installed to prevent circulator from pumping hot water into another tank and overheating it.
NOTE: Check Valves can often be noisy and cause reduced supply pressures. - The use of a pressure regulator is optional, but recommended when the cold supply pressure is over 80 psi. Reducing the inlet pressure to 45-60 psi will reduce probability of relief valve discharge due to thermal expansion
NOTE: Under certain conditions, water in the storage tank unit could become excessively hot. It is recommended that a thermostatically controlled tempering valve be installed in the outlet line to reduce the risk of scald injury. This valve o prevents water in excess of 140 Fahrenheit from reaching the outlets (point of use).
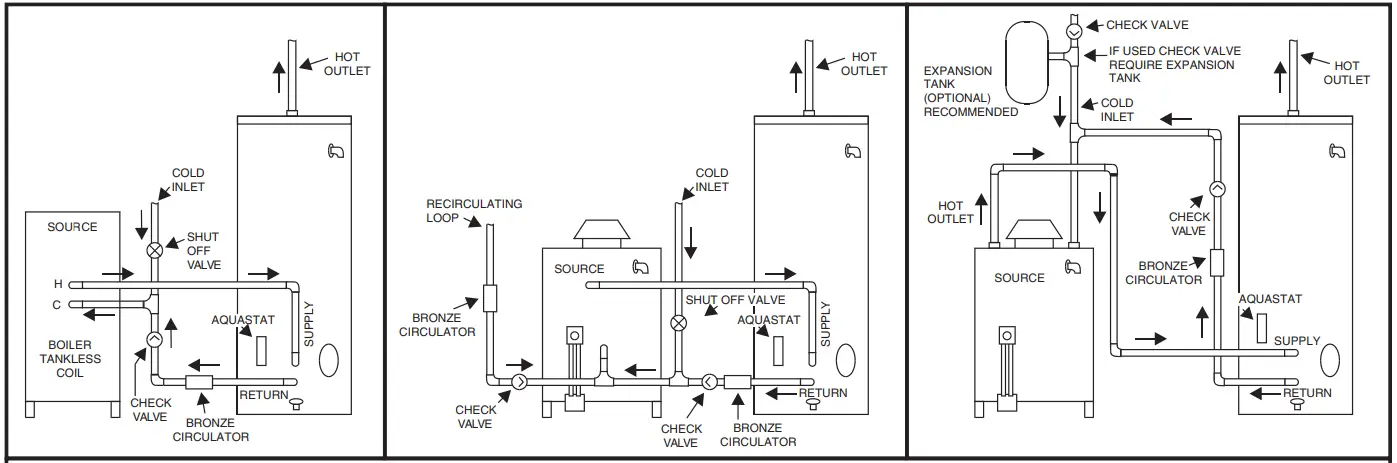
TYPICAL PLUMBING APPLICATIONS



SERVICE AND MAINTENANCE
Water Temperature is Too Hot
- Check that the thermostat setting is not too high on your hot water source unit.
- Water heaters used for dishwashers, space heating, or laundry facilities generally require higher temperatures than domestic use. Install anti-scald tempering valves as instructed in the safety warnings section of this manual.
- If the problem persists, contact your dealer, electric utility, or gas supplier.
Hot Water Odour
Occasionally, and depending on your location, hot water may develop a strong odour. This can be especially problematic in regions where the water contains sulphur, which results in hot water having a “rotten egg” type of smell. If this occurs, drain the system completely, flush thoroughly, and refill the unit. If the problem persists, the anode rod may need to be changed from the magnesium type that is installed, to one made of aluminum. In certain cases, chlorination and flushing of the water system may be required. Contact your dealer or water supplie
Discoloured Water
- Water rich in iron or other minerals can produce red or brown staining. Heating water generally worsens this situation.
- Black water can be an indication of organic contaminates in the water supply. This can be problematic in areas where the water is obtained from surface or contaminated sources. Organic particles can develop bacterial growth, causing potential health hazards. Contact your water supplier for proper filtration of water conditioning equipment. For bacterial problems, contact your local health authority.
- A sudden appearance of rusty water can indicate that the anode rod has been depleted. The remaining steel core wire may be corroding, releasing iron particles into the water. Inspect and replace as necessary.
Storage Tank Unit Makes Noise
- Sediment, sand or scale can accumulate resulting in “rumbling” or “hissing” noises. Water heaters need to be flushed regularly to minimize buildup (See Tank Flushing). Severe accumulations can cause premature failure of the unit and will void the warranty.
Extended Non Use Service
- Hydrogen gas can be produced by water heaters in service, especially ones that have been on standby for long periods of time (generally two weeks or more). See safety warnings in the front of the manual. Hydrogen gas is extremely flammable. Use caution when opening faucets.
Cathodic Protection: Anode Maintenance
Your storage tank unit has been supplied with an anode rod(s) that protects the tank from corrosion. As the rod works, it slowly dissolves over time and must be replaced when it becomes totally consumed. Depending on water conditions, an anode can last anywhere from one to ten years. Many localities treat their water, which can have significant effect on the life of the unit. Water conditioning such as over softening can accelerate the rate at which the anode rod is consumed. Rapid depletion can leave a heater unprotected, causing a premature failure. As with any water heater, it is good practice to check the anode annually to see if it needs replacing. The anode must be replaced with a new one if it is less than 3/8” in diameter, or if any bare core is showing.
To Inspect or Change an Anode:
- Close the supply inlet valve.
- Open a hot water tap supplied by the heater.
- Drain the storage tank unit enough to empty the water in the piping system.
- Lift and “pop” off the plastic covers that cover access to the anodes. Cut any insulation or foam as required.
- Using a 1-1/16” socket, remove the anode and inspect or replace it as required.
- Refill the unit with water
WARNING: OPERATING THE UNIT WITHOUT AN ACTIVELY WORKING ANODE ROD WILL VOID THE WARRANTY.
Tank Flushing
Periodically (monthly) drain approximately 2 gallons (8 liters) of water from the tank through the drain valve. This will minimize sediment buildup on the tank bottom. All Storage Tanks are supplied with a hand hole cleanout. All water must be drained from the piping system and the unit prior to opening the hand hole cleanout.
CAUTION: WATER WILL BE HOT
Tank Clean-Out
A clean out opening is provided on all insulated storage tank models for periodic cleaning of the tank. THE UNIT & ASSOCIATED WATER LINES MUST BE DRAINED COMPLETELY BEFORE OPENING THE CLEAN-OUT.
CAUTION: TANK MAY BE HOT.
To clean the unit using the clean-out opening, proceed as follows:
- Remove the outer door ( casing door )
- Peel back or cut if required, the insulation covering the clean-out flange. INSTALLATION INSTRUCTIONS
- Remove the six hex head screws securing the tank clean-out plate and proceed to remove the plate and gasket.
- Remove lime, scale, or sediment, taking care not to damage the glass lining of the tank.
To re-assemble the hand hole clean-out:
- Inspect the clean-out gasket. If it shows signs of wear, a new gasket is required.
- Next, install the clean-out plate. Be sure to draw the plate up tight by tightening the screws securely in a cross pattern.
- Position the fiberglass insulation, and install the casing door.
Relief Valve Check
Inspect the relief valve annually to ensure proper operation. This involves opening the valve to check that it is flowing freely and that there are no blockages. Provide a bucket or drainage for the expelled water. Lift the lever and let it snap shut. The water should stop instantly
WARNING: WATER WILL BE HOT and water flow can be forceful. If the valve does not function properly, it must be replaced.
In systems where the relief valve discharges periodically, this may be due to thermal expansion or to a thermostat that is operating at too high a temperature. In a closed water system, an expansion tank may be required. Contact your local plumbing inspector. For a malfunctioning aquastat, contact your local gas supplier or electric utility.















