Husqvarna DS900 Drill Stand Owner’s Manual
Introduction
Product description
The product is a drill stand for Husqvarna drill motors.
- The product can be used with drill bits with a maximum diameter of 900 mm.
- The drill column can be tilted 0–60°.
- The product has a quick mounting plate for the drill motor.
- It is possible to use a 2 m long drill column (accessory).
Intended use
This product is used together with a Husqvarna drill motor to drill in ceilings, walls and floors. The product is used on concrete, brick and different stone materials. All other use is incorrect.
The product is used in industrial operations by operators with experience.
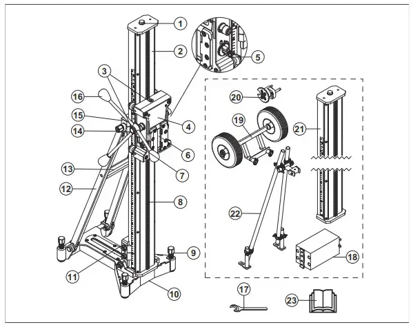
Product overview

- Jack screw
- Drill column
- Level indicator
- Drill motor carriage
- Carriage lock
- Lock clamp for the quick mounting plate
- Lock screw for the lock clamp
- Gear rack
- Level adjustment screws
- Bottom plate
- Lock clamp for the bottom plate and the drill column
- Support
- Handle for transportation
- Lock screw for drill column tilt
- Lock clamp for the support and the drill column
- Feed lever
- Wrench, 24 mm
- Adapter, quick spacer (accessory)
- Transport wheels (accessory)
- AD bracket (accessory)
- Drill column, 2 m (accessory)
- Support for 2 m drill column (accessory)
- Operator’s manual
Symbols on the product
WARNING: This product can be dangerous and cause serious injury or death to the operator or others. Be careful and use the product correctly.

Read the operator’s manual carefully and make sure that you understand the instructions before you use the product.

Use approved hearing protection.
Note: Other symbols/decals on the product refer to special certification requirements for some markets.
Product liability
As referred to in the product liability laws, we are not liable for damages that our product causes if:
- the product is incorrectly repaired.
- the product is repaired with parts that are not from the manufacturer or not approved by the manufacturer.
- the product has an accessory that is not from the manufacturer or not approved by the manufacturer.
- the product is not repaired at an approved service center or by an approved authority.
Safety
Safety definitions
Warnings, cautions and notes are used to point out specially important parts of the manua
WARNING: Used if there is a risk of injury or death for the operator or bystanders if the instructions in the manual are not obeyed.
CAUTION: Used if there is a risk of damage to the product, other materials or the adjacent area if the instructions in the manual are not obeyed.
Note: Used to give more information that is necessary in a given situation.
Always use common sense
WARNING: Under no circumstances should you modify the original design of the machine without approval from the manufacturer. Always use original spare parts. Unauthorized modifications and/or accessories may lead to serious injury or death to the user or others.
It is not possible to cover every conceivable situation you can face when using a drilling machine. Always exercise care and use your common sense. Avoid all situations which you consider to be beyond your capability. If you still feel uncertain about operating procedures after reading these instructions, you should consult an expert before continuing.
Do not hesitate to contact your dealer if you have any more questions about the use of the machine. We will willingly be of service and provide you with advice as well as help you to use your machine both efficiently and safely.
Let your Husqvarna dealer check the drilling machine regularly and make essential adjustments and repairs.
All information and all data in the operator’s manual were applicable at the time the operator’s manual was sent to print.
General safety instructions
WARNING: Read the warning instructions that follow before you use the product
- This product is a dangerous tool if you are not careful or if you use the product incorrectly. This product can cause serious injury or death to the operator or others. Before you use the product, you must read and understand the contents of this operator’s manual.
- Save all warnings and instructions.
- Comply with all applicable laws and regulations.
The operator and the employer of the operator must know and prevent the risks during operation of the product. - Do not let a person operate the product unless they read and understand the contents of the operator’s manual.
- Do not operate the product unless you receive training before use. Make sure that all operators receive training.
- Do not let a child operate the product.
- Only let approved persons operate the product.
- The operator is responsible for accidents that occur to other persons or their property.
- Do not use the product if you are tired, ill, or under the influence of alcohol, drugs or medicine.
- Always be careful and use your common sense.
- Keep the product clean. Make sure that you can clearly read signs and decals.
- Do not use the product if it is defective.
- Do not do modifications to this product.
- Do not operate the product if it is possible that other persons have done modifications to the product.
Safety instructions for operation
WARNING: Read the warning instructions that follow before you use the product.
- Use personal protective equipment. Refer to Personal protective equipment on page 4.
- Make sure that only approved persons are in the work area.
- Keep the work area clean and bright.
- Make sure that you are in a safe and stable position during operation.
- Do not use the product in bad weather conditions, such as thick fog, heavy rain, strong wind or intense cold. To do work in bad weather makes you tired and can cause dangerous conditions, for example slippery surfaces.
- Always examine the rear side of the surface where the drill bit will go through the surface. Make the work area safe. Cordon off the work area. Make sure that no injury or damage can occur.
- Make sure that no material can become loose and cause injury to the operator.
- Do not operate the product unless you can get aid if an accident occurs.
- Sudden appearance of persons and animals can prevent safe operation of the product. Always operate the product carefully.
- Make sure that clothes, long hair and jewelry do not get caught in moving parts.
General working stand safety warnings
WARNING: Read all safety warnings and all instructions. Failure to follow the warnings and instructions may result in electric shock, fire and/or serious injury.
- Disconnect the plug from the power source and/or the battery pack from the power tool before making any adjustments, changing accessories. Accidental starting of the power tool is a cause of some accidents.
- Properly assemble the working stand before mounting the tool. Proper assembly is important to prevent risk of collapse.
- Securely fasten the power tool to the working stand before use. Power tool shifting on the working stand can cause loss of control.
- Place the working stand on a solid, flat and level surface. When the working stand can shift or rock, the power tool or workpiece cannot be steadily and safely controlled.
- Do not overload the working stand or use as ladder scaffolding. Overloading or standing on the working stand causes the stand to be ”top-heavy” and likely to tip over.
Personal protective equipment
WARNING: Read the warning instructions that follow before you use the product.
- Always use correct personal protective equipment when you operate the product. The personal protective equipment does not erase the risk of injury. The personal protective equipment decreases the grade of injury if an accident occurs. Let your dealer help you select the right equipment.
- Use approved eye protection while you operate the product.
- Do not use loose, heavy and not applicable clothing. Use clothes that let you move freely.
- Use approved protective gloves that enables a solid hold.
- Use rubber protective gloves that prevents skin irritation from wet concrete.
- Use an approved protective helmet.
- Always use approved hearing protection while you operate the product. Noise for a long period cancause noise-induced hearing loss.
- The product makes dust and fumes that contain dangerous chemicals. Use an approved breathing protection.
- Use boots with steel toe-caps and non-slip soles.
- Make sure that you have a first aid kit near.
- Sparks can occur when you operate the product. Make sure that you have a fire extinguisher near.
Safety devices on the product
WARNING: Read the warning instructions that follow before you use the product.
- Do not use a product with defective safety devices.
- Do a check of the safety devices regularly. If the safety devices are defective, speak to your Husqvarna service agent.
- Do not make modifications to safety devices.
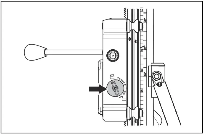
To do a check of the carriage lock
- Turn the knob to lock the drill motor carriage.

- Feel by hand that the drill motor carriage is locked to the drill column.
To do a check of the end stop of the drill column
- Make sure that the end stop is installed correctly at the top of the drill column.

- Make sure that the drill motor carriage stops when it touches the stop plate.
Safety instructions for maintenance
WARNING: Read the warning instructions that follow before you use the product. Save all warnings and instructions for future operations.
- Stop the drill motor, disconnect the power supply and remove the drill motor before maintenance of the product.
- Keep all parts in good condition and make sure that all fixtures are correctly tightened.
- Do not use a product that is defective. Do the safety checks, maintenance and the servicing as given in this manual. All other maintenance work must be done by an approved servicing dealer.
- Do the maintenance to make sure that the product operates correctly. Refer to Daily maintenance on page 10.
Assembly
Introduction
WARNING: Read and understand the safety chapter before you assemble the product
To install the wheel kit (accessory)
- Put the bracket (A) in the holes in the bottom plate.

- Attach the wheel kit with the clips (B)
To attach the drill motor
WARNING: Disconnect the drill motor from the power supply.
- Remove the drill bit from the drill motor.
- Lock the carriage lock.
- Attach the drill motor in the lock clamp on the drill motor carriage.
- Push the drill motor fully down to the bottom of the lock clamp (A).
- Tighten the lock clamp with the lock screw (B).

To install a spacer (accessory)
A spacer is necessary to use when the drill bit has a large diameter. There are different types of spacers available. Refer to the table for maximum drill bit diameters for different spacers.
- Install the spacer on the drill motor.
- Attach the drill motor with spacer to the drill motor carriage.
| Drill mo- tor | Spacer, mm/in. | |||
| 0 | 50/2 | 2×50/2 | 200/7.9 | |
| DM400 | 350/14 | N/A | N/A | N/A |
| DM406 | 500/20 | 600/24 | 700/28 | 900/36 |
| DM430 | 350/14 | 450/18 | N/A | N/A |
| DM650 | 400/16 | 500/20 | 600/24 | 800/32 |
| DM280/ DM340 | 350/14 | 450/18 | N/A | N/A |
To change drill column
Do this procedure to change between the standard drill column and the 2 m drill column (accessory).
- Loosen the jack screw and remove the end stop (A)

- Unlock the drill motor carriage (B).
- Remove the drill motor carriage (C).
- Loosen the lock screws for the lock clamps that hold the drill column to the support and the bottom plate.

- Remove the drill column.
- Install the drill column in the opposite sequence.
Installation
Procedures for drill stand installation
There are 2 procedures that can be used to attach the drill stand before a drill operation:
- With an expander bolt.
- With an all thread rod, a washer and a locknut.
WARNING: Do not install the product with a vacuum plate. There is a risk that the product becomes loose during operation.
To install the product with an expander bolt
WARNING: To install the product to a ceiling or a wall puts much strain on the surface. For operation in ceilings and walls, use only an expander bolt or anchor screw that is applicable for the strain
- Drill a hole for the expander bolt at a distance (A) of 400 mm/15.7 in. from the center of the hole that you will drill.

Note: The distance is for drill motor DM650 without a spacer. - Attach the bottom plate with an expander bolt.
- Make sure that the expander bolt is tightened correctly.
- If it is necessary, adjust the bottom plate. Turn the adjustment screws until the bottom plate is parallel to the surface.

To attach the expander bolt
- Drill a hole for the expander bolt. Make sure that the depth is sufficient. The socket must be put below the surface.

- Use the mandrel and a hammer to install the expander.

- Install the anchor screw

- Attach the product with the nut.

To install the product with an all thread rod
- Use an all thread rod to install the product to a wall or ceiling.
- Use an all thread rod when it is not possible to use an expander bolt.
- Use washers and nuts to tighten the all thread rod.
Operation
To do before you operate the product
- Read the operator’s manual carefully and make sure that you understand the instructions.
- Read the operator’s manual for the drill motor carefully and make sure that you understand the instructions.
- Do the daily maintenance. Refer to Daily maintenance on page 10.
To adjust the angle of the drill column
The drill column can be tilted 0–60°.
- Loosen the lock screw that locks the drill column and set the applicable drill angle.

a) Use the angle indicator for approximate adjustment. If higher precision is necessary, use alternative methods to measure. - Tighten the lock screw of the drill column.
Maintenance
Introduction
WARNING: Read and understand the safety chapter before you do maintenance on the product.
WARNING: To prevent injury, disconnect the power cord before you do maintenance.
Daily maintenance
- Make sure that the nuts and screws are tight.
- Clean the external surfaces.
- Make sure that the feed lever moves without resistance.
- Make sure that the gears move easily and do not cause a noise.
- Examine the drill column for wear and damage.
- Make sure that the drill motor carriage moves easily and that there is no play against the drill column.
To clean and lubricate the product
CAUTION: If you do not clean the drill stand, it can become damaged.
- Remove the drill motor.
- Clean the product with a high-pressure washer and then remove remaining water with a dry cloth.
- Lubricate the moving parts of the product. Apply grease to the contact surfaces to prevent corrosion
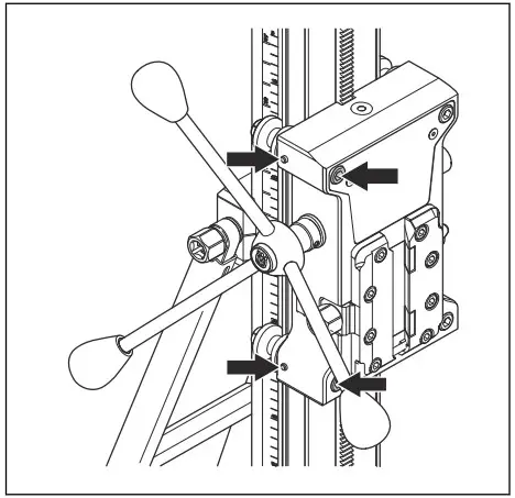
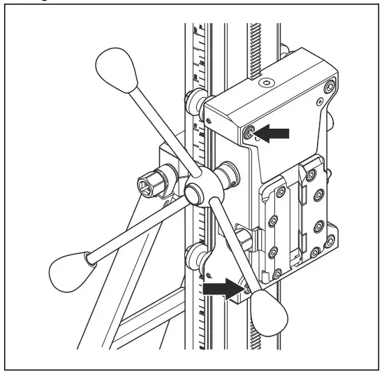
To adjust the drill motor carriage
If there is distance between the drill column and the drill motor carriage, the drill motor carriage must be adjusted.
- Loosen the 2 hex screws and the 2 stop screws for the 2 guide wheels.

- Turn the roller shafts until the guide wheels are against the drill column.

- Keep the position of the guide wheel and tighten the lock screws.

Note: After you have tightened the roller shafts, they must be possible to turn with the feed lever but not by hand. - Use the feed lever to move the drill motor carriage up and down. Make sure that the drill motor carriage moves smoothly on the drill column. The roller shafts must rotate and not move. If it is necessary, adjust the roller shafts again.

- Tighten the 2 hex screws

Transportation and storage
- Safely attach the product during transportation to prevent damage and accidents.
- Use the optional transport wheels for transportation of the product with a drill motor attached.
- For transportation without transport wheels, it is necessary to remove the drill motor from the product because the total weight is more than 25 kg.
- Keep the product in a locked area to prevent access for children or persons that are not approved.
- Keep the product in a dry and frost free area.
Technical data
| Dimensions | |
| Height, mm/in. | 1300/51.2 |
| Width, mm/in. | 300/11.8 |
| Depth, mm/in. | 448/17.6 |
| Weight, kg/lbs | 24/53 |
| Travel length, mm/in. | 950/37.4 |
| Max load (on handle), kg/lbs | 150/330 |
| Drill column angle | 0–60° |
| Max. drill bit diameter with spacer, mm/in. | 900/35.4 |
| Max. drill bit diameter without spacer, mm/in. | 500/19.7 (DM406) |
Service
Approved service center
To find your nearest Husqvarna Construction Products approved service center, go to the web site .
Declaration of Conformity
EC Declaration of Conformity
We, Husqvarna AB, SE-561 82 Huskvarna, Sweden, tel: +46-36-146500, declare on our sole responsibility that the product:
| Description | Drill stand |
| Brand | Husqvarna |
| Type/Model | DS900 |
| Identification | Serial numbers dating from 2022 and onwards |
complies fully with the following EU directives and regulations:
| Directive/Regulation | Description |
| 2006/42/EC | “relating to machinery” |
and that the following harmonized standards and/or technical specifications are applied;
- EN 12348:2000+A1:2009
- EN 62841-3-6:2014+A11:2017
- EN IEC 63000:2018
- Partille, 2022-12-02

- Fredrik Sandinge
- R&D Director, Concrete Sawing & Drilling Equipment
- Husqvarna AB, Construction Division
- Responsible for technical documentation
UK Declaration of Conformity
We, Husqvarna AB, SE-561 82 Huskvarna, Sweden, tel: +46-36-146500, declare on our sole responsibility that the product:
| Description | Portable cut-off machine |
| Brand | Husqvarna |
| Type/Model | DS900 |
| Identification | Serial numbers dating from 2022 and onwards |
complies fully with the following UK directives and regulations:
and that the following harmonized standards and/or technical specifications are applied;
- EN 12348:2000+A1:2009
- EN 62841-3-6:2014+A11:2017
- EN IEC 63000:2018
- Partille,2022-12-02

- Fredrik Sandinge
- R&D Director, Concrete Sawing & Drilling Equipment
- Husqvarna AB, Construction Division
- Responsible for technical documentation

UK Importer: Husqvarna UK Ltd Preston Road, Co. Durham DL5 6UP
iginal instructions Αρχικές οδηγίες Instrucciones originales Instruções originais 1142108-30
www.husqvarnaconstruction.com
![]()


































