
Angle Drill
D 10YB
Read through carefully and understand these instructions before use.
Handling instructions
D 10YB Angle Drill

| 1 | Reversing switch lever |
| 2 | Drill chuck |
| 3 | Chuck wrench |
| 4 | Switch lever |
| 5 | Switch on |
| 6 | Round convex on the surface of switch lever |
| 7 | Switch off |
| 8 | Dial |
| 9 | Wear limit |
| 10 | No. of Carbon Brush |
Symbols
WARNING
The following show symbols used for the machine. Be sure that you understand their meaning before use.
Read all safety warnings and all instructions.
Failure to follow the warnings and instructions may result in electric shock, fire and/or serious injury.
GENERAL POWER TOOL SAFETY WARNINGS
WARNING
Read all safety warnings and all instructions.
Failure to follow the warnings and instructions may result in electric shock, fire, and/or serious injury.
Save all warnings and instructions for future reference.
The term “power tool” in the warnings refers to your mains-operated (corded) power tool or battery-operated (cordless) power tool.
1) Work area safety
a) Keep the work area clean and well-lit.
Cluttered or dark areas invite accidents.
b) Do not operate power tools in explosive atmospheres, such as in the presence of flammable liquids, gases or dust.
Power tools create sparks that may ignite dust or fumes.
c) Keep children and bystanders away while operating a power tool.
4) Distractions can cause you to lose control.
2) Electrical safety
a) Power tool plugs must match the outlet.
Never modify the plug in any way.
Do not use any adapter plugs with earthed (grounded) power tools.
Unmodified plugs and matching outlets will reduce risk of electric shock.
b) Avoid body contact with earthed or grounded surfaces, such as pipes, radiators, ranges and refrigerators.
There is an increased risk of electric shock if your body is earthed or grounded.
c) Do not expose power tools to rain or wet conditions.
Water entering a power tool will increase the risk of electric shock.
d) Do not abuse the cord. Never use the cord for carrying, pulling or unplugging the power tool. Keep cord away from heat, oil, sharp edges or moving parts.
Damaged or entangled cords increase the risk of electric shock.
e) When operating a power tool outdoors, use an extension cord suitable for outdoor use.
Use of a cord suitable for outdoor use reduces the risk of electric shock.
f) If operating a power tool in a damp location is unavoidable, use a residual current device (RCD) protected supply.
Use of an RCD reduces the risk of electric shock.
3) Personal safety
a) Stay alert, watch what you are doing and use common sense when operating a power tool.
Do not use a power tool while you are tired or under the influence of drugs, alcohol or medication.
A moment of inattention while operating power tools may result in serious personal injury.
b) Use personal protective equipment. Always wear eye protection.
Protective equipment such as dust masks, non-skid safety shoes, hard hat, or hearing protection used for appropriate conditions will reduce personal injuries.
c) Prevent unintentional starting. Ensure the switch is in the off-position before connecting to a power source and/or battery pack, picking up or carrying the tool. Carrying power tools with your finger on the switch or energizing power tools that have the switch on invites accidents.
d) Remove any adjusting key or wrench before turning the power tool on.
A wrench or a key left attached to a rotating part of the power tool may result in personal injury.
e) Do not overreach. Keep proper footing and balance at all times.
This enables better control of the power tool in unexpected situations.
f) Dress properly. Do not wear loose clothing or jewelry. Keep your hair, clothing and gloves away from moving parts.
Loose clothes, jewelry or long hair can be caught in moving parts.
g) If devices are provided for the connection of dust extraction and collection facilities, ensure these are connected and properly used.
Use of dust collection can reduce dust related hazards.
4) Power tool use and care
a) Do not force the power tool. Use the correct power tool for your application.
The correct power tool will do the job better and safer at the rate for which it was designed.
b) Do not use the power tool if the switch does not turn it on and off.
Any power tool that cannot be controlled with the switch is dangerous and must be repaired.
c) Disconnect the plug from the power source and/or the battery pack from the power tool before making any adjustments, changing accessories, or storing power tools.
Such preventive safety measures reduce the risk of starting the power tool accidentally.
d) Store idle power tools out of the reach of children and do not allow persons unfamiliar with the power tool or these instructions to operate the power tool. Power tools are dangerous in the hands of untrained users.
e) Maintain power tools. Check for misalignment or binding of moving parts, breakage of parts and any other condition that may affect the power tool’s operation.
If damaged, have the power tool repaired before use.
Many accidents are caused by poorly maintained power tools.
f) Keep cutting tools sharp and clean.
Properly maintained cutting tools with sharp cutting edges are less likely to bind and are easier to control.
g) Use the power tool, accessories and tool bits etc. in accordance with these instructions, taking into account the working conditions and the work to be performed.
Use of the power tool for operations different from those intended could result in a hazardous situation.
5) Service
a) Have your power tool serviced by a qualified repair person using only identical replacement parts. This will ensure that the safety of the power tool is maintained.
PRECAUTION
Keep children and infirm persons away. When not in use, tools should be stored out of reach of children and infirm persons.
ANGLE DRILL SAFETY WARNINGS
- Wear ear protectors with impact drills.
Exposure to noise can cause hearing loss. - Use auxiliary handles supplied with the tool.
Loss of control can cause personal injury. - Hold the drill and side handle securely with both hands when using.
- Do not wear gloves made of stuff liable to roll up such as cotton, wool, cloth or string, etc.
- Prior to drilling into walls, ceilings or floors, ensure there are no electric cables or conduits inside.
SPECIFICATIONS
| Voltage (by areas)* | (110V, 115V, 220V, 230V, 240V)% |
| Power input* | 500 W |
| No-load speed | 500 — 2300 min-1 |
| Drill chuck capacity | 10 mm |
| Capacity: Steel Wood | 10 mm 22 mm |
| Weight (without cord) | 1.5 kg |
*Be sure to check the nameplate on the product as it is subject to change by area.
STANDARD ACCESSORIES
(1) Chuck wrench …………………………………………………… 1
(2) Side handle ………………………………………………………. 1
Standard accessories are subject to change without notice.
APPLICATIONS
- Drilling holes on various metal, wood and plastics.
PRIOR TO OPERATION
- Power source
Ensure that the power source to be utilized conforms to the power requirements specified on the product nameplate. - Power switch
Ensure that the power switch is in the OFF position.
If the plug is connected to a receptacle while the power switch is in the ON position, the power tool will start operating immediately, inviting serious accidents. - Extension cord
When the work area is removed from the power source, use an extension cord of sufficient thickness and rated capacity. The extension cord should be kept as short as practicable. - Confirm the direction of bit rotation (Fig. 1) The bit rotates clockwise (viewed from the top side) by pushing the R-side of the reversing switch lever.
The L-side of the lever is pushed to turn the bit counterclockwise.
CAUTION Never change the direction of bit rotation while operating. Turn the power switch OFF before changing the direction of bit rotation; otherwise, the burning of the motor will result. - Mounting drill bits (Fig. 2)
Tighten drill bits with the chuck wrench. There are three holes in which the chuck wrench should be inserted. Tighten them equally in turn at three holes, without tightening them only at one hole. The drill bit can be removed in the opposite method as mentioned above. - How to select drill bits
(1) When drilling holes in metals or plastics: Use ordinary metalworking drill bits, applicable drill sizes range from min. 1.5 mm to drill chuck capacity.
(2) When drilling holes in wood: Use woodworking drill bits. For small holes of 6.5 mm diam. or below, use metalworking drill bits. - Fixing the side handle
Screw the side handle into the gear cover.
HOW TO USE
- Switching instruction
(1) Turning the switch on
Slide the switch lever on the main body backward as illustrated in Fig. - When you slide it backward completely, the switch gets turned on and locked in that condition.
(2) Turning the switch off
Press the round convex on the surface of the switch lever as illustrated in Fig. - Then, the lock comes off, the switch lever returns forward on the main body by the spring’s force, and the switch gets turned off.
CAUTION
Check and make sure positively that the switch is off before inserting the plug into the power outlet. Otherwise, a sudden start of the tool definitely results in an accident. - Pressing force of the drill
You can not get holes quickly even if pressing it by a strong force more than necessary.
It not only damages the tip of drill bits and decreases the efficiency of operation, but also shortens the life of the drill. - When drilling completely through the material When the drill bit bores completely through the material, careless handling often results in a broken drill bit or damage to the drill body itself due to the sudden movement of the drill. Always be alert and ready to release pushing force and hold the drill body securely with both hands when drilling through the material.
- Adjusting the drilling speed
D10YB is equipped with an electric control circuit that enables non-step speed control.
To adjust the speed, turn the dial shown in Fig. 5. When the dial is set to “1”, the drilling speed is minimum speed (500/min). When the dial is set to
“5”, the drilling speed is the maximum speed (2300/ min). Adjust the drilling speed according to the material.
NOTE
When the dial is set to “1”, there can be cases where no rotation takes place due to a power situation, etc. In this case, raise the dial slightly before use.
MAINTENANCE AND INSPECTION
- Inspecting the drill bits
Since the use of abraded drill bits will cause motor malfunctioning and degraded efficiency, replace the drill bits with a new one or resharpen without delay when abrasion is noted. - Inspecting the mounting screws
Regularly inspect all mounting screws and ensure that they are properly tightened. Should any of the screws be loose, retighten them immediately. Failure to do so could result in serious hazards. - Maintenance of the motor
The motor unit winding is the very “heart” of the power tool. Exercise due care to ensure the winding does not become damaged and/or wet with oil or water. - Inspecting the carbon brushes (Fig. 7)
The motor employs carbon brushes which are consumable parts. Since an excessively worn carbon brush can result in motor trouble, replace the carbon brushes with new ones which have the same carbon brush No. shown in the figure when they become worn to or near the “wear limit”. In addition, always keep carbon brushes clean and ensure that they slide freely within the brush holders. - Replacing carbon brushes
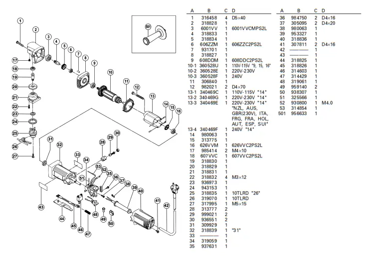
Disassemble the brush caps with a slotted-head screwdriver the carbon brushes can the be easily removed. - Service parts list
A: Item No.
B: Code No.
C: No. Used
D: Remarks
CAUTION
Repair, modification and inspection of HiKOKI Power Tools must be carried out by a HiKOKI Authorized Service Center.
This Parts List will be helpful if presented with the tool to the HiKOKI Authorized Service Center when requesting repair or other maintenance.
In the operation and maintenance of power tools, the safety regulations and standards prescribed in each country must be observed.
MODIFICATIONS
HiKOKI Power Tools are constantly being improved and modified to incorporate the latest technological advancements.
Accordingly, some parts (i.e. code numbers and/or design) may be changed without prior notice.
GUARANTEE
We guarantee HiKOKI Power Tools in accordance with statutory/country-specific regulations. This guarantee does not cover defects or damage due to misuse, abuse, or normal wear and tear. In case of a complaint, please send the Power Tool, undismantled, with the GUARANTEE CERTIFICATE found at the end of this Handling instruction, to a HiKOKI Authorized Service Center.
NOTE
Due to HiKOKI’s continuing program of research and development, the specifications herein are subject to change without prior notice.
IMPORTANT
Correct connection of the plug
The wires of the main lead are colored in accordance with the following code:
Blue: -Neutral
Brown: -Live
As the colors of the wires in the main lead of this tool may not correspond with the colored markings identifying the terminals in your plug proceed as follows: The wire colored blue must be connected to the terminal marked with the letter N or colored black. The wire colored brown must be connected to the terminal marked with the letter L or colored red. Neither core must be connected to the earth’s terminal.
NOTE
This requirement is provided according to BRITISH STANDARD 2769: 1984.
Therefore, the letter code and color code may not be applicable to other markets except The United Kingdom.
Information concerning airborne noise and vibration
The measured values were determined according to EN60745 and declared in accordance with ISO 4871. Measured A-weighted sound pressure level: 78 dB (A) Uncertainty KpA: 3 dB (A). Wear ear protection. The typical weighted root mean square acceleration value does not exceed 2.5 m/s 2 .


GUARANTEE CERTIFICATE
- Model No.
- Serial No.
- Date of Purchase
- Customer Name and Address
- Dealer Name and Address (Please stamp dealer name and address)
EC DECLARATION OF CONFORMITY
We declare under our sole responsibility that Angle Drill, identified by type and specifi cidentifi cation code *1), is in conformity with all relevant requirements of the directives *2) and standards *3). Technical fi le at *4) – See below.
The European Standard Manager at the representative o ffice in Europe is authorized to compile the technical fi le. The declaration is applicable to the product a ffiixed CE marking.
| *1) D10YB C322416R C322419M *2) 2006/42/EC, 2014/30/EU, 2011/65/EU *3) EN60745-1:2009+A11:2010 EN60745-2-1:2010 EN55014-1:2006+A1:2009+A2:2011 EN55014-2:1997+A1:2001+A2:2008 EN61000-3-2:2014 EN61000-3-3:2013 | *4) Representative o ffi ce in Europe Hikoki Power Tools Deutschland GmbH Siemensring 34, 47877 Willich, Germany Head o ce in Japan Koki Holdings Co., Ltd. Shinagawa Intercity Tower A, 15-1, Konan 2-chome, Minato-ku, Tokyo, Japan |
29. 6. 2018
Naoto Yamashiro
European Standard Manager
29. 6. 2018![]()
A. Nakagawa
Corporate Officer806
Code No. C99101574 N
Printed in Japan Koki Holdings Co .,Ltd.
Hikoki Power Tools (U.K.) Ltd.
Precedent Drive, Rooksley, Milton Keynes, MK 13, 8PJ,
United Kingdom
Tel: +44 1908 660663
Fax: +44 1908 606642
URL: http://www.hikoki-powertools.uk



















