
6-LIGHT INTEGRATED LED FLEX TRACK

IMPORTANT SAFETY INSTRUCTIONS
Read and Save:
- To reduce the chance of fire or electrical shock: Do not install non-factory wiring or any other electrical components. Altering or modifying the lamp in any way will render the lamp unsafe.
- Keep curtains, shades, wall hangings, and all other fabrics and objects away from the lamp canopy, lamp shade, and light bulb. The unit is not designed to support the additional weight. Do not hang objects from the lamp or any lamp part.
- Before starting the installation, disconnect the power by turning off the circuit breaker or removing the appropriate fuse at the fuse box. Turning off the power at the light switch is not sufficient to prevent electrical shock.
- This unit is suitable for installation in a dry, indoor location only.
- Electrical Connections: All electrical connections must be in accordance with local codes, ordinances, and the National Electric Code. If you are unfamiliar with methods of installing electrical wiring, secure the services of a qualified, licensed, electrician.
- This unit is to be mounted to a metal electrical junction box (outlet box) directly supported by the building structure.
- Tools and Materials Required: (Not Included) Flathead screwdriver, wire cutters, ladder, pliers, U.L./CSA listed electrical tape.
- This equipment has been tested and found to comply with the limits for a Class B digital device, pursuant to Part 15 of the FCC Rules. These limits are designed to provide reasonable protection against harmful interference in a residential installation. This equipment generates, uses, and can radiate radio frequency energy and, if not installed and used in accordance with the instructions, may cause harmful interference to radio communications. However, there is no guarantee that interference will not occur in a particular installation. If this equipment does cause harmful interference to radio or television reception, which can be determined by turning the equipment on and off, the user is encouraged to try to correct the interference by one or more of the following:
< Reorient or relocate the receiving antenna.
< Increase the separation between the lighting unit and receiver.
< Connect the lighting unit to an outlet on a circuit other than the outlet to which the receiver is connected.
< Consult the dealer or an experienced radio/TV technician for assistance.
NOTE: Please note that changes and modifications not expressly approved by the party responsible for compliance could void the user’s authority to operate the equipment. The party responsible name: Is lucidity Lights, Inc.
Address: 56 Roland St, Suite 300 Boston, MA 02129 USA Internet contact information: https://www.luciditylights.com This device complies with part 15 of the FCC Rules. Operation is subject to the following two
conditions: (1) This device may not cause harmful interference, and (2) this device must accept any interference received, including interference that may cause undesired operation.
LIGHT BULB REPLACEMENT
- Integrated LED bulb replacement is not required.
CLEANING AND MAINTENANCE
- Clean using a mild cleaning solution and a soft cloth.
- Never use a rough cloth or chemical cleaners containing acids, abrasives or solvents.
IMPORTANT SAFETY INSTRUCTIONS
Please read and understand this entire manual before attempting to assemble, operate or install the product.
WARNING
- All electrical connections must be in accordance with local codes and the National Electrical Code. If you are unfamiliar with methods of installing electrical wiring, secure the services of a qualified licensed electrician.
- Do not install this lighting system in a damp or wet location.
Before turning the light on, make sure the lighting system is clear of all material that could cause a direct short, and check all electrical connections to make sure they are tight. - Do not install any part of this system less than 7 ft. above the floor.
- The lighted lamp is hot! Do not install any lamps closer than 6 in. from any curtain or similar combustible material.
- Disconnect electrical power before adding to or changing the configuration of the track.
- Do not attempt to power anything other than lighting track fixtures on the track.
- Do not touch the lamp at any time. Turn off the power and allow the lamps to cool down before replacing them.
- Do not cut any track sections.
- Do not hang or drape anything from the track other than designated track components for this system.
- Ensure the ground side of the track (exposed copper wire on top of the track rail) is facing the ceiling. This system should only be assembled when the grounds are correctly aligned.
- Dimmable to 10% with select dimmers: Leviton-6674-P-LED/LFC, Leviton-IPLO6-P-LED/LFC, Lutron-TGCL-TGCL-153PH-WH, LUTRON-MACL-153MR-WH, LUTRON-SCL-153PR-WH.
CAUTION
- This track system is to be supplied by a single branch 120-volt, 60-Hertz,15-amp circuit.
- FOR USE WITH Lucidity Lights. Inc. LED TRACK SYSTEM ONLY.
- This fixture is intended to be mounted to an outlet junction box. The box must be directly supported by the building structure.
- This track system is not intended for use with a power supply cord or convenience receptacle adaptor.
- This track system is not intended to be suspended by a stem or cable.
SAVE THESE INSTRUCTIONS
Installation
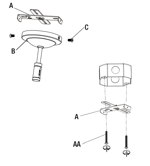
1 Installing the mounting bracket
- Carefully unpack and lay all parts on a clean, level surface.
- Unscrew the screws (C) from the power feed stem (B) and detach the preassembled mounting bracket (A).
- Attach the mounting bracket (A) to the junction box (not included) with junction box screws (AA).

2 Making the electrical connections
NOTE: Make the connections to a 120V AC 60Hz circuit.
- Connect the white wires from the fixture to the white wire of the supply circuit Connect the black wires from the fixture to the black wire of the supply circuit. Wrap the green grounding wire from the fixture around the green screw on the mounting bracket, then connect it to the grounding conductor of the supply circuit. Use U.L/C.SA. listed wire connectors (BB) suitable for the size, type, and a number of conductors. Secure the wire connectors (BB) with U.LJC.S.A. listed electrical tape (not included).
- Push wire connections into the junction box, then re-attach the power feed stem (B) to mounting bracket (A) using previously removed screws (C).

3A Installing the support stem (For drywall ceiling)
- Unscrew the preassembled bushing from the support stem nuts on the adjustable arms of the fixture assembly. Save for later use.
- Determine the desired locations of the support stems (F). Refer to page 5 for light configuration options.
NOTE: Maintain a minimum of 14 inches between each support stem; - Mark locations, screw the plastic anchors (DD) into the marked locations by using a screwdriver (not included), then secure previously removed bushings to the plastic anchors (DD) with wood screws (CC). Re-attach support stems (F) into bushings.

3B Installing the support stem (For wood ceiling)
- Mark locations, pass the wood screws (CC) through the bushings, and screw them into the marked locations by using a screwdriver (not included). Re-attach support stems (F) into bushings.

4 Installing the fixture assembly
On the power feed stem (B) and support stems (F), unthread the decorative collar (D) until it disengages from the threads and slides freely on the shaft. Unthread and remove the decorative end cap (E) from the power feed stem (B) and support stem (F). One side of the connector will swing open exposing the track contacts. 
Ensure the ground side of track rail (G) (exposed copper wire on top of the track rail) is facing the ceiling.
NOTE: The item should only be assembled when the grounds are correctly aligned. Insert the track rail (G) into the connector on the power feed stem (B) and support stems (F).

Close connectors on the power feed system (B) and support stems (F) tightly and re-attach the decorative collars (D) and the decorative end caps (E).
CAUTION: Never slide the track rail (G) within the power feed stem (B) or support stem (F) as it will scratch the track’s finish.

Unthread the decorative collar (D) on the track head assembly (H) until it disengages from the threads and slides freely on the shaft. Unthread and remove the decorative end cap (E) on the top of the connector. One side of the connector will swing open exposing the track contacts.

- Align and insert the contacts on the track head assembly (H) with the contact channel on the rail (G).
NOTE:
Make sure the “L” line contact inserts into the upper channel. The “N” line contact inserts into the lower channel and the ground tab rests on the copper ground on top of the track rail.

Close the connectors on the track head assembly (H) and re-attach the decorative collar (D) and decorative end cap (E), locking the connector closed.
NOTE: Never slide the track head assembly (H) along the track rail (G), as it will scratch the finish.

- The track light can be configured in several different ways. However, do not make any sharp bends in the track, and do not bend the track more than 90° within a 12-in. portion.
- Adjust the track heads to the desired direction.



For Customer Assistance:
www.luciditylights.com
Made In China

















