
1, 2, 3, and 4-Gas Detect


Quick Referance Guide
Limited Warranty and Limitation Liability
BW Technologies LP (BW) warrants the product to be free from defects in material and workmanship under normal use and service for a period of two years, beginning on the date of shipment to the buyer. This warranty extends only to the sale of new and unused products to the original buyer. BW’s warranty obligation is limited, at BW’s option, to refund of the purchase price, repair or replacement of a defective product that is returned to a BW authorized service center within the warranty period. In no event shall BW’s liability hereunder exceed the purchase price actually paid by the buyer for the Product. This warranty does not include:
a) fuses, disposable batteries or the routine replacement of parts due to the normal wear and tear of the product arising from use;
b) any product which in BW’s opinion, has been misused, altered, neglected or damaged, by accident or abnormal conditions of operation, handling or use;
c) any damage or defects attributable to repair of the product by any person other than an authorized dealer, or the installation of unapproved parts on the product; or
The obligations set forth in this warranty are conditional on:
a) proper storage, installation, calibration, use, maintenance and compliance with the product manual instructions and any other applicable recommendations of BW;
b) the buyer promptly notifying BW of any defect and, if required, promptly making the product available for correction. No goods shall be returned to BW until receipt by the buyer of shipping instructions from BW; and
c) the right of BW to require that the buyer provide proof of purchase such as the original invoice, bill of sale or packing slip to establish that the product is within the warranty period.
THE BUYER AGREES THAT THIS WARRANTY IS THE BUYER’S SOLE AND EXCLUSIVE REMEDY AND IS IN LIEU OF ALL OTHER WARRANTIES, EXPRESS OR IMPLIED, INCLUDING BUT NOT LIMITED TO ANY IMPLIED WARRANTY OF MERCHANTABILITY OR FITNESS FOR A PARTICULAR PURPOSE. BW SHALL NOT BE LIABLE FOR ANY SPECIAL, INDIRECT, INCIDENTAL, OR BASED ON CONTRACT, TORT OR RELIANCE OR ANY OTHER THEORY. Since some countries or states do not allow limitation of the term of an implied warranty, or exclusion or limitation of incidental or consequential damages, the limitations and exclusions of this warranty may not apply to every buyer. If any provision of this warranty is held invalid or unenforceable by a court of competent jurisdiction, such holding will not affect the validity or enforceability of any other provision.
Contacting BW Technologies by Honeywell
USA: 1-888-749-8878
Canada: 1-800-663-4164
Europe: +44(0) 1295 700300
Other countries: +1-403-248-9226
Email us at: [email protected]
Visit BW Technologies by Honeywell’s website at: www.gasmonitors.com
Introduction
The Quick Reference Guide provides basic information to operate the GasAlertMaxXT II gas detector. For complete operating instructions, refer to the GasAlertMaxXT II Technical Reference Guide provided on the CD-ROM. The GasAlertMaxXT II gas detector (“the detector”) is designed to warn of hazardous gas levels above user-defined alarm setpoints.
The detector is a personal safety device. It is your responsibility to respond properly to the alarm.
Note
The detector is shipped with English as the default displayed language. Additional languages provided are French, German, Spanish, and Portuguese. The screens for the additional languages are displayed on the detector and in the corresponding operator’s manual.
Zeroing the Sensors
To zero the sensors, refer to steps #1-3 in Calibration on page 9.
Safety Information – Read First
Use the detector only as specified in this operator’s manual and the technical reference guide, otherwise the protection provided by the detector may be impaired.
Read the following Cautions before using the detector.
Cautions
- Warning: Substitution of components may impair Intrinsic Safety.
- Caution: For safety reasons, this equipment must be operated and serviced by qualified personnel only. Read and understand the technical reference guide completely before operating or servicing.
- Charge the detector before first-time use. BW recommends the detector be charged after every workday.
- Calibrate the detector before first-time use and then on a regular schedule, depending on use and sensor exposure to poisons and contaminants. The sensors must be calibrated regularly and at least once every 180 days (6 months).
Quick Reference Guide
Calibrate only in a safe area that is free of hazardous gas in an atmosphere of 20.9 % oxygen.
- The combustible sensor is factory calibrated to 50% LEL methane. If monitoring a different combustible gas in the % LEL range, calibrate the sensor using the appropriate gas.
- Only the combustible gas detection portion of this instrument has been assessed for performance by CSA International.
- Protect the combustible sensor from exposure to lead compounds, silicones, and chlorinated hydrocarbons. Although certain organic vapors (such as leaded gasoline and halogenated hydrocarbons) may temporarily inhibit sensor performance, in most cases the sensor will recover after calibration.
- BW recommends that the combustible sensor be checked with a known concentration of calibration gas after any exposure to contaminants/poisons such as sulfur compounds, silicon vapors, halogenated compounds, etc.
- BW recommends to bump test the sensors before each day’s use to confirm their ability to respond to gas by exposing the detector to a gas concentration that exceeds the alarm setpoints. Manually verify that the audible and visual alarms are activated. Calibrate if the readings are not within the specified limits.
- Caution: High off-scale LEL readings may indicate an explosive concentration.
- Any rapid up scaling reading followed by a declining or erratic reading may indicate a gas concentration beyond upper scale limit, which can be hazardous.
- For use only in potentially explosive atmospheres where oxygen concentrations do not exceed 20.9% (v/v).
- Extended exposure of the GasAlertMax XT II to certain concentrations of combustible gases and air may stress the detector element that can seriously affect its performance. If an alarm occurs due to a high concentration of combustible gases, recalibration should be performed, or if needed, the sensor replaced.
- The BW pump (XT-RPUMP-K1) is certified for use with the GasAlertMax XT II only.
- Warning: The lithium battery (MX-BAT01) may present a risk of fire or chemical burn hazard if misused. Do not disassemble, heat above 212°F (100°C), or incinerate.
- Warning: Do not use any other lithium batteries with the GasAlertMax XT II detector. Use of any other cell can cause fire and/or explosion. To order and replace the MX-BAT01 lithium battery, contact BW Technologies by Honeywell.
- Warning: Lithium polymer cells exposed to heat at 266°F (130°C) for 10 minutes can cause fire and/or explosion.
- Dispose of used lithium cells immediately. Do not disassemble and do not dispose of in fire. Do not mix with the solid waste stream. Spent batteries must be disposed of by a qualified recycler or hazardous materials handler.
- Keep lithium cells away from children.
- Calibrations and bump tests can be performed using a 0.5 l/min. regulator or a demand flow regulator. If the demand flow regulator is used, it must meet the following maximum inlet pressure specifications:
- Disposable cylinders 0-3000 psig/70 bar · Refillable cylinders 0-3000 psig/70 bar
- Products may contain materials that are regulated for transportation under domestic and international dangerous goods regulations. Return product in compliance with appropriate dangerous goods regulations. Contact freight carrier for further instructions.
Parts of the GasAlertMaxXT II

| Item | Description | Item | Description |
| 1 | Visual alarm indicators (LEDs) | 6 | Charging connector and IR interface |
| 2 | Pump quick connector | 7 | Diffusion cover locking screw (1) |
| 3 | Pump filter and moisture filter | 8 | Diffusion cover |
| 4 | Pushbutton | 9 | Audible alarm |
| 5 | Alligator clip | 10 | Liquid crystal display (LCD) |
Display Elements

| Item | Description | Item | Description |
| 1 | Alarm condition | 6 | Heartbeat indicator |
| 2 | Automatically zero sensor | 7 | Gas type identifiers |
| 3 | Numeric values | 8 | Gas cylinder |
| 4 | Battery life indicator | 9 | Automatically span sensor |
| 5 | Pump indicator |
| Pushbutton | Description |
|
Calibration and Bump Test Installation
Gas Cylinder Guidelines
- To ensure accurate calibration, use a premium-grade calibration gas. Use gases approved by the National Institute of Standards and Technology.
- If a certified calibration is required, contact BW Technologies by Honeywell.
- Do not use a gas cylinder that is past its expiration date.
Gas Cylinder Connection
- Verify the calibration gas being used matches the span concentration value(s) that are set for the detector.
- Connect the calibration hose to a 0.5 I/min requiator or demand flow regulator on the gas cylinder.
- Begin the calibration procedures.
- When
AUTO-SPANdisplays, attach the hose – quick connector to the pump quick connector. - When calibration is complete, turn off the – gas, and disconnect the hose from the detector and the demand flow regulator.
- Ensure the gas cylinder is stored according to manufacturer’s specifications.

Calibration
Caution
Calibrate only in a safe area that is free of hazardous gas in an atmosphere of 20.9 % oxygen. Do not calibrate the detector during or immediately after charging is complete.
Note
The maximum hose length for calibration is 3 ft. (1 m).
![]() | 1. Press and hold |
![]() | 2. The detector activates again and performs the CAL countdown. Continue to hold |
![]() | 3. AUTO-SPAN flashes while the detector zeroes all of the sensors.If a sensor fails to auto zero, it cannot be spanned. When auto zero is complete, the LCD displays APPLY GAS. |
![]() | 4. Refer to Calibration and Bump Test Installation (page 6). Attach the 0.5 l/min. regulator or the demand flow regulator and apply gas. Note The diffusion cover must be attached to the detector to calibrate. AUTO-SPAN flashes while the detector completes the span. |
![]() | 5. The LCD displays CAL DUE. Next, a screen displays showing the number of days remaining before calibration is due for each sensor. Last, the LCD displays (e.g.) CAL DUE 180 d. As some sensors require more frequent calibrations, the LCD displays the earliest calibration that must be performed. Note Calibration can be aborted at any time. To abort calibration, press C. The CAL ABORTED screen displays. |
Alarms
Refer to the following table for information about alarms and corresponding screens.
| Screen | Alarm | Screen | Alarm |
![]() | Low Alarm • Slow siren • Slow alternating flash • ALARM and target gas bar flash• Vibrator alarm activates | ![]() | TWA Alarm • Fast siren • Fast alternating flash • ALARM and target gas bar flash• Vibrator alarm activates |
![]() | High Alarm • Fast siren • Fast alternating flash • ALARM and target gas bar flash• Vibrator alarm activates | ![]() | STEL Alarm • Fast siren • Fast alternating flash • ALARM and target gas bar flash• Vibrator alarm activates |
![]() | Multi-Gas Alarm • Alternating low and high alarm siren and flash • ALARM and target gas bars flash• Vibrator alarm activates | ![]() | Over Limit (OL) Alarm • Fast siren • Fast alternating flash • ALARM and target gas bar flash• Vibrator alarm activates |
Note
If the Low Alarm Acknowledge option is enabled in Fleet Manager II, the low alarm can be acknowledged and the audible alarm deactivated by pressing
. If the alarm escalates to a high, STEL, TWA, or multi-gas alarm, the audible alarm reactivates.
| Screen | Alarm | Screen | Alarm |
![]() | Sensor Alarm • ERR displays | ![]() | Automatic Deactivation Alarm • Sequence of 10 rapid sirens and alternating flashes with 1 second of silence in between (reactivates seven times) • ALARM flashes and the vibrator alarm activates• TURNING OFF displays before the detector deactivates |
![]() | Low Battery Alarm • Sequence of 10 rapid sirens and alternating flashes with 7 seconds of silence in between (continues for 10 minutes) • ALARM flashes• LOW BATTERY displays and the vibrator alarm activates • After 10 minutes, a sequence of 10 rapid sirens and alternating flashes with 1 second of silence in between (reactivates seven times) • TURNING OFF displays before the detector deactivates | ![]() | Pump Alarm • Two beeps and two flashes • ALARM flashes• HIGH displays • The vibrator alarm activates |
Note:
If enabled, during an alarm condition the Latched Alarms option causes the low and high gas alarms (audible, visual, and vibrator) to persist until the alarm is acknowledged (by pressing
) and the gas concentration is below the alarm setpoint. The LCD continues to display the high peak concentration until the alarm condition no longer exists. Enable/disable Latching Alarms in Fleet Manager II. Local regulations may
require the Latching Alarms option be enabled.
The detector, IR Link adapter, and Fleet Manager II software are required to define options. Refer to the GasAlertMax XT II Technical Reference Guide and Fleet Manager II Operator’s Manual. For user and sensor options, refer to the following:
Device Configuration
- Startup Message Top Line: Enter a line of text to display on the LCD during startup (maximum 25 characters).
- Startup Message Bottom Line: Enter a line of text to display on the LCD during startup (maximum 25 characters).
- Lockout on Self-Test Error (sensor alarm lock): If a sensor fails during startup and the Lockout on Self-Test option is enabled, Safety Lock On displays on the LCD and the detector deactivates.
- Safe Mode: If enabled, SAFE displays continuously on the LCD unless an alarm condition occurs.
- Confidence Beep: If enabled, the confidence beep provides continuous confirmation that the detector is operating correctly. To define how often the detector beeps (every 1-120 seconds), enter the value in the Confidence Interval field. Confidence beep is automatically disabled during a low battery alarm.
- Latching Alarms: Enable to ensure an alarm persists until the alarm is acknowledged and the gas concentrations are below the alarm setpoint. The audible alarm can be temporarily deactivated for 30 seconds by pressing
, but the LCD continues to display the high peak concentration until the alarm condition no longer exists. - Force Calibration: If enabled, the detector must be calibrated if a sensor is overdue upon startup. User defined (0365 days) in the Calibration Interval field.
- Cal IR Lock (must use IR device to calibrate): If enabled, the detector automatically auto zeros, but the sensors must be spanned using the IR Link or MicroDock II station with Fleet Manager II.
- Force Bump: If enabled, a bump test must be performed to ensure the sensor(s) are responding correctly to the test gas. User defined (0-365 days) in the Bump Interval field.
- Location Logging: If enabled, a series of numbers (1-999) can be entered on the detector to identify gas wells, plants, and other areas that identify the location where the detector is being used.
- Force Block Test: If enabled, a pump block test must be performed during the startup tests.
- Datalog Interval (seconds): Define how often the detector records a sample (every 1-120 seconds).
- Confidence Interval (seconds): Define how often the detector beeps (1-120 seconds) when the Confidence Beep option is enabled.
- Language: The LCD displays the screens in English, Français (French), Deutsch (German), Español (Spanish), or Português (Portuguese). Select the language from the drop-down menu in Fleet Manager II.
Sensor Configuration (H2S, CO, LEL, and O2)
- Sensor Disabled: Enables/disables the selected sensor.
- Calibration Gas (ppm): Define the span gas concentration for each sensor. The span gas concentration must match the span value on the gas cylinder.
- Calibration Interval (days): Define the number of days (0365) when the next calibration is due.
- Bump Interval (days): Define the number of days (0-365) when the next bump test is due. · Low Alarm (ppm): Define the low alarm setpoint for each sensor.
- High Alarm (ppm): Define the high alarm setpoint for each sensor.
- TWA Alarm (ppm): Define the time-weighted average (TWA) alarm setpoint (toxic sensors only).
- STEL Alarm (ppm): Define the short-term exposure limit (STEL) alarm setpoint (toxic sensors only).
- STEL Interval (minutes): Define the short-term exposure limit (STEL) from 5-15 minutes (toxic sensors only).
- TWA Period (hours) (TWA moving average (hours): The TWA Period option is used to define a time-weighted moving average of accumulated gases over a period of 4-16 hours, to ensure the worker leaves the area when the defined maximum average is accumulated.
- Correction Factor (%): Enter the compensation factors for hydrocarbons other than methane. The factor can only be applied if the LEL sensor has been calibrated with methane (LEL only).
- 50% LEL = (%CH4): Enter a percentage value to display the LEL reading as %vol., assuming a methane environment (LEL only).
- Auto-Zero on Startup: Enable/disable the detector to automatically zero the sensor(s) during startup (H2S, CO, LEL, and O2).
- LEL by Volume CH4: If enabled, the detector operates assuming a methane (CH4) calibration. Enable to read and display %CH4 values. Disable to read and display %LEL values.
- 5% LEL Over-span: If enabled, the detector automatically over-spans the LEL sensor by 5% LEL above the span gas concentrations to ensure the detector is in compliance with CAN/CSA C22.2 No. 152.
- 20.8% Base Reading: When enabled, the detector is configured to detect 20.8% O2 as ambient air. When disabled, the detector is configured to detect 20.9% O2 as ambient air.
- Low Alarm Acknowledge: If enabled, the audible alarm can be temporarily disabled during a low alarm by pressing
. The vibrator, alarm LEDs, and LCD remain operational (toxic and LEL only).
Maintenance
To maintain the detector in good operating condition, perform the following basic maintenance as required.
- Calibrate, bump test, and inspect the detector on a regular schedule.
- Maintain an operations log of all maintenance, bump tests, calibrations, and alarm events.
- Clean the exterior with a soft damp cloth. Do not use solvents, soaps, or polishes.
- Do not immerse the detector in liquids.
Charging the Detector
Warning
Charge only in a safe area that is free of hazardous gas within temperatures of 32°F-113°F (0°C-45°C).
Charge the battery after each workday. To charge the battery, refer to the following procedures and illustration:
- Deactivate the detector.
- Insert the charging adapter plug into an AC outlet.
- Connect the charging adapter to the detector IR receptacle. Refer to the following illustration.
- Allow the battery to charge for 6 hours.
- To reach full battery capacity, allow a new battery to fully charge and discharge three times.

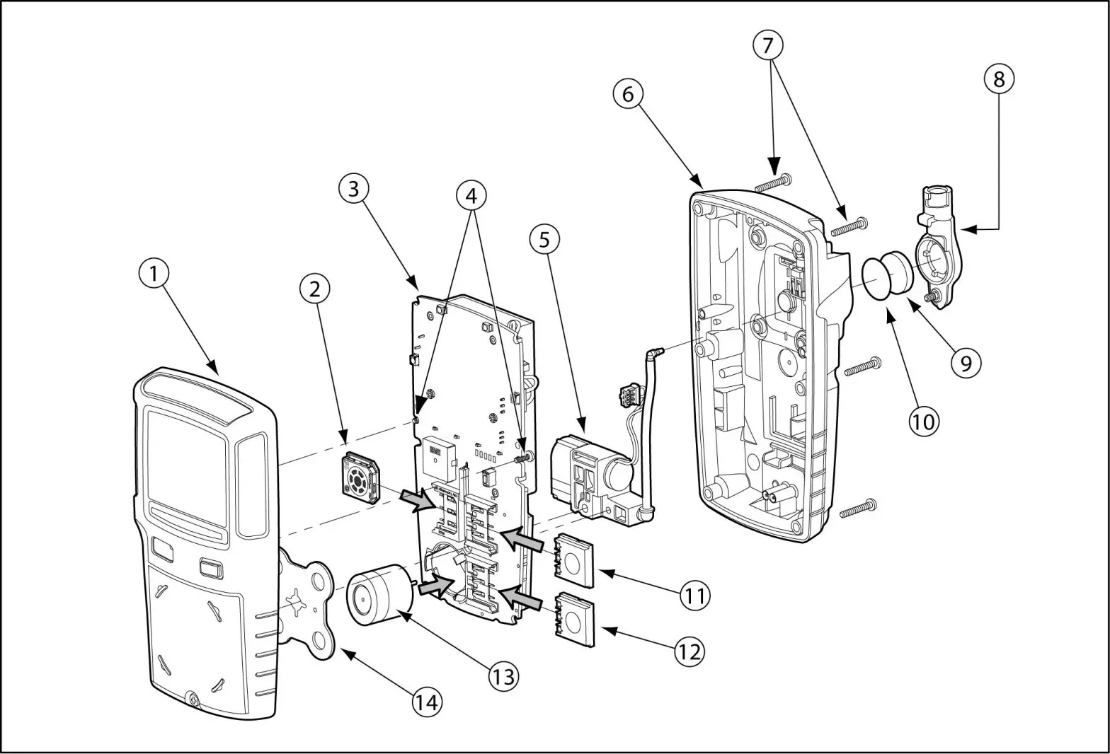
Replacing a Sensor or Sensor Filter
Warning
To avoid personal injury and/or property damage, only use sensors that are specifically designed for the detector.
Note
Detectors that are configured for 1, 2, or 3 gases may contain a dummy sensor in one of the four sensor locations.
To replace a sensor or sensor filter, refer to the following figure, table and procedures #1-13.
| Item | Description | Item | Description |
| 1 | Front shell | 8 | Pump inlet |
| 2 | LEL sensor | 9 | Pump filter (particulate) |
| 3 | PCB | 10 | Moisture filter |
| 4 | PCB screws (2) | 11 | CO sensor |
| 5 | Pump | 12 | H2S sensor |
| 6 | Rear shell | 13 | O2 sensor |
| 7 | Machine screws (6) | 14 | Sensor filter |
- Deactivate the detector.
- Remove the pump inlet screw and the pump inlet.
- Remove the six machine screws from the rear shell.
- Because the pump hose is connected to the rear shell and front shell pump, carefully remove the rear shell by lifting upward and tilting to the left. Both the rear and front shell are laying flat side by side.

- Remove the two PCB screws.
- Lift the PCB upward and tilt to the left. Lay the PCB (sensors facing up) onto the rear shell.
- Slide the LEL, CO, and H2S sensor(s) outward to remove. To remove the oxygen sensor, gently insert a screwdriver to the back of the oxygen sensor to push out the sensor.

- Insert the new sensor(s) and replace the sensor filter.
- Reassemble the detector and replace the two PCB screws.
- Replace the six machine screws.
- If required, replace the pump and moisture filter.
- Replace the pump inlet and the pump inlet screw.
- Activate the detector and then calibrate the new sensor(s). Refer to Calibration.
Specifications
Instrument dimensions: 13.1 x 7.0 x 5.2 cm (5.1 x 2.8 x 2.0 in.)
Weight: 328 g (11.6 oz.)
Operating temperature: -20°C1 to +50°C (-4°F to +122°F)
Storage temperature: -40°C1 to +60°C (-40°F to +140°F)
Operating humidity: 10% to 100% relative humidity (non-condensing)
Dust and moisture ingress: IP66/IP67
Alarm setpoints: May vary by region and are user-defined
Detection range:
H2S: 0 – 200 ppm (1 ppm increments)
CO: 0 – 1000 ppm (1 ppm increments)
O2: 0 – 30.0% vol. (0.1% vol. increments)
Combustible (LEL): 0 – 100% (1% LEL increments) or 0-4.4% v./v CH4
- Standard release data. This product has extended characteristics. For specifications refer to EAC Ex certificate and Pattern Approval document.
Sensor type:
H2S, CO, O2: Single plug-in electrochemical cell Combustibles: Plug-in catalytic bead
O2 measuring principle: Capillary controlled concentration sensor
Alarm conditions: TWA alarm, STEL alarm, low alarm, high alarm, multi-gas alarm, over limit (OL) alarm, low battery alarm, confidence beep, automatic deactivation alarm, and pump alarm
Audible alarm: 95 dB+ at 30 cm variable pulsed beeper with full battery charge
Visual alarm: Red light-emitting diodes (LEDs)
Display: Alphanumeric liquid crystal display (LCD)
Backlight: Activates upon startup and when the pushbutton is pressed; deactivates after 10 seconds. Also activates during an alarm condition and remains lit until alarm ceases
Self-test: Initiated at activation and tests continuously
Calibration: Automatic zero and automatic span
User field options: Startup message, lockout on self-test error, safe mode, confidence beep, latching alarms, force calibration, cal IR lock, force bump, location logging, force block test, set datalog interval, set confidence interval, language selection
Sensor options: Sensor enable/disable, set span calibration values, set calibration interval, set bump interval, set alarm setpoints, set STEL interval, set TWA period, auto zero at startup enable/disable, 5% over span, low alarm acknowledge, oxygen measurement, and combustible gas measurement
Battery operating time: One rechargeable lithium polymer: 13 hours (typical)
Year of manufacture: The detector’s year of manufacture is determined from the serial number. The second and third num-ber after the second letter determines the year of manufacture.
E.g., MA 110-000001 = 2010 year of manufacture
Approved batteries:
North America Approved batteries for GasAlertMax XT II product: Lithium-ion polymer battery as per standards EN50020, UL913, C22.2 No. 157
Rechargeable battery: Lithium polymer
(MX-BAT01): -20°C Ta +50°C
Temperature code: T4
Battery charger: charging adapter
First-time charge: 6 hours
Normal charge: 6 hours
Warranty: 2 years including sensors
Approvals:
Approved by CSA to both U.S. and Canadian Standards CAN/CSA C22.2 No. 157 and C22.2 152
ANS/UL – 913 and ANSI/ISA – S12.13 Part 1
CSA: Class I, Division 1, Group A, B, C, and D
ATEX: CE 0539 g II 1 G Ex da ia IIC T4 Ga KEMA 08 ATEX 0001 EN 60079-0, EN 60079-1, EN 60079-11
IECEx: Ex da ia IIC T4 Ga CSA 07.0012 IEC 60079-0, IEC 60079-1, IEC 60079-11
INMETRO: Ex ia IIC T4 Ga DNV 12.0135
KTL: 12-KB4BO-0054a
IP: IP66/IP67
a.http://www.honeywellanalytics.com/~/media/honeywell-analytics/products/gasalertmax-xt-ii/documents/certifications/koreanexcertificate_bw_gamaxxtii_12kb4bo0054.pdf?la=en
This equipment has been tested and found to comply with the limits for a Class B digital device, pursuant to Part 15 of the FCC Rules and ICES-003 Canadian EMI requirements. These limits are designed to provide reasonable protection against harmful interference in a residential installation. This equipment generates, uses and can radiate radio frequency energy and, if not installed and used in accordance with the instructions, may cause harmful interference to radio communications. However, there is no guarantee that interference will not occur in a particular installation. If this equipment does cause harmful interference to radio or television reception, which can be determined by turning the equipment off and on, the user is encouraged to try to correct the interference by one or more of the following measures:
- Reorient or relocate the receiving antenna.
- Increase the separation between the equipment and receiver.
- Connect the equipment into an outlet on a circuit different from that to which the receiver is connected.
- Consult the dealer or an experienced radio/TV technician for help.
Wear yellow. Work safe.
129535-L3_EN_C1
®BW Technologies 2016. All rights reserved.





































