
Operator’s Manual
Original Operating Instructions
Two-Man
Earth Auger Powerhead
9800 Series
Includes Models:
Get parts online at www.getearthquake.com
P/N: 30052
ECN:11786
REV1: 10/17/2017
© 2017 Ardisam, Inc.
All Rights Reserved
Todos los derechos reservados![]()
INTRODUCTION
Thank you for purchasing an Earthquake™ in Auger Powerhead. We have worked to ensure that this powerhead meets the highest standards for usability and durability. With proper care, this powerhead will provide many years of service.
Please read this entire manual before installation and use. Earthquake reserves the right to change, alter or improve the product and this document at any time without prior notice.
REGISTRATION AND SERVICE
Record the model number and serial number in the space provided for easy reference when ordering parts or requesting technical support. Excluding emissions-related warranty items, the warranty is valid only if the completed registration is received by Ardisam within 30 days of purchase (See warranty sheet with the product for more information). You can register your warranty online by visiting www.getaarthquake.com and clicking on the “Warranty Registration tab. You may also call our Customer Service Department at 800) 345-6007 Monday through Friday from 8 a.m. to 5 p.m. CST. 
OWNERSHIP RECORDS
Model Number:…………………
Date of Purchase:…………..
Serial Number:…………..
Location of Purchase:…………………..
Notes:………………………
This manual may contain information for several models. Read and keep this manual for future reference. This manual contains important information on safety, assembly, operation, and maintenance. The owner must be certain that all the product information is included with the unit. This information includes the Owner’s Manual, Engine Manual, Parts Manual, and all Warranty information. This information must be included to make sure state laws and other laws are followed. All persons to whom rent/ loan this unit must have access to and understand this information. This manual should remain with the product even if it is resold.
WARNINGS AND SAFETY PRECAUTIONS
OPERATOR’S RESPONSIBILITY
Accurate assembly and safe and effective use of the unit is the operator’s responsibility.
- Read and follow all safety instructions.
- Carefully follow all assembly instructions.
- Maintain the unit according to directions and schedule included in this operator’s manual.
- Ensure that anyone who uses the unit is familiar with all controls and safety precautions.
SPECIAL SAFETY MESSAGES
Your manual contains special messages to bring attention to potential safety concerns, unit damage as well as helpful operating and servicing information. Please read all the
information carefully to avoid injury and unit damage.
NOTE: General information is given throughout the manual that may help the operator in the operation or service of the unit.
THIS SYMBOL POINTS OUT IMPORTANT SAFETY INSTRUCTIONS WHICH, IF NOT FOLLOWED, COULD ENDANGER YOUR PERSONAL SAFETY. READ AND FOLLOW ALL INSTRUCTIONS IN THIS MANUAL BEFORE ATTEMPTING TO OPERATE THIS EQUIPMENT.
BEFORE OPERATING
Please read this section carefully. Read the entire operating and maintenance instructions for this product. Failure to follow instructions could result in damage to personal property, serious injury or death. Operate the unit according to the safety instructions outlined here and inserted throughout the text. Anyone who uses this unit must read the instructions and be familiar with the controls.
INTENDED USE/FORESEEABLE MISUSE
IMPORTANT: This is a motorized earth auger powerhead that drills into soil. It is pedestrian-controlled with a gasoline-fueled internal combustion engine to power the auger blades. It shall not be used for any other purpose.
NOTICE
NOTICE INDICATES YOUR EQUIPMENT CAN BE DAMAGED IF THE SAFETY INSTRUCTIONS THAT FOLLOW THIS SIGNAL WORD ARE NOT OBEYED.
CAUTION
CAUTION INDICATES A HAZARD, WHICH IF NOT AVOIDED, COULD RESULT IN PERSONAL INJURY AND/OR PROPERTY DAMAGE.
WARNING
WARNING INDICATES A HAZARD THAT, IF NOT AVOIDED, COULD RESULT IN DEATH OR SERIOUS INJURY AND/OR PROPERTY DAMAGE.
DANGER
DANGER INDICATES A HAZARD THAT, IF NOT AVOIDED, WILL CERTAINLY RESULT IN DEATH OR SERIOUS INJURY AND/OR PROPERTY DAMAGE.
IMPORTANT
IMPORTANT INDICATES HELPFUL INFORMATION FOR PROPER ASSEMBLY, OPERATION, OR MAINTENANCE OF YOUR EQUIPMENT.
WARNING
CALIFORNIA PROPOSITION 65 WARNING ENGINE EXHAUST FROM THIS PRODUCT CONTAINS CHEMICALS KNOWN TO THE STATE OF CALIFORNIA TO CAUSE CANCER, BIRTH DEFECTS, OR OTHER REPRODUCTIVE HARM.
WARNING
YOU MUST READ, UNDERSTAND AND COMPLY WITH ALL SAFETY AND OPERATING INSTRUCTIONS IN THIS MANUAL BEFORE ATTEMPTING TO SET UP AND OPERATE YOUR UNIT.
FAILURE TO COMPLY WITH ALL SAFETY AND OPERATING INSTRUCTIONS CAN RESULT IN LOSS OF UNIT CONTROL, SERIOUS PERSONAL INJURY TO YOU AND/ OR BYSTANDERS, AND RISK OF EQUIPMENT AND PROPERTY DAMAGE. THE TRIANGLE IN THE TEXT SIGNIFIES IMPORTANT CAUTIONS OR WARNINGS WHICH MUST BE FOLLOWED.
GENERAL SAFETY RULES
- Read, understand, and follow all instructions on the unit and in the manual(s). Be thoroughly familiar with the controls and the proper use of the unit before starting.
- Use this equipment for its intended purpose only.
- Familiarize yourself with all of the safety and operating decals on this equipment and on any of its attachments or accessories.
- DO NOT put hands or feet near or under rotating parts.
- Only allow responsible individuals who are familiar with the instructions to operate the unit. DO NOT allow children to operate this unit. DO NOT allow adults to operate the unit without proper instruction.
- Thoroughly inspect the area where the unit is to be used and remove all foreign objects. Your equipment can propel small objects at high speed causing personal injury or property damage. Stay away from breakable objects, such as house windows, automobiles, greenhouses, etc.
- Wear appropriate clothing such as a long-sleeved shirt or jacket. Also wear long trousers or slacks. DO NOT wear shorts. NEVER wear sandals, open shoes or sneakers, and NEVER operate the unit with bare feet.
- DO NOT wear loose clothing or jewelry. They can get caught in moving parts. Always keep hands, feet, hair and lose clothing away from any moving parts on the engine and unit.
- Always wear safety goggles or safety glasses with side shields when operating the unit to protect your eyes from foreign objects which can be thrown from the unit.
- Always wear hearing protection. The engine produces loud noise that can damage hearing.
- Prolonged exposure to noise and vibration from gasoline engine-powered equipment should be avoided. Take intermittent breaks and/or wear ear protection from engine noise as well as heavy work gloves to reduce vibration in the hands.
- Always wear work gloves and sturdy footwear. Wear footwear that will improve footing on slippery surfaces. Leatherwork shoes or short boots work well for most people. These will protect the operator’s ankles and shins from small sticks, splinters, and other debris.
- It is advisable to wear protective headgear to prevent the possibility of being struck by small flying particles, or being struck by low-hanging branches, twigs, or other objects which may be unnoticed by the operator.
- DO NOT operate the unit without proper guards or other safety protective devices in place.
- See manufacturer’s instructions for proper operation and installation of accessories.
- Only use accessories approved by the manufacturer.
- Operate only in daylight or good artificial light.
- DO NOT operate product when fatigued or under the influence of alcohol, drugs or other medication which can cause drowsiness or affect your ability to operate this nit safely.
- NEVER operate the unit in wet grass. Always be sure of your footing; keep a firm hold on the handle and walk. NEVER run with the unit.
- Watch for traffic when operating ear, or when crossing roads.
- If the equipment should start to vibrate abnormally, stop the engine (motor), disconnect the spark plug wire and prevent it from touching the spark plug. Check immediately for the cause. Vibration is generally a warning of trouble. If the noise or vibrations of the unit increase, stop immediately and perform an inspection.
- NEVER leave the unit unattended when the engine is running.
- Regularly inspect the unit. Make sure parts are not bent, damaged, or loose. Keep all screws, nuts, and bolts tight.
- DO NOT transport the unit from one place to another with the engine running.
- When moving the packaged unit, always do so with a partner.
- Check local regulations for age restrictions on the use of this unit.
PRODUCT-SPECIFIC SAFETY RULES
- This product is intended for use by two operators only. NEVER attempt to use a powerhead with only one operator as serious injury may occur.
- The auger should not rotate when the engine is idling. If it does rotate when the engine is idling, contact Earthquake Customer Service for instructions.
- After striking an object or if an object becomes lodged in the auger, turn the engine off, remove the wire from the spark plug, and secure, allow it to cool before attempting to remove the foreign object.
- The earth blade is very sharp. Use extreme caution when drilling a hole or replacing the blade.
- DO NOT mechanically extract the auger from the hole.
ENGINE SAFETY PRECAUTIONS
If your product comes with a separate engine manual, be sure to read and follow all safety and warning precautions outlined there, in addition to any in this manual.
PREVENTING CARBON MONOXIDE POISONING
- Always start and run the engine outdoors. DO NOT start or run an engine in an enclosed area, even if doors or windows are open
- NEVER try to ventilate engine exhaust indoors. Carbon monoxide can reach dangerous levels very quickly.
- NEVER run an engine outdoors, in a location, where exhaust fumes may be pulled into a building.
- NEVER run the engine outdoors in a poorly ventilated area where the exhaust fumes may be trapped and not easily
taken away. (Examples include: in a large hole or areas where hills surround your working area.) - NEVER run the engine in an enclosed or partially enclosed area. (Examples include buildings that are enclosed on one or more sides, under tents, carports, or basements.
- Always run the engine with the exhaust and muffler pointed in the direction away from the operator.
- Always run the unit with exhaust pointed away from the operator and NEVER point the exhaust muffler towards bystanders. Bystanders, other than the operator, should always be many feet away from the operation of the engine and its attachments.
- DO NOT change the engine governor settings or over-speed the engine.
GASOLINE FIRES AND HANDLING FUEL SAFELY
Use extra care in handling gasoline and other fuels. They are flammable and vapors are explosive.
- When storing extra fuel be sure that it is in an appropriate container and away from any fire hazards.
- Prevent fire and explosion caused by static electric discharge. Use only nonmetal, portable fuel containers approved by the Underwriter’s Laboratory (U.L.) or the American
Society for Testing & Materials (ASTM). - NEVER remove the fuel cap or add fuel with the engine running. Stop engine and allow to cool before filling.
- NEVER drain fuel from the engine in an enclosed area.
- Always fill the fuel tank outside in a well-ventilated area. NEVER fill your fuel tank with fuel indoors. (Examples include: basement, garage, barn, shed, house, orch, etc.) NEVER fill tank near appliances with pilot lights, heaters, or other ignition sources. If the fuel has to be drained, this should be done outdoors. The drained fuel should be stored in a container specifically designed for fuel storage or it should be disposed of carefully.
- Always wipe up excess (spilled) fuel from the engine before starting. Clean up spilled fuel immediately. If fuel is spilled, DO NOT start the engine but move product and fuel container from the area. Clean up spilled fuel and allow it to evaporate and dry after wiping and before starting.
- Allow fuel fumes/vapors to escape from the area before starting the engine.
- Test the fuel cap for proper installation before starting and using an engine.
- Always run the engine with a fuel cap properly installed on the engine.
- NEVER smoke while refilling the engine fuel tank.
- DO NOT store the engine with fuel in fuel tank indoors. Fuel and fuel vapors are highly explosive.
- Handle fuel with care; it is highly flammable. a. Use an approved fuel container.
DANGER
ENGINES GIVE OFF CARBON MONOXIDE – AN ODORLESS, COLORLESS, POISON GAS. CARBON MONOXIDE MAY BE PRESENT EVEN IF YOU DO NOT SMELL OR SEE ANY ENGINE EXHAUST. BREATHING CARBON MONOXIDE CAN CAUSE NAUSEA, FAINTING, OR DEATH, IN ADDITION TO DROWSINESS, DIZZINESS, AND CONFUSION.
IF YOU EXPERIENCE ANY OF THESE SYMPTOMS, SEEK FRESH AIR, AND MEDICAL ATTENTION IMMEDIATELY.
WARNING
NEVER ALTER OR MODIFY THE ENGINE FROM THE FACTORY. SERIOUS INJURY OR DEATH MAY OCCUR IF ENGINE IS MODIFIED OR ALTERED. WHEN WORKING ON OR REPLACING PARTS FOR THE ENGINE OR PRODUCT, YOU MUST ALWAYS FLIP THE ON/OFF SWITCH TO THE OFF POSITION.
b. NEVER add fuel to a running engine or hot engine.
c. Fill fuel tank outdoors with extreme care. NEVER fill the fuel tank indoors.
d. Replace gasoline cap securely and clean up spilled fuel before restarting.
PREPARATION
- Dress appropriately when operating the earth auger powerhead. Always wear sturdyfootwear. NEVER wear sandals, sneakers or open shoes, and NEVER operate the auger with bare feet. DO NOT wear loose clothing that might get caught in moving parts.
- Carefully inspect the area to be drilled and remove all for- eign objects.
- DO NOT drill above underground water lines, gas lines, electric cables, or pipes.
CHILDREN AND BYSTANDERS
Tragic accidents can occur if the operator is not alert to the presence of children and/or bystanders. NEVER assume that others will remain where you last saw them.
- Keep the area of operation clear of all persons, especially small children and pets. Keep children under the watchful care of a responsible adult.
- Be alert and turn the unit off if children enter the area.
- Before and while moving backward, look behind and down for small children.
- NEVER allow children to operate the unit.
OPERATION PRECAUTIONS
- DO NOT operate earth auger powerhead under the influence of alcohol or drugs.
- NEVER operate earth auger powerhead without guards, covers, and hoods in place.
- Keep hands, feet, and clothing away from rotating parts.
- Keep clear of earth auger blade at all times.
- The earth auger blade rotates when the powerhead is engaged; the earth auger blade rotates when the throttle control lever is pulled up. Releasing the throttle control lever to neutral stops the earth auger blade.
- Use extreme caution when operating on or crossing gravel drives, walks, or roads. Stay alert for hidden hazards or traffic.
- After striking a foreign object, stop the engine, remove the wire from the spark plug, thoroughly inspect the earth auger and powerhead for any damage, and repair the damage before restarting and operating the earth auger powerhead.
- If vegetation clogs the earth auger blade, stop the engine and disconnect the spark plug wire before removing vegetation by hand.
- If the unit should start to vibrate abnormally, stop the engine and check immediately for the cause. Vibration is generally a warning of trouble.
- DO NOT run engine indoors; exhaust fumes are deadly.
- DO NOT overload the unit capacity by attempting to drill too deep at too fast of a rate.
- NEVER operate the earth auger powerhead without good visibility or light.
- Take all possible precautions when leaving the unit unattended. Disengage throttle control, stop the engine, wait for all moving parts to stop, and make certain guards and shields are in place.
- When leaving the operating position for any reason: – shut off the engine. – wait for all moving parts to stop.
MAINTENANCE AND STORAGE PRECAUTIONS
- Keep unit, attachments, and accessories in safe working condition.
- Check shear bolts, engine mounting bolts, and other bolts at frequent intervals for proper tightness to be sure the equipment is in safe working condition.
- To prevent accidental starting, always disconnect and secure the spark plug wire from the spark plug before performing powerhead maintenance.
- Always allow the muffler to cool before filling the fuel tank.
- NEVER store equipment with gasoline in the tank inside a closed building where fumes may reach an open flame or spark.
- Allow the engine to cool before storing in any building.
- Always refer to the Operator’s Manual for important details if the powerhead is to be stored for an extended period.
BURNS AND FIRES
PREVENTION OF BURNS AND FIRES
- NEVER remove the muffler guard from the engine.
- NEVER touch the muffler guard because it is extremely hot and will cause severe burns.
- NEVER touch parts of the engine that become hot after operation.
- Always keep materials and debris away from muffler guards and other hot parts of the engine to avoid fires.
CAUTION
THE MUFFLER, MUFFLER GUARD, AND OTHER PARTS OF THE ENGINE BECOME EXTREMELY HOT DURING THE OPERATION OF THE ENGINE. THESE PARTS REMAIN EXTREMELY HOT AFTER THE ENGINE HAS STOPPED.
THE TEMPERATURE OF THE MUFFLER AND NEARBY AREAS MAY EXCEED 150° F (65° C). ALLOW MUFFLER AND ENGINE AREAS TO COOL BEFORE TOUCHING.
HOT GASES ARE A NORMAL BY-PRODUCT OF A FUNCTIONING CATALYTIC CONVERTER. FOLLOW ALL SAFETY INSTRUCTIONS TO PREVENT BURNS AND FIRES.
AUGER SAFETY RULES
- Carry unit by handlebars only, NOT by the auger.
- Keep all body extremities, loose clothing, and foreign objects clear of rotating auger.
- Be sure the auger is securely attached to the powerhead during use.
- This auger is not designed to be utilized as an anchoring device.
SERVICE
- Always stop the engine whenever you leave the equipment, before cleaning, repairing, or inspecting the unit. The engine should be turned off and cool. NEVER make adjustments or repairs with the engine (motor) running. Flip the ON/OFF switch to the OFF position to prevent accidental starting.
- Always wear eye protection when you make adjustments or repairs.
- Keep all nuts and bolts tight and keep equipment in good condition.
- NEVER tamper with safety devices. Check their proper operation regularly.
- When servicing or repairing the unit, DO NOT tip the unit over or up unless specifically instructed to do so in this manual.
- Service and repair procedures can be done with the unit in an upright position. Some procedures will be easier if the unit is lifted on a raised platform or working surface.
- To reduce fire hazards, keep the unit free of grass, leaves, or another debris build-up. Clean up oil or fuel spillage. Allow unit to cool before storing.
- Stop and inspect the equipment if you strike an object. Repair if necessary, before restarting.
- Clean and replace safety and instruction decals as necessary
- Inspect unit before storage. When not in use, flip the ON/OFF switch to the OFF position and store it indoors in a dry place locked or otherwise inaccessible to children.
- Use only original equipment parts from Earthquake, including all nuts and bolts.
SAFETY DECALS
This unit has been designed and manufactured to provide you with the safety and reliability you would expect from an industry leader in outdoor power equipment manufacturing. Reading this manual and the safety instructions it contains will provide you with the necessary basic knowledge to operate this equipment safely and effectively. e have placed a safety decal on the powerhead to remind you of some of this important information while you are operating the unit. These important safety decals are shown here to help familiarize you with the location and content of the safety messages you will see as you perform normal drilling operations. Please review these decals now, and if you have any questions regarding its meaning or how to comply with these instructions, reread the complete safety instruction text in this manual
SAFETY OR HAZARD SYMBOLS
![]() | Fire Hazard |
![]() | 50:1 Wear Hearing and Eye Protection |
![]() | Shock Hazard |
![]() | Hot Surfaces |
![]() | Toxic Fumes |
![]() | Moving Parts |
![]() | Read Manual before the operation |
![]() | Hot! DO NOT Touch! |
OPERATIONAL CONTROL SYMBOLS
![]() | Slow |
![]() | Fast |
![]() | Fuel |
![]() | Oil |
![]() | Choke |
| ON/OFF | |
![]() | Fuel Shutoff |
UNPACKING AND ASSEMBLY
UNPACK POWERHEAD
1. Carefully lift the powerhead out of the box and remove any packing material.
TOOLS REQUIRED
• (2) 9/16 inch wrenches
• (2) 1/2 inch wrenches
ASSEMBLY
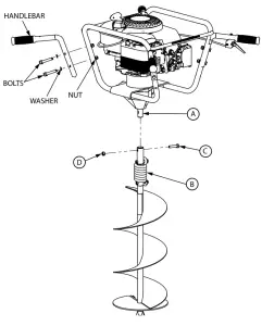
- Using (2) 1/2 inch wrenches, secure handlebar onto frame with (2) 5/16-18 x 1-1/2 inch bolts, (2) 5/16 inch washers and (2) 5/16 inch nuts.
- Repeat Step 1 for all four handlebars.
- Insert the output shaft of the transmission (A) in the open end of the Flex Coil ShockTop (B).
- Line up the bolt holes through the Flex Coil ShockTop and the output shaft of the transmission.
- Place the 3/8-16 x 1-1/2 inch bolt (C) through the bolt hole. (This part is included with the auger bit)
- Hand-thread the 3/8-16 locknut (D) on the bolt.
- Using (2) 9/16 inch wrenches, securely tighten the nut and bolt.

OPERATION
PRE-START CHECKLIST
- Read and understand the operator’s manual that came with your unit and the Engine Manual that came with the engine.
- Fill oil sump or check oil level. Check oil level often during engine break-in.
- Fill fuel tank. Use 87+ octane unleaded gasoline.
- Be sure spark plug wire is attached to spark plug
PREPARING ENGINE FOR STARTING
TO CHECK THE OIL:
- Check the engine oil level with the engine stopped and in a level position.
- Remove the oil filler cap/dipstick and wipe it clean.
- (On the Briggs & Stratton and Kohler Engine) insert the oil filler cap/dipstick in the oil filler neck and retighten. (On the Honda Engine) insert the oil filler cap/dipstick into the oil filler neck but do not screw it in.
- Remove the dipstick to check the oil level.
- If the oil level is near or below the lower limit mark on the dipstick, fill with the recommended oil to the upper limit mark. DO NOT overfill.
FUEL RECOMMENDATIONS
• Use clean, fresh, regular 87+ octane unleaded gasoline.
• This engine is certified to operate on unleaded gasoline. Unleaded gasoline products produce fewer engine and spark plug deposits and extend exhaust system life.
• NEVER use stale or contaminated gasoline or an oil/gasoline mixture. Avoid getting dirt or water in the fuel tank.
• Occasionally, you may hear a light “spark knock” or “pinging” (metallic rapping noise) while operating under heavy loads. This is no cause for concern.
• If “spark knock” or “pinging” occurs at a steady engine speed, under a normal load, change gasoline brands. If “spark knock” or “pinging” persists, contact Earthquake
Customer Service.
• Gasoline with up to 10% Ethanol (Gasohol) is acceptable, but not recommended without fuel stabilizer added.
• DO NOT use unapproved gasoline such as E15 and E85.
NOTICE
NEVER MIX OIL WITH GASOLINE IN A FOUR-CYCLE ENGINE.
FILLING FUEL TANK
- Shut off the engine and allow the engine to completely cool before refilling the fuel tank.
- Move to a well-ventilated area, outdoors, away from flames and sparks.
- Clean debris from the area around the fuel cap.
- Loosen the fuel cap slowly. Place the cap on a clean, dry surface.
- Carefully add fuel without spilling.
- DO NOT fill the fuel tank completely full, allow space for the fuel to expand.
- Immediately replace the fuel cap and tighten. Wipe off spilled fuel and allow it to dry before starting the engine.
TO START ENGINE
- Check the engine oil level.
- Make sure engine drive controls, if equipped, are disengaged.
- (For Briggs & Stratton and Honda Engine) open fuel shut-off valve.
- Flip the ON/OFF switch to the ON position.
- (For Briggs & Stratton and Honda Engine) move to choke lever to CHOKE position.
NOTE: DO NOT use the choke to restart a warm engine after a short shut down. - Grasp the starter handles and pull the rope out, slowly, until it pulls slightly harder. Then pull the rope with a rapid full arm stroke. Let rope return to start slowly.
- (For Briggs & Stratton and Honda Engine) when the engine fires or starts running, gradually move the choke lever back to the RUN position.
NOTE: (FOR KOHLER ENGINE) This engine is equipped with an auto-choke and is auto-priming. - If an engine fails to start after performing the starting procedures, contact our Customer Service Department at 800-345-6007.
WARNING
DO NOT REFUEL WHILE SMOKING, NEAR OPEN FLAME, OR OTHER POTENTIAL HAZARDS.
FUEL IS HIGHLY FLAMMABLE AND MUST BE HANDLED WITH CARE. NEVER FILL THE FUEL TANK WHEN THE ENGINE IS HOT OR RUNNING.
DO NOT STORE THE ENGINE INDOORS WITH FUEL IN THE TANK. FUEL AND FUEL VAPORS ARE HIGHLY FLAMMABLE.
NEVER MIX FUEL AND OIL DIRECTLY IN ENGINEFUEL TANK. USE ONLY NONMETAL, PORTABLE FUEL CONTAINERS APPROVED BY THE UNDERWRITER’S LABORATORY (U.L.) OR THE AMERICAN SOCIETY FOR TESTING & MATERIALS (ASTM).
WARNING
AN ADULT MUST ALWAYS HANDLE AND FILL THE ENGINE WITH FUEL. ALWAYS HANDLE GAS IN A WELL-VENTILATED AREA, OUTDOORS, AWAY FROM FLAMES OR SPARKS.
IMPORTANT
READ ENGINE MANUAL AND FOLLOW INSTRUCTIONS FOR FUEL TYPE, STARTING, ETC.
THE CLUTCH WILL TRANSFER MAXIMUM POWER AFTER ABOUT TWO HOURS OF NORMAL OPERATION. DURING THIS BREAK-IN PERIOD CLUTCH SLIPPAGE MAY OCCUR. THE CLUTCH SHOULD BE KEPT FREE OF OIL OR OTHER MOISTURE FOR EFFICIENT OPERATION.
THE EARTH AUGER UNIT SHOULD BE OPERATED FOR NO MORE THAN 20 DEGREES IN ANY DIRECTION DURING CONTINUOUS USE, AND LIMITED TO 30 DEGREES INTERMITTENTLY. THIS IS RECOMMENDED FOR ADEQUATE LUBRICATION AND FUEL DELIVERY.
WHEN DIGGING IN HEAVY SOIL, LIFT THE EARTH AUGER UNIT OUT OF THE HOLE EVERY ONE FOOT OF DEPTH.
DO NOT USE EARTH AUGER IN ICE. DRILL HOLES WITHOUT PLACING EXCESSIVE BODY WEIGHT ON THE UNIT. THE AUGER OPERATES MOST
EFFICIENTLY WITH A SHAVING ACTION CAUSED BY THE WEIGHT OF THE UNIT ITSELF.
CAUTION
MAKE SURE THE UNIT IS IN A STABLE POSITION BEFORE PULLING THE STARTER HANDLE. WHEN THE UNIT STARTS TO FIRE OR RUN, RELEASE THE THROTTLE CONTROL MOMENTARILY WITH ONE HAND AND RETURN YOUR OTHER HAND TO THE HANDLEBAR POSITION TO MAINTAIN CONTROL AND STABILITY OF THE UNIT WITH BOTH HANDS.
WARNING
DO NOT START THE ENGINE IF FUEL IS SPILLED. WIPE OFF EXCESS FUEL AND ALLOW TO DRY. REMOVE ENGINE FROM AREA TO AVOID SPARKS.
NEVER RUN ENGINE INDOORS. EXHAUST FUMES ARE DEADLY.
WARNING
DO NOT START THE ENGINE IF FUEL IS SPILLED. WIPE OFF EXCESS FUEL AND ALLOW TO DRY. REMOVE ENGINE FROM AREA TO AVOID SPARKS.
NEVER RUN ENGINE INDOORS. EXHAUST FUMES ARE DEADLY.
DO NOT ATTEMPT TO START THE ENGINE IN THE FOLLOWING WAYS:
- DO NOT USE STARTING FLUID
- DO NOT SPRAY FLAMMABLE LIQUIDS OR VAPORSINTO AIR CLEANER, CARBURETOR, OR SPARK PLUG CHAMBER.
- DO NOT REMOVE THE SPARK PLUG AND ATTEMPT TO START THE ENGINE. FLAMMABLE FUEL CAN SPRAY OUT AND IGNITE FROM A SPARK FROM A SPARK PLUG.
WARNING
IF AUGER IS MOUNTED TO THE ENGINE, ALL SAFETY GUARDS MUST BE SECURELY ON TO AVOID SERIOUS INJURY.
NEVER LEAVE THE ENGINE RUNNING WHILE UNATTENDED. TURN OFF AFTER EVERY USE.
TO STOP ENGINE
1. Flip the ON/OFF switch to the OFF position.
2. (For Briggs & Stratton and Honda Engine) close fuel shut-off valve.
MAINTENANCE AND STORAGE
STEPS FOR WORKING ON EQUIPMENT
1. Turn the engine switch to the OFF position.
2. Disconnect the spark plug wire from the spark plug.
3. Securely place the disconnected spark plug wire away from the spark plug and any metal parts. This must always be done or arcing may occur between spark plug wire and metal parts.
4. Replace or repair the part on the powerhead.
5. Check all parts that were repaired, or removed during repair, that is secure and fit correctly.
NOTE: All repair parts must come from the manufacturer. NEVER replace parts that are not specifically designed for the powerhead.
6. Reconnect the spark plug wire.
POWERHEAD MAINTENANCE
- Keep all screws, nuts, and bolts tight.
- If auger performance decreases, carefully inspect the cutter edge of the blade for any signs of wear. If the blades show any of these signs, they need to be replaced.
- Always allow the muffler to cool before filling the fuel tank.
- DO NOT fill the fuel tank indoors or when the engine is running or is hot.
ENGINE MAINTENANCE
Please read your engine manual, included with the unit, and observe its recommendations to extend the life of your engine. Your engine manual provides detailed information about your engine and a maintenance schedule.
TRANSPORTING YOUR UNIT
- NEVER transport powerhead inside an enclosed space or vehicle. Fuel or fuel vapors may ignite causing serious injury or death.
- If fuel is present in the fuel tank, transport it in an open vehicle in an upright position.
- If an enclosed vehicle must be used, remove fuel in an approved red fuel container.
- Run the engine to use up the fuel in the carburetor and fuel tank. Always run the engine in a well-ventilated area.
- Wipe away any spilled fuel from the powerhead and earth auger. Allow drying prior to transport.
- When transporting your powerhead, make sure you position the unit according to the “This Side Up When Not In Use” decal.

WARNING
TO PREVENT ACCIDENTAL STARTING:
ENGINE MUST BE TURNED OFF AND COOL, AND SPARK PLUG WIRE MUST BE REMOVED FROM SPARK PLUG BEFORE CHECKING AND ADJUSTING ENGINE OR EQUIPMENT.
CHECK AUGER OFTEN FOR LOOSE NUTS AND BOLTS. KEEP THESE ITEMS TIGHTENED.
NEVER STORE AN ENGINE WITH FUEL IN THE TANK INSIDE A BUILDING. POTENTIAL SPARKS MAY BE PRESENT FOR THE IGNITION OF FUEL AND FUEL VAPORS.
AN ADULT MUST ALWAYS DO MAINTENANCE AND REPAIR ON THE ENGINE AND AUGER.
DANGER
DO NOT SIPHON FUEL BY MOUTH. GASOLINE IS TOXIC AND CAN CAUSE SERIOUS PERSONAL INJURY. NEVER STORE A POWERHEAD WITH FUEL IN THE FUEL TANK INSIDE AN ENCLOSED AREA OR BUILDING. FUEL VAPORS CAN COLLECT AND CAUSE A FIRE.
LONG-TERM STORAGE
If your powerhead will not be used for more than one month, prepare it for long-term storage.
STEPS FOR LONG-TERM STORAGE
- Mix an appropriate amount of fuel stabilizer to fresh gasoline in the ratio recommended on the stabilizer packaging. Run the engine for five minutes to distribute the stabilizer mixture throughout the fuel system. This will prevent gum, varnish, and corrosion build-up in your fuel system during long-term storage for up to 12 months.
- Change oil according to the engine manual.
- Remove the spark plug, pour one (1) fl-oz of clean engine oil into the spark plug hole. Cover the hole with a rag. Pull the starter handle slowly several times to distribute oil. Install spark plug. DO NOT CONNECT SPARK PLUG WIRE.
- Remove auger from the powerhead and apply a thin layer of grease to the output shaft of the transmission.
- Clean the entire powerhead and earth auger(s).
- Store powerhead in a storage position in a clean, dry building that is inaccessible to children.
- For cold weather operations, store the unit in a cool environment. Transferring the unit from a cold to a warm place can cause the build-up of harmful condensation.
TROUBLESHOOTING AND REPAIR
At Earthquake, we build quality and durability into the design of our products; but no amount of careful design by us, and careful maintenance by you, can guarantee a repair-free life for your Earthquake powerhead. Most repairs will be minor and easily fixed by following the suggestions in the troubleshooting guide in this section.
The guide will help you pinpoint the causes of common problems and identify remedies.
For more complicated repairs, you may want to rely on an authorized service center or Earthquake. The earthquake will make the necessary repairs if a service center is not available.
ORDERING REPLACEMENT PARTS
Parts can be obtained from an authorized service dealer or direct from the manufacturer. To order parts visit; www.getearthquake.com or call 1-800-345-6007. For other general questions, you can e-mail us at: [email protected]. In case of a service problem, do not send the unit back to the retailer. Contact Earthquake Customer Service at 8 00-345-6007. Please include the following information with your order:
1. Part numbers
2. Part description
3. Quantity
4. Model number and serial number
5. For Warranty, please make sure you have either:
a. A registered unit within its warranty period.
b. A copy of your purchase receipt along with the model number and serial number.
Note: Failure to have either of these may result in denial of the claim.
SPARE PARTS
Only use approved Earthquake service parts.
TROUBLESHOOTING GUIDE
| PROBLEM | POSSIBLE CAUSE | REMEDY/ACTION |
| The engine will not start | 1. Ignition switch off | 1. Flip switch to ON position |
| 2. Spark plug wire disconnected | 2. Connect spark plug wire to spark plug | |
| 3. Out of fuel | 3. Refuel | |
| 4. Spark plug wet, faulty, or improperly gapped | 4. Clean, replace or gap spark plug | |
| 5. Stale fuel | 5. Drain old fuel and replace it with fresh. Use fuel stabilizer at end of the season or during long term storage | |
| Engine runs rough, floods during operation | 1. Dirty air filter | 1. Clean or replace the air filter |
| 2. Carburetor out of adjustment | 2. Contact your engine manufacturer (Kohler, Briggs & Stratton, Honda) | |
| The engine is hard to start | 1. Stale fuel | 1. Drain old fuel and replace it with fresh fuel. Use fuel stabilizer at end of the season or during long term storage |
| 2. Spark plug wire lose | 2. Make sure spark wire is securely attached to spark plug | |
| 3. Dirty carburetor | 3. Clean carburetor, use fuel stabilizer, new gas can | |
| Engine misses or lacks power | 1. Clogged fuel filter | 1. Clean fuel tank, replace the fuel filter |
| 2. Clogged air filter | 2. Clean or replace the air filter | |
| 3. Carburetor out of adjustment or bad | 3. Contact your engine manufacturer (Kohler, Briggs & Stratton, Honda) | |
| 4. Spark plug wet, faulty or improperly gapped | 4. Clean, replace or gap spark plug | |
| Engine runs, then quits | 1. Clogged fuel filter | 1. Clean fuel tank, replace the fuel filter |
| 2. Carburetor out of adjustment or bad | 2. Contact your engine manufacturer (Kohler, Briggs & Stratton, Honda) | |
| The engine revs too high | 1. Carburetor out of adjustment or bad | 1. Contact your engine manufacturer (Kohler, Briggs & Stratton, Honda) |
| Auger turn at idle | 1. Idle speed too high | 1. Adjust idle speed lower |
| 2. Broken clutch spring | 2. Replace clutch | |
| Auger turns but has no power | 1. Carburetor out of adjustment or bad | 1. Contact your engine manufacturer (Kohler, Briggs & Stratton, Honda) |
| 2. Broken transmission | 2. Replace transmission | |
| 3. Worn clutch shoes | 3. Replace clutch | |
| Auger jumps | 1. Blade damaged | 1. Replace with a new blade |
| Auger cuts slowly | 1. Dull blade | 1. Replace with a new blade |
| 2. Damaged fishtail point | 2. Replace fishtail point | |
| 3. Blade installed upside down | 3. Install blade right side up (bevel side down) |

Note: Please refer to your Engine Manual for any additional engine issues.
Kohler | www.KohlerEngines.com | (800) 544-2444
Briggs & Stratton | www.BriggsandStratton | (800) 444-7774
Honda | www.engines.Honda.com | (800) 242-2289
Earthquake™, Division of Ardisam, Inc.
1160 8th Avenue, PO Box 666
Cumberland, WI 54829
800-345-6007 | Fax 715-822-2223
E-mail: [email protected]
All weights, specifications, and features are approximate and are subject to change without notice. Due to continuous product improvements, product images may not be exact. Items used for props are not included. Some assembly may be required.
Check for parts online at www.getearthquake.com or call 800-345-6007 M-F 8-5
































