
T4 and T1 PRO Wiring Diagrams
WIRING DIAGRAMS
1 Stage Heat Only: Gas or Oil Furnace

- COMMON OPTIONAL.
- G USED FOR INDEPENDENT FAN CONTROL ONLY. MOST HEAT ONLY, GAS OR OIL FORCED AIR SYSTEMS DO NOT USE A FAN (G) WIRE. M36915
1 Stage Cool Only

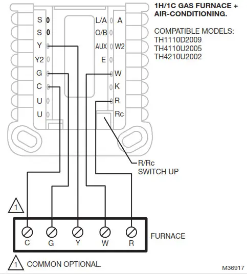
H/1C: Gas Furnace


2Transformer System, 1H/1C: Oil Furnace

2Transformer System, Hot Water Heat with Air-Conditioning (or Hot Water Coil)

Hot Water Boiler, Heat Only

Hot Water Heat with Power Open Zone Valve
COMMON OPTIONAL TO THERMOSTAT.
Hot Water Heat with Power Open/Power Closed, Series 20 Zone Valve.
M38662
- COMMON OPTIONAL TO THERMOSTAT.THE
- THE THERMOSTAT MUST BE CONFIGURED FOR RADIANT HEAT WITH 0 COOL STAGES.
1H/1C: Heat Pump without Aux Heat
M36922
- COMMON OPTIONAL.
- L CONNECTION (HEAT PUMP FAULT) IS NOT AVAILABLE ON T1 AND T4 MODELS. THE TH6210U2001 CAN BE USED IF A FAULT INDICATION ON THE THERMOSTAT IS NEEDED.
- SOME HEAT PUMPS USE B RATHER THAN O FOR REVERSING THE VALVE.
- DO NOT CONNECT ANY WIRE TO W FOR HEAT PUMP APPLICATIONS! THIS CAN CAUSE HEAT TO RUN CONTINUOUSLY.
2H/1C: Heat Pump with Electric Aux Heat
M36923
- COMMON OPTIONAL.
- L CONNECTION (HEATPUMP FAULT) NOT AVAILABLE ON TH4210U2002 MODEL. THE TH6210U2001 CAN BE USED IF A FAULT INDICATION ON THE THERMOSTAT IS NEEDED.
- SOME HEAT PUMPS USE B RATHER THAN O FOR REVERSING THE VALVE.
- DIFFERENT HEAT PUMP MODELS LABEL THE AUXILIARY HEAT TERMINAL DIFFERENTLY THAN SHOWN. CONSULT HEAT PUMP WIRING GUIDE.
- IF AUX HEAT LOCKOUT ON HIGH OUTDOOR TEMPERATURE IS REQUIRED, USE TH6220U2000 THERMOSTAT AND C7089U1006 OUTDOOR SENSOR. THE TH4210U2002 CANNOT DO THIS.
- MOST HEAT PUMPS SHARE THE SAME SET OF HEAT STRIPS FOR AUX AND EM HEAT. IN THOSE CASES E ISN’T USED. IF YOU HAVE SEPARATE HEAT SOURCES FOR THE AUX AND EM HEAT, THE TH4210U2002 CANNOT BE SET TO DO THIS. THE TH6320U2008 MODEL CAN BE CONFIGURED FOR SEPARATE AUX AND E. IF THIS IS DONE, WIRE ONE SET OF STRIPS
TO E TO BE ENERGIZED IN EM HEAT AND A DIFFERENT SET OF STRIPS
TO AUX TO BE ENERGIZED IN AUX HEAT. - DO NOT CONNECT ANY WIRE TO W FOR HEAT PUMP APPLICATIONS! THIS CAN CAUSE HEAT TO RUN CONTINUOUSLY.
T4 AND T1 PRO WIRING DIAGRAMS

www.resideo.com
Resideo Technologies, Inc.
1985 Douglas Drive North, Golden Valley, MN 55422
1-800-468-1502
33-00325—02 M.S. Rev. 07-21 | Printed in the United States
© 2021 Resideo Technologies, Inc. All rights reserved.
The Honeywell Home trademark is used under license from Honeywell International, Inc. This product is manufactured by Resideo Technologies, Inc. and its affiliates.



















