Honeywell Home THP9045A1023 Wiring Module Installation Guide
APPLICATION
The THP9045 Wiring Module is designed to be used with applicable thermostats in which a 24V common is required and there are not enough wires. The K terminal on the thermostat can be used to operate both the fan and compressor on a single wire, and the module is designed to receive the signal from the K terminal, split that signal and re-route it to operate the compressor, and/or fan for normal operation.
Use with the following thermostats:
- THX9321R
- THX9321R5000
- THX9321R1008
- TH8320UP1003
- T5060F7088
FEATURES
- Can be used when a common wire is required.
- Mounts easily on or near HVAC equipment.
INSTALLATION
- The THP9045 Wiring Module can be equipment- or wall-mounted in any orientation or as dictated by the surroundings.
- Precise leveling of the THP9045 module is not required.
- Identify the four wires in the wall and connect to the R, C, W, and K terminals on the thermostat.
- Wire the K terminal on the thermostat to the K terminal on the THP9045 module.
- Wire the R and C terminals on the thermostat to the R (power) and C (common) terminals on the THP9045 module and equipment
- Wire the W terminal from the thermostat to the W (heat relay) terminal on the HVAC equipment.
- Wire the Y and G terminals on the Module to the Y (Compressor Relay) and G (Fan Relay) terminals on the HVAC equipment.
TERMINALS
- (R) 24V
- (C) 24V Common
- (Y) Cooling relay
- (G) Fan relay
- (K) Communication

Fig. 1. Example wiring diagram for 1H/1C conventional application

Fig. 2. Example wiring diagram for a 2H/1C conventional application.

Fig. 3. Example wiring diagram for a 2H/2C conventional application.

Fig. 4. Example wiring diagram for a 1H/1C system with 2 transformers.

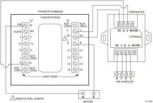
Fig. 5. Example wiring diagram for a 2H/1C heat pump application.

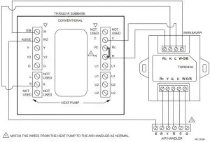
Fig. 6. Example wiring diagram for a 3H/2C heat pump application.
Resideo Technologies, Inc.
1985 Douglas Drive North, Golden Valley, MN 55422
1-800-468-1502
69-2065EFS—09 M.S. Rev. 05-20 | Printed in United States
© 2020 Resideo Technologies, Inc. All rights reserved.
The Honeywell Home trademark is used under license from Honeywell International, Inc. This product is manufactured by Resideo Technologies, Inc. and its affiliates.



















