Honeywell THM5421R1021 Equipment Interface Module Installation Guide

Equipment Interface Module works with:
- Prestige IAQ
- VisionPRO 8000 with RedLINK®
- Wireless FocusPRO with RedLINK (not pictured below)

1 Install thermostat

Prestige/VisionPRO with RedLINK: Mount the thermostat and wire to C and R terminals of the Equipment Interface Module (EIM), or to a separate 24 volt transformer (not provided).
NOTE: When the VisionPRO with RedLINK thermostat is used with the EIM, the relays in the thermostat do not function.
SETUPNOTE: RedLINK FocusPRO are battery powered and do not have R and C terminals..
2 Install equipment interface module
Use screws & anchors as appropriate for the mounting surface. Mount the EIM near the HVAC equipment, or on the equipment itself.
M34048ANOTE: If you install more than one thermostat and EIM, the EIMs must be at least 2 feet apart.
NOTE: If you are installing discharge and return air sensors, refer to the mounting instructions in the Alerts and Delta T Diagnostics Installation Instructions packed with the Prestige IAQ kit.NOTE: RedLINK FocusPRO should use a return sensor to S1 only. Do not wire a supply sensor.
If an EIM is mounted inside a metal cabinet, it is recommended to use a THM4000R1000 Wireless Adapter for extended wireless range. Mount the Wireless Adapter outside the metal cabinet and connect to the ABCD terminals at the EIM.

3 Power optional RedLINK accessories
3.1 Install batteries in RedLINK accessories.
- Portable Comfort Control
- Wireless Outdoor Sensor
- Wireless Indoor Sensor (Prestige & RedLINK VisionPRO only)
- Wireless Entry/Exit Remote
- Wireless Vent and Filter Boost Remote
3.2 Connect gateway to internet and connect to power.
3.2a Connect RedLINK Internet Gateway to router or modem with Ethernet cable (RJ45).
3.2b Connect gateway’s power cord to an electrical outlet that is not controlled by a wall switch.

4 Performing initial setup
Initial setup options define the type of system you are installing: *
- Residential or commercial (Prestige & RedLINK VisionPRO only)
- Non-zoned or zoned
4.1Follow prompts on the screen to select appropriate options.

4.2 Link the thermostat to the equipment interface module.
4.2a Press and quickly release the CONNECT button on the EIM. Make sure the “Connected” light is flashing green.
* RedLINK FocusPRO shows numbers on the display during setup. Follow install guide included with that thermostat.

NOTE: If the “Connected” light does NOT flash green, another system may be in the listening mode. Please exit the listening mode at the other system and then try again.
- Green Flashing: In Listening Mode – system is ready to add RedLINK devices.
- Green Steady: RedLINK devices are communicating.
- Red: RedLINK device(s) are NOT communicating. Check EIM and RedLINK devices.
4.2bWhile the “Connected” light is flashing green on the EIM, press NEXT on the thermostat. After a short delay, the screen will show the thermostat is connected.

4.3When you see the prompt Do you have RedLINK accessories to connect? Touch YES or NO. *
- If you select YES, you will be prompted to Press Connect on all new accessories. Continue to Step 4.4.
- If you select NO, continue to Step 4.5.

4.4Connect each RedLINK accessory.NOTE: Make sure accessories are at least 2 feet away from the EIM during the linking process.
4.4aWhile the Add Device screen is displayed (listening mode), press and quickly release the CONNECT button on each new RedLINK accessory.NOTE: The Prestige or RedLINK VisionPRO display will instruct you to press connect on the accessory while in listening mode.
* RedLINK FocusPRO display will say “wireless setup” in display when it is ready to connect to the EIM and accessories during the initial setup.
4.4bAfter a short delay (up to 20 seconds), check the thermostat to confirm the connection of each RedLINK accessory.
4.4c Touch DONE at the thermostat after all new RedLINK accessories are connected.NOTE: The thermostat stays in listening mode for 15 minutes from when it was connected to the EIM or RedLINK Zone Panel. The timer is reset every time a new accessory was added. When done adding RedLINK accessories press DONE on the thermostat display
4.5 Finish the initial setup.
Finish the setup by selecting the desired options. Touch DONE after you select the last option you want to change.
For RedLINK FocusPRO, these settings are in numbers rather than text, so you will need to use the Installation instructions included with the thermostat.
The thermostat now displays its Home screen and the thermostat setup is complete.
RedLINK FocusPRO Home screen not shown in this file.
EIM wiring guide — conventional systems
Typical wiring of a conventional system with up to 3-stage heat and 2-stage cool with one transformer. (RedLINK FocusPRO up to two-stage heat and two-stage cool.)

- See guides on following pages for thermostat wiring and geothermal radiant heat wiring.
- Wire a maximum of 4 sensors using the S1-S4 terminals. S1-S4 terminals can be connected to an indoor sensor, outdoor sensor, discharge sensor, return sensor, dry contact device to display an alert or an occupancy sensor for remote setback. RedLINK FocusPRO should only use the return sensor to any of the four sets of S terminals.
- Remove jumper(s) if using separate transformers.
- See Economizer wiring section.
- Connect wireless adapter to ABCD for extended wireless range.
NOTE: See following pages for additional thermostat wiring guidelines for heat pumps, geothermal systems and optional Economizer.
EIM wiring guide — heat pump systems
Typical wiring of a heat pump system with up to four-stage heat and two-stage cool with one transformer. (RedLINK FocusPRO up to three-stage heat and two-stage cool.)

- See guides on following pages for thermostat wiring and geothermal radiant heat wiring.
- Wire a maximum of 4 sensors using the S1-S4 terminals. S1-S4 terminals can be connected to an indoor sensor, outdoor sensor, discharge sensor, return sensor, dry contact device to display an alert or an occupancy sensor for remote setback. RedLINK FocusPRO should only use the return sensor to any of the four sets of S terminals.
- L/A terminal sends continuous output when thermostat is set to EM HEAT mode, except when set up for Economizer or TOD. See Economizer wiring section. (Only Prestige and RedLINK
- VisionPRO can be set for Economizer or TOD.)
- Connect wireless adapter to ABCD for extended wireless range.
EIM wiring guide — geothermal radiant heat
(Prestige and RedLINK VisionPRO models only.)
Typical wiring for geothermal radiant heat, geothermal forced-air, and backup heat with one transformer.

- U1, U2 or U3 terminals must be used for geothermal radiant heat. Thermostat allows 2 stages of radiant heat—geothermal (stage 1) and boiler (stage 2).
- “U” terminals are normally open dry contacts when set up for geothermal radiant heat. You must install a field jumper if radiant heat is powered by system transformer. Do NOT install a field jumper if radiant heat has its own transformer.
- L/A terminal sends continuous output when thermostat is set to EM HEAT mode except when set up for Economizer or TOD. See Economizer wiring section.
- Wire a maximum of 4 sensors using the S1-S4 terminals. S1-S4 terminals can be connected to an indoor sensor, outdoor sensor, discharge sensor, return sensor, dry contact device to display an alert or an occupancy sensor for remote setback.
- Connect wireless adapter to ABCD for extended wireless range.
Using universal relays to control heating or cooling
(Prestige and RedLINK VisionPRO models only.)

- U1/U2/U3 terminals are normally open dry contacts when set up for a stage of heating or cooling.
- You must install a field jumper if the stage of heating or cooling is powered by system transformer. Do NOT install a field jumper if the stage of heating has its own transformer.
Dry contact alerts
(Prestige and RedLINK VisionPRO models only.)
EQUIPMENT DAMAGE HAZARD. Do not apply power to S1–S4 terminals. Do not connect a temperature sensor to the S1–S4 terminals if set for a dry contact device.NOTE: The dry contact device must be rated for low voltage.
If you are not using the S1–S4 terminals on the EIM, you can connect them to a dry contact device to display an alert. Dry contact alerts include Full Drain Pan, Dirty Filter, Water Leak, System Shutdown, Service Needed, Fan Failure and Custom Alert. Dry contact device can be normally open (shown in diagram) or normally closed.NOTE: You can connect multiple Dry Contact devices in parallel to the S1–S4 terminals.

Wiring humidification, dehumidification and ventilation
(Prestige and RedLINK VisionPRO models only.)
“U” terminals can be used for humidification, dehumidification or ventilation.
Typical hookup of powered humidifier Typical hookup of non-powered humidifier

Typical hookup of powered ventilation Typical hookup of powered dehumidifier

Typical hookup of powered dehumidifier (whole house dehumidifer) Typical hookup of variable speed blower for dehumidification in low speed

- Any combination of universal relays (U1, U2, U3) can be used. They are set in the thermostat installer setup.
- Wire the universal EIM relay to the low speed fan for dehumidification control at the equipment. The EIM relay can be set to be normally open or normally closed in the thermostat installer setup.

Economizer Module wiring guides
(Prestige and RedLINK VisionPRO models only.)
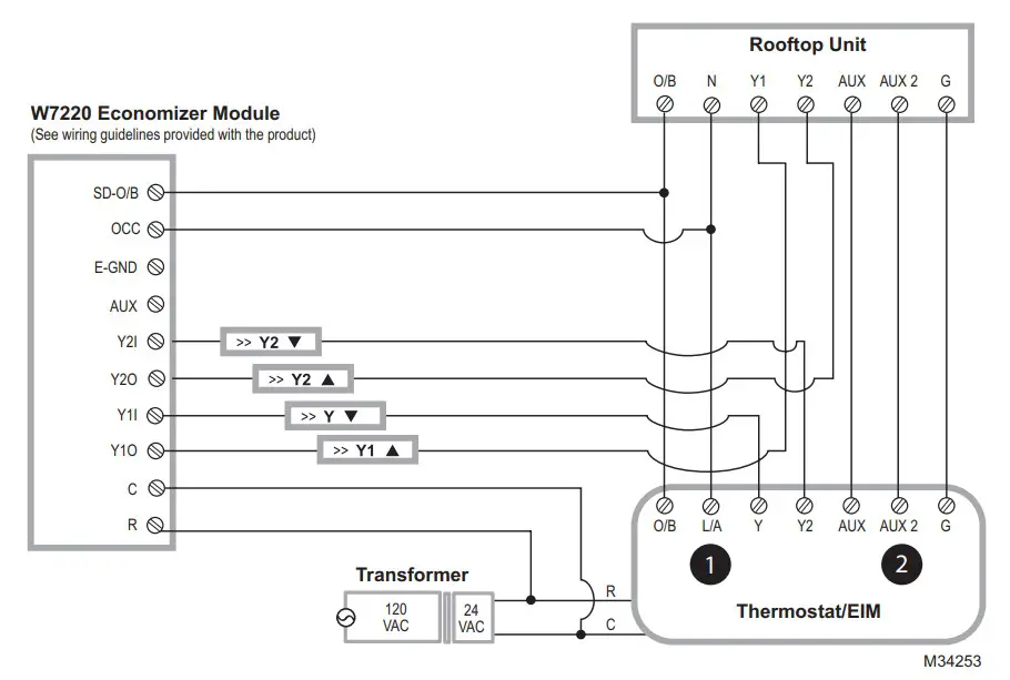
Typical wiring of a W7220 Economizer Module for a heat pump system, using a VisionPRO with RedLINK thermostat or Equipment Interface Module.

Typical wiring of a W7220 Economizer Module for a conventional system, using a VisionPRO with RedLINK thermostat or Equipment Interface Module.
- “A” or “L/A” terminal must be configured for Economizer in the installer setup. These terminals are powered by the cooling transformer (Rc terminal).
- Terminal AUX 2 is present only on the Equipment Interface Module.
Economizer Module wiring guides
(Prestige and RedLINK VisionPRO models only.)
Typical wiring of a W7213/W7214 Economizer Module for a heat pump system, using a VisionPRO with RedLINK thermostat or Equipment Interface Module.
Typical wiring of a W7212 Economizer Module for a conventional heating system, using a VisionPRO with RedLINK thermostat or Equipment Interface Module.
- “A” or “L/A” terminal must be configured for Economizer in the installer setup. These terminals are powered by the cooling transformer (Rc terminal).
- Terminal AUX 2 is present only on the Equipment Interface Module.
To replace the Equipment Interface Module (EIM)
When you replace an EIM, you must reset the RedLINK accessories before connecting them to the new thermostat. Follow the instructions below:
At the Portable Comfort Control:
Press and hold the blank space (or arrow) in the lower right hand corner of the screen until the display changes (hold for about 4 seconds). Press REMOVE, then YES to disconnect from the old thermostats. To reconnect the thermostat, go to Step 4.

At the Indoor Sensor, RedLINK Internet Gateway,
Entry/Exit Remote, Vent-Filter Boost Remote or Wireless Adapter:
Press and hold the CONNECT button on the accessory until the status light glows amber (hold for about 10 seconds). To reconnect the thermostat, go to Step 4.
At the Prestige or RedLINK VisionPRO Thermostat:
Go to Installer Options, Wireless Device Manager, Remove Device, and Select This Thermostat. Follow the prompts on the screen to connect the thermostat to the new EIM. At the FocusPRO Thermostat: Go into Installer Setup and advance to ISU 90. Set that to 1 for do a factory reset.
Specifications
Prestige and RedLINK VisionPRO:
Control for up to 4 Heat/2 Cool heat pump systems or up to 3 Heat/2 Cool conventional systems for residential and commercial applications.
RedLINKFocusPRO:
Control for up to 3 Heat/2 Cool heat pump systems or up to 2 Heat/2 Cool conventional systems for residential applications.
Operating Ambient Temperature
Equipment Interface Module: -40 to 165° F (-40 to 74° C)
Operating Relative Humidity
Equipment Interface Module: 5% to 95% (non-condensing)
Physical Dimensions (height, width, depth)
Equipment Interface Module: 9-5/16 x 4-13/16 x 1-19/32 inches (91 x 147 x 42 mm)
Electrical ratings
| Terminal | Voltage (50/60 Hz) | Max. Current Rating |
| W – OB | 18 to 30 VAC and 750 mVDC | 1.00A |
| Y (cooling) | 18 to 30 VAC | 1.00A |
| G (fan) | 18 to 30 VAC | 0.50A |
| W2 – Aux 1 (heating) | 18 to 30 VAC | 0.60A |
| Y2 (cooling) | 18 to 30 VAC | 0.60A |
| W3 – Aux 2 | 18 to 30 VAC | 1.00A |
| A-L/A (output) | 18 to 30 VAC | 1.00A |
| U1, U1 | 30 VAC max. | 0.50A |
| U2, U2 | 30 VAC max. | 0.50A |
| U3, U3 | 30 VAC max. | 0.50A |
Accessories and replacement parts
| Accessories / Replacement Parts | Part Number |
| Equipment Interface Module | THM5421R1021 |
| Equipment Remote Module (outdoor unit or boiler) | ERM5220R1018* |
| RedLINK Internet Gateway | THM6000R7001 |
| Wireless Entry/Exit Remote | REM1000R1003 |
| Wireless Vent and Filter Boost Remote | HVC20A1000 |
| Portable Comfort Control | REM5000R1001 |
| Wireless Outdoor Sensor | C7089R1013 |
| Wireless Indoor Sensor | C7189R1004* |
| Wired Outdoor Sensor 10k ohm NTC | C7089U1006* |
| Wired Wall-mount Indoor Sensor 10k ohm NTC | C7189U1005 |
| Supply or Return Air Sensor 10k ohm NTC | C7735A1000 |
| Cover plate for Prestige or RedLINK VisionPRO | 50028399-001 |
| Cover plate for RedLINK FocusPRO | 50002883 001 |
| Wireless Adapter for TrueZone, or extended wireless range | THM4000R1000 |
Regulatory information
FCC Compliance Statement (Part 15.19) (USA only):
This device complies with Part 15 of the FCC Rules. Operation is subject to the following two conditions:
- This device may not cause harmful interference, and
- This device must accept any interference received, including interference that may cause undesired
FCC Warning (Part 15.21) (USA only):
Changes or modifications not expressly approved by the party responsible for compliance could void the user’s authority to operate the equipment.
FCC Interference Statement (Part 15.105 (b)) (USA only):
This equipment has been tested and found to comply with the limits for a Class B digital device, pursuant to Part 15 of the FCC Rules. These limits are designed to provide reasonable protection against harmful interference in a residential installation. This equipment generates uses and can radiate radio frequency energy and, if not installed and used in accordance with the instructions, may cause harmful interference to radio communications. However, there is no guarantee that interference will not occur in a particular installation. If this
equipment does cause harmful interference to radio or television reception, which can be determined by turning the equipment off and on, the user is encouraged to try to correct the interference by one of the following measures:
- Reorient or relocate the receiving
- Increase the separation between the equipment and
- Connect the equipment into an outlet on a circuit different from that to which the receiver is
- Consult the dealer or an experienced radio/TV technician for
Equipment interface module, thermostats and outdoor sensor:
To comply with FCC and Industry Canada RF exposure limits for general population/ uncontrolled exposure, the antenna(s) used for these transmitters must be installed to provide a separation distance of at least 20 cm from all persons and must not be co-located or operating in conjunction with any other antenna or transmitter.
Portable Comfort Control:
This portable transmitter with its antenna complies with FCC and Industry Canada RF exposure limits for general population/uncontrolled exposure. This device must not be co-located or operating in conjunction with any other antenna or transmit- ter.
Section 7.1.2 of RSS-GEN:
Under Industry Canada regulations, this radio transmitter may only operate using an antenna of type and maximum (or lesser) gain approved for the transmitter by Industry Canada. To reduce potential radio interference to other users, the anten- na type and its gain should be so chosen that the equivalent isotropically radiated power (e.i.r.p.) is not more than that necessary for successful communication.
Section 7.1.3 of RSS-GEN:
Operation is subject to the following two conditions:
- This device may not cause interference, and
- This device must accept any interference, including interference that may cause undesired operation of the
CAUTION: ELECTRICAL HAZARD
Can cause electrical shock or equipment damage. Disconnect power before beginning installation.
CAUTION: EQUIPMENT DAMAGE HAZARD
Compressor protection is bypassed during testing. To prevent equipment damage, avoid cycling the compressor quickly.
CAUTION: MERCURY NOTICE
If this product is replacing a control that contains mercury in a sealed tube, do not place the old control in the trash. Contact your local waste management authority for instructions regarding recycling and proper disposal.
CAUTION: ELECTRONIC WASTE NOTICE
The product should not be disposed of with other household waste. Check for the nearest authorized collection centers or authorized recyclers. The correct disposal of end-of-life equipment will help prevent negative consequences for the environment and human health.
CAUTION: MUST BE INSTALLED BY A TRAINED, EXPERIENCED TECHNICIAN
Read these instructions carefully. Failure to follow these instructions can damage the product or cause a hazardous condition.























