SA201(-EC)
Spectrum Analyzer Controller
Operating Manual 
Chapter 1 Warning Symbol Definitions
Below is a list of warning symbols you may encounter in this manual or on your device.
| Symbol | Description |
| Direct Current | |
| Alternating Current | |
| Both Direct and Alternating Current | |
| Earth Ground Terminal | |
| Protective Conductor Terminal | |
| Frame or Chassis Terminal | |
| Equipotential | |
| On (Supply) | |
| Off (Supply) | |
| In Position of a Bi-Stable Push Control | |
| Out Position of a Bi-Stable Push Control | |
| Caution: Risk of Electric Shock | |
| Caution: Hot Surface | |
| Caution: Risk of Danger | |
| Warning: Laser Radiation | |
| Caution: Spinning Blades May Cause Harm |
Chapter 2 Safety
Precautions of a general nature should be gathered here. Wherever possible, however, safety warnings, cautions, and notes should only appear immediately before the instructions to which they apply (versus being listed in this section).
DANGER!![]()
The Thorlabs Spectrum Analyzer Controller, SA201, must be powered off, unplugged from the AC input source, and disconnected from any piezo elements prior to replacing the fuse or removal of the cover. Failure to do so may cause SERIOUS INJURY to the user, since high voltages exist within the unit.
WARNING!![]()
Complete the setup of the equipment before energizing the laser.
WARNING!![]()
When the laser is energized, always use the proper eye protection relative to the laser used in the setup. When an invisible laser source is used, use extra caution during alignment.
Chapter 3 Overview
Thorlabs’ Scanning Fabry-Perot (FP) Interferometers are spectrum analyzers that are ideal for examining fine spectral characteristics of CW lasers. The controller generates a voltage ramp, which is used to scan the separation between the two cavity mirrors. The controller provides adjustment of the ramp voltage and scan time, allowing the user to choose the scan range and speed. An offset control is provided to allow the spectrum displayed on the oscilloscope to be shifted right or left. Another convenient feature of the controller is a zoom capability that provides a 1X, 2X, 5X, 10X, 20X, 50X, and 100X increase in spectral display resolution. The output TTL level trigger allows the user to externally trigger an oscilloscope on either the beginning or midpoint of the ramp waveform. The SA201 also includes a high-precision photodetector amplifier circuit used to monitor the transmission of the cavity. The amplifier provides an adjustable trans-impedance gain of 10,000, 100,000, and 1,000,000 V/A when driving a high impedance load, such as an oscilloscope. Using the output sync signal from the controller, an oscilloscope can be used to display the spectrum of the input laser. The detector circuitry incorporates a blanking circuit, which disables the photodiode response during the falling edge of the saw tooth waveform.
3.1. Parts List
Below is a list of all components shipped with the SA201 Spectrum Analyzer Controller.
- SA201 Spectrum Analyzer Controller
- Operating Manual
- 20 VAC US Power Supply Line Cord (with the SA201) or 230 VAC Power Supply Line Cord for Europe (with the SA201-EC)
- 125 mA Fuse for use at 230 VAC operation (250 mA fuse installed in unit)
3.2. Compatible Fabry-Perot Scanning Heads
This product has been designed to be used with one of our SA200, SA210, or SA30 Series Scanning Fabry-Perot Interferometers. Below is a list of available heads. Note this list is subject to change without notice. Please visit the website for the most current information.
| Item # | Description |
| SA200-2B | 290 – 335 nm; 520 – 545 nm 1.5 GHz FSR |
| SA200-3B | 350 – 535 nm, 1.5 GHz FSR |
| SA200-5B | 535 – 820 nm, 1.5 GHz FSR |
| SA200-8B | 820 – 1275 nm, 1.5 GHz FSR |
| SA200-12B | 1275 – 2000 nm, 1.5 GHz FSR |
| SA200-18C | 1800 – 2500 nm, 1.5 GHz FSR |
| SA200-30C | 3000 — 4400 nm, 1.5 GHz FSR |
| SA210-3B | 350 – 535 nm, 10 GHz FSR |
| SA210-5B | 535 – 820 nm, 10 GHz FSR |
| SA210-8B | 820 – 1275 nm, 10 GHz FSR |
| SA210-12B | 1275 – 2000 nm, 10 GHz FSR |
| SA210-18C | 1800 – 2500 nm, 10 GHz FSR |
| SA30-52 | 488 – 545 nm, 1.5 GHz FSR |
Previous generations of scanning Fabry-Perot interferometers are also compatible with this product. These items are listed below.
Item # | Description |
| SA200-7A | 780 – 930 nm,1.5 GHz FSR |
| SA200-9A | 900 – 1100 nm,1.5 GHz FSR |
| SA200-14A | 1450 – 1625 nm,1.5 GHz FSR |
| SA200-18B | 1800 – 2500 nm,1.5 GHz FSR |
| SA200-30B | 3000 — 4400 nm,1.5 GHz FSR |
| SA210-5A | 525 – 650 nm,10 GHz FSR |
| SA210-7A | 780 – 930 nm, 10 GHz FSR |
| SA210-9A | 900 – 1100 nm, 10 GHz FSR |
| SA210-12A | 1250 – 1400 nm, 10 GHz FSR |
| SA210-14A | 1450 – 1625 nm,10 GHz FSR |
| SA210-186 | 1800 – 2500 nm,10 GHz FSR |
Chapter 4 Description

- Detector Gain Adjustment
The SA201 includes a built in photodiode amplifier circuit. This amplifier is designed specifically to operate with the detector provided with the SA200 series Fabry-Perot Interferometer, allowing the user to monitor the transmission of the cavity. While any photodetector may be connected to the amplifier the specifications, listed in Chapter 3, apply only to detectors supplied with the SA200 series. The amplifier provides a trans-impedance gain (current to voltage gain) of 10K, 100K, and 1M V/A while driving a Hi-Z load, such as an oscilloscope. For better noise and performance characteristics it is recommended that a 50 W coax cable with a 50 Ω terminating resistor be used. The photodetector input and output BNCs are located on the rear panel - DC Offset Control
The DC Offset provides a continuously adjustable offset voltage over the range of 0 to 15 V using a 10-turn potentiometer. This offset adds directly to the ramp signal. The DC offset control is used to adjust the waveform from left to right across an oscilloscope viewing window, without affecting the calibration of the cavity. - Sweep Expansion Control
The sweep expansion provides a zoom capability to increase the spectral display resolution by a factor of 1x, 2x, 5x, 10x, 20x, 50x, and 100x. This is achieved by
scaling the ramp rise time to the sweep expansion. - Waveform Control
The SA201 allows the user to select between a saw-tooth and triangular waveform. The saw-tooth waveform is desirable for most applications; however, the triangle waveform is useful for cavity alignment. The SA201 will default to the saw-tooth waveform during the system power-up. To change the waveform, simply press the ‘WAVEFORM SEL’ button. The selected waveform is indicated by the illuminated symbol to the right of the waveform select button. - Power Switch
The power switch is used to toggle the unit on and off. - Power On Indicator
The power on LED will light when the unit is powered up - Amplitude Control
The amplitude control allows the user to adjust the ramp amplitude from 1 to 30 V peak to peak using a 10-turn trim pot. Note, the ramp signal is added to the DC offset. This means that when the offset is set to 0V, the ramp will start a 0V and increase to the amplitude limit setting. The amplitude is used to determine how far the mirror will be scanned, or to set the spectral range of the optical head. - Rise Time Control
The rise time control allows the user to continuously adjust the scan rate from 0.01 to 0.1 s using a 10-turn trim pot. Note the rise time setting may be scaled by the sweep expansion setting. For example: If the scan rate is set to 0.05 s and the sweep expansion is adjusted from 1x to 100x then the scan rate will adjust to 5 s. The scaling error is typically less than ±0.5%, providing excellent measurement capabilities. - Trigger Output BNC
This trigger output signal may be used to externally trigger the oscilloscope. The trigger is capable of driving 50 Ω terminated cables, as well as Hi-Z loads such as oscilloscopes. The trigger will provide an edge on the beginning and middle of the scanning ramp. See Figure 2 below
- Output BNC
The output BNC is used to drive the SA200 scanning piezo from 1 to 45 V. The output is capable of driving 0.6 µF piezo loads at a ramp rate of 1 ms over the full voltage range. The output current is internally limited to prevent damage to the output drive. Note: the output performance specifications assume a Thorlabs Fabry-Perot Interferometer module is connected.

- Ground Plug
This ground plug is for use as a general-purpose ground connection. It is connected directly to the earth’s ground connection of the input power plug. - AC Input Connector
This is the line voltage input connection. IMPORTANT: The unit is configured for 100/115 VAC, 50 – 60 Hz from the factory. To operate at 230 VAC see Section 5.3. - PD Amplifier Input BNC
This input BNC is used to interface the photodetector, provided with the SA200 scanning heads, to the amplifier circuit. The photodiode amplifier is configured to operate with the Thorlabs-supplied photodetectors; however, it is possible to operate user-supplied photodetectors. To do so, the BNC center contact must be connected to the photodetector cathode and the BNC shell must be connected to the photodiode anode (unbiased operation). If a biased detector is to be used the BNC shell must be connected to the bias ground and the bias voltage must be negative for the circuit to operate properly.
NOTE
The PDAVJ5 that is recommended for use along with the SA200-30C should not be connected to this input. Connecting to the amplifier will cause damage to the instrument - PD Amplifier Output BNC
This BNC is the amplifier output and may be connected directly to an oscilloscope to view the cavity spectrum. The amplifier gain will be set using the front panel ‘DETECTOR’ control knob. The amplifier output includes a 50 Ω series resistor to minimize noise when operating with a 50 Ω coax cable. For best results, a 50 Ω load resistor is recommended at the oscilloscope. Note, that the amplifier gain will be halved with a 50 Ω load connected. - Voltage Selector Switch
The voltage selector switch allows the user to select the input line voltage. The factory default setting is 100/115 VAC as shown in Figure 4. To operate at 230 VAC, this switch will have to be moved to the 230 V position. The line fuse will also need to be changed to properly protect the unit. See section 5.2 below for detailed instructions.
Chapter 5 Operation
PD Blanking Circuit
The detector amplifier includes a blanking circuit, which blocks any photodetector response during the falling edge of the saw tooth waveform. This is very useful when triggering on the photodiode spectral response because unwanted signals while the cavity resets will be removed. The blanking is not available when using the triangle waveform, since it is useful to see the rising and falling response overlapped during system alignment. This feature may be disabled as described below:
IMPORTANT![]()
Before continuing, disconnect the scanning head or any piezo device from the SA201 output. Disconnect the power cord. Do not open the unit if the power cord is connected.
- Remove the two screws securing the enclosure cover with a Phillips head screwdriver. The screws are located on the bottom side, and rear corners of the unit. Do not lose the crews
- Carefully remove the cover by sliding it toward the rear of the unit.
- Locate the JP3 header. It is positioned in front of the heat sink and will have a shorting jumper on pin 1 .

- Remove the shorting jumper and place across (shorting) the JP3 pins to disable the blanking circuit. The default setting will be blanking enabled. The jumper will not be shorting the pins.
- Replace the enclosure cover and secure it with the enclosure screws.
Replacing the Fuse
DANGER!![]()
The Thorlabs SA201 Spectrum Analyzer Controller must be powered off, unplugged from the AC input source, and disconnected from any piezo elements prior to replacing the fuse or removal of the cover. Failure to do so may cause SERIOUS INJURY to the user since high voltages exist within the unit.
5.2.1. Materials Needed
- SA201 Operating Manual – The most recent version of this operating manual will be available on the Thorlabs website.
- 250 mA Type ‘T’ Slow Blow Fuse – The 250 mA use is installed from the factory. This must be installed when operating the unit at 100/115 VAC
- 125 mA Type ’T’ Slow Blow Fuse – The 125 mA fuse is required for 230 V operation only. Thorlabs supplies a 125 mA fuse with all of its SA201 units and must be installed when operating at 230 VAC
- Phillips Head Screwdriver (#2 Preferred) – We do not recommend using electrically powered screwdrivers.
5.2.2. Fuse Replacement
IMPORTANT![]()
Disconnect the scanning head or any piezo device from the SA201 output.
Disconnect the power cord.
Do not open the unit if the power cord is connected.
- Remove the two screws securing the enclosure cover with a Phillips head screwdriver. The screws are located on the bottom side, rear corners of the unit. Do not lose the screws.
- Carefully remove the cover by sliding toward the rear of the unit.
- Locate the fuse box between the input line voltage connector and the transformer.

- Remove the fuse cover and slide the old fuse out.
- Install the new fuse into the fuse cover and place back into the fuse box. (250 mA for 100/115 VAC and 125 mA for 230 VAC)
- Replace the enclosure cover and secure with the enclosure screws.
5.3. Selecting the Line Voltage
- Replace the line fuse as described above.
- Locate the voltage selector switch on the rear panel. See Figure 4 above.
- Switch to the appropriate line voltage.
- Install the appropriate line cord.
5.4. Cleaning
The SA201 should only be cleaned with a soft cloth and a mild soap detergent or isopropyl alcohol. Do not use a solvent-based cleaner.
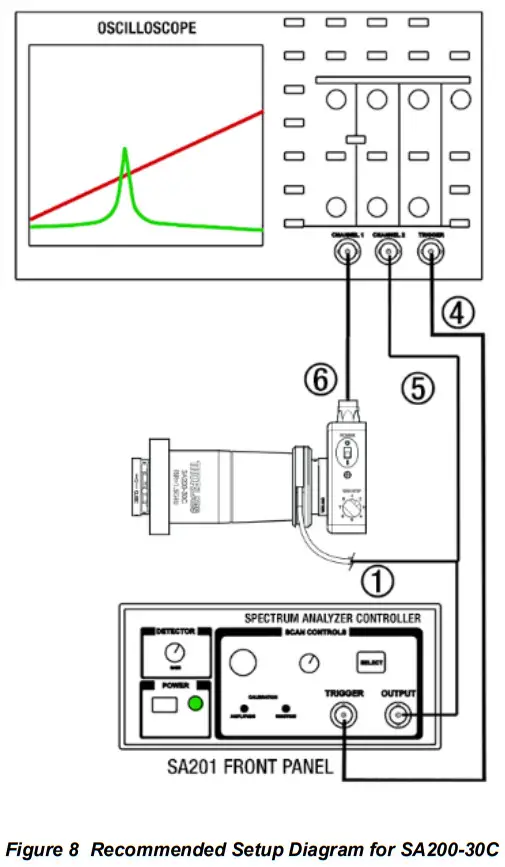
Chapter 6 Recommended Setup
Recommended Setup for SA200 Series Fabry-Perot Interferometers (Except SA200-30C)

Recommended Setup for SA200-30C Fabry-Perot Interferometer 
| Connection | Description |
| Controller (BNC) to Piezo (Cable is Attached to FP Interferometer) | |
| 2¹ | Photodiode (SMA) to Controller (BNC) (Included with FP Interferometer) |
| 3¹ | Amplified Photodiode Output (BNC) to Oscilloscope (Not Included) |
| 4 | Trigger Output of Controller (BNC) to Oscilloscope (Not Included) |
| 5 | Optional Connection that Allows the User to Monitor the Signal used to Drive the Piezoelectric Transducers (Not Included) |
| 6² | PDAVJ5 Output (BNC) to Oscilloscope (Detector and Cable Not Included) |
- This connection is not part of the setup for the SA200-30C.
- This connection is part of the setup only for the SA200-30C.
Chapter 7 Specifications
Output Characteristics
| Item # | SA201 |
| Waveforms | Sawtooth / Triangle |
| Default Waveform | Sawtooth |
| Sawtooth Fall Time | 1 ms Typical |
| Output Voltage Range | 1 to 45 V (Offset + Amplitude) |
| Max Supply Current’ | 15 mA |
| Short Circuit Current | 26 mA Max |
| Short Circuit Duration’ | Continuous |
| Offset Adj. Range | 0 to 15 VDC |
| Amplitude Adj. Range | 1 to 30 V |
| Rise Time Adj. Range’ | 0.01 to 0.1 s @ 1X Sweep Exp. 1 to 10 s @ 100X Sweep Exp. |
| Sweep Expansion Settings | lx, 2X, 5X, 10X, 20X, 50X, 100X |
| Sweep Scale Error’ | ±0.5% |
| Output Noise’ | 1 Vrms (-6.6 mVpp) |
Trigger Characteristics
| Item # | SA201 |
| Trigger Output Voltage | TTL levels |
| VOH (RI_ = 50 W) | 2 V Min |
| VOL (RI_ = 50 W) | 0.5 V Max |
| Trigger Load Impedance | 50 W / Hi-Z |
| Trigger Rising Edges | Ramp Start |
| Trigger Falling Edges | Ramp Midpoint |
3 Achieved during the saw tooth waveform fall time. This is calculated by
| (mA) = | ((µF))(∆) |
| ∆ |
The output drive amplifier will current limit the load to 26 mA max. Although the unit may operate continuously under these conditions, it is not recommended since the unit ill heat up causing stress to the electronics.
The rise time adjustment range for each sweep setting is as follows: =(0.01 ×”Sweep Expansion Setting” )” to ” (0.1×”Sweep Expansion Setting” )
Defined as the scaling error between 1X and any other gain settings (ex. 2X ± 0.5%).
Measured with SA200 series scanning head connected to the output.
Ramp’ refers to the rising, or scanning, edge of the ‘Output’ waveform.
Photodiode Amplifier Characteristics9
| Item # | SA201 |
| Gain Steps | 0, 10, 20 dB |
| Transimpedance Gain (Hi-Z) | 10K, 100K, 1M V/A |
| Transimpedance Gain (50 0) | 5K, 50K, 500K V/A |
| Gain Errorl° | ±0.1% @ 10K (±0.12%) ±0.12% @ 100K (±0.15%) ±0.14% @ 1M (±0.3%) |
| Output Impedance | 500 |
| Load Impedance | 50 0/Hi-Z |
| Output Voltage (Hi-Z load) | 0 – 10 V Min |
| Output Voltage (50 0 load) | 0 – 5 V Min |
| Max Output Current” | 100 mA |
| Bandwidth” | 250 kHz |
| Noise (RMS)” | <0.1 mV @ 10K 0.2 mV @ 100K 1.5 mV @ 1M |
| Offset” | ±1 mV @ 10K ±5 mV @ 100K ±20 mV @ 1M |
These characteristics are not for the SA200-30C and the recommended PDAVJ5 detector.
The gain error does not apply when using a 50 Ω load since the user-installed output terminator will probably have a resistance tolerance greater than the gain errors above. Also note that the 50 W output series resistance is 49.9 W ± 1%. This will also factor into gain error when using a 50 Ω load. Test performed with a 50 Ω terminator and a 6’ (~1.8 m) 50 Ω coax cable.
Physical Features
| Item # | SA201 |
| Dimensions (W x H x D) | 5.8″ x 2.8″ x 12.5″ (147 mm x 71 mm x 317.5 mm) |
| Input and Output Connectors | BNCs |
| Offset Control | 10-Turn Potentiometer |
| Amplitude Control | I 10-Turn Trim pot |
| Rise Time Control | 10-Turn Trim pot |
| Sweep Expansion Control | 7-Position Rotary Switch |
| Photodiode Gain Control | 3-Position Rotary Switch |
| Waveform Select | Pushbutton wIlluminated Indicators |
| PD Amplifier Features | Blanking with Sawtooth Waveform Falling Edge |
| Operating Temperature | 10 to 40 °C |
| Storage Temperature | 0 to 85 °C |
Power Supply
| Item # | SA201 |
| Supply Type | Linear |
| Voltage Selection | Switch Selectable between 115 / 230 VAC |
| Input Voltage | 100 / 115 / 230 VAC |
| Line Frequency | 50 – 60 Hz |
| Input Power | 15 W Max |
| Fuse Ratings | 250 mA © 100 / 115 VAC, 125 mA @ 230 VAC |
| Fuse Type | Slow Blow Type ‘T’ |
Chapter 8 Regulatory
![]()
Wheelie Bin Logo
As required by the WEEE (Waste Electrical and Electronic Equipment Directive) of the European Community and the corresponding national laws, Thorlabs offers all end users in the EC the possibility to return “end of life” units without incurring disposal charges.
- This offer is valid for Thorlabs electrical and electronic equipment:
- Sold after August 13, 2005
- Marked correspondingly with the crossed out “wheelie bin” logo (see right)
- Sold to a company or institute within the EC
- Currently owned by a company or institute within the EC
- Still complete, not disassembled, and not contaminated Wheelie Bin Logo As the WEEE directive applies to self-contained operational electrical and electronic products, this end of life take back service does not refer to other Thorlabs products, such as:
- Pure OEM products, means assemblies to be built into a unit by the user (e.g. OEM laser driver cards)
- Components
- Mechanics and optics
- Leftover parts of units disassembled by the user (PCBs, housings, etc.) If you wish to return a Thorlabs unit for waste recovery, please contact Thorlabs or your nearest dealer for further information.
Waste Treatment is Your Own Responsibility
If you do not return an “end of life” unit to Thorlabs, you must hand it to a company that specialized in waste recovery. Do not dispose of the unit in a litter bin or at a public
waste disposal site.
Ecological Background
It is well known that WEEE pollutes the environment by releasing toxic products during decomposition. The aim of the European RoHS directive is to reduce the content of toxic substances in electronic products in the future. The intent of the WEEE directive is to enforce the recycling of WEEE. Controlled recycling of end-of-life products will thereby avoid negative impacts on the environment.
Chapter 9 Declaration of Conformity

Chapter 10 Thorlabs Worldwide Contacts
For technical support or sales inquiries, please visit us at www.thorlabs.com/contact for our most up-to-date contact information.
| USA, Canada, and South America Thorlabs, Inc. [email protected] [email protected] | UK and Ireland Thorlabs Ltd. [email protected] [email protected] |
| Europe Thorlabs GmbH [email protected] | Scandinavia Thorlabs Sweden AB [email protected] |
| France Thorlabs SAS [email protected] | Scandinavia Thorlabs Sweden AB [email protected] |
| Japan Thorlabs Japan, Inc. [email protected] | China Thorlabs China [email protected] |
























