10031 Isolate Switch Fitting
Instructions
10031 Isolate Switch
Isolate the power supply at the consumer unit circuit breaker. Verify that the power is off. These products must be installed in accordance with the latest building regulations. If in any doubt, please contact a qualified electrician.

Toggle Switches
Use the toggle ring tool provided to unscrew the retaining metal toggle ring.
Dimmer Switches
Pull the dimmer knob off and unscrew the ring by hand or gently with a screwdriver.
When reassembling, align the flat edge of the dimmer stalk with the knob.
Clear Switches
Remove plastic backing from plate.
Cover paper template with wallpaper or two coats of paint.
Place behind Perspex before installation.
Before Fitting
Avoid fitting electrical fittings to wet plaster or paint. For best results, the wall surface around the mounting box should be fully finished and in excellent condition.
Ensure that the mounting box type is suitable for the electrical components, and that the mounting lugs are in the correct position for the fitting.
The mounting box should be flush to the wall, without a flange or lip. A 35mm or 45mm deep mounting box is recommended. 45mm boxes are available on our website.
Socket Fitting Instructions
Isolate the power supply at the consumer unit circuit breaker. Verify that the power is off. These products must be installed in accordance with the latest building regulations. If in any doubt, please contact a qualified electrician.
Sockets & Modular Units
Unscrew the front plate and remove paper for clear virions. 
Socket Installation
Screw the silver chassis into the mounting box until it is flush with the wall. It is important to get the level correct so that the front plate creates the correct tension with the wall when it is fitted.
Clear Sockets & Modular Units
Remove the paper from behind the plate and cover with wallpaper or two coats of paint.
Place behind Perspex before installation. 
Slimline Fitting Instructions
Isolate the power supply at the consumer unit circuit breaker. Verify that the power is off. These products must be installed in accordance with the latest building regulations. If in any doubt, please contact a qualified electrician.
Custom Back Box
The Slimline range has a very small distance between the edge of the backbox and the edge of the front plate. Extra care must be taken when cutting the hole for the back box.

Finishing the Wall
Walls will need to be refinished after installing the Slimline back box.
Digital dimmers are not compatible with the Slimline range.

Professional Installation
We recommend that you use a qualified plasterer to fit the back box due to the small distance between the edge of the back box and the edge of the front plate.
Wiring Diagrams
Isolate the power supply at the consumer unit circuit breaker. Verify that the power is off. These products must be installed in accordance with the latest building regulations. If in any doubt, please contact a qualified electrician.
Connect the wiring as shown in the diagrams below for each type of installation. When finished, there should be no exposed wire. The connections should be secure and tight. Earth sheathing should be used on any exposed earth wire. The switch assembly should push back into the mounting box without forcing or trapping any wires.
Retractive switches must be used when switches are used with a digital dimmer on the same circuit.
One-Way Toggle Switch Wiring Diagram & Example 
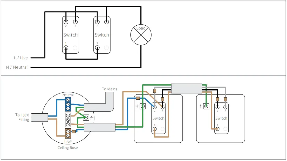
Two-Way Toggle Switch Wiring Diagram & Example 1 
Example Wiring
Isolate the power supply at the consumer unit circuit breaker. Verify that the power is off. These products must be installed in accordance with the latest building regulations. If in any doubt, please contact a qualified electrician.
Two-Way Toggle Switch Wiring Diagram & Example 2 
corston.com/support
[email protected]
01249 549332



















