CFL-8432 52-Inch Crystal Ceiling Fan
Instructions

Safety Information
- To reduce the risk or electrical shock the electricity has been turned off at the circuit breaker or fuse box before begin.
- All wiring must be in accordance with the National Electrical Code NASI/NFPA 70 -1999 and local electrical codes. Electrical installion should be performed by a qualified licensed electrician .
- The outlet box and support srtructure must be securely mounted and capable of reliably supporting 35ib.(15.9kg).Use only UL listed outlet boxes marked “Acceptable for Fan Support of 35ibs(15.9kg)or less.”
- The fan must be mounted with a minimum of 7 ft. (2m) clearance from the trailing edge of the blades to the floor.
- Do not operate the reversing switch while the fan blades are in motion. You must turn the fan off and stop the blades before you reverse the blade direction.
- Do not place objects in the path of the blades.
- To avoid personal injury or damage to the fan and other items use caution when working around or cleaning the fan.
- Electrical diagrams are for reference only. Light kits that are not packed with the fan must be UL-listed and marked suitable for use with the model fan you are installing. Switches must be UL General Use Switches. Refer to the instructions packaged with the light kits and switches for proper assembly.
- After making electrical connections , spliced conductors should be turned upward and pushed carefully up into tne outlet box.The wires should be spread apart with the grounded conductor and the equipment-grounding conductor on one side of the outlet box.
- All setscrews must be checked and retightened where necessary before installation.
WARNING: TO reduce the risk of personal injury, do not bend the blade brackets (also referred to as flanges) during assembly or after installation.Do not insert objects in the path of the blades.
WARNING: Remove the rubber motor stops on the bottom of the fan before installing the blades or testing the motor.
WARNING: To reduce the risk or fire or electric shock,do not use this fan with any solid-state speed control device.
WARNING:To avoid possible electrical shock, turn the electricity off at the main fuse box before wiring.It you feel you do not have enough electrical wiring knowledge or experience, contact a licensed electrician.
AWARNING: Electrical diagrams are for reference only. Optional use of any light kit shall be UL-listed and marked suitable for use with this fan.
WARNING: To reduce the risk of fire, electric shock, or personal injury. mount to outlet box marked’ Acceptable for fan support of 35 ibs.(15.9 kg)or less.’ and use the screws provided with the outlet box.
Warranty
The supplier warrants the fan motor to be free from defects in workmanship and material present at time of shipment from the factory for a lifetime after the date of purchase by the original purchaser.The supplier also warrants that all other fan parts,excluding any glass or acrylic blades,to be free feom defects in workmanship and material at the time of shipment from the factory for a period of one year after the date of purchase by the original purchaser.We agree to correct such defects without charge or at our option replace with a comparable or superior model if the product is returned.To obtain warranty service,you must present a copy of the receipt s proof of purchase.All costs of removing and reinstalling the product are your responsibility.Damage to any part,such as by accident,misuse,improper installation or by affixing any accessories ,is not covered by this warranty.Because of varrying climatic conditions this warranty does not cover any changes in brass finish ,including rusting,pitting,corroding,tarnishing.or peeling.Brass finish of this type give their longest useful life when protected from varying weather conditions.A certain amount of “wobble”is normal and should not be consided a defect.Servicing performed by unauthorized persons shall render the warranty invalid.There is no other sxpress warranty.hereby di sclaims any and all warranties,including but not limited to those of merchantabilityand fitness for a particular purpose to the extent permittedby law.The durationof any impiled warranty which cannot be disclaimed is limited to the time period as specified in the sxpress warranty.Some states do not allow a limitation on how long an implied warranty lasts,so the above limitation may not apply to you.The retailer shall not be liable for incidental,consequental,or special damages arising out of or in connection with product use or perforance except as may otherwise be accorded by law.Some states do not allow the exclusion of incidrntal or consequential damages,so the above exclusion or limitation may not apply to you.This warranty gives specific legal rights,and you may also have other rights which vary from state to state.This warranty supersedes all prior warranties.Shipping costs for any return of products as part of a claim on the warranty must be paid by the customer.
Pre-Installation
SPECIFICATION
| Size | Speed | Volts | Amps | Watts | RPM | CFM | Net Weight | Gross Weight | Cube Feet |
| 52 in | Low | 120 | 0.22 | 10 | 63 | 680 | 19.21b (8.7KG) | 22.51b (10.2KG) | 3.05cu.ft |
| Medium | 0.37 | 28. | 108 | 2980 | |||||
| High | 0.57 | 69. | 177 | 5530 |
The above data are for reference only, Actually the motor speed of each ceiling fan is a little different. Any products, Subject to actual products as standard.
NOTE: These are approximate measures.They do not include the amps and wattage used by the light kit.
Specifications & measurements shown are subject to± 5% variations.
TOOLS REQUIRED
HARDWARE INCLUDED
components table

NOTE: Hardware not shown to actual size.
| AA | Blade attachment screw and fiber washer | 16 |
| BB | Plastic wire nut (not to scale) | 3 |
| CC | Blade arm screw and lock washer | 1 |
| DD | Pull chain and fob (not to scale) – n d pull cl— | 2 |
| EE | Mounting screws | 4 |
| FF | Expansion Bolts | 2 |
| GG | Balanced parts package | 1 |
PACKAGE CONTENTS
Installation of the hanging bracket (suspension part)

For wooden ceiling, use wood screw to drill on the wooden beam or the “junction box” to fix the hanging bracket (selection is made according to actual requirements of the customers).
STEP 1A-WOODEN CEILING
SWITCH OFF THE ELECTRICAL MAINS AT THE CIRCUIT BREAKER FUSE BOX.
- Use the Mounting Bracket (A) as a guide, mark the spots where the 4 Self Tapping Screws (B) will be drilled.
- Remove the Mounting Bracket (A), drill 4 holes for 3MM diameter, install the mounting bracket onto wooden ceiling with the 4 Self Tapping Screws (B) & Washers (C).
IMPORTANT: SCREWS MUST BE TIGHTENED TILL SNUG

Note: According to the ceiling of different materials. use different screws to fix the hanging bracket. Don’t fix the hanging bracket on the wood ceiling less than 12MM to prevent danger caused by loosening of screws.
After the hanging bracket is completed. ensure that it can withstand the tension test of more than 68KG for safety.
For concrete ceiling, use the percussion bit with diameter 8mm to drill holes according to the length of expansion screws. Then use the attached expansion screws to fix the hanging bracket onto the ceiling (selection is made according to actual requirements of the customers).
STEP 2A -CONCRETE CEILING
SWITCH OFF THE ELECTRICAL MAINS AT THE CIRCUIT BREAKER FUSE BOX.
- Use the Mounting Bracket (A) as a guide, mark the spots where the 4 Expansion Bolts (B) will be drilled.
- Remove the Mounting Bracket (A), drill 4 holes and insert 4 Expansion Bolts (2) into the concrete ceiling, install the mounting bracket and secure with Flat Washers (C), Spring Washers (D) and Nuts (E).
IMPORTANT: SCREWS & NUTS MUST BE
TIGHTENED TILL SNUG
Install the hanging part of the ceiling fan.
- Install downrod assembly

- Thread the suspender through the suspended clock and coupling cover .
- Then insert the tail of the suspender from the lifting head of the motor.
- .After the lateral pin is threaded out from the suspended head position, insert R type pin.
- Tighten the lifting head screws. 5.Hang the fan of the hanging pipe into the hanger.
Assembly Hanging the Fan(continued)
- Making the electrical connections
WARNING:Each wire not supplied with this fans is designed A! , to accept up to one 12-gauge house wire and two wires from the fan.lf you have larger than 12-gauge house wiring or more than one house wire to connect to the fan wiring,cnsult an electrician for the proper size wire nuts to use.
WARNING:Remove the rubber motor stops on the bottom of fan before installing the blades or testing the motor.
IMPORTANT: Use the plastic wire connectors(BB) supplied with your fan. Secure the connectors with electrical tape and ensure there are no loose strands or connections.
NOTE:The fan comes with 54in.Lead wires for use with an 6 extended ball/downrod assembly.lf using the 4.5in.ball/downrod assembly(B)provided youcan cut the lead wires to your desired length(no sooner than 12in.).

- The motor “green” wire to the “Ground wire”wire from outside Outlet Box.
- The motor “white” wire to the “AC IN <N>”wire from outside Outlet Box.
- The motor “black” wire to the “blue “wire to the “AC IN <L>”wire from outside Outlet Box.
- Finally,put the connected wires in the hanger.
<Hand Pull Chain ONLY>
Preparing for mounting
<Hand Pull Chain ONLY>

- Remove the mounting bracket from the canopy by loosening the two canopy screws located in the L shaped slots.
- Remove and save the two canopy screws in the round holes. This will enable you to remove the mountingbracket
Install remote control
remote control <ONLY>

- Carefully push the canopy to the bottom of the mounting bracket, make two sliding holes aligned to the two prominent screws on the mounting bracket, and then turn clockwise until tight.
- Push the canopy ring to the bottom of the canopy, slide the inner holes aligned to the two prominent screws on the mounting bracket again, and turn the canopy ring clockwise until tight. ..‘
Preparing for mounting

- Remove the mounting bracket from the canopy by loosening the two canopy screws located in the L shaped slots.
- Remove and save the two canopy screws in the round holes. This will enable you to remove the mountingbracket
Assembly Attaching the Fan Blades
- Attaching the blades to the arms

- Pass the red washer through the screw. 2:Tighten the screw through the blade and tighten it on the arms.
- Repeat the above steps to tighten the four sets of blades.
- Fastening the blade arms to the motor
WARNING:Remove the rubber motor stops on the bottom of the fan before installing the blades or testing the motor.
NOTE:Your fan features revolutionary advancements for quick and easy blade installation.lncluding an alignment post and captive blade arm screws.
NOTE:Your fan blades are reversible.Select the blade side finish which best accentuates your decor.
- Fasten the arm to the fan-motor assembly by inserting the alignment post int the slot on the bottom of the motor and tightening the pre-installed arm screws.
- Repeat this step for the remaining blade assemblies.
Assembly – Attaching the Lights
- Connecting lamp wire

CAUTION: To reduce the risk of electric shock,disconnect the electrical circuit to the fa before installing the light fixture.- Insert the “white” line in the switching box of the motor into the “white”line of the light and tie insulated rubber tape.
- Insert the “bule”line in the switching box of the motor into the “blue”line of the light and tie insuklated rubber tape.
- Tighten the screw of the box cover.

- Take the wire into the switching box of the motor.
- Align the opening of switchiong box of the light at switch locking position of the positive and negative rotation of the motors witching box.Place the cover.Screw in the screw of the switching box.
- Install the crystal shade & bulb

WARNING: Allow the shatter resistant bowl to cool completely before removing.
CAUTION: Make sure the power is off before attaching or removing the shatter resistant bowl.
CAUTION: Do not over tighten the hex nut,overtightening the hex nut may cause the shatter resistant bowl to break.- Choose an E26 bulb with appropriate power and screw it onto the lamp holder.
- Rescrew and tighten the screw fixing the lamp body and crystal lamp cover.
- Put on the rubber gasket and screw in the hexagon nut, just enough to tighten it properly.
- Cover the decorative cover and screw in the decorative cap 5.Connect the chain to the fan and the light switch(hand pull chain only)
Operation
OPERATING YOUR FAN
Turn on the power and check the operation of the fan.The fan pull chain controls the fan speed as follows:
1 pull-High,2 pulls-Medium,3 pulls-Low,4 pulls-off
The appropriate speed settings for warm or cool weather depends on factors such as the room size,ceiling height,and number of fans.
The slide switch (XX) controis the directionof the blades:forward (switch down) or reverse (switch up).
NOTE: Wait for the fan to stop before reversing the sirection of the blade rotation
A. Warm werther-(Forward) A downward airflow creates a cooling effect.This allows you to set your air conditioner on a highter setting without affecting your comfort.
B. Cool weather-(Forward)An upward airflow moves warm aire off of the ceiling.This allows you to set your heating unit on a lowering setting without affecting your comfort.

Use of remote control

FanSpeed Low Level
FanSpeed Middle Level
FanSpeed High level
FanSTOP
LIGHT NO/OFF
Auto off after lhr
Auto off after 2hr
Auto off after 4hr
Auto off after 8hr
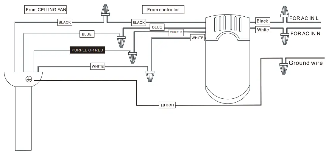
Remote control wiring diagram

- The motor “green” wire to the “Ground wire”wire From outside Outlet Box.
- The motor “black” wire to the remote control “black” wire From Remote control(receiver)
- The motor “purple” wire to the remote control “purple” wire From Remote control(receiver)
- The motor “blue” wire to the remote control “blue” wire From Remote control(receiver)
- The motor “white” wire to the remote control “white” wire From Remote control(receiver)
- Put the remote control transmitter into the ceiling canopy.
- The Remote control(receiver) “black”wire to the “AC IN L”wire From outside Outlet Box.
- The Remote control(receiver) “white”wire to the “AC IN N”wire From outside Outlet Box.
- Use the remote control to start using the ceiling fan lamp.
Care and Cleaning
WARNING: Make sure the power is off before cleaning P \ your fan.
- Because of the fan’s natural movement, some connections may become loose.Check the support connections,brackets,and blade attachments twice a year. Make sure they are secure. It is not necessary to remove the fan from the ceiling.
- Clean your fan periodically to help maintain its new appearance over the years. Do not use water when cleaning, as this could damage the motor or the wood, or possibly cause an electrical shock. Use only a soft brush or lint-free cloth to avoid scratching the finish. The plathing is sealed with a lacquer to minimize discoloration or tarnishing.
- You can apply a light coat of furniture polish to the wood for additional protection and enhanced beauty. Cover small scratches with a light application of shoe polish.
- You do not need to oil your fan. The motor has permanently-lubricated sealed ball bearings.
Troubleshooting
| Problem | Solution |
| The fan wills not start. | ❑Check the main and branch circuit fuses or breakers. ❑Check the line wire connections to the fan and switch wire connections in the switch housing. |
| The fan wills not start. | ❑Ensure all motor housing screws are snug. ❑Ensure the screws that attach the fan blade bracket to the motor hub are tight. ❑Ensure the wire nut connetions are not ratting against each other or the interior wall of the switch housing. ❑Allow a 24-hour “breaking in” period. Most noises associated with a new fan disappear during this time. ❑If you are using the Ceiling Fan light kit,ensure the screws securing the glassware are tight.Check that the light ❑bulbs are also secure. ❑Ensure the canopy is a short distance from the ceiling.lt should not touch the ceiling. ❑Ensure your outlet box is secure and rubber isolator pads wereused between the mounting plate and outlet box. |
| The fan wobbles. | ❑Check that all blade and blade arm screws are secure. ❑Most fan wobble problems are caused when blade levels are unequal.Check this level by selecting a point on the ❑ceiling above the tip of one of the blades.Measure from a point on the center of each blade to the point on the ❑ceiling.Measure this distance.Rotate the fan until the next blade is positioned for measurement.Repeat for each ❑blade.Any measurement deviation should be within 1/8 in. Run the fan for ten minutes.lf the fan continues to ❑wobble please contact Customer Service and a balancing kit will be sent to you a |
Remote control fan

USE AND CARE GUIDE





















