
INSTALLATION INSTURCITON
RAINPROOF POWER SUPPLY

![]()
TECHNICAL DATA
| Model | SKU | Watts | Output Voltage | Output Current | Dimension |
| VT-21060 | 3070 | 60W | DC:12V | 5A | 125 x 74 x 42mm |
| VT-21151 | 3231 | 150W | DC:12V | 12.5A | 207 x 74 x 42mm |
| VT-21251 | 3232 | 250W | DC: 12V | 20A | 218 x 95 x 50mm |
| VT-21401 | 3233 | 400W | DC: 12V | 33A | 223 x 118 x 50mm |
| VT-26400 | 3265 | 400W | DC:24V | 16.6A | 223 x 118 x 50mm |
INTRODUCTION & WARRANTY
Thank you for selecting and buying V-TAC product. V-TAC will serve you the best. Please read these instructions carefully before starting the installation and keep this manual handy for future reference. If you have any another query, please contact our dealer or local vendor from whom you have purchased the product. They are trained and ready to serve you at the best. The warranty is valid for 2 years from the date of purchase. The warranty does not apply to damage caused by incorrect installation or abnormal wear and tear. The company gives no warranty against damage to any surface due to incorrect removal and installation of the product. The products are suitable for 10-12 Hours Daily operation. Usage of product for 24 Hours a day would void the warranty. This product is warranted for manufacturing defects only.
This marking indicates that this product should not be disposed of with other household wastes.
Caution, risk of electric shock.
MULTI-LANGUAGE MANUAL QR CODE

https://vtacexports.com/pub/media/ftp-upload/manuals/VT-21251.html
Please scan the QR code to access the manual in multiple languages.
WARNING:
- Please make sure to turn off the power before starting the installation.
- Observe the connection diagram provided before connecting to the power supply
- Installation should be done by a qualified electrician.
- Disconnect the power supply when wiring or soldering the LED.
- Please ensure to check the DC output of the power supply matches with the DC Input of the striplight.
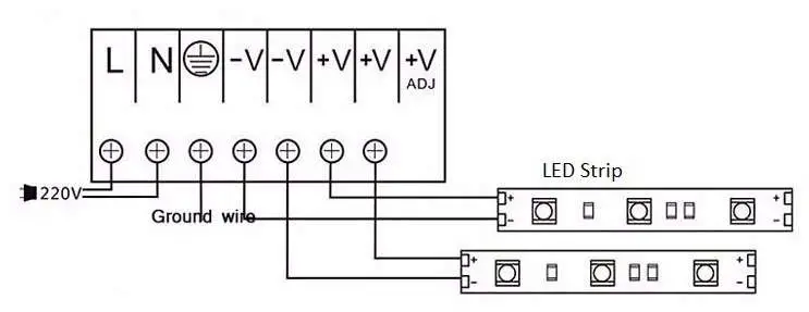
CONNECTION DIAGRAM:
| Neutral – black or blue | ![]() |
| Earth – yellow or yellowgreen | |
| Live – brown or red |
INSTALLATION:
- Please make sure to turn off the power before starting the installation.
- Connect the AC input source to the power supply and the AC plug (not included in the scope of delivery). AC plugs can be bought in any hardware store.
- Wire the DC output of the power supply unit to the strip light. Note: If the strip light is included with a DC connector – Please cut the DC connector of the striplight. Using a terminal block(not included in the scope of delivery ) wire the striplight to the DC source of the power supply.
- Plug the power adapter into the socket to illuminate the whole system.

IN CASE OF ANY QUERY/ISSUE WITH THE PRODUCT, PLEASE REACH OUT TO US AT: [email protected]
FOR MORE PRODUCTS RANGE, INQUIRY PLEASE CONTACT OUR DISTRIBUTOR OR NEAREST DEALERS. V-TAC EUROPE LTD. BULGARIA, PLOVDIV 4000, BUL.L.KARAVELOW 9B



















