KEUCO IXMO Basin Mixer with Single-Lever Mixer

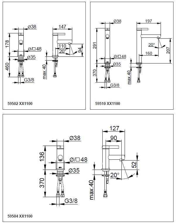
Mounting dimensions

Important information, please read
These instructions are for both the installer for installation and the user for operation and maintenance of the product. After installation, please hand them over to the user to keep.
Symbols and explanations
- Attention! Warning against bodily injury or damage to property.
- Note, tip or reference
- Incorrect installation
- Correct installation/test of functionality
- Observe installation details
- Cold water
- Hot water
- Water flow
- No water flow
Intended use
Single lever mixer tap for use in bathrooms and WCs. Operation possible with pressure tanks and thermally and hydraulically controlled instanta-neous water heaters. Operation with unpressuri-sed tanks (open water heaters) is not possible Operation only with potable water. Product is only suitable for installation indoor.
Attention: Only install in frost-free places.
Technical specifications
- Flow at 3 bar pressure: approx. 7 l/min
- Pressure: min. 0.5 bar/recommended 1-5 bar
- Operating pressure max. 10 bar
- Test pressure: 16 bar
- Recommended hot water inlet temperature: max. 65°C
- Water connection: cold = blue marking hot = red marking
Avoid pressure differences between the cold and hot water feeds. Install a pressure reducer for static pressures above 5 bar. For installation dimensions, refer to page 2
For installation, refer to the picture
Flush potable water pipes thoroughly before and after installation (observe EN 806 and 1717, as well as DIN 1988). Test connections for leaks with water pressure. For warranty and care information please refer to the attached warranty and care instructions.
Installation instruction


SPARE PARTS

KEUCO UK Ltd Amersham House Mill Street
GB-Berkhamsted HP4 2DT
Phone: +44 10442865220
E-Mail: [email protected]




















