FORNO FRHWM5074-22 22 Inch Built-In Range Hood Stainless Steel

Customer Care
Thank you for purchasing a FORNO product. Please read the entire instruction manual before operating your new appliance for the first time. Whether you are an occasional user or an expert, it will be beneficial to familiarize yourself with the safety practices, features, operation, and care recommendations of your appliance. Both the model and serial number are listed inside the product. For warranty purposes, you will also need the date and proof of purchase. Record this information below for future reference.
SERVICE INFORMATION
- Model Number: ————————————————————————-Use these numbers in any correspondence or service calls concerning your appliance.
- Serial Number: —————————–If you received a damaged cooking range, immediately contact FORNO customer service, and they will be able to guide through the procedure to follow.
- Date of Purchase:——————————————–
- Purchase Address & Phone: ———————————–Save time and money. Before you call for service, check the Troubleshooting Guide. It lists the causes of minor operating problems that you can correct yourself.
SERVICE IN CANADA & IN THE UNITED STATES:
Keep the instruction manual handy to answer your questions. If you don’t understand something or you need more assistance, please call our Customer Service: 1-866-231-8893 Opt. 2 Ext. 214
Or email: [email protected]
The instruction manual can be downloaded from www.forno.ca
If your appliance ever requires servicing, be sure to use a FORNO Factory Certified Service provider recommended by our customer care center. All Factory Certified Service providers are carefully selected and thoroughly trained by us.
WARNINGS
- Before servicing or cleaning unit, unplug or disconnect the range hood from the power supply.
- TO REDUCE THE RISK OF A RANGE TOP GREASE FIRE:
A. Never leave surface units unattended at high settings. Boil overs cause smoking and greasy spillovers that may ignite. Heat oils slowly on low or medium settings.
B. Always turn hood ON when cooking at high heat or when flambeing (i.e. Crepes Suzette, Cherries Jubilee, Peppercorn Beef Flambe).
C. Clean ventilation fans frequently. Grease should not be allowed to accumulate on fan or filter.
D. Use a pan of the proper size. Always use appropriate cookware for the size of the surface element. - TO REDUCE THE RISK OF INJURY TO PERSONS IN THE EVENT OF A RANGETOP GREASE FIRE, OBSERVE THE FOLLOWING:
A. SMOTHER FLAMES with a close-fitting lid, cookie sheet or metal tray, then turn off the burner. BE CAREFUL TO PREVENT BURNS. If the flames do not go out immediately, EVACUATE AND CALL THE FIRE DEPARTMENT.
B. NEVER PICK UP A FLAMING PAN – You may be burned.
C. DO NOT USE WATER, including wet dishcloths or towels – a violent steam explosion will result.
D. Use an extinguisher ONLY if:
- You know you have a Class ABC extinguisher, and you already know how to operate it.
- The fire is small and contained in the area where it started.
- The fire department is being called.
- You can fight the fire with your back to an exit.
WARNING: This product can expose you to chemicals including [Lead, Lead and lead compounds], which is [are] known to the State of California to cause cancer and birth defects or other reproductive harm. For more information go to www.P65Warnings.ca.gov.
PRODUCT SPECIFICATION & TECHNICAL PARAMETERS
- Rated Voltage: 120V/60Hz
- Light Power: Halogen Lamp 2X20W
- Motor Power: 60W
- Total Power: 100W
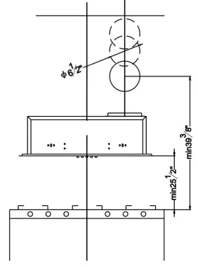
- Air Outlet Diameter: 5 13/16″
RECOMMENDATIONS AND SUGGESTIONS FOR INSTALLATION
- The manufacturer will not be held liable for any damages resulting from incorrect or improper installation.
- Please read this instruction manual before installing and using this range hood. Please keep this instruction manual in a safe place for future reference.
- Only a qualified and trained service technician can undertake installation and servicing work.
- Check that the main voltage corresponds to the one indicated on the rating plate attached to the inside of the hood.
- If the hood is used in conjunction with non-electrical appliances (i.e. gas burning appliances), a sufficient degree of ventilation must be guaranteed in the room in order to prevent the backflow of exhaust gas. The kitchen must have an opening directly to open air in order to guarantee the entry of clean air.
- The minimum distance from the range hood to a cooktop is 25-1/2”, including gas and electric ranges.
- NOTICE: Two or more people are required Failure to do so can cause physical injuries.
USE
- The range hood has been designed only for domestic use to eliminate kitchen fumes.
- Never use the hood for purposes other than what it has been designed for.
- Never leave high exposed flames burning under the hood when it is in operation.
- Adjust the flame intensity to direct it onto the bottom of the pan only; making sure that it does not engulf the sides of the pan.
- Deep fryers must be continuously monitored during use: overheated oil can burst into flames.
- The hood should not be used by children or persons not instructed in its correct use.
MAINTENANCE
- Proper maintenance of the range hood will ensure proper performance of the unit.
- Disconnect the hood from the main supply before carrying out any maintenance work.
- Clean and/or replace aluminum grease filters and activated charcoal filters after a specified period of time.
- Clean the hood using a damp cloth and a neutral liquid detergent.
- DISPOSAL: Do not dispose of this product as unsorted municipal waste. Collection of such waste separately for special treatment is necessary.
WARNING!
In certain circumstances, electrical appliances may be a danger hazard.
- Do not check the status of the filters while the cooker hood is operating
- Do not touch the light bulbs after appliance use
- Do not disconnect the appliance with wet hands.
- To reduce the risk of fire or electric shock, do not use this fan with any solid-state switch.
- Avoid exposed flames, as it would do damage to the filters from a fire hazard
- Constantly check frying foods to avoid the overheated oil becoming a fire hazard
- Disconnect the electrical plug prior to any maintenance or servicing.
- Children don’t recognize the risks of electrical appliances. For this reason, use the appliance only under supervision of adults and out of reach of children.
TO REDUCE THE RISK OF FIRE, ELECTRIC SHOCK, OR INJURY TO PERSONS, OBSERVE THE FOLLOWING:
- a) Installation work and electrical wiring must be done by qualified person(s) in accordance with all applicable codes and standards, including fire-rated construction.
- b) Sufficient air is needed for proper combustion and exhausting of gases through the flue (chimney) of fuel burning equipment to prevent back drafting.
- c) When cutting or drilling into wall or ceiling, do not damage electrical wiring and other hidden utilities.
- d) Ducted fans must always be vented to the outdoors.
- Do not use this product outdoors.
- This appliance is not intended for use by persons (including children) with reduced physical, sensory or mental capabilities, or lack of experience and knowledge, unless they have been given supervision or instruction, concerning use of the appliance by a person responsible for their safety.
Children should be supervised to ensure that they do not play with the appliance. - There shall be adequate ventilation of the room when the range hood is used at the same time as appliances burning gas or other fuels.
- There is a fire risk if cleaning is not carried out in accordance with instructions.
- The exhaust air must not be discharged into a flue that is used for exhausting fumes from appliances burning gas or other fuels.
DIMENSIONS
INSTALLATION & USE OPERATION OF CONTROLS 
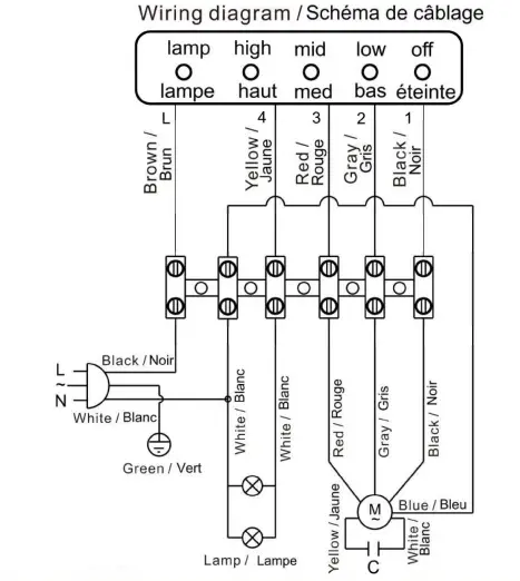
The hood is operated using the push button on the front panel.
The light switch turns the lamps on and off. The blower switch turns the blower on to three-speed settings:
- 0 – OFF
- LOW SPEED
- MEDIUM SPEED
- HIGH SPEED
Grease Filters
The grease filters should be cleaned frequently. Use a warm detergent solution. Grease filters are washable
Ducting
The hood draws the cooking air saturated with fumes and odor, through the grease filters and then expels it to the outside through an outlet pipe.
Caution: To reduce the risk of fire, the use of metal ductwork is preferred. Do not use flammable material to transport exhaust air.
- Decide where the ductwork will run between the hood and the outside.
- A straight, short duct run will allow the hood to perform most efficiently.
- Long duct runs, elbows, and transitions will reduce the performance of the hood. Use as few of them as possible. Larger ducting may be required for best performance with longer duct runs.
- The air must not be discharged into a flue that is used for
exhausting fume from appliances burning gas or other fuels. Regulations concerning the discharge of air must be followed. Check with the local authority and building codes for exhaust ducting requirements. - Install a roof/wall cap. Connect round metal ductwork to cap and work back towards hood location.
Electrical Connection
- Electrical wiring must be done by a qualified person in accordance with all applicable codes and standards. Turn off electrical power at service entrance before wiring.
- If the supply cord is damaged, it must be replaced by the manufacturer, its service agent or similarly qualified persons in order to avoid a hazard.
- Do not use the plug and an extension cord other that the ones initially supplied with the hood.
WARNING
- TO REDUCE THE RISK OF FIRE, USE ONLY METAL DUCTWORK.
- GROUNDING INSTRUCTIONS
This appliance must be grounded. In the event of an electrical short circuit, grounding reduces the risk of electric shock by providing an escape wire for the electric current. This appliance is equipped with a cord with a grounding wire and a grounding plug. The plug must be plugged into an outlet that is properly installed and grounded.
WARNING -Improper grounding can result in a risk of electric shock.
Consult a qualified electrician if the grounding instructions are not completely understood, or if there is doubt as to whether the appliance is properly grounded. Do not use an extension cord. If the power supply cord is too short, have a qualified electrician install an outlet near the appliance.
CAUTION: To reduce the risk of fire and to properly exhaust air, be sure to vent air outside – Do not vent exhaust air into spaces within walls, ceilings, or into attics, crawl spaces, or garages.
INSTALLATION
Before beginning the installation, we advise you to remove the aluminum filter, to better handle the hood. Before attaching it, the outlet exhaust duct for air evacuation to the outside must be installed. Use an outlet exhaust duct with:
- Minimum possible bends (maximum angle of bend: 90°);
- Certified material (according to local, building and fire regulations);
- and as smooth as possible inside.
- It is also advisable to avoid any drastic changes in duct cross-section (recommended diameter: 6-1/8″) Drill the hole in the wall for the air outlet (6-1/2″ diameter) referring to drawings here on the right where the measurements for the various possibilities are indicated. Decide on the position of the hole for the air outlet: The hole must be in the ceiling, according to your requirements, but must be in vertical line with your hood. Bear in mind that the hood can expel air through the top air outlet only.
Fitting under wall unit
Note 1: Before attaching the hood to the wall unit, drill a hole of 6 1/2” diameter into the wall unit.
Note 2: In any case, check the position of the power outlet where the power cable will run, since a hole might have to be made in the wall unit to accommodate it.
- Take off the aluminum filter according to Pic.1.

- Take off the lights according to the instruction showed in Pic.2. Take out the 2 screws on both sides indicated in Pic.2.

- Push upward to take off the front panel as indicated in Pic.3.

- Drill 4 holes into the wall unit, following the distance indicated in Pic.4. Push the hood up against the wall unit and attach the hood with 4 screws (ST3.9*25) as indicated in Pic.4.

- Attach the front panel, lamps and aluminum filter in the reverse order as indicated in Pic. 5.

- After you install the aluminum filter, attach the flexible pipe on the air outlet and seal with tape and plastic strap as indicated in Pic.6.

- Make the electrical connection.
The installation is now complete.




























