WEN DF475T 4750 Watt Dual Fuel Generator Instruction Manual
IMPORTANT:
Your new tool has been engineered and manufactured to WEN’s highest standards for dependability, ease of operation, and operator safety. When properly cared for, this product will supply you years of rugged, trouble-free performance. Pay close attention to the rules for safe operation, warnings, and cautions. If you use your tool properly and for its intended purpose, you will enjoy years of safe, reliable service.
KEY SPECIFICATIONS
| Model Number | DF475, DF475T |
| Rated Wattage | Gasoline: 3800 Watts, LPG: 3500 Watts |
| Surge Wattage | Gasoline: 4750 Watts, LPG: 4350 Watts |
| Frequency | 60Hz |
| Rated Voltage | AC: 120V/240V, DC: 12V |
| Rated Amperage | AC: 32A/16A, DC: 8A |
| Engine | OHV, 4 stroke, single cylinder, 224cc |
| Fuel Tank Capacity | 4 US gallons (15 L), 87 octane minimum |
| Oil Capacity | 20.3 fl. oz. (0.6 L) |
| Half-Load Run Time | Gasoline: 11 hours |
| LPG (with 20 lb tank): 7 hours | |
| Product Dimensions | 23.2 x 17.5 x 18.5 in. (L x W x H) |
| Product Net Weight | 105.8 lbs (48 kg) |
Your generator is compatible with the WEN 55201 Magnetic Oil Dipstick,
available at wenproducts.com
INTRODUCTION
THANKS FOR PURCHASING THE WEN GENERATOR!
Refer to the illustration below for the location of the serial number. Record the generator information in the spaces provided below. If assistance for information or service is required, please contact the Customer Service Help Line by calling 800-232-1195, M-F 8-5 CST; you will be asked to provide the following generator information when calling.
GENERATOR MODEL NUMBER: WEN DF475, WEN DF475T
DATE OF PURCHASE:
__________________________________________
PURCHASED FROM:
___________________________________________
SERIAL NUMBER: ___________________________________________

SERVICE RECORD
Record the service dates of your generator in the chart below. Please perform maintenance checks and operations according to the “MAINTENANCE” section of the manual.
| Service Record | Date | Date | Date | Date | Date | Date |
| Change Oil | ||||||
| Change Spark Plug | ||||||
| Clean Air Cleaner | ||||||
| Clean Spark Arrestor | ||||||
| Clean Fuel Tank |
TO MAXIMIZE THE LIFESPAN OF YOUR GENERATOR:
We recommend running your generator at least ONCE A MONTH for 20 to 30 minutes. Start the generator according to the instructions and plug a small load in to make sure the outlet is producing electricity.
SAFETY INFORMATION
WARNING: Before operating the generator, make sure to read all safety warnings and all instructions.
Failure to follow the warnings and instructions may result in electric shock, fire or serious injury.
SAFETY INTRODUCTION
Safety is a combination of common sense, staying alert, and knowing how your tool works. This manual contains important information regarding the generator’s potential safety concerns, as well as preparation, operation, and maintenance instructions. Before operating this generator, be sure to read and observe all warnings and instructions both on the generator labels and in this instruction manual. Failure to follow all instructions listed below may result in personal injury.
NOTE: The following safety information is not meant to cover all possible conditions and situations that may occur. WEN reserves the right to change this product and specifications at any time without prior notice.
SAVE THESE INSTRUCTIONS – Please keep this manual available to all users during the entire life of the tool.
Review it frequently to maximize safety for both yourself and others.
SAFETY SYMBOLS
The purpose of following safety symbols is to attract your attention to possible dangers. The safety symbols, and their explanations, deserve your careful attention and understanding. The safety warnings do not by themselves eliminate any danger. The instructions or warnings they give are not substitutes for proper accident prevention measures.
DANGER: indicates a hazard, which, if not avoided, will result in death or serious injury.
WARNING: indicates a hazard, which, if not avoided, could result in death or serious injury.
CAUTION: indicates a hazard, which, if not avoided, might result in minor or moderate injury.
CAUTION: when used without the alert symbol, indicates a situation that could result in damage to the machine.
NOTICE REGARDING EMISSIONS
Engines that are certified to comply with U.S. EPA emission regulations for SORE (Small Off Road Equipment), are certified to operate on regular unleaded gasoline, and may include the following emission control systems: (EM) Engine Modifications and (TWC) Three-Way Catalyst (if so equipped).
QUESTIONS? PROBLEMS?
In order to answer questions and solve problems in the most efficient and speedy manner, contact Customer Service at (800) 232-1195, M-F 8-5 CST or email [email protected].
GENERATOR SAFETY WARNINGS
DANGER: CARBON MONOXIDE
Using a generator indoors CAN KILL YOU IN MINUTES. Generator exhaust contains carbon monoxide (CO).
This is a poison gas you cannot see or smell. If you can smell the generator exhaust, you are breathing CO.
But even if you cannot smell the exhaust, you could be breathing CO.

NEVER use a generator inside homes, garages, crawl spaces, or other partially enclosed areas. Deadly levels of carbon monoxide can build up in these areas. Using a fan or opening windows and doors does NOT supply enough fresh air. ONLY use a generator OUTSIDE and far away from windows, doors, and vents. These openings can pull in generator exhaust.
Even if you use a generator correctly, CO may leak into the home. ALWAYS use a battery-powered or batterybackup CO alarm in the home. If you start to feel sick, dizzy, or weak after the generator has been running, move to fresh air RIGHT AWAY. See a doctor. You may have carbon monoxide poisoning.
WARNING: RISK OF EXPLOSION. HIGHLY FLAMMABLE: This generator may emit highly flammable and explosive gasoline vapors, which can cause severe burns or even death, if ignited. A nearby open flame can lead to explosion even if not directly in contact with gasoline.
- Do not operate near open flame.
- Do not smoke near generator.
- Always operate on a firm, level surface.
- Always turn generator off before refueling. Allow generator to cool for at least 2 minutes before removing fuel cap. Loosen cap slowly to relieve pressure in tank.
- Do not overfill fuel tank. Gasoline may expand during operation. Do not fill to the top of the tank. Allow for expansion.
- Always check for spilled fuel before operating.
- Empty fuel tank before storing or transporting the generator.
- Before transporting, turn fuel valve to OFF and disconnect spark plug wire.
WARNING: If this generator is used as a supply for a BUILDING’S WIRING SYSTEM, the generator MUST be installed by a qualified electrician and connected to a transfer switch as a separately derived system in accordance with all applicable laws and electrical codes and the National Electrical Code, NFPA 70. The generator shall be connected to a transfer switch that switches all conductors excluding the equipment grounding conductor. The frame of the generator shall be connected to an approved grounding electrode.
California Proposition 65 WARNING: This product contains chemicals and produces exhaust known to the State of California to cause cancer, birth defects and other reproductive harm.
WARNING: Do not let comfort or familiarity with the product replace strict adherence to product safety rules. Failure to follow the safety instructions may result in serious personal injury.
OPERATING ENVIRONMENT
- Using a generator indoors can KILL YOU IN MINUTES. Only use a generator outside and far away from windows, doors and vents.
- Do not operate near open flame or flammable materials. This generator may emit highly flammable and explosive gasoline vapors, which can cause severe burns or even death if ignited. A nearby open flame can lead to an explosion even if it isn’t directly in contact with gasoline.
- Do not smoke near the generator.
- Do not use the generator in rainy or wet conditions; doing so significantly increases the risk of electrical shock.
- Always operate the generator on a dry, firm, level surface.
- Do not allow children or non-qualified persons to operate the generator.
- Do not use or store LPG cylinder in a building, garage or enclosed area. Failure to do so will result in death or serious injury. Liquid Petroleum Gas (LPG) is highly flammable and explosive. Flammable gas under pressure can cause a fire or explosion if ignited. Always keep the LPG cylinder in an upright position. The LPG cylinder valve should be turned OFF (closed) when generator is not in use; failure to do so could result in death or serious injury.
GENERATOR PREPARATION
- Always ground the generator before using it to maximize safety (see “GROUND THE GENERATOR” section on page 18).
- Always make sure generator is turned OFF before filling the fuel tank. Do not overfill fuel tank, as gasoline may expand during operation. Do not fill to the very top of the tank. Leave room for gasoline expansion. Always check for spilled fuel before operating.
- Do not use receptacles or cords that show signs of damage, such as broken or cracked insulation. If any part of the generator or electrical device is broken, damaged, or defective, make sure it is repaired or replaced before operation. Service should only be performed by a qualified technician.
- Use a ground fault circuit interrupter (GFCI) in highly conductive areas such as metal decking or steel work. Extension cords with in-line GFCIs are recommended for these operations to maximize safety.
- NEVER connect the generator to a building’s electrical system without consulting a qualified electrician. Such connections must comply with local electrical laws and codes. Failure to comply can create a back-feed, which may result in serious injury or death to utility workers.
GENERATOR OPERATION
- Only use the generator for its intended purposes. Modifying or using the generator for operations for which it was not designed may cause hazards and personal injury.
- Do not touch bare wires or receptacles (outlets).
- Do not exceed the wattage capacity of the generator by plugging in more electrical devices than the unit can handle.
- Allow generator to run for several minutes before connecting electrical devices.
- Do not exceed the wattage capacity of the generator by plugging in more electrical devices than the unit can handle (see “OPERATION” section).
- Do not turn on electrical devices until after they are connected to the generator.
- Generators vibrate in normal use. During and after the use of the generator, inspect both the generator as well as extension and power supply cords for damage resulting from vibration.
- Do not touch HOT PARTS. This generator produces heat when running. Temperatures near exhaust can exceed 150º F (65º C). Allow generator to cool down after use before touching engine or areas of the generator that become hot during use.
- Turn off all connected electrical devices before stopping the generator.
- Always turn generator off before refueling. Allow generator to cool for at least 2 minutes before removing fuel cap. Loosen cap slowly to relieve pressure in tank.
- Turn the engine switch to “OFF” position when the engine is not running.
- Empty fuel tank before storing or transporting the generator. Do not store generator or gasoline near furnaces, water heaters, or any other appliances that produce heat or have automatic ignitions. Store the generator and fuel away from sparks, open flames, pilot lights, heat and other sources of ignition.
CAUTION: Misuse of this generator can damage it or shorten its lifespan.
TO MAXIMIZE THE LIFESPAN OF YOUR GENERATOR:
We recommend running your generator at least once a month for 20 to 30 minutes. Start the generator according to the instructions and plug a small load in to make sure the outlet is producing electricity.
If you do not run it often, it will greatly shorten the generator’s lifespan and void the warranty.
KNOW YOUR GENERATOR
Use the illustration below to become familiar with all the components and controls of this generator. If any part is damaged or missing, please contact our customer service at (800) 232-1195, M-F 8-5 CST or email us at [email protected].

- Gasoline Fuel Cap
Access to the fuel tank for adding gasoline - Fuel Gauge
Indicates amount of fuel inside the fuel tank E indicates Empty, F indicates Full - Pressure Relief Valve
- Choke Lever
Adjusts the amount of air let into the engine during startup - Fuel Valve
Allows fuel to enter engine from the fuel tank - Air Filter
A case with a sponge-like element that filters the air entering the engine - Recoil Starter
Pull cord for manually starting the engine - 224cc OHV Engine
- Transportation Handle
For easy transport of the generator (installed by user) - Fuel Tank
- Control Panel
Refer to the next page for descriptions - Battery
Connect the battery before starting the generator - Oil Fill and Dipstick
For filling and checking oil - LPG Hose Connector
Connects to LPG hose and LPG cylinder
KNOW YOUR CONTROL PANEL

- Fuel Selector Dial
Turn the dial to select between gasoline or LPG before operation - Electric Start Key
Turn the key to start, run and stop the engine - DC 12V Receptacle
Cigarette lighter style receptacle, 12V DC, 8A - DC Circuit Breaker
Thermal protector that protects the DC circuit from overload - AC 120V 20A NEMA 5-20 GFCI Receptacles
Connect electrical devices that run on 120V, 60 Hz, single phase, AC current - 20A Circuit Breaker (for 5-20R)
Thermal protector that protects the 5-20 receptacles from overload - Voltage Selector
Selects the voltage between 120V and 240V for the L14-30 receptacle - AC 120/240V 30A NEMA L14-30R Twistlock Receptacle
Connect electrical devices that run on 120V/240V, 60 Hz, single phase, AC current - 16A Main Circuit Breakers
Thermal protectors that protect the generator’s main circuit from overload - Grounding Nut
Ground generator to reduce risk of electric shock
UNPACKING & ASSEMBLY
UNPACKING THE GENERATOR AND ACCESSORIES
Open the packaging and take out all loose parts from the box. With the help of a good friend or trustworthy foe, carefully lift the generator from the packaging and place it on a sturdy, level surface.
Make sure all the accessories are accounted for and fully assemble the generator before discarding the packaging.
If any part is missing or broken, please contact our customer service at (800) 232-1195, M-F 8-5 CST or email us at [email protected].
IMPORTANT: Two red shipping brackets have been added to the bottom of your generator to protect the generator during shipping. Please make sure to remove BOTH shipping brackets before operation.

IMPORTANT: The LPG hose is packed underneath the fuel tank, sitting above the engine. Remove to hose and set it aside before assembling or operating the generator.
PACKING LIST
| No. | Accessory | Qty. |
| 43 | Foot Support Assembly | 2 |
| 44 | Foot Support Isolator | 2 |
| 32 | M6X40 Bolt | 4 |
| 45 | M6 Nut | 6 |
| 42 | Wheel | 2 |
| 48 | Wheel Axle | 2 |
| 16 | Flat Washer | 2 |
| 25 | Cotter Pin | 2 |
| 19 | Handle | 1 |
| No. | Accessory | Qty. |
| 49 | Handle Connector | 1 |
| 31 | M8X35 Bolt | 2 |
| 64 | M8 Hex Nut | 8 |
| 59 | Handle Bolt | 1 |
| 30 | Handle Fixing Clip | 1 |
| 15 | M6X55 Bolt | 1 |
| N/A | Spark Plug Wrench | 1 |
| N/A | First Stage Regulator | 1 |
| N/A | Oil Bottle | 1 |
TO INSTALL THE FEET:
Slide two M6X40 bolts (32) through the foot support assembly (43) and the generator frame. Tighten with M6 nuts (45). Repeat for the other foot.
TO INSTALL THE WHEELS:
NOTE: Connecting/disconnecting the battery’s negative terminal requires removing the right wheel. For your convenience of assembly, the battery’s negative terminal has been pre-connectecd from the manufacturer.
Before installing the wheels, verify that the negative terminal of the battery has been connected securely.
Slide the wheel axle (48) through the wheel (42), flat washer (16), and wheel bracket on the frame. Insert a cotter pin (25) through the hole on the end of the axle to keep the wheel in place. Repeat for the other wheel.
TO INSTALL THE HANDLE:
Slide the M8X35 bolts (31) through the handle connector (49) and the frame. Tighten with the M8 nuts (64). Slide the handle bolt (59) through the handle connector (49) and the handle (19), and tighten with M8 nut (64).
Next, install the handle fixing clip (30). Insert the M6X55 bolt (15) through the frame and handle fixing clip (30) and tighten with M6 nut (45).

NOTE: Only the generator frame is shown to maximize clarity for assembly.
The following section describes the necessary steps to prepare the generator for use. If you are unsure about how to perform any of the steps please call (800) 232-1195 M-F 8-5 CST for customer service. Failure to perform these steps properly can damage the generator or shorten its life.
STEP 1 – ADD/CHECK OIL
The generator is shipped without oil. User must add the proper amount of oil before operating the generator for the first time. The oil capacity of the engine crankcase is 20.3 fl. oz (0.6 L).
ENGINE OIL RECOMMENDATIONS – Select good quality detergent oil bearing the American Petroleum Institute (API) service classifications SJ, SL, or SM (synthetic oils may be used). Select the SAE viscosity grade of oil that matches the expected operating temperature. For general use (above 40° F), we recommend 30W engine oil.
- 30W engine oil for temperatures above 40°F
- 10W-30 engine oil for temperatures between 0°F – 40°F.
- Synthetic 5W-30 engine oil for all temperature ranges.

Fig. 1 – Oil Recommendation Chart
To add oil, follow these steps:
- Place the generator on a level surface. Make sure the engine is OFF before adding or checking oil.
CAUTION: Keep the generator level! Tilting the generator to assist in filling will cause oil to flow into the wrong areas of the engine and will cause damage. - Unscrew the oil dipstick from the engine.
- Using an oil funnel or appropriate dispenser, slowly add oil into the oil fill (Fig. 2), being careful not to overfill the unit. Fill the crankcase to the upper fill line so you can visually see the oil coming halfway up the oil fill threads (Fig. 3).


- Reinstall the oil dipstick and firmly tighten it. Wipe clean any spilled oil.
GENERATOR PREPARATION
For subsequent operation, the oil level should be checked before each use, or after every 8 hours of operation. The generator is equipped with a low-oil sensor and will NOT start without a sufficient amount of oil.
To check oil level (before every subsequent start):
- Place the generator on a level surface. Make sure the engine is OFF before adding or checking oil.
- Remove and wipe the dipstick with a clean rag.
- Insert the dipstick into the oil fill without screwing it in. Remove the dipstick to check the oil mark (Fig. 4).

If the oil mark covers less than one half of the dipstick, slowly add oil until the oil mark reaches to the top of the dipstick (or when you can see the oil coming halfway up the oil fill threads). - Wipe clean any oil leaks and firmly tighten the dipstick.
OIL LEVEL SHUTDOWN
To protect the unit from damage, the generator is equipped with a low-oil-pressure shutoff that will automatically shut down the engine when the oil level is too low. The oil level of the engine should be checked before each start to ensure that the engine crankcase contains sufficient lubricant.
TIP: Your WEN generator is compatible with the WEN 55201 Magnetic Oil Dipstick (not included), available for purchase at wenproducts.com. The dipstick’s industrial-strength magnetic tip will collect metal shavings from your generator’s oil tank to help preserve the engine and extend your generator’s lifespan.
STEP 2 – ADD/CHECK FUEL
FUEL OPTION A: GASOLINE
GASOLINE WARNING: Keep generator away from open flame. This generator may emit highly flammable and explosive gasoline vapors, which can cause severe burns or even death if ignited. A nearby open flame can
lead to explosion even if not directly in contact with gasoline.
- Do not operate near open flame.
- Do not smoke near the generator.
- Always operate on a firm, level surface.
- Always turn generator off before refueling. Allow generator to cool for at least 2 minutes before removing fuel cap. Loosen cap slowly to relieve pressure in tank.
- Do not overfill fuel tank. Fuel may expand during operation. Do not fill to the top of the tank. Allow for expansion.
- Always check for spilled fuel before operating. Clean up any spilled fuel before starting.
- Empty fuel tank before storing or transporting the generator to prevent spilling.
Use ONLY fresh (within 30 days from purchase), lead-free gasoline with a minimum of 87 octane rating. The generator performs best with ethanol-free gasoline. DO NOT use gasoline with over 10% ethanol.
The capacity of the fuel tank is 6.6 gallons. DO NOT mix oil with gasoline.
To add gasoline, follow these steps:
- Make sure the generator is shut OFF and on a level surface.
Unscrew the fuel cap (Fig. 6) and set it aside. The fuel cap may be tight and hard to unscrew. - Slowly add unleaded gasoline to the fuel tank. Be careful not to overfill.
NOTE: Do not fill the fuel tank to the very top. If you do so, gasoline will expand and spill during use, even with the fuel cap in place. - Reinstall fuel cap and wipe clean any spilled gasoline with a dry cloth.
To check fuel level
(before every subsequent start):
Before starting the generator, check the fuel gauge to see if there is sufficient fuel inside the tank. “E” indicates Empty and “F” indicates Full. Refill the fuel tank as necessary.
IMPORTANT
- Never use an oil/gasoline mixture.
- Never use old gasoline.
- Keep gasoline away from sparks, open flames, pilot lights, heat and other sources of ignition.
- Avoid getting dirt or water into the fuel tank.
- Gasoline can age in the tank and make starting difficult. Never store generator for more than 2 months with fuel in the tank.

WARNING: If using gasoline, the LPG tank must be shut OFF. If using LPG, the fuel valve on the generator must be turned to OFF position.
FUEL OPTION B: LIQUID PETROLEUM GAS (LPG)
DANGER: EXPLOSION AND FIRE. LP vapors are extremely flammable and explosive. Do not use or store LP cylinder in a building, garage or enclosed area. Failure to do so will result in death or serious injury.
WARNING: EXPLOSION AND FIRE. The cylinder valve should be turned OFF (closed) when generator is not in use. Failure to do so could result in death or serious injury.
- Always keep the LPG cylinder in an upright position.
- When transporting and storing, keep cylinder secured in an upright position with cylinder valve turned off.
Keep cylinders ventilated and away from heat when in a vehicle. - Liquid Petroleum Gas (LPG) is highly flammable and explosive. Flammable gas under pressure can cause a fire or explosion if ignited.
- In any petroleum gas fire, flames should not be extinguished unless the fuel supply valve is turned OFF. If a fire is extinguished and a supply of fuel is not turned OFF, an explosion hazard could be created.
- RISK OF BURNS. Contact with liquid contents of cylinder will cause freeze burns to the skin. If liquid contents contacts skin or eyes, seek immediate medical attention.
- When exchanging LPG cylinders, be sure the cylinder valve is of the same type.
NOTE: LPG regulator inlet pressure is approximately 30 PSI at 0 °F, and 218 PSI at 100 °F.
- You can use LPG tanks with Type 1, right hand Acme threads with this generator. Verify that the qualification date on tank has not expired. Do not use rusted or damaged cylinders.
- All new cylinders must be purged of air and moisture prior to filling. Used cylinders that have not been plugged or kept closed must also be purged.
- The purging process should be done by the propane gas supplier. (Cylinders from an exchange supplier should have been purged and properly filled by supplier).
Follow the instruction on the next page for connecting your generator to an LPG cylinder.
To connect your generator to an LPG cylinder:
- Take off the safety caps from the cylinder valve, generator mounted regulator, and regulator connecting hose ends.
- With the LPG tank closed, attach the LPG regulator connecting hose into the valve. Turn the plastic coupling from the hose right (clockwise) to tighten hose assembly onto the LPG tank (Fig. 7).
- Connect the opposite regulator connecting hose end to the generator’s LPG primary regulator with a 3/4 in. (19mm) wrench (not supplied) (Fig. 8).
- Turn the LPG tank valve ON (Fig. 9) and check for leaks by spraying soapy water to check connections. If bubbles appear, become larger in size, or increase in number, a leak exists. This MUST be corrected before using generator. Contact your local Independent Authorized Service Dealer (IASD) for assistance.



NOTE: You can use Teflon (or other tape) to secure the connection of
the LPG hose to your generator.
CAUTION: Always position the LPG cylinder so the connection between the valve and regulator won’t cause sharp bends or kinks in hose.
WARNING: Risk of burns. Contact with liquid contents of cylinder will cause freeze burns to the skin. If liquid contents contacts skin or eyes, seek immediate medical attention.
WARNING: When transporting and storing, keep cylinder secured in an upright position with cylinder valve turned off. Keep cylinders ventilated and away from heat when in a vehicle.
STEP 3: CONNECT THE BATTERY
WARNING: BATTERY GIVES OFF EXPLOSIVE HYDROGEN GAS.
- Keep battery away from spark, flame, or cigarette.
- Do not connect or disconnect battery while generator is running.
- Service or use battery only in well ventilated areas.
WARNING: Battery contains sulfuric acid. Battery acid is poisonous. Tilting the generator with the battery installed can cause battery acid to spill.
- Wear protective clothing and eye wear when servicing battery.
- Keep out of reach of children.
- Do not tilt generator with battery installed.
- If battery acid gets on your skin, wash with water immediately.
- If battery acid gets in your eyes, flush with water for at least 15 minutes and call a doctor immediately.
If battery acid is swallowed, call a doctor immediately. Drink a large amount of water or milk. Then drink milk of magnesia or vegetable oil.
Connecting/disconnecting the battery’s negative terminal requires removing the right wheel. For your convenience of assembly, the battery’s negative terminal has been pre-connectecd from the manufacturer. Follow the instructions below to connect the battery’s positive terminal.
NOTE: When using gasoline to run the generator, the battery must be connected whether using electric or recoil start. The battery must also be connected for electric start when using LPG, but the battery does not need to be connected for recoil start on LPG.
To connect the battery:
- Remove the cover from the positive (+) battery terminal .
- Connect the red cable to the positive (+) battery terminal with the suitable nuts and bolts.
- Make sure connections are secure and slide rubber boot over the positive (+) battery terminal and connection hardware.
- Check that the negative (-) battery terminal has been pre-connected properly.
IMPORTANT: If you do not plan to use the generator for an extended period of time, it is recommended to DISCONNECT the battery cable from the battery terminal to protect the battery from losing charge. After disconnecting the cable, cover the free end with an insulator such as electrical tape.
STEP 4 – GROUND THE GENERATOR
To reduce the risk of electric shock and to maximize safety, the generator should be properly grounded.
Ground the generator by tightening the grounding nut on the front control panel (Fig. 10) against a grounding wire. A generally acceptable grounding wire is a No. 12 AWG (American Wire Gauge) stranded copper wire.

This grounding wire should be connected at the other end to a copper, brass, or steel-grounding rod that is driven into the earth. Wire and grounding rods are not included with the generator.
NOTE: Grounding codes can vary by location. Contact a local electrician to check the area codes.
WARNING: Failure to properly ground the generator increases your risk of electric shock.
HIGH ALTITUDE OPERATION ABOVE 2000 FEET
The fuel system on this generator may be affected by operation at high altitudes. Proper operation can be ensured by installing an altitude kit at altitudes higher than 2000 feet above sea level. At elevations above 7000 feet, the engine may experience a decrease in performance, even with the proper altitude kit. Operating this generator without said kit may increase the engine’s emissions and decrease both fuel economy and performance.
This kit should be installed by a qualified mechanic. You can order the kit at wenproducts.com by searching part number DF475-HA27. Refer to the instructions included with your altitude kit for more information about installation.
WARNING: To prevent serious injury from fire, follow the kit installation procedures in a well-ventilated area away from ignition sources. If the engine is hot from use, shut the engine off and wait for it to cool before
proceeding. Do not smoke near the generator. Warranty will be void if adjustments are not made for high altitude use.
CAUTION: Engines with the high-altitude kit installed operated at lower altitudes could cause severe engine damage and affect emissions compliance. Be sure to UNINSTALL the high altitude kit when operating at altitudes below 2000 feet.
After completing the above preparation, the generator is ready to be started.
STARTING THE GENERATOR
Before starting the generator, make sure you have read and performed the steps in the “GENERATOR PREPARATION” section of this manual. If you are unsure about how to perform any of the steps in this manual please call (800) 232-1195 M-F 8-5 CST for customer service.
DANGER: CARBON MONOXIDE
Using a generator indoors CAN KILL YOU IN MINUTES. Generator exhaust contains carbon monoxide (CO).
This is a poison gas you cannot see or smell. If you can smell the generator exhaust, you are breathing CO. But even if you cannot smell the exhaust, you could be breathing CO.
NEVER use a generator inside homes, garages, crawl spaces, or other partially enclosed areas. Deadly levels of carbon monoxide can build up in these areas. Using a fan or opening windows and doors does NOT supply enough fresh air. ONLY use a generator OUTSIDE and far away from windows, doors, and vents. These openings can pull in generator exhaust.
Even if you use a generator correctly, CO may leak into the home. ALWAYS use a battery-powered or batterybackup CO alarm in the home. If you start to feel sick, dizzy, or weak after the generator has been running, move to fresh air RIGHT AWAY. See a doctor. You may have carbon monoxide poisoning.
WARNING: The exhaust from this product contains chemicals known to the State of California to cause cancer, birth defects, or other reproductive harm.
WARNING: DO NOT operate generator near open flame or flammable materials This generator may emit highly flammable and explosive gasoline vapors, which can cause severe burns or even death if ignited. A nearby open flame can lead to explosion even if it isn’t directly in contact with gasoline. Do not smoke near the generator.
WARNING: This generator produces powerful voltage, which can result in electrocution.
WARNING: Do not use in rainy or wet conditions. Do not touch bare wires or receptacles (outlets). Do not allow children or non-qualified persons to operate.
WARNING: Generator should ONLY be connected to electrical devices, either directly or with an extension cord. NEVER CONNECT TO A BUILDING ELECTRICAL SYSTEM without a qualified electrician and connected to a transfer switch as a separately derived system. Such connections must comply with local electrical laws and codes. Failure to comply can create a back-feed, which may result in serious injury or death to utility workers.
To maximize safety, ALWAYS ground the generator before using it (see the “GROUND THE GENERATOR” section).
Use a ground fault circuit interrupter (GFCI) in highly conductive areas such as metal decking or steel work. GFCIs are available in-line with some extension cords.
CAUTION: Disconnect all electrical loads from the generator before attempting to start.
BEFORE STARTING THE GENERATOR
- Verify that the generator is outside on a dry, level surface. Allow at least two feet of clearance on all sides of the generator.
- To maximize safety, check that the generator is properly grounded (see “GROUND THE GENERATOR”).
- Check there is sufficient level of oil in the crankcase. Add oil if necessary (see “ADD/CHECK OIL”).
- Verify the fuel selection dial is turned to the desired fuel. Turn the dial up to 12 o’clock position for gasoline and down to 6 o’clock position for LPG. Check that there is adequate supply of the selected fuel.
- Make sure all electrical devices are unplugged from the generator during ignition. Otherwise it will be difficult for the engine to start.
WARNING: The LPG cylinder valve must be shut OFF when using gasoline. The generator’s fuel valve must be shut OFF when using LPG.
STARTING THE GENERATOR

- To use gasoline, turn the fuel valve to the ON position.
To use LPG, make sure all of the LPG connectors and hoses are well connected and sealed. Close the fuel valve, then open the LPG tank valve. - Move the choke lever to the CLOSE/START position.
a. To start the engine with electric starter:- Insert the key and turn the engine switch to the START position for 2-3 seconds. NOTE: If the engine does not start, release the switch and try again. Keeping the switch in the START position too long can damage the starter.
- When engine starts, release the switch to the ON.
- Slowly move choke lever to the OPEN/RUN position. If engine fires, but does not continue to run, move choke lever to CLOSE/START position and repeat starting instructions.
b. To start the engine with recoil starter:- Turn the engine switch to the ON position.
- Pull on the recoil starter handle slowly until a slight resistance is felt, then pull quickly to start the engine. Return cord gently into the recoil starter. Never allow the cord to snap back.
If engine fails to start, repeat this step. - Once the engine has started, slowly return the choke lever all the way to the OPEN/RUN position.
- Allow the engine to run for several minutes before attempting to connect any electrical devices. This allows the generator to stabilize its speed and temperature. Follow the instructions in the next section for properly connecting your electrical devices.
NOTE: In case you have had repeated failed attempts to start the engine, please consult the troubleshooting guide before attempting to start the generator. If problems persist please call (800) 232-1195, M-F 8-5 CST.
USING THE GENERATOR
CALCULATING THE WATTAGE OF YOUR DEVICE(S)
Connect electrical devices running on AC current according to their wattage requirements. Calculate the total running wattage and starting wattage of the device(s) you wish to connect, and MAKE SURE that they are within the capacity of your generator and the capacity of each individual outlet.
| Generator Wattage Capacity | Generator Running (Rated) Watts | Generator Starting (Surge) Watts |
| Gasoline: 3800W | Gasoline: 4750W | |
| LPG: 3500W | LPG: 4350W | |
| What this means: The generator can produce a maximum of 3800W/3500W on a continuous basis to sup- ply ongoing power to your electronic devices. NOTE: Also check the rated amperage for each outlet and make sure not to overload the individual outlets. | What this means: Some devices such as box fans require short bursts of extra power in addition to the rated wattage listed by the device to start their motors. | |
| Electronic Device Wattage Calculation | Find the wattage information of each device you plan to connect. The information should be listed on the device or in its instruction manual, or you may refer to Fig. 11. The wattage can be calculated using this equation: Watts = Volts x Amperes | |
| To calculate the total running watts of your devices: + Add up the running wattages of all the device(s) you plan to connect = The total running wattage This wattage should NOT exceed the running wattage of 3800W/3500W. It is recommended to maintain a load at or below 3420W/3150W (90% of the rated output) to ensure steady voltage output and to prolong the generator’s lifespan. | To calculate the total starting watts of your devices: + Add up the total running wattage of all the device(s) you plan to connect + Add the single highest ADDITIONAL start- ing wattage out of the device(s) you plan to connect = The total surge (starting) wattage This wattage should NOT exceed the starting wattage of 4750W/4350W. | |
| If any of either of the total calculated running watts or starting watts is higher than the capacity of your generator, adjust the load until both wattage requirements are met. Other- wise you will overload the generator, and cause damage to the engine and your electrical device(s). | ||
The chart below serves as a reference for the estimated wattage requirements of common electrical devices. However, do not solely rely on this chart – all electronics and appliances are built differently. Always check the wattage listed on the electrical device before consulting this chart.
| Tool or Appliance | Rated (Running) Watts | Surge (Starting) Watts |
| Electric water heater (40 Gal) | 4000 | 0 |
| Hot plate | 2500 | 0 |
| Saw – radial arm | 2000 | 2000 |
| Electric stove (each element) | 1500-2800 | 0 |
| Saw – circular | 1500 | 1500 |
| Air compressor (1 HP) | 1500 | 3000 |
| Window air conditioner | 1200 | 1800 |
| Saw – miter | 1200 | 1200 |
| Microwave | 1000 | 0 |
| Well water pump | 1000 | 1000 |
| Sump pump | 800 | 1200 |
| Refrigerator freezer | 800 | 1200 |
| Furnace blower | 800 | 1300 |
| Computer | 800 | 0 |
| Electric drill | 600 | 900 |
| Television | 500 | 0 |
| Deep freezer | 500 | 500 |
| Garage door opener | 480 | 0 |
| Stereo | 400 | 0 |
| Box fan | 300 | 600 |
| Clock radio | 300 | 0 |
| Security system | 180 | 0 |
| DVD player / VCR | 100 | 0 |
| Common light bulb | 75 | 0 |
Fig. 10 – Estimated wattage requirements of common electrical devices

CONNECTING ELECTRICAL DEVICES
CAUTION: Become familiar with the functions and capacity of each component on the control panel before connecting electrical devices. Do not overload generator or individual panel receptacles. DO NOT connect 50Hz or 3-phase loads to the generator.
Follow the steps below to properly connect your device(s) to the generator:
- Before connecting electrical devices, allow the generator to run for a few minutes to stabilize the speed and voltage output.
- Select the device with the highest wattage, and make sure it is turned off. Plug the device into the matching generator outlet and then turn the device on. Allow the engine to stabilize.
- Repeat step 2 to plug in each additional device. DO NOT attempt to plug in or start multiple devices at the same time.
IN CASE OF OVERLOAD
If your generator becomes overloaded from too much drawn wattage, the push-to-reset circuit breaker(s) on your control panel will activate and cut off the output. When an overload occurs, reduce the load by turning off and unplugging your electronic device(s), then press the activated circuit breaker to reset your generator. If the circuit breaker does not reset, wait several minutes and try again. If no power is produced after resetting, restart your generator.
SOME NOTES ABOUT POWER CORDS
Long or thin extension cords can drain the power provided to your electrical devices. Refer to the following chart in determining the necessary gauge extension cord for each of your devices. Round up to the higher amperage in the chart to maximize safety.
| Device Requirements | Max. Cord Length (ft) by Wire Gauge | ||||||
| Amps | Watts (120V) | Watts (240V) | #8 wire | #10 wire | #12 wire | #14 wire | #16 wire |
| 2.5 | 300 | 600 | NR | NR | NR | 375 | 250 |
| 5 | 600 | 1200 | NR | NR | 300 | 200 | 125 |
| 7.5 | 900 | 1800 | NR | 350 | 200 | 125 | 100 |
| 10 | 1200 | 2400 | NR | 250 | 150 | 100 | 50 |
| 15 | 1800 | 3600 | NR | 150 | 100 | 65 | NR |
| 20 | 2400 | 4800 | 175 | 125 | 75 | 50 | NR |
| 25 | 3000 | 6000 | 150 | 100 | 60 | NR | NR |
| 30 | 3600 | 7200 | 125 | 65 | NR | NR | NR |
| 40 | 4800 | 9600 | 90 | NR | NR | NR | NR |
Fig. 12 – Power Cord Requirement Guide
CHANGING FUELS
- Before changing the fuel source, make sure the generator is turn OFF or running UNDER half-load. DO NOT change fuel when generator is over half-load.
- If switching from LPG to gasoline, turn OFF the LPG tank valve and disconnect LPG fuel tank from generator.
Then turn ON the fuel valve.
If switching from gasoline to LPG, turn OFF the fuel valve. Then follow the LPG connecting procedure in section “FUEL OPTION B: Liquid petroleum gas (LPG)”. - Check the fuel level of the selected fuel and make sure there is adequate amount.
- Turn the fuel selection dial to the desired fuel – Turn the dial up to 12 o’clock position for gasoline and down to 6 o’clock position for LPG.
SHUTTING OFF THE GENERATOR
TO STOP THE GENERATOR
- Turn off all electrical devices prior to unplugging them from the generator. Unplugging running devices can cause damage to the generator. Never start or stop the generator with electrical devices plugged in or turned on.
- Let engine run at no-load for several minutes to stabilize internal temperatures of engine and generator.
- a. If using LPG, make sure the fuel valve is off, turn the fuel selection dial to gasoline position (12 o’clock) and turn the engine key to the OFF position. This is the final step.
IMPORTANT: Always ensure that the fuel valve and the engine switch are in the OFF position when the generator is not in use.
b. If using gasoline, turn the fuel valve to the OFF (horizontal) position. Let the generator run until the fuel is used up. Continue on to step 4. - Turn the engine key to the OFF position
- Drain the carburetor (See “Draining the Carburetor” on Page 26).
WARNING: Allow the generator to cool down before touching areas that become hot during use.
CAUTION: Allowing gasoline to sit in the fuel tank for long periods of time can make it difficult to start the generator in the future. Never store the generator for extended periods of time (over 2 months) with fuel in the fuel tank. Refer to “STORING THE GENERATOR”.
MAINTENANCE
RECOMMENDED MAINTENANCE SCHEDULE
Proper routine maintenance of the generator will help prolong the life of the machine. Please perform maintenance checks and operations according to the Maintenance Schedule in Fig. 14. If there are any questions about the maintenance procedures listed in this manual, please call (800) 232-1195 M-F 8-5 CST or email [email protected].
WARNING: Never perform maintenance operations while the generator is running. Before maintaining or servicing the generator, turn OFF the generator, disconnect all devices and allow the generator to cool down.
| Recommended Maintenance Schedule | Each 8 hours or daily | Every 25 hours | Monthly | Every 3 months or 50 hours | Every 6 months or 100 hours | Before Storage | As Necessary | |
| Engine Oil | Check level | x | ||||||
| Replace | x* | x | ||||||
| Air Filter | Check | x* | ||||||
| Clean | x* | |||||||
| Spark Plug | Check/clean/ regap | x | ||||||
| Change | x | x | ||||||
| Fuel | Check level | x | ||||||
| Drain | x | x | ||||||
| Carburetor | Drain | x | x | |||||
| Spark Arrestor | Check/Clean | x | ||||||
| Battery | Disconnect | x | ||||||
| GFCI Outlet | Check | x | ||||||
Fig. 13 – Recommended Maintenance Schedule
Clean/change more often under dusty conditions or operating under heavy load.
IMPORTANT GENERATOR MAINTENANCE TIPS:
- Drain your carburetor after each use and before storage to prevent it from clogging.
- Do not store the generator with fuel inside the tank for more than 2 months – the fuel will go bad.
- Run the generator for 20 to 30 minutes every month to maximize its lifespan.
NOTE: Failure to properly maintain the generator will void the warranty.
CLEANING THE GENERATOR
Keep the generator clean to prevent improper operation or machine damage from dirt and debris. Inspect all ventilation openings on the generator. These openings must be kept clean and unobstructed.
If the generator becomes dirty, use a damp cloth to wipe exterior surfaces. Use a soft bristle brush to loosen dirt and oil and use a vacuum to pick up loose dirt. Use low pressure air (not to exceed 25 PSI) to blow away dirt.
WARNING: Never clean the generator when it is running! Never clean with a bucket of water or a hose.
Water can get inside the working parts of the generator and cause corrosion or a short circuit.
DRAINING THE CARBURETOR

We recommend draining the carburetor after every use and before storing the generator. Draining the carburetor can help prevent build-up and blockages caused by stagnant fuel inside of the carburetor.
- Prepare an approved gasoline-storage container under the carburetor to collect the drained fuel.
- The carburetor (Fig. 18 – 1) can be accessed from the backside of the generator between the engine and the air filter. To drain the carburetor, open up the carburetor drain screw with a Phillips-head screwdriver (not included) and drain out any gasoline that has built up inside.
- Once the fuel has drained, close the drain screw.
NOTE: Make sure to drain your carburetor before storing the generator for long periods of time.


CHECKING/ADDING OIL
Check the oil level before each use and every 8 hours of operation (refer to Fig. 14).
The oil capacity of the generator engine is 20.3 fl. ounces. Add oil when the oil level is low. For proper type and weight of oil refer to “ADD OIL” portion of the “GENERATOR PREPARATION” section. This is a critical step for proper engine starting. The generator is equipped with an automatic shutoff to protect it from running on low oil.
To check the oil level and add oil:
- Make sure the generator is on a level surface. Do not tilt the generator, as oil will flow into engine areas and cause damage. Keep generator level!
- Clean around the oil fill. Remove the dipstick and wipe the it with a clean rag.
- Insert the dipstick into the oil fill opening without screwing in. Remove the dipstick to check the oil mark (Fig. 16). Add oil if the oil mark covers less than one half of the dipstick.
- Using a funnel or appropriate dispenser, slowly add more oil. Repeat step 3 until the oil mark reaches the top of the dipstick (you can see oil coming up the threads of the oil fill). Do not over fill.
- Reinstall dipstick and wipe clean any spilled oil with a rag. Reinstall the oil access cover.
DRAINING/CHANGING OIL
Change the oil according to the Recommended Maintenance Schedule in Fig. 14. Change the oil MORE OFTEN if operating under heavy load or high ambient temperatures. It is also necessary to drain the oil from the crankcase if it has become contaminated with water or dirt. Changing the oil when the engine is warm allows for complete drainage.
To drain the oil from the generator:
- Place generator on elevated platform. Prepare an approved gasoline storage container underneath the oil drain bolt next to the oil dipstick to catch the oil as it drains.
- Unscrew the oil drain bolt (Fig. 17) and allow oil to drain from the engine completely.
- Reinstall the oil drain bolt and tighten it securely. Wipe clean any oil spillage.
NOTE: Never dispose of used engine oil in the trash or down a drain. Please call a local recycling center or auto garage to arrange proper oil disposal.
AIR FILTER MAINTENANCE
Check every 50 hours of operation (refer to Fig. 14 – Recommended Maintenance Schedule).
Routine maintenance of the air filter helps maintain proper airflow to the carburetor. Occasionally check that the air filter is free of excessive dirt. Clean air filter more frequently in dirty or dusty conditions
To inspect and clean the air filter:
- Unscrew the cover bolt and remove the air filter cover (Fig. 18).
- Remove the sponge-like air filter element from the casing. Wipe excessive oil and any dirt from inside of the air filter casing.
- Check and clean the foam air filter element. Good elements can be washed in soapy water. Dry the element in clean cloth (do not twist it). Add a few drops of engine oil to the air filter element and spread it evenly.
If the air filter element has been damaged, replace it with a new one.
Replacement air filters can be ordered from wenproducts.com by searching part no. DF475-166.1. - Reinstall the air filter element and air filter cover.

WARNING: Running the engine with a dirty, damaged or missing air filter element can result in danger to the operator and cause the engine to wear out prematurely.
SPARK ARRESTOR MAINTENANCE
Inspect and clean the spark arrestor every 100 hours of operation. The spark arrestor is located outside the muffler, which gets very hot during operation. Allow the engine to cool completely before servicing the spark arrestor. To inspect and clean the spark arrestor:
- Remove the screws holding the cover plate which retains the end of the spark arrestor to the muffler (Fig. 19).
- Remove the spark arrestor screen.
- Carefully clean and remove the carbon deposits from the spark arrestor screen with a wire brush. Replace the spark arrestor if it is damaged.
- Reinstall the spark arrestor in the muffler and secure it in place with the screws.

SPARK PLUG MAINTENANCE
Refer to Recommended Maintenance Schedule in Fig. 14 for maintaining the spark plug.
The spark plug is important for proper engine operation. Check the spark plug regularly to maintain proper engine operation. A good spark plug should be intact, free of deposits, and properly gapped.
To inspect or replace the spark plug:
- Pull on the spark plug boot to remove it (Fig. 20). Be careful not to tear insulation or wire.
- Remove the spark plug rubber boot and unscrew the spark plug from the engine using the spark plug wrench provided (Fig. 21).
TIP: There is limited space for the wrench to turn. Use both rows of holes in the spark plug wrench to gain leverage to loosen the plug. - Visually inspect the spark plug. If it is cracked or chipped, or if the electrodes are worn or burned, discard it and replace with a new spark plug.
We recommend replacing with an NGK BP7ES/Torch F7TC spark plug (part no. DF475-145), available for purchase at wenproducts.com. - If re-using the spark plug, use a wire brush to clean any dirt from around the spark plug base, then re-gap the spark plug.
- Measure the plug gap with a spark plug gap gauge. The gap should be 0.7 to 0.8 mm (0.028-0.031 in.) (Fig. 22). Carefully adjust the gap if necessary.
- Screw the spark plug back into the spark plug hole using the spark plug wrench. Do not over-tighten spark plug. Recommended tightening of spark plug is ½ to ¾ of a turn (15 ft-lb torque/20.33 Nm) after spark plug gasket contacts spark plug hole.
- Reinstall the spark plug boot over the spark plug.



BATTERY REPLACEMENT
The battery (part no. DF475-041) shipped with the generator has been fully charged. The battery will receive charge when the engine is running. Remember to run the generator once a month for 20-30 minutes to charge the battery. A charged battery will allow you to start the generator using the electric start switch during your next time of need.
If the battery is out of charge, you can still manually start the generator using the recoil start with LPG as your fuel source.
IMPORTANT: If the generator is not used for a long period, it is recommended to disconnect the positive battery cable from the battery to protect the battery from losing charge. After disconnecting the cable, cover the free end with an insulator such as electrical tape. You may can also connect the battery to an automatic trickle charger to keep the battery charged.
To reinstall/replace the battery:
- Remove the wheel next to the battery to provide room sufficient room.
- Disconnect the negative (-) battery terminal first (black wire).
- Disconnect the positive (+) battery terminal second (red wire).
- To install a new battery, install the hold down bracket, insert the threaded rod and tighten with M6 nuts.
- Connect the positive (+) battery terminal (red wire) first. Slide rubber boot over connection hardware.
- Connect the negative (-) battery terminal (black wire) second.
- Slide rubber boot over connection hardware.
- Reinstall the wheel.
NOTE: Always recycle used batteries in accordance with local laws and regulations. Contact your local solid waste collection site or recycling facility to obtain information on local recycling processes.
DRAINING THE FUEL TANK
Drain and clean the fuel tank each year, or before storing the generator for longer than two months.
To drain the fuel tank:
- Prepare an approved gasoline-storage container to collect the drained fuel. Place it near the fuel valve.
- Turn the fuel valve to the OFF position.
- Locate the fuel line between the fuel valve and back of control panel. Disconnect the fuel line from the fuel valve.
NOTE: A small amount of fuel may leak from the fuel line during removal. - Place a funnel below the fuel valve opening, and direct the other end of the funnel over the prepared container.
Turn the fuel valve to ON to start draining the fuel from the fuel valve opening. - Once the fuel is drained, shut OFF the fuel valve.
- Start and run the engine until the fuel runs out.
- Drain the carburetor according to the instructions on page 26.
- Store the emptied gasoline in a suitable place. DO NOT store flammable materials near the gasoline.
Do not store fuel for more than 3 months.
CAUTION: Store the emptied gasoline in a suitable place. Never store fuel for more than 2 months.
TESTING THE GFCI OUTLET

Test the GFCI outlet monthly. The GFCI outlet has two buttons between the outlets (refer to Fig. 22):
- RESET (upper)
- TEST (lower)
To test:
- Start the generator according to the instructions in this manual. Wait a few minutes for the generator to stabilize its speed and voltage output.
- Press the RESET button on the GFCI outlet (Fig. 22).
- Connect a device to the outlet and turn it ON.
- With the device ON, press the TEST button on the GFCI outlet. The power to the device should be cut off instantly, and the device should turn OFF.
CAUTION: If the device does not instantly turn OFF, you may have a faulty GFCI outlet. Call customer service (800) 232-1195 M-F 8-5 CST or email [email protected] for assistance in replacing the outlet. - Disconnect the device from the outlet and press the RESET button again. Shut down the generator normally.
TRANSPORTATION & STORAGE
TRANSPORTING THE GENERATOR
To prevent fuel spillage when transporting, be sure to perform the following to your generator:
- Tighten the fuel cap and make sure the fuel valve is turned to OFF.
- Make sure the engine switch is in the OFF position.
- Drain the fuel tank if possible (see “DRAINING THE FUEL TANK”).
- Keep the generator upright. Never place the generator on its side or upside down – doing so could damage the internal components of the generator and make it difficult to start.
WARNING: Avoid direct sunlight inside a vehicle. If the generator is left in an enclosed vehicle for many hours, the high temperature could cause the fuel to vaporize and result in a possible explosion.
STORING THE GENERATOR
Shut off the generator and allow the unit to cool to room temperature before storing it. NEVER place any type of storage cover on the generator while it is still hot. Do not obstruct any ventilation openings.
Follow the procedures below for properly storing your generator. We highly recommend running your generator once a month for 20 to 30 minutes. Plug in a small load in to ensure there is proper power output.
For Short Periods (30 to 60 Days):
- Drain the carburetor.
- Disconnect the positive terminal from the battery.
- Add fuel stabilizer:
Follow the suggested portions and instructions of your preferred stabilizer. Run the engine for 15 to 20 minutes, allowing the fuel stabilizer to mix with the gasoline and circulate through the carburetor, and then top off with fuel. Filling the fuel tank full reduces the amount of air in the tank and helps fight deterioration of fuel.
For Extended Periods (Over 60 Days):
- Disconnect the positive terminal rom the battery.
- Drain the fuel tank and carburetor (see “DRAINING THE FUEL TANK”). NEVER store generator with fuel in the tank for more than two months.
- Change the engine oil (see “CHANGING OIL”).
WARNING: Store the generator upright in a cool and dry location, away from sources of heat, open flames, sparks or pilot lights.
PRODUCT DISPOSAL
Do not dispose of used generator or parts with your household waste. This product contains electrical or electronic components that should be recycled. Please take this product to your local recycling facility for responsible disposal to minimize its environmental impact.
Do not dispose of used oil or fuel in the trash or down a drain. Please contact your local recycling center or auto garage to arrange proper oil/fuel disposal.
SPECIFICATIONS
GENERATOR
| Rated Wattage | Gasoline: 3800 Watts |
| LPG: 3500 Watts | |
| Surge Wattage | Gasoline: 4750 Watts |
| LPG: 4350 Watts | |
| Phase | Single |
| Frequency | 60Hz |
| Rated Voltage | AC: 120V/240V, DC: 12V |
| Rated Amperage | AC: 32A/16A, DC: 8A |
| Product Dimensions | 23.2 x 17.5 x 18.5 in. (L x W x H) |
| Product Net Weight | 105.8 lbs (48 kg) |
ENGINE
| Engine Type | 4-stroke, OHV, single cylinder with forced air cooling system |
| Engine Displacement | 224cc |
| Engine Horsepower | 6 HP at 3600 RPM |
| Fuel Type | Gasoline and LPG |
| Gas Tank Capacity | 4 US Gallons (15 L), 87 octane minimum |
| Oil Capacity | 20.3 fl. oz. (0.6 L) |
| Half-Load Run Time | Gasoline: 11 hours |
| LPG (with 20 lb tank): 7 hours | |
| Spark Plug Type | Torch F7TC/NGK BP7ES |
| Spark Plug Gap | 0.7 – 0.8 mm (0.028 – 0.031 in) |
| Spark Plug Torque | 1/2 – 3/4 turn after gasket contacts base or 15 ft-lbs |
| Length of LPG Cable | 47 inches (1200 mm) |
IMPORTANT: Repairs and replacements should only be performed by an authorized technician. Parts and accessories that wear down over the course of normal use are NOT covered by the two-year warranty.
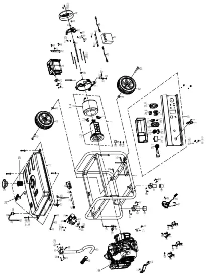
EXPLODED VIEW & PARTS LIST
GENERATOR EXPLODED VIEW

| No. | Part No. | Description | Qty. |
| 1 | DF475-001 | Rotor Stator Assembly | 1 |
| 1.1 | DF475-001.1 | Carbon Brush Assembly | 1 |
| 1.2 | DF475-001.2 | Grounding Post Assembly | 1 |
| 1.3 | DF475-001.3 | Rotor | 1 |
| 1.4 | DF475-001.4 | Stator | 1 |
| 2 | DF475-002 | Motor Stand | 1 |
| 3 | DF475-003 | Switch Dial Assembly | 1 |
| 4 | DF475-004 | Hexagon Pattern Pan Head Screws M6X12 | 1 |
| 5 | DF475-005 | Nut M8 | 6 |
| 6 | DF475-006 | Wire Harness Clip | 1 |
| 7 | DF475-007 | Frame | 1 |
| 8 | DF475-008 | Isolator A | 2 |
| 9 | DF475-009 | Isolator B | 2 |
| 10 | DF475-010 | Fuel Filter | 1 |
| 11 | DF475-011 | Fuel Tank Assembly | 1 |
| 12 | DF475-012 | Fuel Cock | 1 |
| 13 | DF475-013 | Regulator Assembly | 1 |
| 14 | DF475-014 | LPG Hose Assembly | 1 |
| 15 | DF475-015 | Bolt M6X55 | 1 |
| 16 | DF475-016 | Flat Washer | 2 |
| 17 | DF475-017 | Bolt M8X1X220 | 1 |
| 18 | DF475-018 | Rotor Bolt Gasket Ø8.5X24X3 | 1 |
| 19 | DF475-019 | Handle Assembly | 1 |
| 20 | DF475-020 | Bolt M6X175 | 4 |
| 21 | DF475-021 | Bolt M6X12 | 5 |
| 22 | DF475-022 | Nut M5 | 3 |
| 23 | DF475-023 | Air Cleaner Bracket | 1 |
| 24 | DF475-024 | Exhaust Gasket | 1 |
| 25 | DF475-025 | Cotter Pin | 2 |
| 26 | DF475-026 | Muffler Assembly | 1 |
| 27 | DF475-027 | Spring Washer Ø8 | 2 |
| 28 | DF475-028 | Bolt M6X40 | 2 |
| 29 | DF475-029 | Control Panel Assembly | 1 |
| 29.1 | DF475-029.1B | Ignition Switch | 1 |
| 29.2 | DF475-029.2 | DC Receptacle 12V | 1 |
| 29.3 | DF475-029.3 | Thermal Protector 8A/CSA | 1 |
| 29.4 | DF475-029.4 | NEMA 5-20R 120V 20A GFCI Duplex | 1 |
| 29.5 | DF475-029.5 | Thermal Protector 20A/CSA | 1 |
| 29.6 | DF475-029.6 | 120V/240V Voltage Selector | 1 |
| 29.7 | DF475-029.7 | Thermal Protector 16A/CSA | 2 |
| 29.8 | DF475-029.8 | NEMA L14-30R 125V/250V 30A Twistlock | 1 |
| 29.9 | DF475-029.9 | Grounding Nut | 1 |
| 29.10 | DF475-029.10 | Rectifier/Charger | 1 |
| N/A | P55340 | Starter Key (Set of 2) | 2 |
| 30 | DF475-030 | Handle Clip | 1 |
| 31 | DF475-031 | Bolt M8X35 | 2 |
| 32 | DF475-032 | Bolt M6X40 | 4 |
| 33 | DF475-033 | Automatic Voltage Regulator | 1 |
| 34 | DF475-034 | Bolt M5X16 | 1 |
| 35 | DF475-035 | Bolt M5X12 | 7 |
| 36 | DF475-036 | Fuel Tank Washer | 4 |
| 37 | DF475-037 | Bolt M6X25 | 4 |
| 38 | DF475-038 | Generator End Cover | 1 |
| 39 | DF475-039 | Positive Lead | 1 |
| 40 | DF475-040 | Negative Lead | 1 |
| 41 | DF475-041 | Battery | 1 |
| 42 | DF475-042 | Wheel | 2 |
| 43 | DF475-043 | Frame Support | 2 |
| 44 | DF475-044 | Vibration Isolation Pad | 2 |
| 45 | DF475-045 | Nut M6 | 6 |
| 46 | DF475-046 | Bolt M8X16 | 2 |
| 47 | DF475-047 | Clip Ø12 | 3 |
| 48 | DF475-048 | Wheel Axle | 2 |
| 49 | DF475-049 | Handle Connector | 1 |
| 50 | DF475-050 | Muffler Bracket | 1 |
| 51 | DF475-051 | Battery Holder | 1 |
| 52 | DF475-052 | Isolator | 2 |
| 53 | DF475-053 | Low Pressure Pipe 500mm | 1 |
| 54 | DF475-054 | Low Pressure Pipe 250mm | 1 |
| 55 | DF475-055 | Fuel Line (Ø8.5X4.5)/Ø10X6)X250 | 1 |
| 56 | DF475-056 | Fuel Line Ø10X6X120 | 1 |
| 57 | DF475-057 | Connecting Pipe (Gas Tank) | 1 |
| 58 | DF475-058 | Manual Choke Assembly | 1 |
| 59 | DF475-059 | Handle Bolt | 1 |
| 60 | DF475-060 | Fuel Line Clip Ø7.5 | 1 |
| 61 | DF475-061 | Fuel Line Clip, Ø9.5 | 5 |
| 62 | DF475-062 | Frame Wire | 1 |
| 63 | DF475-063 | Fuel Line Clip Ø10 | 2 |
| 64 | DF475-064 | Nut M8 | 7 |
| 65 | DF475-065 | Tooth Type Gasket Ø6 | 1 |
| 66 | DF475-066 | Tooth Type Gasket Ø5 | 1 |
| 67 | DF475-067 | Handle Rubber | 1 |
| 68 | DF475-068 | Bolt M6X30 | 1 |
| 69 | DF475-069 | Grounding Wire | 1 |
| 70 | DF475-070 | Fuel Selector Switch | 1 |
| 71 | DF475-071 | Bolt M6X16 | 4 |
| 72 | DF475-072 | Paper Washer | 4 |
| 73 | DF475-073 | Fuel Tank Cap Assembly | 1 |
| 74 | DF475-074 | LPG Regulator Cover | 1 |
| 75 | DF475-075 | Carbon Tank Assembly | 1 |
| 76 | DF475-076 | Connecting Pipe | 1 |
| 77 | DF475-077 | Dustproof Sheet | 1 |
| 78 | DF475-078 | Fuel Gauge | 1 |
| 79 | DF475-079 | Fuel Tank Filter | 1 |
| 80 | DF475-080 | Engine Complete | 1 |
ENGINE EXPLODED VIEW

| No. | Part No. | Description | Qty. |
| 1 | DF475-101 | Crankcase | 1 |
| 2 | DF475-102 | Ball Bearing | 2 |
| 3 | DF475-103 | Oil Seal | 2 |
| 4 | DF475-104 | Governor Assembly | 1 |
| 5 | DF475-105 | Governor Arm Shaft | 1 |
| 6 | DF475-106 | Governor Arm Shaft Washer | 1 |
| 7 | DF475-107 | Lock Pin | 1 |
| 8 | DF475-108 | Drain Plug Bolt | 2 |
| 9 | DF475-109 | Drain Plug Washer | 2 |
| 10 | DF475-110 | Oil Level Switch Assembly | 1 |
| 11 | DF475-111 | Bolt M6X16 | 2 |
| 12 | DF475-112 | Casecover Dowel Pin Ø8X14 | 2 |
| 13 | DF475-113 | Piston | 1 |
| 14 | DF475-114 | Piston Scraper Ring Set | 1 |
| 15 | DF475-115 | Connecting Rod Assembly | 1 |
| 16 | DF475-116 | Piston Pin | 1 |
| 17 | DF475-117 | Piston Clip | 2 |
| 18 | DF475-118 | CrankCasecover Assembly | 1 |
| 19 | DF475-119 | Cylinder Head | 1 |
| 20 | DF475-120 | In-Valve | 1 |
| 21 | DF475-121 | Valve Exhaust | 1 |
| 22 | DF475-122 | Intake Valve Returner | 1 |
| 23 | DF475-123 | Valve Spring | 2 |
| 24 | DF475-124 | In-Valve Spring Seat | 1 |
| 25 | DF475-125 | Ex-Valve Spring Seat | 1 |
| 26 | DF475-126 | Push Rod Guide Plate | 1 |
| 27 | DF475-127 | Rocker Assembly | 2 |
| 28 | DF475-128 | Rotator | 1 |
| 29 | DF475-129 | Stud Bolt (Carburetor) | 2 |
| 30 | DF475-130 | Stud Bolt | 2 |
| 31 | DF475-131 | Carburetor Assembly | 1 |
| 32 | DF475-132 | Fuel Line | 1 |
| 33 | DF475-133 | Fuel Line Clip Ø7.5 | 1 |
| 34 | DF475-134 | Governor Arm | 1 |
| 35 | DF475-135 | Governor Arm Bolt | 1 |
| 36 | DF475-136 | Nut M6 | 3 |
| 37 | DF475-137 | Crankshaft Assembly | 1 |
| 38 | DF475-138 | Valve Lifter | 2 |
| 39 | DF475-139 | Casecover Gasket | 1 |
| 40 | DF475-140 | Camshaft Assembly | 1 |
| 41 | DF475-141 | Dowel pin | 2 |
| 42 | DF475-142 | Bolt M8X30 | 6 |
| 43 | DF475-143 | Cylinder Head Gasket | 1 |
| 44 | DF475-144 | Bolt M8X60 | 4 |
| 45 | DF475-145 | Spark Plug | 1 |
| 46 | DF475-146 | Push Rod | 2 |
| 47 | DF475-147 | Shroud | 1 |
| 48 | DF475-148 | Bolt M6x12 | 12 |
| 49 | DF475-149 | Headcover Gasket | 1 |
| 50 | DF475-150 | Cylinder Head Cover | 1 |
| 51 | DF475-151 | Wind Shield Assembly | 1 |
| 52 | DF475-152 | Bolt M6x28 | 1 |
| 53 | DF475-153 | Recoil Starter Fan | 1 |
| 54 | DF475-154 | Starter Pulley | 1 |
| 55 | DF475-155 | Nut M14 | 1 |
| 56 | DF475-156 | Ignition Coil Assembly | 1 |
| 57 | DF475-157 | Bolt M6X25 | 2 |
| 58 | DF475-158 | Intake Gasket | 1 |
| 59 | DF475-159 | Carburetor Insulator | 1 |
| 60 | DF475-160 | Carburetor Gasket | 1 |
| 61 | DF475-161 | Carburetor Spacer | 1 |
| 62 | DF475-162 | Governor Rod | 1 |
| 63 | DF475-163 | Throttle Return Spring | 1 |
| 64 | DF475-164 | Recoil Starter Assembly | 1 |
| 64.1 | DF475-164.1 | Recoil Starter | 1 |
| 65 | DF475-165 | Upper Shroud Assembly | 1 |
| 66 | DF475-166 | Air Cleaner Assembly | 1 |
| 66.1 | DF475-166.1 | Air Filter Element | 1 |
| 67 | DF475-167 | Breather Tube | 1 |
| 68 | DF475-168 | Fuel Rubber | 1 |
| 69 | DF475-169 | Governor Spring | 1 |
| 70 | DF475-170 | Clip | 1 |
| 71 | DF475-171 | Dipstick | 1 |
| 72 | DF475-172 | Bolt M6X30 | 2 |
| 73 | DF475-173 | Flywheel Assembly | 1 |
| 74 | DF475-174 | Starting Motor Assembly | 1 |
| 75 | DF475-175 | Adjuster Rocker Arm | 2 |
| 76 | DF475-176 | Dustproof Sheet | 1 |
| 77 | DF475-177 | Casecover Dowel Pin Ø 8×12 | 2 |
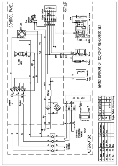
WIRING DIAGRAM

TROUBLESHOOTING GUIDE
WARNING: Stop using the generator immediately if any of the following problems occur or risk serious personal injury.
If you have any questions, please contact our customer service at (800) 232-1195, M-F 8-5 CST or email us at [email protected]
| PROBLEM | POSSIBLE CAUSE | SOLUTION |
|
Engine will not start. | Engine switch is set to OFF. | Set engine switch to ON. |
| Fuel valve is turned to OFF. | Turn fuel valve to ON. | |
| Oil is low. | Add or replace oil. | |
| Engine is out of fuel. | Add fuel. | |
| Engine is filled with contaminated or old fuel. | Drain fuel in the tank. Fill with fresh fuel. | |
| Spark plug is dirty or broken. | Clean or replace the spark plug. | |
| Carburetor is air locked. | Shut off the fuel valve. Remove the bolt from the bottom of the carbure- tor. Take off the carburetor bowl to allow it to reset. Replace carburetor bowl and reinstall the bolt. | |
| Propane tank is OFF. | Turn tank ON. | |
| Regulator is stuck. | Turn OFF propane tank. Disconnect hose from onboard regulator. Spray a small amount of penetrating oil into regular inlet, then gently insert a pin into inlet to break valve free. | |
| Engine runs but there is no electrical output from the GFCI outlet. | GFCI has been tested but not reset. | Press RESET button on GFCI outlet. See p. 31. |
| Defective GFCI outlet. | Contact customer service at 1-800-232-1195. | |
| Engine runs but there is no electrical output whatsoever. | Circuit breaker has been tripped due to overload. | Turn off and unplug electrical device(s). Wait 5 minutes, then press the circuit breaker to reset. Check the total wattage of the devices and reduce the load if it exceeds the capacity of the generator. Then plug the loads back in one by one. |
| Bad connecting cords/wires. | Check the power cords and extension cords. Do not use if any cord is damaged. Replace damaged cords immediately. | |
| Bad electrical device connected to the generator. | Try connecting a different device. | |
| Voltage regulator is bad | Check voltage regulator (p. 35) with a multimeter, replace if necessary. | |
| Carbon brushes worn or need adjustment | Check carbon brushes (p. 35), adjust so that both brushes extrude the same length, or replace if worn. | |
| Generator runs but does not support all electrical devices connected. | Generator is overloaded. | Turn off and unplug all electrical devices. Wait 5 minutes, then press the circuit breaker to reset. Reduce load as necessary, then plug devices back in one by one. |
| Short circuit in one of the devices. | Try disconnecting any faulty or short-circuited electrical loads. | |
| Air filter is dirty. | Clean or replace the air filter element. | |
| Engine is “hunting” during operation (engine RPM is fluctuating). | 1. The fuel isn’t running through the fuel valve. 2. The air filter is clogged. | Turn off the generator and wait for it to cool down. Perform the following steps: 1. Check if the fuel is properly and consistently going through the fuel valve 2. Check for any blockage in the air filter. Check and clean the air filter as necessary. 3. Check if the spark arrestor is blocked. Clean with metal brush as necessary. 4. Use “gunk remover” spray on the carburetor jets. |
WARRANTY STATEMENT
WEN Products is committed to building tools that are dependable for years. Our warranties are consistent with this commitment and our dedication to quality.
LIMITED WARRANTY OF WEN PRODUCTS FOR HOME USE
GREAT LAKES TECHNOLOGIES, LLC (“Seller”) warrants to the original purchaser only, that all WEN consumer power tools will be free from defects in material or workmanship during personal use for a period of two (2) years from date of purchase or 500 hours of use; whichever comes first. Ninety days for all WEN products if the tool is used for professional or commercial use. Purchaser has 30 days from the date of purchase to report missing or damaged parts.
SELLER’S SOLE OBLIGATION AND YOUR EXCLUSIVE REMEDY under this Limited Warranty and, to the extent permitted by law, any warranty or condition implied by law, shall be the replacement of parts, without charge, which are defective in material or workmanship and which have not been subjected to misuse, alteration, careless handling, misrepair, abuse, neglect, normal wear and tear, improper maintenance, improper storage, incorrect lubricants/fuels, or other conditions adversely affecting the Product or the component of the Product, whether by accident or intentionally, by persons other than Seller. To make a claim under this Limited Warranty, you must make sure to keep a copy of your proof of purchase that clearly defines the Date of Purchase (month and year) and the Place of Purchase. Place of Purchase must be a direct vendor of Great Lakes Technologies, LLC. Purchasing through third party vendors, including but not limited to garage sales, pawn shops, resale shops, or any other secondhand merchant, voids the warranty included with this product. Contact [email protected] or 1-800-232-1195 with the following information to make arrangements: your shipping address, phone number, serial number, required part numbers, and proof of purchase. Damaged or defective parts and products may need to be sent to WEN before the replacements can be shipped out.
Upon the confirmation of a WEN representative, your product may qualify for repairs and service work. When returning a product for warranty service, the shipping charges must be prepaid by the purchaser. The product must be shipped in its original container (or an equivalent), properly packed to withstand the hazards of shipment. The product must be fully insured with a copy of the proof of purchase enclosed. There must also be a description of the problem in order to help our repairs department diagnose and fix the issue. Repairs will be made and the product will be returned and shipped back to the purchaser at no charge for addresses within the contiguous United States.
THIS LIMITED WARRANTY DOES NOT APPLY TO ITEMS THAT WEAR OUT FROM REGULAR USAGE OVER TIME, INCLUDING FILTERS, SPARK PLUGS, VOLTAGE REGULATORS, BRUSHES, GASKETS, O-RINGS, WHEEL KITS, BATTERIES, RECOIL STARTERS, HIGH PRESSURE HOSES, SPRAY GUNS, ETC. ANY IMPLIED WARRANTIES SHALL BE LIMITED IN DURATION TO TWO (2) YEARS FROM DATE OF PURCHASE. SOME STATES IN THE U.S. AND SOME CANADIAN PROVINCES DO NOT ALLOW LIMITATIONS ON HOW LONG AN IMPLIED WARRANTY LASTS, SO THE ABOVE LIMITATION MAY NOT APPLY TO YOU.
IN NO EVENT SHALL SELLER BE LIABLE FOR ANY INCIDENTAL OR CONSEQUENTIAL DAMAGES (INCLUDING BUT NOT LIMITED TO LIABILITY FOR LOSS OF PROFITS) ARISING FROM THE SALE OR USE OF THIS PRODUCT. SOME
STATES IN THE U.S. AND SOME CANADIAN PROVINCES DO NOT ALLOW THE EXCLUSION OR LIMITATION OF INCIDENTAL OR CONSEQUENTIAL DAMAGES, SO THE ABOVE LIMITATION OR EXCLUSION MAY NOT APPLY TO YOU.
THIS LIMITED WARRANTY GIVES YOU SPECIFIC LEGAL RIGHTS, AND YOU MAY ALSO HAVE OTHER RIGHTS WHICH VARY FROM STATE TO STATE IN THE U.S., PROVINCE TO PROVINCE IN CANADA AND FROM COUNTRY TO COUNTRY.
THIS LIMITED WARRANTY APPLIES ONLY TO ITEMS SOLD WITHIN THE UNITED STATES OF AMERICA, CANADA AND THE COMMONWEALTH OF PUERTO RICO. FOR WARRANTY COVERAGE WITHIN OTHER COUNTRIES, CONTACT THE WEN CUSTOMER SUPPORT LINE. FOR WARRANTY PARTS OR PRODUCTS REPAIRED UNDER WARRANTY SHIPPING TO ADDRESSES OUTSIDE OF THE CONTIGUOUS UNITED STATES, ADDITIONAL SHIPPING CHARGES MAY APPLY.
NEED HELP? CONTACT US!
Have product questions? Need technical support?
Please feel free to contact us at:
800-232-1195 (M-F 8am-5pm CST)
[email protected]
WENPRODUCTS.COM
NOTICE: Please refer to wenproducts.com for the most up-to-date instruction manual.





















