GENMAX GM7250iEDC Portable Dual Fuel Generator
WHAT COMES IN THE BOX
- Spark Plug Socket Wrench (1)
- Dual-Purpose Screwdriver (1)
- User Manual (1)
- Warranty Information (1)
- Funnel (1)
- Duplex plug (1)
- Four-prong plug (1)
- Remote Control Key (1)
- LPG Hose (1)
Tools required
- Box cutter or similar device.
- Carefully cut the packing tape on top of the carton.
- Remove socket wrench, and oil funnel and save for later.
- Carefully cut two sides of the carton to remove the generator.
DISCLAIMERS
All information, illustrations and specifications in this manual are based on the latest information available at the time of publishing. The illustrations used in this manual are intended as representative reference views only. Moreover, because of our continuous product improvement policy, we may modify information, illustrations and/or specifications to explain and/or exemplify a product, service or maintenance improvement. We reserve the right to make any change at any time without notice. Some images may vary depending upon which model is shown.
ALL RIGHTS RESERVED: No part of this publication may be reproduced or used in any form by any means – graphic, electronic or mechanical, including photocopying, recording, taping or information storage and retrieval systems – without the written permission of CHONGQING DINKING POWER MACHINERY CO., LTD
UNPACKING
- Always have assistance when lifting the generator. The generator is heavy; lifting it could cause bodily harm
- Avoid cutting on or near staples to prevent personal injury
SAFETY WARNING
Personal and property safeties of you and others are very vital. Please read the Safety Warning in the User’s Manual and the decals of the generator set carefully.The Safety Warning can alert you to those potential hazards that could harm you and others. In front of each Safety Warning, there is one of four words “DANGER” “WARNING”, “ATTENTION”, and “CAREFUL”. Details are as follows:
CO TECHNICAL WARNING
CO DETECT technology monitors the accumulation of carbon monoxide (CO), a poisonous gas produced by engine exhaust when the generator is running. If CO Sensor detects unsafe elevated levels of CO gas, it automatically shuts off the engine. CO Sensor is not a substitute for an indoor carbon monoxide alarm or for safe operation. DO NOT allow engine exhaust fumes to enter a confined area through windows, doors, vents or other openings. Generators must ALWAYS be used outdoors, far away from occupied buildings with engine exhaust pointed away from people and buildings. Meets the requirements of ANSI/PGMA G300-2018.
NEUTRAL FLOATING
For portable generators where the neutral is floating, the operator’s manual shall include the following wording or equivalent: The portable generator stator winding is isolated from the frame and from the AC receptacle ground pin; and Electrical devices that require a connection between one conductor pin and the grounded receptacle pin may not function properly.
SAFETY INSTRUCTIONS
- Please do not use indoors
- Please do not use in humid environment
- Please do not connect it to household appliances directly
- Please do not smoke when refueling
- Please do not spill when refueling
- Please shut down the generator before refueling

SAFETY LABELS AND DECALS
NAMES OF COMPONENTS
CONTROL FUNCTIONS
- 120-Volt, 20-Amp Outlet: The outlet is capable of carrying a maximum of 20 amps.
- USB Duplex: 5V DC that come in 1 amps and 2.1 amps.
- Reset Breaker: If the inverter is overloaded, the reset breaker will trip. The engine will continue to run, but there will be no output from the inverter. Unplug the devices and reduce the load. Push in the reset breaker to reset it.
- Low Idle: When turned to the ON position, the engine will sense the load needed and run at a slower RPM to save fuel.
- Ground Terminal: The ground terminal is used to externally ground the inverter.
- Fuel Source: GAS/LPG valve that changes the fuel into the engine.
- AC Breaker: If the inverter is overloaded, the reset breaker will trip to block current.
- Main Switch: Manage battery power and shutdown.
- 120/240-Volt, 50-Amp Outlet: The outlet is capable of carrying a maximum of 50 amps
- CO Alarm: Flashing red light: dangerous levels of carbon monoxide gas have built up leave immediately until area has aired out. Move generator to wellventilated area before operation. Flashing yellow light: carbon monoxide sensor malfunction. Sensor needs service.
- One Push Start: Press this button, the engine can start and stop.
- Parallel Connectors: To increase AC power output, the connector sockets are used to connect the two same type generator with special paralleling cords. The connector sockets is only used to the communication between the inverters, they can not used for AC power output. The special paralleling cords shall be purchase separately, and they shall be approved by certification body.
- LPG Hose Connection Port: When LPG gas is used, install the dedicated LPG hose on the connection port. ⑭ Voltage Selector: Switch between 120V and 240V voltage as required. ⑮ ATS: ATS control box connection port.
CONTROL FUNCTIONS
When the voltage selector switch is set to 120V ONLY
- The voltage selector switch is set to 120V ONLY.

- Output voltage can only be 120V and current 50A. 120V(Voltage)×50A(Current)=6000W(Output Power
- The rated power of the generator is 6000W, and the total output power of the two sockets can only be within 6000W. If the one-time output of plug A( ) is 6000W, do not connect the load output of plug B( ).
- Output voltage 120V current 20A. 120V(Voltage)×20A(Current)=2400W(Output Power)

When the voltage selector switch is set to 120/240V (Suitable for parallel)
- The voltage selector switch is set to 120/240V. The voltage is 120/240V and two generators can be connected in parallel

- The output voltage is 120/240V, and the current is only 25A without parallel connection. 120V socket hole: 120V(Voltage)×25A(Current)=3000W(Output Power) 240V socket hole:
- 240V(Voltage)×25A(Current)=6000W(Output Power) When two generators are connected in parallel, the socket can output 240V voltage at 50A current: 240V(Voltage)×50A(Current)=12000W(Output Power
- ATTENTION: can output at the same time, but the total power output of the socket can not exceed the rated power of the generator, can not be connected to the same load.

- The rated power of the generator is 6000W, and the total output power of the two sockets can only be within 6000W. If the one-time output of plug A( ) is 6000W, do not connect the load output of plug B( ).
- Output voltage 120V current 20A. 120V(Voltage)×20A(Current)=2400W(Output Power)

DIGITAL DISPLAY CENTER
- OVERLOAD: Red light means the machine overload.
- OUTPUT: Indicates the inverter is ready to be used.
- LOW OIL: Red light means the amount of oil is too low.
- POWER OUTPUT: Output power percentage display.
- GASOLINE FUEL METER: Gasoline fuel level display.
- VOLTS: Voltage display.
- AMPS: Current display.
- POWER: Actual numerical power display.
- HOURS: Represents total operation time of the generator.
PREPARATIONS
Fuel
- Fuel is flammable and toxic, please read the Safety Instruction carefully before refueling;
- Do not fuel too full, otherwise fuel will spill after fuel tank is warmed;
- After refueling, confirm that the fuel tank cap has been tightened.
- After refueling, dry gasoline residue with a clean and soft cloth in time to avoid damaging plastic enclosure;
- Unleaded gasoline must be used, as leaded gasoline can seriously damage internal parts of the generator;
- Remove fuel tank cap, and add gasoline to red horizontal indicating line oil level. Fuel tank capacity: 3.6gal

Oil
- Please place the generator onto a horizontal plane surface;
- Loosen the two bolts on the right panel cover and remove the left panel cover. Unscrew oil dipstick

- Fill in 0.21gal oil (SAE 10W/30 oil is recommended, of which the grade is API standard Type SE or higher)

- Oil to the appropriate position, tighten the dipstick, cover the right exterior cover, and tighten the bolts.
Pre-use Inspection
Even if the generator is not in service, its important component may suddenly fails. Before the generator is started up, if any of following components is unable to work properly, please inspect and repair carefully.
Pre-operation inspection
STARTING UP THE GENERATOR
- Remove the load from all output ends;
- Connect battery line before first use:
- Loosen the two bolts on the panel cover and remove the left panel cover;
- Connect the positive and negative electrodes of the battery.

- Select the Fuel:
- a. Gasoline: Turn the fuel source switch to gasoline;

- b. LPG:
- Connect the LPG hose to the LPG tank;
- Tighten the other end of the LPG hose to the generator intake;
- Turn the fuel source switch to LPG.

- a. Gasoline: Turn the fuel source switch to gasoline;
- Press the LOW IDLE switch to “OFF

- Press the main switch to “ON”

- Select Boot Mode:
- a. Hand Starting: Pull the starting handle to start the generator.
- b. One Button to Start: Press the one-click start button to start the generator.
- c. Remote Start: Press the “START” button on the remote control to start the generator

- Plug in after started

Remote Control Pairing
- Long press the start button for more than 5 seconds until the button red indicator is on;
- Press any key on the remote control;
- The red indicator of the start button will blink two or three times and then turns off, Remote start pairing is successful.

Start the generator to run normally without output ?
Check whether the green light of the GFCI socket is on. If the green light is not on, press the RESET button after the generator is started to make the green light on.
LPG startup is difficult?
- Ensure the LPG supply hose is securely attached and Close the LPG valve completely.

- Fuel source rocker switch to “GASOLINE”.

- Follow the startup steps to start the generator.

- Open the LPG valve completely.
- Fuel source switch to “LPG”.

- Ensure the LPG supply hose is securely attached and Close the LPG valve completely.
Electric start and remote start no response ?
- Check whether the positive and negative electrodes of the battery are correctly connected.
- Check whether the battery is charged.
- Check whether the remote control is powered on.
INVERTER PARALLEL KIT OPERATION
50A Parallel Kits
This parallel kit is intended to be used only with GENMAX inverter generators. Please read safety information below before proceeding
- Make sure both engine switches are in the off position, and confirm the Low idle switches on both generators are turned off.
- Attach the ground terminal (green wire) from each end of the parallel cable to the corresponding ground terminal on each generator. Connect and tighten the ground wire.
- Connect the black and red parallel cable leads to the black parallel ports on each corresponding inverters control panel. DO NOT connect two red leads or two black leads into the same inverter. Pay attention: The white wire leave as it is, this just needed when parallel two GM9000i.
- Start each generator and confirm that the green output indicator is illuminated on both.
- If using Low idle mode, turn both Low idle switches on after the generators are started.
- To shut down, turn off both generators and then remove the parallel cords

SHUTTING DOWN THE GENERATOR
- Unplug the power cord;
- Select Stop Mode:
- a. One Button to Start: Press the one-click start button to turn off the generator.
- b. Remote Start: Press the “STOP” button on the remote control to turn off the generator.

- Press the main switch to “OFF”;

- Turn the oil/gas switch to middle to turn off gasoline/LPG

USING THE GENERATOR
Service environment of the generator
- Applicable temperature: -5°C ~ 40°C;
- Applicable humidity: below 95%;
- Applicable altitude: regions below 1,500 m (It shall be used by reducing power in regions above 1,000 m).
Standard atmospheric condition
- Ambient temperature Tr: 298k (25°C)
- Relative air humidity Фr: 30%
- Absolute atmospheric pressure Pr: 100kPa
When actual environmental condition is inconsistent with the condition of output power of the generator set:
- Every 5°C of increase in ambient temperature will reduce the power of generator by about 2%.
- Every 30% of increase in relative humidity of air will reduce the power of generator by about 1.5%.
- Every 300 m rising of ASL will reduce the power the generator by about 4.5%.
Generator wiring
- When the generator is connected to household power source as a backup power supply, the connection shall be carried out by a professional electrician or a person familiar with electricity.
- After connecting the load to the generator, check carefully whether electrical connection is safe and reliable. Improper electrical connection may cause generator damage, burning or fire.
- Avoid connecting this generator to commercial power outlet.
- When extending the cable, be sure not to exceed its length.
- 60m cross-section area is 1.5mm²
- 100m cross-section area is 2.5mm²
- The appearance of extension cable shall be protected by a layer of tough and elastic rubber cover (IEC25) or other substitutes

Connection of AC power
WARNING
All electrical equipment shall be disconnected before inserting the plug
ATTENTION
- Make sure that all electrical equipment, including wires and plugs, are in good condition before connecting to the generator;
- Make sure that all loads driven by the generator are within rated load range;
- Make sure that load current is within rated current range of rated socket.
- Start up the engine;
- Turn energy-saving switch to “ON”;
- Insert the plug into AC outlet;
- Make sure that AC indicator is lit up;
- Switch on electrical equipment

Generator grounding
- Please use grounding wire with sufficient electrical energy capacity;
- Connect one end of grounding wire reliable to grounding bolt on control panel of the generator set;
- Insert grounding body (iron rod with a diameter of 5 ~ 10mm) 200mm below into the earth and lead it out with conductor;
- Connect the other end of the grounding wire reliable to the led wire of grounding body.

Battery Charging
The battery storage time is generally about 6 months. If the generator is not used for a long time, the battery will run out of power. At this time, the battery should be charged. Replace the battery if it is damaged or fails to charge.
Hand start charging: Start the generator by hand, and the battery will be charged automatically when the generator runs.
Use an external power source for charging:
- Loosen the two bolts on the left panel cover, remove the left panel cover

- Attach the red clip of the special charger to the positive (red) lug of the battery, and the black clip to the negative (blue) lug of the battery.
- Be careful not to connect the positive and negative terminals incorrectly.

SERVICE AND MAINTENANCE
Spark plug inspection
- Loosen the two bolts on the left panel cover, remove the left panel cover, and remove the high voltage pack

- Insert the screwdriver into the sleeve, to screw it counterclockwise, and then remove the spark plug

- Check whether there is discoloration, and remove carbon deposits.Check whether there is little pale to moderate brown on ceramic cores around center electrode of the spark plug

- Check the model of spark plug and clearance. Spark plug gap: 0.7-0.8mm Standard spark


- Install the spark plugs in reverse order of removal. Spark cold torque: 22.5±2.5 N.m
- Loosen the two bolts on the left panel cover, remove the left panel cover, and remove the high voltage pack

Adjustment of the carburetor
The carburetor is an important components of the engine. The adjustment shall be carried out by a dealer with professional knowledge, professional data and equipment, to ensure that the adjustment is proper
Replacement of oil
- Put the generator on a horizontal plane, start the generator, run it for a few minutes to make it warm, then turn off the engine
- Loosen the two bolts on the right panel cover and remove the left panel cover

- Place an oil pan under the engine, tilt the generator to quickly pour out oil; After discharging the oil, put the generator back on level ground;

- Unscrew oil dipstick

- Oil to the appropriate position, tighten the dipstick, cover the right exterior cover, and tighten the bolts

Air filter
- Loosen the bolt on the left appearance cover plate and remove the left appearance cover plate;

- Remove screws , to remove cover plate of air cleaner

- Clean foam cleaner element with cleaning solvent and blow it dry, Put a few drops of oil on the filter element

- Put foam cleaner element into air cleaner

- Reassemble empty air cleaner cap back to original position, and tighten screws Assemble left outer cover and tighten bolts

Fuel filter screen
- Remove fuel tank cap and fuel tank filter screen.
- Clean fuel tank filter screen with gasoline.
- Wipe filter screen dry, and put it back into fuel tank.
- Reassemble fuel tank cap.

STORAGE AND TRANSPORT
Generator storage
- Shut down generator.
- Open fuel tank cap, to take out fuel filter screen.

- Pump all fuel in fuel tank into special fuel tank, and then reassemble fuel tank cap back.
- Start up the engine to burn off fuel in the carburetor, and then shut it down
- Open generator left exterior cover and enter carburetor. Locate the clear plastic hose from the carburetor and place a suitable container under it to capture the drained fuel.

- Loosen the carburetor drain screws until you see fuel draining from the carburetor.

- Allow fuel to drain into the container and tighten the drain screws on the carburetor. Install the engine service panel.

- Unscrew oil dipstick, and drain oil in the crankcase off. Fill new oil to upper oil limit, and then assemble oil dipstick.
- Gently pull startup handle until you feel resistance, allowing both inlet valve and exhaust valve to be closed.

- Disconnect the battery cable
- Place the generator set in a clean and dry area

Generator transport
- When the generator set is transported, it shall be ensured that there is no fuel spilling;
- Do not fill excessive fuel into fuel tank;
- Do not run the generator, and avoid direct sunlight;
- Do not transport the generator set on rough road for long time.
TROUBLESHOOTING

TECHNICAL PARAMETERS
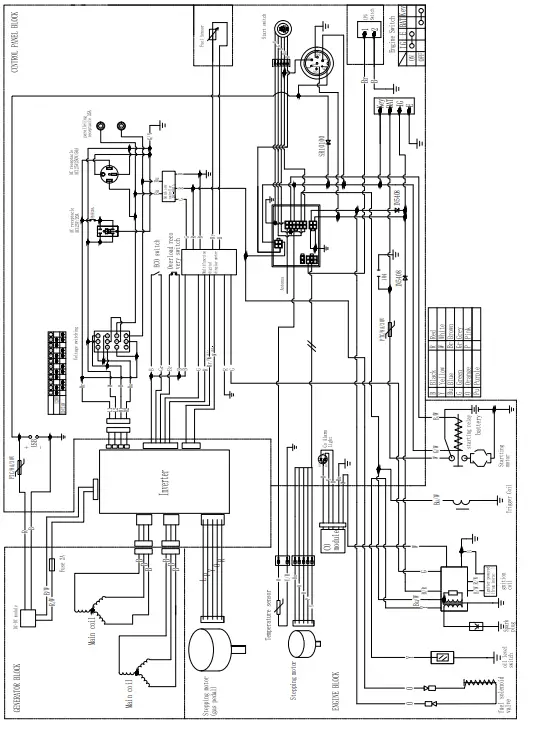
CIRCUIT DIAGRAM

WARRANTY
LIMITED WARRANTY
- DURATION: One (1) year from the date of purchase by the original purchaser ( retail customer ) on products used solely for consumer applications; if a product is used for business, commercial, or industrial applications, the warranty period will be limited to ninety (90) days from the date of purchase.
WHO GIVES THIS WARRANTY (WARRANTOR): CHONGQING DINKING POWER MACHINERY CO., LTD
- WHO RECEIVES THIS WARRANTY(PURCHASER):The original purchaser (other than for purposes of resale) of the Genmax’s inverter.4. WHAT PRODUCTS ARE COVERED BY THIS
- WARRANTY: Any portable generator supplied or manufactured by Warrantor.5. WHAT IS COVERED UNDER THIS WARRANTY: Substantial defects on material and workmanship which occur within the durat ion of the warranty period.
WHAT IS NOT COVERED UNDER THIS WARRANTY:
- A. Transportation changes for s ending the product to Warrantor or its authorized service representative for warranty service, or for shipping repaired or replacement products back to the customer; these charges must be borne by the customer.
- B. Damages caused by abuse, accident, shipping, misuse, overloading, modification, and the effects of corrosion, erosion and normal wear and tear.
- C. Warranty is voided if the customer fails to install, maintain and operate the product in accordance with the instructions and recommendations set forth in the owner’s manual(s), or if the product is used as rental equipment.
- D. Pre-delivery service, i.e. assembly, oil or lubricants, and adjustment.
- E. Items or service that are normally required to maintain the product, i.e. lubricants and filters.
- F. Warrantor will not pay for repairs or adjustments to the product, or for any costs or labour, performed without Warrantor’s prior authorization.
EXCLUSIONS AND LIMITATIONS: Warrantor makes no other warranty of any kind, express or implied. Implied warranties, including warranties of merchantability and of fitness for a particular purpose, are hereby disclaimed. This warranty service described above is the exclusive remedy under this warranty; liability for incidental and consequential damages is excluded to the extent permitted by law.
RESPONSIBILITIES OF PURCHASER UNDER THIS WARRANTY:
- A. The purchaser must provide dated proof of purchase and must notify Warrantor within the warranty period.
- B. Deliver or ship the serviced generator or component to the nearest Warrantor’s authorized service representative. Freight costs, if any, must be norne by the purchaser.
NEED HELP
- Caojie Industrial Park, Hechuan District,Chongqing
- Phone 866-960-2920
- [email protected]
- http://www.genmaxpower.com/












































































