CORTEX GS7 Multi Station Home Gym
INSTRUCTIONS
- Install the product on a flat level surface.
- Place your unit on a solid, level surface when in use.
- Never allow children on or near the machine.
- Keep hands away from all moving parts.
- Never drop or insert any object into any openings.
- Care must be taken when lifting or moving the equipment so as not to injure your back.
- Always use proper lifting techniques and/or seek assistance if necessary.
- Keep children and pets away from the machine at all times.
- DO NOT leave children unattended in the same room with the machine.
- Only 1 person at a time should use the machine.
- If the user experiences dizziness, nausea, chest pain, or any other abnormal symptoms, STOP the workout at once.
- Do not use the machine near water or outdoors.
- Keep hands away from all moving parts.
- Always wear appropriate workout clothing when exercising.
- DO NOT wear robes or other clothing that could become caught in the machine.
- Running or aerobic shoes are also required when using the machine.
- Use the machine only for its intended use as described in this manual.
- DO NOT use attachments not recommended by the manufacturer.
- Do not place any sharp objects around the machine.
- Disabled person should not use the machine without a qualified person or physician in attendance.
- Never operate the machine if the machine is not functioning properly.
- A spotter is recommended during exercise.
CARE INSTRUCTION
- Lubricate moving joints with silicone spray after periods of usage.
- Be careful not to damage plastic or metal parts of the machine with heavy or sharp objects.
The machine can be kept clean by wiping it down using a dry cloth.
- Check and adjust the tension of wire rope on a regular basis.
- Regularly check all moving parts and make sure there are no signs of wear and damag
- if any the use of the device must be stopped immediately and contact our after-sales department.
- During inspection, it is necessary to make sure that all bolts and nuts are tightened completely.
- If any bolt or nut connection is loosened, please re-tighten.
- Check weld for cracks.
- Failure to perform daily maintenance may result in personal injury or equipment damage
PARTS LIST






ASSEMBLY INSTRUCTION
- The gasket shall be placed at both ends of the bolts (against the bolt head and nut), if indicated otherwise.
- Preliminary assembly is hand tightening all bolts and nuts and tightening with wrench for complete assembly.
- Some spare parts have been pre-assembled in the factory.
- This product is recommended to install by more than two people.

STEP 1 – INSTRUCTIONS
- Place the bolts (#56-2) and the gaskets (#56-12) from below the part (#1) as shown.
- Place (#2) and (#4) on both sides of (#1) as shown, and secure with:
- Bolts (#56-1)
- Gaskets (#56-12)
- Nuts (#56-14)
- Place two (#6) on both sides of (#2) as shown, and secure them with:
- Bolts (#56-1)
- Spacers (#56-12)
- Nuts (#56-14)
- Connect part (#3) to part (#2) with:
- Bolts (#56-1)
- Gaskets (#56-12)
- Nuts (#56-14) as shown
- Pre-install bolts (#56-2), gaskets (#56-12) onto (#2) in advance.
- Install (#5) to (#3) as shown and connect it with (#27).

STEP 2
- With three holes facing up, insert (#7) into the (#1) and secure with mounting hole with: –
- 2 Bolts (#56-3)
- 2 spacers (#56-12) Then insert (#54-1) into (#7).
- Place the counterweight block (#57) into (#7) one by one (Note that the counterweight block groove joint is uniformly facing down).
- Insert the plus bar (#8) in the middle of the (#41) hole.
- Install the counterweight head (#9) to (#7), then install (#54-6) to (#7) and secure it with:
- Bolts (#56-4)
- Nuts (#56-14)

STEP 3
- Lock the lower end of (#10) and (#2) with: –
- Pads (#56-12)
- 2 Nuts (#56-14)
- Set (#11) into the (#2) pre-installed bolt first, and lock it with:
- 2 Spacers (#56-12)
- 2 Nuts (#56-14)
- Connect (#11) to (#10) by (#53-3) with:
- Bolts (#56-1)
- Gasket (#56-12)
- Nuts (#56-14)
- Install (#53-8) into (#12) and ends on (#11) with bolts (#56-3) and pads (#56-12).
- Install the (#53-1) bolts (#56-2), gasket (#56-12), and nut (#56-14) on the (#10) U frame.

STEP 4
- Cover (#7) into the (#13) rear square tube mounting hole as shown, secure with: –
- Bolts (#56-3)
- Gasket (#56-12)0
- Connect (#53-3) to (#13) and (#13) to (#10) with: –
- Bolts (#56-1)
- Gaskets (#56-12)
- Nuts (#56-14)
- Install (#53-9) into (#13) and install (#14) on (#13) with: –
- Bolts (#56-3)
- Pads (#56-12)
- Apply (#15) into (#14) and lock with: –
- Gasket (#56-13)
- Nut (#56-14)
- Secure part (#55) to part (#15) and (#16) as shown in diagram

STEP 5
After the whole instrument is assembled, check if the wire rope is tightened. If the wire rope is slightly loose, adjust by tightening the lower bolts of the tensile wire rope (#22-If the wire rope is loose, adjust the pulley mounting hole position adjustment through the pulley adjustment sheet (#53-2)

STEP 6 : Wire rope must be fed into the pulley before securing the pulley.
STEP 7
- Install (#19) to (#10) with: –
- 2x Bolts (#56-9)
- 2x Gaskets (#56-12)
- Install (#20) to (#17) with: –
- 2x Bolts (#56-8)
- 2x Spacers (#56-12)
- Install (#21) to (#18) with: –
- 2x Bolts (#56-7)
- 2x Spacers (#56-12)
- Install the installed (#17) to (#11) and lock with (#54-4).
- Then install (#18) to (#11) and lock with (#54-4).

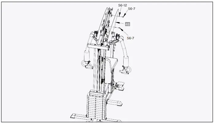
STEP 8
Place (#48) on (#13) side and secure with (#56-7) bolts and (#56-12) gaskets
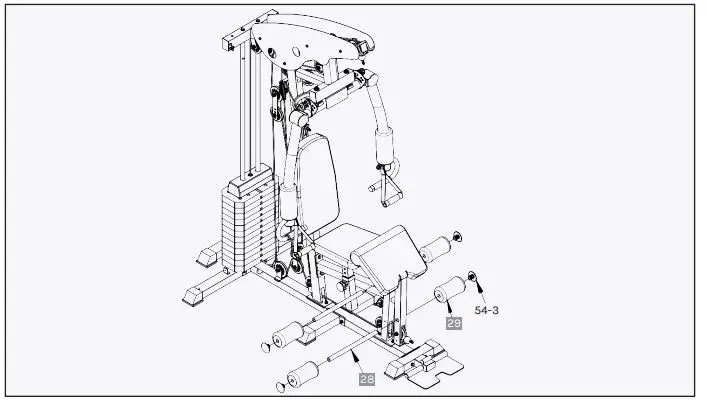
STEP 9
Insert (#28) foam pipe into (#12), then insert from pipe head to (#29) and (#54-3) onto (#28)
STEP 10
Install parts (#30) and (#31) with (#56-7) nuts, (#56-12) gaskets and (#56-15) bolts onto parts (#13), (#1) and (#2).
Attach the accessories and weight pin:
- Connect (#54-10) to 2x (#54-11) on each end then secure (#54-11) to (#25) and the other side to the bottom cable wire.
- Connect (#54-12) to the middle cable wire and the other end to (#26).
- Connect (#54-10) to 2x (#54-11) on each end then secure (#54-11) to (#24) and the other end secure to the top cable wire.
- Insert (#53-5) into the counterweight block to change your desired weight loading
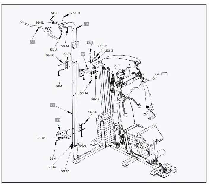
STEP 11
- Install (#35) on (#34) and secure it with: –
- Bolts (#56-2)
- Bolts (#56-3)
- Flat spacers (#56-12)
- Nuts (#56-14)
- Install (32) on (#13) as shown, and secure it with: –
- Plate (#53-3)
- Bolts (#56-1)
- Flat spacers (#56-12)
- Nuts (#56-14)
- Install (#39) on (#33) and tighten it with: –
- Bolts (#56-1)
- Flat spacers (#56-12)
- Nuts (#56-14)
- Plate (#53-3)
- Install the installed (#33) on (#1) and tighten it with: –
- Flat pads (#56-12)
- Nut (#56-14)
- Install the installed (#34) into (#33) as shown and connect to (#32) with: –
- Plate (#53-3)
- Bolts (#56-1)
- Flat pads (#56-12)
- Nuts (#56-14) and tighten.

STEP 12
- Install (#36) and (#37) to (#33) and secure with: –
- Bolts (#56-2)
- Flat spacers (#56-12)
- Nuts (#56-14)
- Plate (#53-6)
- Washer (#56-12)
- Bolts (#56-6)
- Secure (#38) to (#36) and (#37) using: –
- Bolts (#56-3)
- Washer (#56-12)
- Install (#50) to (#36) and (#37) respectively with: –
- Bolts (#56-9)
- Flat spacers (#56-12)
- Install (#49) to (#33) with: –
- Bolts (#56-10)
- Flat spacers (#56-12)

STEP 13
- Install (#32) on (#13) as shown, and secure it with: –
- Plate (#53-3)
- Bolts (#56-1)
- Flat spacers (#56-12)
- Nuts (#56-14)
- Install (#40) to (#1) and tighten it with: –
- Flat washer (#56-12)
- Nut (#56-14)
- Installation diagram attaches two (#41) to (#40) and fixed with: –
- Bolts (#56-2)
- Flat spacers (#56-12)
- Nuts (#56-14)
- Finally place (#53-8) to (#42) and then (#42) to (#40), tightening both sides with: –
- Bolts (#56-3)
- Flat spacers (#56-12)

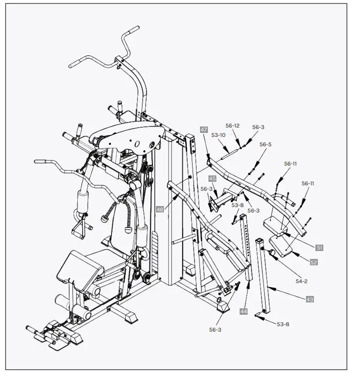
STEP 14
- Install (#46) and (#47) to both sides of (#45), and secure them with: –
- Bolts (#56-5)
- Flat pads (#56-12)
- Nuts (#56-14)
- Place them onto (#40) and feed part (#53-10) though them then secure with: –
- Bolts (#56-3)
- Flat pads (#56-12)
- Install (#44) to (#43) and tighten with (#54-2).
- Install (#53-8) to (#44), and then install (#44) to (#45) with: –
- Bolts (#56-3)
- Flat spacers (#56-12).
- Similarly, install (#53-8) to (#43), and then install (#43) to (#42) with: –
- Bolts (#56-3)
- Flat spacers (#56-12)
- Install (#51) and (#52) on (#46) and (#47) and be tightened with:
- Bolts (#56-11)
- Flat spacers (#56-12)
MAINTENANCE INSTRUCTIONS
Pulley and wire ropes should be regularly checked for signs of wear. 2. Check and adjust the tension of the wire rope regularly. 3. Check all moving parts regularly. If there is a damaged part, stop using the device immediately and contact the store. 4. Ensure all bolts and nuts are fully fixed and re-tighten them when it is loose. 5. Check the welding for cracks. 6. Failure to perform routine maintenance may cause personal injury or equipment damage. 7. Ensure any handle attachments are fully secured before use to prevent from injury.
EXERCISE GUIDE
Before beginning any exercise program, consult your physician. This is important for individuals over the age of 45 or with pre-existing health problems. The pulse sensors are not medical devices. Various factors, including the user’s movement, may affect the accuracy of heart rate readings. The pulse sensors are intended only as an exercise aid in determining heart rate trends in general. Exercising is great way to control your weight, improve your fitness and reduce the effect of aging and stress. The key to a healthy lifestyle is to make exercise a regular and enjoyable part of your everyday life. The condition of your heart and lungs and how efficient they are in delivering oxygen via your blood to your muscles is an important factor to your fitness. Your muscles use this oxygen to provide enough energy for daily activity. This is called aerobic activity. When you are fit, your heart will not have to work so hard. It will pump a lot fewer times per minute, reducing the strain on your heart. So as you can see, the fitter you are, the healthier and greater you will feel.
WARM-UP
Start each workout with 5 to 10 minutes of stretching and some light exercises. A proper warm-up increases your body temperature, heart rate and circulation in preparation for exercise. Ease into your exercise. After warming up, increase the intensity to your desired exercise program. Be sure to maintain your intensity for maximum performance. Breathe regularly and deeply as you exercise.
COOL DOWN
Finish each workout with a light jog or walk for at least 1 minute. Then complete 5 to 10 minutes of stretching to cool down. This will increase the flexibility of your muscles and will help prevent postexercise problems
WORKOUT GUIDELINES
WARRANTY
AUSTRALIAN CONSUMER LAW Many of our products come with a guarantee or warranty from the manufacturer. In addition, they come with guarantees that cannot be excluded under the Australian Consumer Law. You are entitled to a replacement or refund for a major failure and compensation for any other reasonably foreseeable loss or damage. You are entitled to have the goods repaired or replaced if the goods fail to be of acceptable quality and the failure does not amount to a major failure. Full details of your consumer rights may be found at www.consumerlaw.gov.au. Please visit our website to view our full warranty terms and conditions: http://www.lifespanfitness.com.au/warranty-repairs http://www.lifespanfitness.com.au/warranty-repairs%20
WARRANTY AND SUPPORT Any claim against this warranty must be made through your original place of purchase. Proof of purchase is required before a warranty claim may be processed. If you have purchased this product from the Official Lifespan Fitness website, please visit https://lifespanfitness.com.au/warranty-form For support outside of warranty, if you wish to purchase replacement parts or request a repair or service, please visit https://lifespanfitness.com.au/warranty-form and fill in our Repair/Service Request Form or Parts Purchase Form.
QR code
Scan this QR code with your device to go to lifespanfitness.com.au/warranty-form





























