GS-6 Multistation

GS-6 MULTISTATION
USER MANUAL
Product may vary slightly from the item pictured due to model upgrades.
Read all instructions carefully before using this product. Retain this owner’s manual for future reference.
NOTE: This manual may be subject to updates or changes. Up to date manuals are available through our website at www.lifespanfitness.com.au
I. IMPORTANT SAFETY INSTRUCTIONS
WARNING: Read all instructions before using this machine.
- Install the product on a flat level surface.
- Place your unit on a solid, level surface when in use.
- Never allow children on or near the machine.
- Keep hands away from all moving parts.
- Never drop or insert any object into any openings.
- Care must be taken when lifting or moving the equipment so as not to injure your back. Always use proper lifting techniques and/or seek assistance if necessary.
- Keep children and pets away from the machine at all times. DO NOT leave children unattended in the same room with the machine.
- Only 1 person at a time should use the machine.
- If the user experiences dizziness, nausea, chest pain, or any other abnormal symptoms,
STOP the workout at once.
CONSULT A PHYSICIAN IMMEDIATELY
- Do not use the machine near water or outdoors.
- Keep hands away from all moving parts. · Always wear appropriate workout clothing when exercising. DO NOT wear robes or other clothing that could become caught in the machine. Running or aerobic shoes are also required when using the machine.
- Use the machine only for its intended use as described in this manual. DO NOT use attachments not recommended by the manufacturer.
- Do not place any sharp objects around the machine.
- Disabled person should not use the machine without a qualified person or physician in attendance.
- Never operate the machine if the machine is not functioning properly.
- A spotter is recommended during exercise.
II. CARE INSTRUCTIONS
- Lubricate moving joints with silicon spray after periods of usage.
- Be careful not to damage plastic or metal parts of the machine with heavy or sharp objects.
- The machine can be kept clean by wiping it down using dry cloth.
- Check and adjust the tension of wire rope on a regular basis.
- Regularly check all moving parts and make sure there are signs of wear and damage, if any the use of the device must be stopped immediately and contact our after-sales department.
- During inspection, it is necessary to make sure that all bolts and nuts are completely fixed. If any bolt or nut connection is loosened, please re-tighten.
- Check weld for cracks. · Failure to perform daily maintenance may result in personal injury or equipment damage.
Caution: Please always check your chain links parts (77 and 79) are fully tightened or clipped in properly before use as this may cause injury if the links are not screwed all the way or clipped properly.
II. PARTS LIST
Some items on this list may come pre-installed on your equipment. If you feel like you’re missing anything, please double check your equipment.


Key No.
Description
Qty.
1 Guide Rods 2
2 Front Vertical Frame 1
3 Main Seat Support 1
4 Support Tube 1
5 Rubber Bumper 1
6 Bolt M6x16 2
7 PlugΦ25x3xΦ22×7 8
8 Plug 50×70 4
9 Front Press Base 1
10 Plug 50×25 4
11 Long Axle 1
12 Let Developer Axle 1
13 Adhesive Label 1
14 Washers Φ10 83
15 Left Butterfly Set 1
16 Right Butterfly Set 1
17 Lock Ring 2
18 Nut M6 2
19 Hex Bolt M6x35 2
20 Nut M10 44
21 Hex Bolt M10x175 1
22 Plat (hole to hole 110mm) 6
23 Press Bar Set 2
24 Plug Φ25 3
25 Dipping Sleeve 4
26 Butterfly Bushing 2
27 Enlarged Washers Φ10 2
28 Hex Bolt M10x90 2
29 Rare Support Tube 1
31 Carriage Bolt M10x90 12
32 Carriage Bolt M10x70 6
33 Hex Bolt M10x70 2
34 Ring Knob 2
35 Plug 50×45 2
36 Press Foam 2
37 Seat Frame 1
38 Lampstand 1
39 Washers Φ8 12
40 Hex Bolt M8x40 2
41 Arm Frame 1
42 Arm Pad 1
43 Hex Bolt M8x16 2
44 Tube Cover 6
45 Leg Developer 1
46 Tube Plug 50 1
47 Axle 1
48 Bummper Φ45xΦ35×33 1
49 Hex Bolt M10x20 14
50 Foam Tube 2
51 Foam 4
52 Foam Cover 4
53 Back Pad 1
54 Hex Bolt M8x85 4
55 Bummper Φ61xΦ58xΦ26×25 2
56 Weight Plates 12
57 Selector Rod 1
58 Selector Stem 1
59 Hex Bolt M10x45 16
60 Weight Plate Cover 1
61 Weight Plate Cover 1
63 Pulley 18
64 Pulley Set 1
65 Pulley Bracket 2
66 Pulley Bushing 2
67 Hex Bolt M10x65 4
68 Pulley Bracket 1
69 Hex Bolt M10x110 1
70 Pulley Bracket 2
71 Plate (4 holes) 1
72 Hex Bolt M8x10 4
74 Triceps Cable (4215mm) 1
75 Lat Cable (3380mm) 1
76 Butterfly Cable (3115mm) 1
77 C-clip 5
78 Triceps Rope 1
79 6 Chain 1
80 Lat Bar 1
81 Bar Grip 2
82 15 Chain 1
83 Small Bar Set 1
84 Bushing Φ38x5xΦ27×26 2
85 Small Bar Tube 1
86 Grip 4
87 Ankle Strap 1
88 Rar Base Frame 1
89 Base Frame 1
90 Upper Frame 1
91 Vertical Frame 1
92 Board 1
93 Foot Plate 1
94 Foot Plate Tube 270mm 1
95 Pipe Bushing 2
96 Support Tube 2
97 Foot Tube 1
98 Tube Plug 60×30 2
99 Parallel Support 1
100 Lat Bar 1
101 Left Support Tube 1
102 Right Support Tube 1
103 Vertical Tube Bar 2
104 Bushing 2
105 Pipe Grip 2
106 Arm Cushion 2
107 Pull Handle 1
108 Back Pad 1
110 Hex Bolt M8x65 4
111 L-Pin 1
III. ASSEMBLY INSTRUCTIONS
NOTE!
1. Washers are pushed at two ends of bolts.
2. Some parts has been assembled at the factory.
3. It is strongly recommended this machine to be assembled by two or more
people to avoid possible

1. Insert the Guide Rode (#1) into the holes on the Main Base Frame (#88). Secure it with 2x Allen Bolt M10*20mm (#49) and 2x Washer 10 (#14).Push the Rubber Dumper (#55) onto the Guide Rods (#1).
2. Attach the Rear Base Frame (#29) to the Front Base Frame (#89) and Main Base Frame (#88). Secure it with 2x Carriage Bolt M10*90mm (#31), Aircraft Nut M10mm (#20) and 4x Washer 10 (#14).
3. Attach the Front Vertical Frame (#2) to the Front Base Frame (#89). Secure it with 2x Washer 10 (#14) and 2x Aircraft Nut M10mm (#20), 2x Carriage Bolt M10*70mm (#32) and Bracket (#22).
4. Attach the seat support tube (#3) to the Front Base Frame (#89), secure with 2x Washer 10 (#14) and 2x Aircraft Nut M10mm (#20), 2x Carriage Bolt M10*70mm (#32).
5. Attach the Left and Right Base Tube (#96) to the Front Base Frame (#89). Secure it with 2x Carriage Bolt M10*90mm (#31), 4x Washer 10 (#14) and 2x Aircraft Nut.

STEP 2
1. Slide the 12 Weight Plates (#56) onto the Guide Rods (#1). (Note: The groove side faces down). Insert the Selector Rod (#57) through the centre hole.
2..Slide the Selector Stem (#58) onto the Guide Rod (#1). Insert the L- shaped Pin (#111).
3. Attach the Upper Frame (#90) to the Guide Rods (#1). Secure it with 2x Allen Bolt M10*20mm (#49) and 2x Washer 10 (#14).
4. Secure the Upper Frame (#90) to the Front Vertical Frame (#2) with 2x Carriage Bolt M10*90mm (#31), 2x Washer 10 (#14), Bracket (#22) and 2x Aircraft Nut M10mm (#22).
STEP 3
1. Attach the Front Press Base (#9) to the Upper Frame (#90). Secure it with 1x Long Axle (#11), Enlarged Washers(#27) and Aircraft Nut M10mm (#20).
2. Slide a Butterfly Foam Roll (#36) onto the Butterfly arm (#16) and (#15). Attach the 2x Front Press Handle (#23) to the Left & Right Butterfly (#16 & #15) with Allen Bolt M10*90mm (#28) and Washer 10 (#14).
3. Attach the Butterfly arm (#16) and (#15) to the Front Press Base (#9), secure them with Butterfly Bushing (#26), Aircraft Nut M6mm (#18) and Lock Ring (#17), Bolt M6*35mm (#19).
4. Attach the Pulley Bracket (#68) to the Front Vertical Frame (#2), secure with Hex bolt (#69), Washer (#14) and Aircraft Nut M10mm (#20). Attach the pulley bracket (#70) to the (#68), secure with Hex Bolt M10x65 (#67), Washer (#14) and Aircraft Nut M10mm (#20).
5. Attach the Back pad (#53) to the Front Vertical Frame (#2), secure with Hex Bolt M8x85 (#54), 8Washer (#39).

STEP 4
1. Attach the Main Seat Support (#4) to the Front Vertical Frame (#2). Secure it with Washer 10 (#14) and Aircraft Nut M10mm (#20), Carriage Bolt M10*90mm (#31), and Plate (#22).
2. Attach the Main Seat Support (#4) to the Front Base Frame (#3). Secure it with Washer 10 (#14) and Aircraft Nut M10mm (#20), Hex Bolt M10x70.
3. Attach the Leg Developer (#45) to the Main Seat Support (#4). Secure it with a Leg Developer Axle (#47), Allen Bolt M10*20mm (#49) and Washer 10 (#14).
4. Attach Lock Knob (#34) to Main Seat Support (#4). Insert the Tube (#41).

STEP 5
1. Place the Seat (#38) onto the Seat Stand (#37). Secure it with Allen Bolt M8*40 (#40) and Washer8 (#39). Insert the Seat Stand (#37) into the Main Seat Support (#4). Secure it with Lock Knob (#34).
2. Attach the Arm Curl Pad (#42) to the Arm Curl Stand (#41). Secure it with Allen Bolt M8x16mm (#43) and Washer 8 (#39).
3. Insert 2x Foam Tubes (#50) halfway through the holes on the Leg Developer (#45) and the Main Seat Support (#4), push Foam Rolls (#51) onto the Foam Tubes (#50) from both ends. Plug the 4x Foam Roll End Caps (#52) onto the ends.
4. Attach the Foot Plate (#93) to the Front Base Frame (#89), secure with Tube (#94), then plug the two Caps (#95).

STEP 6
1. Feed the Lat Cable (3380mm)(#75) through 7x Pulley (#63) as shown in image following, secure with 12 Washers 10 (#14), 6 Hex BoltsM10×45 (#59), 1 Hex Bolt M10x175(#21), 7 Nut M10 (#20), 2 Pulley plate (#65). Connect the end which is bolt to the (#57).

STEP 7
1. Connect the Butterfly Cable (3115mm) (#76) to Right Butterfly (#16) and Left Butterfly (#15) as shown in image, secure with 1 Pulley Set(#64), 3 Pulley (#63), 3 Hex Bolts M10x45 (#59), 6 10 washers (#14), 3 Nuts(#20).

STEP 8
1. Fix the Triceps Cable (4215mm) (#74) as shown in image, secure with 2 Pulley Set(#66), 8 Pulley (#63), 7 Hex Bolts M10x45 (#59), 1 Hex Bolt M10x65 (#67), 16 10 washers (#14), 8 Nuts(#20).

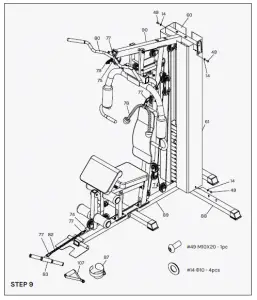
STEP 9
1. Attach Right Weight Plate Cover (#60) and (#61) to frame (#88) and (#90), secure with 2 M10x20 (#49), 2 Washers10 (#14) .
2. Attach Lat Bar (#80) to the Lat Cable (3380mm) (#75) though 6 Chains (#79) with 2 C-clip (#77).
3. Attach Small Bar Set (#83) to the Triceps Cable (4215mm) (#74) though 15 Chains (#82) with 2 C-clip (#77).
4. Attach Triceps Rope (#78) to the Triceps Cable (4215mm) (#74) with 1 C-clip (#77).

STEP 10
1. Connect the parallel bar diagonal support pipe (91 #) with 2 flat gaskets 10(14 #) and 2 locknut M10(20 #) to the pre-installed carriage bolt M10x70(32 #) on the rear floor frame (extension)(88 #).
2. Two carriage bolts M10x90(31 #) , two flat gaskets 10(14 #) , two locknut M10(20 #) , and one side splint b (92 #) are used to connect the parallel bar support-high tension bend (99 #) , the parallel bar bracing pipe (91 #) and the upper beam frame parallel bar sandbag (90 #).
3. Insert Keola handle (100 #) into parallel Bar support-high stretch bend (99 #) and lock with 4 flat gaskets 10(14 # ), 2 pan heads inner hexagon bolt M10x20(49 #) , 1 pan heads inner hexagon bolt M10x65(67 #) , 1 locknut M10(20 #).

STEP 11
1. Attach the Left Dip Arm (#101) and the Right Dip Arm (#102) to the Vertical Frame (#91). Secure it with 1x Carriage Bolt M10*70mm (#33), 2x Washer 10 (#14), 1x Aircraft Nuts M10mm (#20). Connect the two arms (#101) and (#102) together by 4 Hex Bolts M8x10 (#72), 4 washers 8 (#39), 1 Plate (4 holes) (#71).
2. Plug the Handle Bar (#103) into the hole of Right Dip Arm (#101) and (#102) with 2 Hex bolts M10x20 (#49). 3. Attach the Arm Pad (#106) to the Right and left Dip Arm. Secure it with 4 Allen Bolts M8*65mm (#110),
4x Washer8 (#39). 4. Attach the Padded Back Support (#108) to the Vertical Frame (#91). Secure it with 2x Allen Bolts
M8x85mm (#54), 2x Washer 8 (#39). 5. Attach the Foot Stand (#97) to the Vertical Frame (#91). Secure it with 2x Carriage Bolt M10 x 90mm
(#31), bracket (#22), 2x Washer 10 (#14), 2x Aircraft Nuts M10 (#20).

STEP 12
1. Attach 1x Arch Frame (#3) to the Front Vertical Stand (#2). Secure it with 1x Carriage Bolt M10 x 70mm (#14), 2x Washer10 (#12) and 1x Allen Bolt M10mm (#13).
2. Attach the 1x Base Frame (#1) to the Front Vertical Stand (#2). Adjust the height and secure it with 1x Adjustable Position Foam Tube (#10) and 1x Lock Knob (#11).
3. Push 4x Foam Rolls (#8) onto Long Foam Tube (#7) and Adjustable Position Foam Tube (#10). 4. Put Plus (#9) onto the two ends of Long Foam Tube (#7) and Adjustable Positional Foam Tube (#10). 5. Check that all the parts is tight.
20| ASSEMBLY INSTRUCTIONS
VII. EXERCISE GUIDE
PLEASE NOTE:
Before beginning any exercise program, consult your physician. This is important especially if you are over the age of 45 or individuals with pre-existing health problems. The pulse sensors are not medical devices. Various factors, including the user’s movement, may affect the accuracy of heart rate readings. The pulse sensors are intended only as an exercise aid in determining heart rate trends in general. Exercising is great way to control your weight, improving your fitness and reduce the effect of aging and stress. The key to success is to make exercise a regular and enjoyable part of your everyday life. The condition of your heart and lungs and how efficient they are in delivering oxygen via your blood to your muscles is an important factor to your fitness. Your muscles use this oxygen to provide enough energy for daily activity. This is called aerobic activity. When you are fit, your heart will not have to work so hard. It will pump a lot fewer times per minute, reducing the wear and tear of your heart. So as you can see, the fitter you are, the healthier and greater you will feel.
WARM UP Start each workout with 5 to 10 minutes of stretching and some light exercises. A proper warm-up increases your body temperature, heart rate and circulation in preparation for exercise. Ease into your exercise. After warming up, increase the intensity to your desired exercise program. Be sure to maintain your intensity for maximum performance. Breathe regularly and deeply as you exercise.
COOL DOWN
Finish each workout with a light jog or walk for at least 1 minute. Then complete 5 to 10 minutes of stretching to cool down. This will increase the flexibility of your muscles and will help prevent postexercise problems.
WORKOUT GUIDELINES
HEART RATE 200 180 160 140 120 100 80
TARGET ZONE
MAXIMUM 85% 70% COOL DOWN
20 25 30 35 40 45 50 55 60 65 70 75 AGE
This is how your pulse should behave during general fitness exercise. Remember to warm up and cool down for a few minutes.
VIII. WARRANTY
AUSTRALIAN CONSUMER LAW Many of our products come with a guarantee or warranty from the manufacturer. In addition, they come with guarantees that cannot be excluded under the Australian Consumer Law. You are entitled to a replacement or refund for a major failure and compensation for any other reasonably foreseeable loss or damage. You are entitled to have the goods repaired or replaced if the goods fail to be of acceptable quality and the failure does not amount to a major failure. Full details of your consumer rights may be found at www.consumerlaw.gov.au. Please visit our website to view our full warranty terms and conditions: http://www.lifespanfitness.com.au/warranty-repairs WARRANTY AND SUPPORT Any claim against this warranty must be made through your original place of purchase. Proof of purchase is required before a warranty claim may be processed. If you have purchased this product from the Official Lifespan Fitness website, please visit https://lifespanfitness.com.au/warranty-form For support outside of warranty, if you wish to purchase replacement parts or request a repair or service, please visit https://lifespanfitness.com.au/warranty-form and fill in our Repair/Service Request Form or Parts Purchase Form. Scan this QR code with your device to go to lifespanfitness.com.au/warranty-form
WARRANTY | 23
WWW.LIFESPANFITNESS.COM.AU
















