SCH GWCS9 Towed Sprayer 180L Spray Width

DESCRIPTION
- The GWCS9 is a versatile sprayer for applying herbicides and fertilisers to both large and small areas with ease. The tractor battery powers the 12-volt diaphragm pump. Inline filters are incorporated to prevent, as far as possible, irritating stoppages from blocked nozzles
- The four-nozzle spray boom is one of the main features of the sprayer. The two outside nozzles are fitted to a break back section of the boom. When the operator accidentally navigates the boom into a solid object, a tree, garden bench or similar, the outside section of the boom will fold back, minimising the risk of damage. The two outside nozzles can be individually isolated to narrow the spray width from the two nozzles’ centre.
- This sprayer is equipped with a 5-litre fresh water washing bottle
SPECIFICATIONS
| Tank Capacity | 70L (15 Gallons) |
| Spray Width | 2440mm (96”) |
| Pump Delivery (Open Flow) | 7L per minute |
| Pump Voltage | 12v DC bypass |
| Pump Operation Pressure | 3.1 bar |
| Maximum Fluid Temp | 54 °C |
| Dry weight | 15kg approximately |
| Full Weight | 84kg approximately |
SAFETY INSTRUCTIONS
- Never leave your sprayer where someone could trip or walk into it.
- Always make sure that the sprayer is firmly fixed to the vehicle.
- Never allow people to ride on the sprayer.
- Do not use the sprayer in close proximity to other people.
- Do not inhale the chemical.
- Do not allow the chemical to come into contact with food.
- Do not smoke while operating the sprayer with chemicals.
- Do not allow the spray to contaminate rivers or ponds.
- Do not allow children to play with the sprayer.
- Do not spray on windy days.
- Do not use tar-based products.
- Always store the sprayer in a safe place.
- Wear protective clothing and eyewear when operating the sprayer.
- Test and familiarise yourself with the sprayer by using plain water.
If in doubt, please call the SCH customer help line at 01473 328272.
PREPARATION FOR USE
- Connect the orange power cable to the towing units battery.
- Place the boom over the rear upright box section.
The spray nozzles must have the ‘V’ cut away facing the ground.
The height of the spray tip should be 460mm (18”) above the ground. - Tighten the thumb screw on the boom height adjusting box section and the thumb screw on the chassis of the sprayer. Attach the delivery hose to the coupling on the spray bar (push together and twist)
- To travel – fold the outer wing bars on the boom in – loosen the thumb screws and re tighten.
- To spray – Fold out the wing bars and secure
- For areas which require a narrower spray pattern, isolate the spray nozzles as required.
MAINTENANCE
- The tank – Wash out twice a year
- The pump – An inlet filter is fixed to the head of the pump. To clean unscrew the see-through filter bowl and clean. It is very important that on re assembly you place the black ‘o’ ring seal in the correct position and re fit the bowl.
- Spray nozzles – Make sure they are spraying in an even pattern. There is a filter behind each nozzle which may require cleaning.
- Chassis wheels – Grease twice a year
- Thumb Screws – Remove twice yearly and insert into grease and replace
- General – Check over for tightness of fixings and fittings A light spray over with preserving oil in the ‘off’ season will prolong the sprayer life.
Make sure to always protect the unit from frost.
SPRAYING
- We advise you cover the area twice (North /South – East / West)
- Travel at a good walking speed
- You may wish to lower the speed if you require a higher dose (e.g. liquid fertilisers)
- Never spray on a windy day
Hand Spraying –
- Switch off the sprayer
- Remove the delivery hose from the spray bar (push together and twist)
- Connect the delivery hose to the brass trigger lance
- Switch on the sprayer and begin spraying as required
TROUBLESHOOTING
- If the pump fails to operate: – Check the electrical connection
- If the pump fails to deliver: –
- Check suction hose is in correct position.
- Check the filter head of pump is clean.
- Check the ‘O’ ring on filter bowl is in position.
- If the boom is fitted make sure the nozzles & filters are clear.
- Check the lance handle is clean by unscrewing the brass barrel, also ensure the nozzle & filter are clear.
PARTS LIST
| Description | REF |
| Pump complete | GWCS/CP |
| Pump filter complete | GWCS/PFC |
| On/off toggle switch | GWCS/TS |
| Tank Drain Tap | GWCS/DT |
| Complete Wheel Assembly | GWCS/CWA |
| Nozzle | GWCS/NH |
| Nozzles – Burgundy ‘V’ | GWCS/BN |
| Nozzles – Hollow Cone | GWCS/CN |
HAND LANCE

CALLIBRATION
Calibrate as directed by the chemical manufacturers’ instructions
A SIMPLE GUIDE TO CHEMICAL / FEED APPLICATION
- If the area to be sprayed is 3000 sq. metres. and according to the instructions of the liquid bottle you select says sufficient for 1000 sq. metres. Put 3 bottles in the tank and go over the area (north/south, east/west) until the tank is empty.
- Please note that having tested your sprayer with water as advised you may not require a full tank of mixture. Therefore, adjust requirements accordingly.
UNDERSTANDING CALIBRATION
- The law requires some 30,00 contractors and employed persons involved in pesticide applications to obtain a Certificate of Competence.
- These personnel will receive a good grounding in the safe and efficient use of pesticides. The exemption rules are such that there will be a large pool of people applying pesticides who, at best, will not have undertaken recent training. A few far-sighted employers have incurred not inconsiderable costs by including all their employers on the training courses and will more than recoup on this investment over the years in increased efficiency.
- Why Calibrate?
- It is now a legal requirement for all users to adhere to the label recommendations with regard to dosage rates, method of application, etc.
- Besides being illegal to exceed the maximum recommended dose, getting the application rate wrong can have distinctly adverse effects on the cash flow and budgets.
- Consistent overdosing of sites is not only environmentally undesirable; it also increases the risk of damage to non-target species and run- of damage in more sensitive areas. It can, even with a modest spraying programme, cost hundreds of pounds each year in wasted chemical and unnecessary losses.
- Under dosing, on the other hand can be equally costly. If weeds, for example are not controlled at the first application, a second later application may be necessary. This may involve higher rates, a more expensive chemical or even hand weeding. Add to this the disruption to work schedules and it becomes evident that careful monitoring and control of all application programmes is essential.
- Correct application and efficient monitoring is only possible if all personnel involved have a thorough understanding of calibration techniques.
TERMINOLOGY
- Treated Area
All chemical data, whether in advisory leaflets or label recommendations, is stated in litre or kilogrammes of product per treated area. The actual area to be treated thus has to be calculated for budgeting, purchasing, job planning and calibration purposes. - Overall Application
The treated area is equal to the gross area - Band Application
The treated area is less than the gross area and is calculated thus: Band width x Band lengths x No of bands - Spot Application
The treated area is significantly less than the gross area and is calculated thus: Area of spot = 0.7855 x (diameter) ² (metres) (derived from πd ²) 4 Treated area (ha) = Area of spot x No of spots per ha ÷ 10,000 Quite obviously, the smaller the area that can be treated to achieve the desired result; the less costly the operation. With the area calculated, the variables involved can be determined in order to calibrate equipment to complete the spraying operation in a safe and efficient manner. - Forward Speed
With overall and band applications, control of forward speed is critical in determining how much chemical is applied. This will vary with the type of terrain and must be realistically calculated. In flat terrain where unimpeded progress is possible, forward speed will be greater than in undulating, heavily vegetated conditions. In the latter, trial may be necessary to determine a constant work rate, which can be, maintained both up and downhill. - Swathe width
The width covered at each pass is known as the swathe width and will vary with, for example, choice of nozzle, operating pressure and height of application. Having selected the appropriate nozzle and operating pressure the height selected must in the case of hand-held equipment be comfortable for the operator. Equipment is comfortable for the operator. With non-pressurised equipment, such as CDA and gravity systems, there are obviously no operating pressures to worry about. - Nozzle Output
Nozzle output is critical in all spraying operations and it is important to select a nozzle type appropriate to the viscosity of the concentrate being applied/swathe width required. - Flow Rate
Flow rate will vary with nozzle type, viscosity, pressure and the ambient temperature at the time of application. After selecting the most appropriate nozzle for the operation adjustment to pressurise equipment will be necessary to achieve the desired flow rate. Flow rate in powered machinery can be controlled by engine speed and/or internal pressure adjustment. - Application Rate
Spray coverage of the target being sprayed should be sufficient to give an even application of the correct dose of pesticide on the area to be treated. The manufacturers recommendations must be followed and where there is a choice of options, i.e., high, medium, low, very low volumes, select the most appropriate volume to achieve the desired result. - Tank Dilution
From the application rate, it is possible to calculate the amount of pesticide required per full tank. Pesticide per fill (litres) = Tank volume (litres) x Pesticide volume (litres/ha ÷ Diluent’s volume (litres/ha)
CALIBRATION TECHNIQUE
- Having determined the above, the next step is to calibrate the actual equipment chosen to apply the required amount of concentrate on the target area.
- Each type of application obviously has its own calibration method which must be studied and closely followed, but in general the following notes for spraying equipment will hold good.
- It is most important to understand that each applicator will vary slightly from others of the same type and manufacture. Thus, each piece of equipment must be individually calibrated.
- The selected nozzles should be filled with water and the correct operating pressure selected.
- The output of each nozzle should then be measured by spraying into a measuring jug for a set period of time, e.g., one minute, to give the nozzle output in litres/minutes.
- As output will vary from nozzle to nozzle, in boom equipment the output from each nozzle should be checked. In larger boom equipment, at least four nozzles should be checked- one from each section and the output calculated accordingly. If nozzle outputs on boom equipment vary by more than 5%, the faulty nozzles should be replaced.
- If output varies by a small amount from the calculated output, with some types of equipment, altering the operating pressure can rectify this. Where the output varies by a large amount, the calibration calculations should be re-checked and the nozzle type changed if necessary.
- With all equipment the application pattern is checked and swathe width measured by treating an area of dry soil, concrete, etc.
- Once the actual output is known, the forward speed can be calculated, in the case of liquid sprayers, thus: Forward speed (meters/hour) = Measured nozzle output (litres/minute) x 600,000 x (no of nozzles) Volume rate (litres/ha) x Swathe width (meters)
- The equipment can then be filled with the recommended mixture of pesticide and dilatants. Never add pesticide concentrate direct to an empty tank, always half-fill the tank with dilatants prior to adding the concentrate and mix thoroughly.
- A suitable test area. e.g., A 100m strip can be sprayed at this speed. At the end of this the actual application rate should be determined by topping up the tank using a measuring jug. The forward speed can then be adjusted to ensure that the concentrate is applied at the correct rate.
- The serviceability of the equipment can be tested at the same time. Leaks are environmentally unacceptable and waste expensive.
- Blockages lead to patchy results and both make efficient monitoring impossible.
- The full calibration process is only necessary when equipment has not been used for a while, after servicing or after changes in nozzles and pressure are made.
- It is however, good practise to check the actual application rate at the commencement of each days work and after lunch. Adjustments can be made as appropriate.
- Each employee will require access to a stopwatch and tape measure in order that they can monitor their own output. If resistance is met then this is a good indication that the employee has not understood the reasons behind the calibration process and further training is needed.
- The process can be tedious but as operators become more familiar with the techniques, the loss in application time is reduced and more than offset by the improved results obtained.
- Much can, of course be done by management to simplify the task by the production of job sheets clearly setting out the details of each task and providing space for records to be kept. These when returned, can be filed and the statutory requirement for adequate records to be kept met.
MANAGEMENT TASKS
- Analyse the objectives of the operation
- Select the most effective chemical to achieve these objectives
- Check the manufacturers recommendations to ensure that it is suitable for the task and select an appropriate application rate
- Select the most efficient equipment to apply the chemical
- Calculate the dilution rate per tank: Pesticide per fill =
Tank volume (1) x Pesticide rate (1/ha) ÷ Dilatant’s rate (1/ha) - Select an appropriate tank pressure for pressurised equipment
- Select the correct nozzle to give the required swathe width
- Calculate the gross area
- Calculate the ACTUAL area to be treated. Overall application: Treated area = gross area Band application (ha): Treated area = Band width (m) x Band length x no of bands Width between row (m) Spot treatment (ha): Treated area = [0.7855 diam² (m)] x no spots/ha ÷ 10,000
- Calculate an optimum forward speed based on the equipment to be used, the terrain type and the ease of movement
- Issue comprehensive yet simple instructions to staff
- Ensure that a record of the operation and its effectiveness is kept and any problems investigated fully
SUPERVISORS TASKS
- Read notes provided and check details
- Check weather including wind speed and re-schedule operation if unsuitable conditions prevail
- Ensure all operatives are issued with the correct safety wear, that this is serviceable and worn
- Fill the sprayer with water and set to correct pressure5. Measure nozzle flow rates using measuring jug
Nozzle output (1/min) = quantity of spray in jug (ml) x 60,000 ÷ Time (sec) - Adjust pressure to give calculated output (if possible). If significant variation from calculated output, check calibration calculations and, if necessary, change nozzles
- Spray an area of concrete or dry soil to determine the actual swathe width and for an even droplet pattern. With boom equipment ensure that the spray pattern from each nozzle overlaps correctly
- Check for leaks and blockages. Blockages should only be cleared by using compresses air and never with wire!
- Using the actual nozzle output and the actual swathe width determine the actual forward speed required to apply the correct quantity of chemical Forward speed = Nozzle output x 600,000 x No of nozzles ÷ Volume rate x swathe width
- Compare this with the optimum speed and recalculate the operation if necessary
- Fill the tank with correct quantity of concentrate / dilatants
- Mark out an appropriate test area, spray and calculate the actual application rate. Adjust the forward speed as appropriate
- Issue clear and simple instructions based on the actual output of the equipment
- Monitor the operation and ensure that regular checks on output are made
- Ensure that tank washings and surplus chemical are disposed of safely in accordance with the law
- Ensure that adequate records are maintained on the basis of the actual operating parameters
INSTALLATION & SERVICE INFORMATION
DESCRIPTION
FLOJET Industrial Duplex lI Pumps are designed for a wide range of applications and are constructed from a selection of materials suitable for handling a broad range of chemicals. The Duplex lI series of diaphragm pumps are self-priming and can be run dry without harm. They are ntended for intermittent duty cycles but can be run continuously for short periods of time. The higher the duty cycle the shorter the expected life of the pump. Typical pump uses are liquid transfer, spraying, cooling, circulation, fitration and dispensing.
OPERATION
To start and prime the pump, the discharge line must be open alowing trapped air to escape thus avoiding the potential of airlock. The pressure switch Will shut off the pump automatically when the discharge valve is dosed and the pressure has risen to the switch OFF set point. The pressure switch will restart the pump when a valve is opened and the discharge line pressure drops to the ON set point of the pressure switch.
DEMAND OPERATION (INTERMITTENT DUTY)
Demand Operation is considered an “intermittent duty” application. The maximum intermittent duty cycle is that which will cause the motor to reach its maximum thermal limits. Once the maximum thermal limit is reached, the motor must be allowed to sette to a lower temperature idealy being ambient before resuming operation. Running the pump at or near the maximum thermal limit for extended period of time will shorten the life of the pump and may result in immediate pump failure.
BYPASS OPERATION (IF EQUIPED)
Models equipped with an external bypass system are designed to pump at high pressures while at low or high flow rates. Models equipped with a bypass only will continue to run until the power is manually turned off. The Duplex l pumps are not recommended for continuous duty service due to limited motor brush life. Operation at lower pressures and temperatures, however, will extend overall pump service life.
MOUNTING
The FLOJET Duplex ll Series pumps are self-priming. Vertical prime may vary depending on the Tluid Viscosity, suction tube sIze, foot valve and pump configuration. The pump should be mounted in a dry and adequately ventilated area. If mounted Within an enclosure, provisions to cool the motor may be necessary

PREVENTATIVE MAINTENANCE TIPS
- If pumping a liquid other than water the pump should be flushed with water (if applicable) after each use.
- Sealers and Teflon tape acting as a lubricant can cause cracked housings or stripped threads due to over tightening. Care should be used when applying sealers; the tape may enter the pump inhibiting valve action, causing no prime or no shut-off conditions. Failures due to foreign debris are not covered under warranty.
- Before freezing conditions occur, the pump must be liquid free or winterized with proper ant-Treezing chemicals.
- If mounting the pump in an outdoor environment the pump should be shielded from water, dust, sunlight and wash down spray.
- Do not assume chemical compatibility. If the fluid is improperly matched to the pumps Elastomers, the pump may fail to prime, have low pressures or the pressure switch may not shut off.
PLUMBING
- Use flexible hose of the comect pressure rating that is compatible with the fluid to be pumped.
- Tubing shoud be a minimum of 3/8 (9.5 mm) ID and at least 20 inches (508 mm) in length to avoid excess stress on the pump ports. Do not crimp or kink the tubing. The pump head maybe rotated in 90″ increments to simplify plumbing
- FLOJET does not recommend the use of metal fittings, standard plastic male and female threaded fittings can be acquired at commercial plumbing supply stores. FLOJET also distributes plastic barb fittings through our distributors (form no. F100-001)
- The use of check valves in the plumbing system could interfere with the priming ability of the pump. If a check valve is installed in the plumbing it must have a cracking pressure of no more than 2 PSI (14 bar).
- Use of a minimum 40-mesh strainer or filter in the pump inlet line will prevent foreign debris from entering the system. Failures due to foreign debris entering the pump wil not be covered under the limited waranty.
Note: Inlet pressure must not exceed 30-PSI (2.1 ba) maximum.
WARNING
- Risk of an electrical shock!
- When wiring electrically driven pumps, follow all electrical and safety codes, as well as the most recent National Electrical Code (NEC) and the Occupation al Safety and Health Act (0SHA).
- Make certain the power source conforms to the pump voltage. Be sure all power is disconnected before installation.
- The pump should be wired into an individual (dedicated) circuit, controled with an UL/C-UL certified double pole switch rated at or above the fuse ampere indicated on the pump motor label.
- On 115-volt AC pumps, the black wire lead is live or common, the white lead wire is neutral and the green/yellow is ground. On 230-volt AC pumps the brown wire lead is Ive or common, the blue wire is neutral and the greenyelloW Is ground.
- On 12 and 24 volt pumps the red lead is positive and should be connected to the battery plus (+) terminal. The black lead is ground and should be connected to the battery minus (-) terminal. Use T6 AWG wire minimum. Use a fuse to protect the system wiring and components.
- Improper duty cycle and/or rapid start stop conditions caused by undersized spray nozzles will cause the internal thermal breaker (ff equipped) to trip, or can cause premature motor failure due to excessive heat.
WARNING
DO NOT USE TO PUMP FLAMMABLE FLUIDS, GASOLINE, KEROSENE FUEL OIL, ETC. DO NOT USE PUMP IN A EXPLOSIVE ENVIRONMENT.
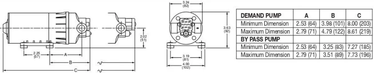
DIMENSIONAL DRAWING
Inches (Milimeters) Dimensional tolerances +0.06 inches Consult factory if precise details are required.


DISASSEMBLE
Pump Housing (2)
- Disconnect power to the pump motor
- Remove pressure switch cover (2) and remove wire leads from switch assembly
- Remove the four recessed pump-housing screws (1) located on top of the pump housing (8 or 9).
- Remove the pump housing (9 or 10) from diaphragm/lower housing assembly. Check Valve Assembly (3) Follow steps 1 through
- The check valve housing and o-ring (3) located in the upper housing (9 or 10) or on the diaphragm cam assembly (4).
- If in upper housing, remove by placing a small flat blade screwdriver between the upper housing and check valve housing and pry out
Diaphragm/Cam Assembly (4) - Remove two deep set phillips head screws (4).
- Rotate bearing cover (11), so access notch is aligned with cam bearing set screw, loosen set sCrew with a 1/8″ Allen wn assembly from motor shaft.
- After removing the cam bearing from the outer piston set, the inner piston screws are now visible, remove both flat head screws. The outer piston set can now be removed from the two inner pistons. and slide pum lower housing
REASSEMBLE
Diaphragm/Cam Assembly (4)
- Place hex stem of inner pistons through the diaphragm and the openings in the bearing cover (11) and into outer piston set.
- Center pistons in diaphragm and install two flat head screws.
- Place cam bearing over outer piston set aligning locating pins into the holes of the cam bearing housing.
- Install round head screws and tighten securely.
Bearing Cover (11) - Coat motor shaft with grease prior to installing the diaphragm/cam bearing assembly (4) to motor.
- Attach cam bearing assembly to motor shaft by aligning shaft indentation with set screw and tighten securely. (Rotate access notches down toward the base plate.)
- Install and tighten 2 phillips head screws to motor (torque to 25 inch pounds).
Check Valve Assembly (3) - Install check valve with new o-ring oer the pistons in diaphragm, discharge side up (side with center cirde up).
Pump Housing (9 or 10) - Place pump housing (9 or 10) over check valve and align the four screw holes with bearing cover.
- Install the four phillips head screws (1) into the bearing cover and cross tighten securely.
TROUBLESHOOTING
- Failure to Prime – Motor operates, but no pump discharge
- Restricted intake or discharge line.
- Open all line valves, check for jammed” check valves, and clean dogged lines.
- Air leak in intake line.
- Punctured pump diaphragm.
- Defective pump check valve.
- Crack in pump housing.
- Debris in check valves.
- Motor Fails to Tum On
- Pump or equipment not plugged in electrically.
- Loose wiring connection.
- Pressure switch failure
- Defective motor or rectifier
- Frozen cam/bearing.
- Pump Fails to Tum Off after
- Discharge valves are Closed
- Depletion of available liquid supply.
- Punctured pump diaphragm.
- Discharge line leak.
Defective pressure switch.
Insufficient voltage to pump.
Debris in check valves.
- Low Flow and Pressure
- Air leak at pump itake.
- Accumulation of debris inside pump and plumbing.
- Worn pump bearing (excessive noise).
- Punctured pump diaphragm.
- Defective rectifier or motor
- Insufficient voltage to pump.
- Pulsating Flow-Pump Cycling On and Ooff
Restricted pump delivery. Check discharge lines, fittings, valves and spray nozzles for clogging or undersizing.
PRODUCT WARRANTY
Flojet warrants this product to be free of defects in material and/or workmanship for a period of one year after purchase by the customer from Flojet. During this one year warranty period, Flojet will at its option, at no charge to the customer, repair or replace this product if found defective, with a new or reconditioned product, but not to include costs of removal or install ation. No product will be accepted for return without a return material authorization number. All return goods must be shipped with transportation charges prepaid. This is only a summary of our Limited Waranty. For a copy of our complete warranty, please request Form No. 100-101.
SERVICE KITS
Kits are readily available to repair standard Duplex lI series pumps. To insure that the correct kits are received the model number and all name plate data must be included with the order. Contact a FLOJET distributor or FLOJET directly to order the necessary repair kits
RETURN PROCEDURE
Prior to returning any product to Flojet, call customer service for an authorization number. This number must be written on the Outside of the shipping package. Place a note inside the package with an explanation regarding the reason for return as well as the authorization number. Include your name, address and phone number.
WARRANTY
- Your sprayer is guaranteed for 12 months from date of purchase. This guarantee covers faults which may occur from defective parts or manufacture.
- This warranty only covers the sprayer for products that may be diluted with water.
- Tar based products are not recommended.
- If you are missing your free brochure, contact us on 01473 328272, email [email protected], or visit our website www.schsupplies.co.uk




















