Instruction Manual
OPERATING INSTRUCTIONS

Compact Power Sprayer
Ref: GBS
DESCRIPTION
The GBS5 sprayer pump is powered by its own rechargeable dry cell battery. The battery and charger are included with the unit. The compact sprayer is mounted on a chassis having four 200mm (8″) rubber tire wheels making it extremely stable and easy to maneuver.
SPECIFICATIONS
| Tank Capacity | 25L (5 Gallons) |
| Spray Width | 1220mm (48”) |
| Pump Delivery (Open Flow) | 7L per minute |
| Pump Voltage | 12v DC bypass |
| Pump Operation Pressure | 3.1 bar |
| Maximum Fluid Temp | 54 °C |
| Overall Width | 430mm (17”) |
| Empty Weight | 17kg |
SAFETY INSTRUCTIONS
- Never leave your sprayer where someone could trip or walk into it.
- Never allow people to ride on the sprayer.
- Do not use the sprayer in close proximity to other people.
- Do not inhale the chemical.
- Do not allow the chemical to come into contact with food.
- Do not smoke while operating the sprayer with chemicals.
- Do not allow the spray to contaminate rivers or ponds.
- Do not allow children to play with the sprayer.
- Do not spray on windy days.
- Do not use tar-based products.
- Always store the sprayer in a safe place.
- Wear protective clothing and eyewear when operating the sprayer.
- Test and familiarise yourself with the sprayer by using plain water.
- Do not allow the pump to run dry.
- Do not allow the pump to run with the sprayer nozzles closed.
If in doubt, please call the SCH customer helpline at 01473 328272.
PREPARATION FOR USE
- Fit the battery into the battery compartment
- Place the red/brown wires into the res (+) terminal.
- Place the black/blue wires onto the black (-) terminal
- Place the handle into the rear bracket and fit it with the retainer pin provided.
– Red flat for cone spraying – fitted as standard
– Red wedge for wide-angle spraying – supplied separately. - Fill the container with the required spray–mixing and handling as per the manufacturer’s instructions.
We advise the container is not filled above the 20-liter mark
MAINTENANCE
| The tank – | Flush the machine with clean water after use. Wash out thoroughly twice a year. |
| The pump – | An inlet filter is fixed to the head of the pump. To clean unscrew the see-through filter bowl and clean. It is very important that on assembly you place the black ‘o’ ring seal in the correct position and re-fit the bowl. |
| Spray nozzles – | Make sure they are spraying in an even pattern. There is a filter behind each nozzle which may require cleaning. |
| Chassis wheels | Grease twice a year |
| Thumb Screws | Remove twice yearly and insert into grease and replace |
| General – | Check over for tightness of fixings and fittings A light spray-over with preserving oil in the ‘off-season will prolong the sprayer’s life. |
Make sure to always protect the unit from frost.
SPRAYING
- To commence the spraying switch on the toggle switch situated on top of the handle.
Hand Spraying – - Switch off the sprayer
- Remove the delivery hose from the spray bar (push together and twist)
- Connect the delivery hose to the brass trigger lance
- Switch on the sprayer and begin spraying as required
TO FIT: LANCE
- Remove the black thumbscrew from the saddle at the top of the center post.
- Depress the trigger and place the lance into the saddle with the boom facing forward over the tank.
- Replace the thumbscrew between the trigger and the body of the lance; this holds the lance in place.
- Change the nozzle to the red anvil jet making sure the orifice is facing the ground. To commence spraying depress the black button, moving forward at the required speed
TO FIT: SPRAY BOOM
- Remove the black nozzle holder completely from the end of the trigger lance, replace it with the brass adaptor supplied, and fix the boom to the adaptor making sure the orifice faces downwards.
TROUBLESHOOTING
- If the pump fails to operate: – Check the electrical connection
- If the pump fails to deliver:
– Check suction hose is in the correct position.
Check the filter head of the pump is clean.
If the boom is fitted make sure the nozzles & filters are clear.
Check the lance handle is clean by unscrewing the brass barrel, also ensure the nozzle & filter are clear.
BATTERY CHARGING
- Connect the charger to the plug on the battery wires
- Plug in the charger to the mains supply
- To make sure the battery is fully charged leave overnight
- It is advisable to keep the battery charged
The unit will spray on a fully charged battery for approximately 2 ½ to 3 hours continuously.
HAND LANCE

CALIBRATION
Calibrate as directed by the chemical manufacturers’ instructions
A SIMPLE GUIDE TO CHEMICAL / FEED APPLICATION
If the area to be sprayed is 3000 sq. meters. and according to the instructions of the liquid bottle you select says sufficient for 1000 sq. meters. Put 3 bottles in the tank and go over the area (north/south, east/west) until the tank is empty.
Please note that having tested your sprayer with water as advised you may not require a full tank of the mixture. Therefore, adjust requirements accordingly.
UNDERSTANDING CALIBRATION
The law requires some 30,00 contractors and employed persons involved in pesticide applications to obtain a Certificate of Competence.
This person will receive a good grounding in the safe and efficient use of pesticides. The exemption rules are such that there will be a large pool of people applying pesticides who, at best, will not have undertaken recent training. A few far-sighted employers have incurred not inconsiderable costs by including all their employers in the training courses and will more than recoup on this investment over the years in increased efficiency.
Why Calibrate?
It is now a legal requirement for all users to adhere to the label recommendations with regard to dosage rates, method of application, etc.
Besides being illegal to exceed the maximum recommended dose, getting the application rate wrong can have distinctly adverse effects on the cash flow and budgets.
Consistent overdosing of sites is not only environmentally undesirable; it also increases the risk of damage to non-target species and runs- of damage in more sensitive areas. It can, even with a modest spraying program, cost hundreds of pounds each year in wasted chemicals and unnecessary losses. Underdosing, on the other hand, can be equally costly. If weeds, for example, are not controlled at the first application, a second later application may be necessary. This may involve higher rates, a more expensive chemical, or even hand weeding. Add to this the disruption to work schedules and it becomes evident that careful monitoring and control of all application programs is essential. Correct application and efficient monitoring are only possible if all personnel involved have a thorough understanding of calibration techniques.
TERMINOLOGY
Treated Area
All chemical data, whether in advisory leaflets or label recommendations, is stated in liters or kilograms of product per treated area. The actual area to be treated thus has to be calculated for budgeting, purchasing, job planning, and calibration purposes.
Overall Application
The treated area is equal to the gross area
Band Application
The treated area is less than the gross area and is calculated thus:
Bandwidth x Band lengths x No of bands
Spot Application
The treated area is significantly less than the gross area and is calculated thus:
Area of spot = 0.7855 x (diameter) ² (metres) (derived from πd ²) 4
The treated area (ha) = Area of spot x No of spots per ha ÷ 10,000
Quite obviously, the smaller the area that can be treated to achieve the desired result; the less costly the operation. With the area calculated, the variables involved can be determined in order to calibrate equipment to complete the spraying operation in a safe and efficient manner.
Forward Speed
With overall and band applications, control of forward speed is critical in determining how much chemical is applied. This will vary with the type of terrain and must be realistically calculated. In flat terrain where unimpeded progress is possible, forward speed will be greater than in undulating, heavily vegetated conditions. In the latter, the trial may be necessary to determine a constant work rate, which can be, maintained both up and downhill.
Swathe width
The width covered at each pass is known as the swathe width and will vary with, for example, the choice of the nozzle, operating pressure, and height of the application. Having selected the appropriate nozzle and operating pressure the height selected must in the case of hand-held equipment be comfortable for the operator.
The equipment is comfortable for the operator. With non-pressurized equipment, such as CDA and gravity
systems, there are obviously no operating pressures to worry about.
Nozzle Output
Nozzle output is critical in all spraying operations and it is important to select a nozzle type appropriate to
the viscosity of the concentrate being applied/swathe width required.
Flow Rate
The flow rate will vary with nozzle type, viscosity, pressure, and ambient temperature at the time of application.
After selecting the most appropriate nozzle for the operation adjustment to pressurize equipment will be necessary to achieve the desired flow rate. The flow rate in powered machinery can be controlled by engine speed and/or internal pressure adjustment.
Application Rate
Spray coverage of the target being sprayed should be sufficient to give an even application of the correct dose of pesticide on the area to be treated. The manufacturer’s recommendations must be followed and where there is a choice of options, i.e., high, medium, low, or very low volumes, select the most appropriate volume to achieve the desired result.
Tank Dilution
From the application rate, it is possible to calculate the amount of pesticide required per full tank.
Pesticide per fill (litres) = Tank volume (litres) x Pesticide volume (litres/ha ÷ Diluent’s volume (litres/ha)
CALIBRATION TECHNIQUE
Having determined the above, the next step is to calibrate the actual equipment chosen to apply the required amount of concentrate on the target area.
Each type of application obviously has its own calibration method which must be studied and closely followed, but in general, the following notes for spraying equipment will hold well.
It is most important to understand that each applicator will vary slightly from others of the same type and manufacture. Thus, each piece of equipment must be individually calibrated.
The selected nozzles should be filled with water and the correct operating pressure selected.
The output of each nozzle should then be measured by spraying it into a measuring jug for a set period of time, e.g., one minute, to give the nozzle output in liters/minutes.
As output will vary from nozzle to nozzle, in boom equipment the output from each nozzle should be checked. In larger boom equipment, at least four nozzles should be checked- one from each section and the output calculated accordingly. If nozzle outputs on boom equipment vary by more than 5%, the faulty nozzles should be replaced.
If output varies by a small amount from the calculated output, with some types of equipment, altering the operating pressure can rectify this. Where the output varies by a large amount, the calibration calculations should be re-checked and the nozzle type changed if necessary.
With all equipment, the application pattern is checked and swathe width is measured by treating an area of dry soil, concrete, etc.
Once the actual output is known, the forward speed can be calculated, in the case of liquid sprayers, thus: Forward speed (meters/hour) = Measured nozzle output (liters/minute) x 600,000 x (no of nozzles) Volume rate (liters/ha) x Swathe width (meters)
The equipment can then be filled with the recommended mixture of pesticides and dilatants. Never add pesticide concentrate direct to an empty tank, always half-fill the tank with dilatants prior to adding the concentrate and mix thoroughly.
A suitable test area. e.g., A 100m strip can be sprayed at this speed. At the end of this, the actual application rate should be determined by topping up the tank using a measuring jug. The forward speed can then be adjusted to ensure that the concentrate is applied at the correct rate.
The serviceability of the equipment can be tested at the same time. Leaks are environmentally unacceptable and waste expensive. Blockages lead to patchy results and both make efficient monitoring impossible.
The full calibration process is only necessary when equipment has not been used for a while, after servicing, or after changes in nozzles and pressure are made.
It is, however, good practice to check the actual application rate at the commencement of each day’s work and after lunch. Adjustments can be made as appropriate.
Each employee will require access to a stopwatch and tape measure in order that they can monitor their own output. If resistance is met then this is a good indication that the employee has not understood the reasons behind the calibration process and further training is needed.
The process can be tedious but as operators become more familiar with the techniques, the loss in application time is reduced and more than offset by the improved results obtained.
Much can, of course, be done by management to simplify the task by the production of job sheets clearly setting out the details of each task and providing space for records to be kept. These when returned, can be filed and the statutory requirement for adequate records to be kept is met.
MANAGEMENT TASKS
- Analyze the objectives of the operation
- Select the most effective chemical to achieve these objectives
- Check the manufacturer’s recommendations to ensure that it is suitable for the task and select an appropriate application rate
- Select the most efficient equipment to apply the chemical
- Calculate the dilution rate per tank: Pesticide per fill =Tank volume (1) x Pesticide rate (1/ha) ÷ Dilatant’s rate (1/ha)
- Select an appropriate tank pressure for pressurized equipment
- Select the correct nozzle to give the required swathe width
- Calculate the gross area
- Calculate the ACTUAL area to be treated. Overall application: Treated area = gross area Band application (ha): Treated area = Bandwidth (m) x Band length x no of bands Width between row (m) Spot treatment (ha): Treated area = [0.7855 diam² (m)] x no spots/ha ÷ 10,000
- Calculate an optimum forward speed based on the equipment to be used, the terrain type, and the ease of movement
- Issue comprehensive yet simple instructions to staff
- Ensure that a record of the operation and its effectiveness is kept and any problems investigated fully
SUPERVISORS TASKS
- Read the notes provided and check the details
- Check weather including wind speed and re-schedule operation if unsuitable conditions prevail
- Ensure all operatives are issued with the correct safety wear, that this is serviceable and worn
- Fill the sprayer with water and set it to the correct pressure
- Measure nozzle flow rates using a measuring jug Nozzle output (1/min) = quantity of spray in a jug (ml) x 60,000 ÷ Time (sec)
- Adjust pressure to give calculated output (if possible). If significant variation from the calculated output, check calibration calculations and, if necessary, change nozzles Spray an area of concrete or dry soil to determine the actual swathe width and for an even droplet pattern. With a boom, equipment ensures that the spray pattern from each nozzle overlaps correctly
- Check for leaks and blockages. Blockages should only be cleared by using compressed air and never with wire!
- Using the actual nozzle output and the actual swathe width determines the actual forward speed required to apply the correct quantity of chemical Forward speed = Nozzle output x 600,000 x No of nozzles ÷ Volume rate x swathe width
- Compare this with the optimum speed and recalculate the operation if necessary
- Fill the tank with the correct quantity of concentrate/dilatants
- Mark out an appropriate test area, spray, and calculate the actual application rate. Adjust the forward speed as appropriate
- Issue clear and simple instructions based on the actual output of the equipment
- Monitor the operation and ensure that regular checks on output are made
- Ensure that tank washings and surplus chemicals are disposed of safely in accordance with the law
- Ensure that adequate records are maintained on the basis of the actual operating parameters

Duplex II Industrial Series
Low Pressure (30 to 60 PSI)
INSTALLATION & SERVICE INFORMATION
DESCRIPTION
FLOJET Industrial Duplex II Pumps are designed for a wide range of applications and are constructed from a selection of materials suitable for handling a broad range of chemicals. The Duplex II series of diaphragm pumps are self-priming and can be run dry without harm. They are intended for intermittent duty cycles but can be run continuously for short periods of time. The higher the duty cycle the shorter the expected life of the pump. Typical pimp uses are liquid transfer, spraying, cooling, circulation, titration, and dispensing.
OPERATION
To start and prime the pump, the discharge line must be open allowing trapped air to escape thus avoiding the potential of the airlock. The pressure switch will shut off the pump automatically when the discharge valve is dosed and the pressure has risen to the switch OFF set point The pressure switch will restart the pump when a valve is opened and the discharge line pressure drops to the ON set point of the pressure switch.
DEMAND OPERATION (INTERMITTENT DUTY)
Demand Operation is considered an “intermittent duty” application. The maximum intermittent duty cycle is that which will cause the motor to reach its maximum thermal limits. Once the maximum thermal limit is reached, the motor must be allowed to settle to a lower temperature ideally being ambient before resuming operation. Running the pump at or near the maximum thermal limit for an extended period of time will shorten the life of the pump and may result in immediate pump failure.
BYPASS OPERATION (IF EQUIPPED)
Models equipped with an external bypass system are designed to pump at high pressures while at low or high flow rates. Models equipped with a bypass only will continue to run until the power is manually turned off. The Duplex II pumps are not recommended for continuous duty service due to limited motor brush life. Operation at lower pressures and temperatures, however, will extend the overall pump service life.
MOUNTING
The FLOJET Duplex II Series pumps are self-priming. Vertical prime may vary depending on the fluid viscosity, suction tube size, foot valve, and pump configuration. The pump should be mounted in a dry and adequately ventilated area. If mounted within an enclosure, provisions to cool the motor may be necessary. 
PREVENTATIVE MAINTENANCE TIPS
If pumping a liquid other than water the pump should be flushed with water f applicable) after each use. Sealers and Teflon tape acting as a lubricant can cause cracked housings or stripped threads due to over-tightening. Care should be used when applying sealers; the tape may enter the pump inhibiting valve action, and causing no prime or no shut-off conditions. Failures due to foreign debris are not covered under warranty.
Before freezing conditions occur, the pump must be liquid-free or winterized with proper anti-freezing chemicals.
If mounting the pump in an outdoor environment the pump should be shielded from water. dust. sunlight and wash down spray. Do not assume chemical compatibility. If the fluid is improperly matched to the pumps Elastomers. the pump may fail to prime. have low pressures or the pressure switch may not shut off.
PLUMBING
Use a flexible hose with the correct pressure rating that is compatible with the fluid to be pumped. Tubing should be a minimum of 3/8″ (9.5 mm) ID and at least 20 inches (508 in) in length to avoid excess stress on the pump ports. Do not crimp or kink the tubing. The pump head may be rotated in 90′ increments to simplify plumbing. FLOJET does not recommend the use of metal fittings, standard plastic male and female threaded fittings can be acquired at commercial plumbing supply stores. FLOJET also distributes plastic barb fittings through our distributors (form no. F100-001). The use of check valves in the plumbing system could interfere with the priming ability of the pump. If a check valve is installed in the plumbing it must have a crackling pressure of no more than 2 PSI (.14 bar). Use c a minimum 40-mesh strainer or filter in the pump inlet line will prevent foreign debris from entering the system. Failures due to foreign debris entering the pump will not be covered under the limited warranty. Note: Inlet pressure must not exceed 30-PSI (2.1 bar) maximum.
WARNING ![]()
Risk of an electrical shock!
When wiring electrically driven pumps, follow all electrical and safety codes. as well as the most recent National Electrical Code (NEC) and the Occupational Safety and Health Act (0$1-1A).
Make certain the power source controls the pump voltage. We are all power is disconnected before installation.
The pump should be wired into an individual (dedicated) circuit, controlled with a UUC-UL-certified double pole switch rated at or above the fuse ampere indicated on the pump motor label.
On 115-volt AC pumps, the black wire lead is Ike or common. the Otte lead wire is neutral and the green/yellow is ground. On 230-volt AC pumps the brown wire lead is live or common. the blue wire is neutral and the green/yellow is ground.
On 12 and 24-volt pumps the red lead is positive and should be connected to the battery plus (+) terminal. The black lead is ground and should be connected to the battery minus (-) terminal. Use T6 AWG wire minimum. Use a fuse to protect the system wiring and components.
Improper duty cycle and/or rapid start step conditions caused by undersized spray nozzles will cause the internal thermal breaker (if equipped) to trip. or can cause premature motor failure due to excessive heat.
WARNING![]()
DO NOT USE TO PUMP FLAMMABLE FLUIDS, GASOLINE, KEROSENE FUEL OIL, ETC. DO NOT USE A PUMP IN A EXPLOSIVE ENVIRONMENT.
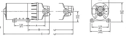
DIMENSIONAL DRAWING
Inches (Millimeters) Dimensional tolerances ± 0.06 inches Consult the factory if precise details are required.

| DEMAND PUMP | A | B | C | |||
| Minimum Dimension | 2.53 | (64) | 3.98 | (101) | 8.00 | (203) |
| Maximum Dimension | 2.79 | (71) | 4.79 | (122) | 8.61 | (219) |
| BY PASS PUMP | ||||||
| Minimum Dimension | 2.53 | (64) | 325 | (83) | 7.27 | (185) |
| Maximum Dimension | 2.79 | (71) | 3.51 | (89) | 7.73 | (196) |

| KEY | DESCRIPTION | KEY | DESCRIPTION |
| 1 | Pump Screws | 7 | Motor Rear End Bel Assembly |
| 2 | Pressure Switch Assembly | 8 | Base Plate/Grommet Assembly |
| ‘3 | Check Valve Assembly (With 0 Ring) | 9 | Upper Housing (Switch By Pass) |
| 4 | Diaphragm/Cam Bearing Assembly | 10 | Upper Housing (By Pass Only) |
| 1 | Diaphragm | 11 | Beading Cover |
| 6 | Motor Assembly (Less Base Rate) | ‘SPARE PARTS AVAILABLE | |
DISASSEMBLE
Pump Housing (2)
- Disconnect power to the pump motor
- Remove the pressure switch cover (2) and remove wire leads from the switch assembly.
- Remove the four recessed pump-housing screws (1) located on top of the pump housing (8 or 9).
- Remove the pump housing (9 or 10) from the diaphragm/driver housing assembly. Check Valve Assembly (3) — Follow steps 1 through 4.
- The check valve housing and o-ring (3) are located in the upper housing (9 or 10) or on the diaphragm and can be an assembly (4).
- l in the upper housing. remove by plating a small flat blade screwdriver between the toper musing and check valve housing and pry out Diaphragm/Cam Assembly (4)
- Remove two deep-set phi lips and screws (4).
- Rotate bearing cover (11). so the access notch is aligned with the cam healing set screw. loosen set screw with a 1/8′ Allen wrench and side pump lower housing assembly from the motor shaft.
- After removing the cam bearing from the outer piston set. the timer piston screws are now visible. remove both flat-head screws. The outer piston set can now be removed from the two inner pistons.
TROUBLESHOOTING
Failure to Prime – Motor operates, but no pimp discharge
- Restricted intake or discharge line. Open all in valves, check for “jammed’ check valves, and clean dogged lines.
- Air leak in intake he.
- Punctured poop diaphragm.
- Defective pump check valve.
- Crack in the pump housing. Debris in check valves.
Motor Fails to Turn On
- Pump or equipment not plugged in electrically.
- Loose wiring connection.
- Pressure switch failure.
- Defective motor or rectifier
- Frozen cam/bearing. Pump Falls to LBM Ott after Discharge valves are Closed
- Depletion of available liquid supply.
- Punctured pump diaphragm.
PRODUCT WARRANTY
Roget warbirds this product to be free of defects in material anclia workmanship for a period of one year after purchase by the customer from Flojet During this year’s warranty period. The project will be at its option. at no charge to the customer. repair or replace this product if found detective, with a new or reconditioned product, but not to include costs of removal or installation No product will be accepted for return without a return material authorization number. All returned goods must be shipped with transportation charges prepaid. This is an airy summary of our Limited Warranty. For a copy of our complete warranty. please request Form NO. 100-101.
REASSEMBLE
Diaphragm/Cam Assembly (4)
- Place the hex stem of the inner pistons through the diaphragm and the openings in the bearing cover (11) and into the outer piston set
- Center pistons in the diaphragm and install two flat head screws.
- Place the cam bearing over the outer piston set diving locating pins into the holes of the can bearing housing.
- Install nut heal screws and tighten them securely.
Bearing Cover (11) - Coat motor soft
- with grease, prig to install the diaphragm/carn bearing assembly (4) to the motor.
- Attach a beefing assembly to the motor shaft by aligning the shaft indentation with set screw and tightening securely. (Rotate access notches down toward the Case plate.)
- Install and tighten 2 Phillips head scams to motor (toque to 25-inch pounds). Check Valve Assembly (3) 8 Install check valve with new o-ring over the pistons in the diaphragm, discharge sale up (ads with the center side up). Pump Housing (9 or 10)
- Place pump housing (9 or 10) over the check valve and align the four screw holes with the bearing cover.
- Install the far Milos head screws (1) into the bearing cover aid cross and tighten them securely.
SERVICE KITS
Kits are really available to repair standard Duple( II series pumps. To ensure that the correct kits are received the model number and all nameplate data must be included with the order. Contact a FLOJET distributor or FLOJET drat), to order the necessary repair kits.
RETURN PROCEDURE
Prior to returning any product to Flack can customer service for an authorization number This number must be written on the outside of the slipping package. Place a rote inside the package with an explanation regarding the reason for the return as well as the authorization number. dude your name, address, and phone number.
WARRANTY
Your sprayer is guaranteed for 12 months from the date of purchase. This guarantee covers faults that may occur from defective parts or manufacture.
This warranty only covers the sprayer for products that may be diluted with water. Tar-based products are not recommended.
If you are missing your free brochure, contact us at 01473 328272,
email [email protected], or
visit our website at www.schsupplies.co.uk


















