Lifespan S4 Indoor Cycle with Flywheel

welcome to LifeSpan
We all know that exercise is a key component to achieving the level of Health and Fitness that all of us desire. Whether or not our motivation is Weight Loss, Active Living, Sports Training or to manage a Chronic Disease like high blood pressure, exercise is a core element to accomplishing our goals and maintaining a long and healthy life.
At Lifespan, we design and manufacture our equipment to meet the needs of our varied customers and what motivates them to exercise. LifeSpan Pro product models are specifically designed for people interested in Sports Training and Active Living. Special attention is given to ergonomics, and replicating the actual outdoor activity- indoors. In addition, we know that our Pro model customers are serious about exercise. As a result, we design all Lifespan Pro product models to be durable and last through years of use.
Specifically the 54 Indoor Bike is constructed with a heavy gauge steel frame, 40 lb. flywheel, 3 piece forged crank set and alloy pedals with sealed bearings. Then we provide a complete range of adjustments including seat and handlebar fore and aft adjustments along with seat and handlebar height adjustments. We also use standard bike seat and pedals that allow you to use your own components if desired.
To learn more about exercise for Sports Training, Healthy Living, Weight Management or Disease Management visit our web site at www.LifeSpanfitness.com
Before assembly and operation of your 54 Indoor Bike please read this Owners Manual in its entirety.
Remember that some kinds of service should only be performed by a qualified service technician. If service is required, please contact your authorized LifeSpan Retailer or log onto the LifeSpanFitness web site and click on customer support. Use the following information to contact us directly:
785 West 1700 South
Salt Lake City, UT. 84104
Phone: 801.973.9993 x4
www.LifeSpanFitness.com
Neither PCE Health and Fitness nor its representatives can accept responsibility for any damage or injury incurred as a result of information presented in the manual except under the terms of the product warranty.
specifications
- Dimensions: 48″ Max. Length
48″ Max Height 26″Wide - Product Weight: 145 lbs.
- Flywheel: 40Ibs
- Adjustments: Seat Height Handlebar Height Seat Fore and Aft Handlebar Fore and Aft
- Pedals: Alloy with sealed bearings
- Handlebars: Multi-Position PVC Dipped

limited warranty
The Lifespan Pro 54 Indoor Bike comes with the following limited warranties which apply to residential home use or light duty commercial use
PCE Health and Fitness warrants that the equipment it manufactures is free from defects in material and workmanship under normal use and service. The periods above are based on the date of purchase. During these periods, PCE Health and Fitness will repair or replace any defective part. Free labor is included in the first year (residential only) for parts that are not considered customer repairable.
For instance, seats and pedals are considered customer repairable and do not require a technician.
If within the time frames specified above, any part of the Lifespan Pro 54 Indoor Bike fails to operate properly, contact your authorized LifeSpan retailer or log into our web site at www.lifespanfitness.com and click on the Customer Support menu item. Be prepared to provide the product serial number, date of purchase, and a description of the problem to ensure accurate and quality care from one of our customer service advisors.
PCE Health and Fitness reserves the right to make changes and improvements in our products without incurring any obligations to similarly alter any product purchased. In order to insure our product warranty and to ensure the safe and efficient operation of your Indoor Bike, only authorized parts should be used. This warranty is void if any parts other than those provided by PCE Health and Fitness are used.
Exclusions and Limitations
- This warranty does not apply to any defects caused by negligence, misuse, improper assembly or maintenance, accident, or an “act of god’~
- This warranty does not apply to discoloration of paint or plastics.
- PCE Health and Fitness shall not be responsible for incidental or consequential damages.
- This warranty is nontransferable from the original owner
Registration
You must register your Lifespan product before a warranty claim can be processed. To complete your registration card on line, go to www.lifespanfitness.com and fill out the registration card online or fill out the warranty card provided with your cycle and mail it today. Registration cards must be completed and sent to PCE Health and Fitness within 30 days of purchase to activate the Product Warranty on your Lifespan Sport equipment. Product warranties are not valid unless properly completed and sent to PCE within 30 days of purchase
important safety precautions
When using equipment, basic precautions should always be followed, including:
- Never operate your indoor bike if it has been damaged.
- Do not operate outdoors, near swimming pools or in areas of high humidity.
- Only operate this indoor bike on a solid stationary surface.
- Only use this product for its intended use as described in this Owners Manual.
- Do not use attachments that are not recommended by PCE Fitness.
- Wear shoes with rubber or high traction soles. Do not use shoes with heels, leather soles, cleats or spikes.
- Keep hands and feet away from moving parts.

assembly instructions
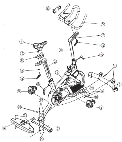
Step 1: Rear Stabilizer Assembly
- Install the rear stabilizer to the main frame using two screws (22), two flat washers (20) and two nuts (21 ). See Fig. 1
- Install the rear stabilizer cover using two screws (23). See Fig. 1
Step 2: Front Stabilizer Assembly
1. Install the front stabilizer (6) to the main frame using two screws (19), two washers (17), two nuts (18) and one screw (24). See Fig. 2.

Step 3: Pedal Assembly
- Screw the left pedal (9) counterclockwise onto the left crank arm. See Fig. 4
- Screw the Right Pedal (8) clockwise onto the right crank arm. See Fig. 4
- Use the Multifunction wrench (15mm) to securely tighten each pedal.
Step 4: Seat Assembly
- Install the Seat (4) onto the seat slide frame (11) being sure to align the seat with the main frame. Secure the seat with the included multifunction wrench. See Fig. 5
- Loosen the adjustment lever (15) and properly adjust the seat back and forth to a comfortable position. See Fig. 5
- Loosen the adjustment lever (1 0) and properly adjust the seat height to a comfortable position. See Fig. 5
Step 5: Handlebar Assembly
- Loosen the adjustment lever (10) and insert the handlebar post (3) into the main frame. See Fig. 6
- Place the Handlebar (5) onto the handlebar Post (30)
- Install the slide block (16) onto the adjustment lever (15) and secure the handlebar (5) to the handlebar post (3). See Fig. 6
- Loosen the adjustment lever (15) to adjust the handlebar (5) to a comfortable fore/aft position and retighten lever.
- Loosen the adjustment lever (10) and adjust the handlebar post (3) up or down till the handlebars are at a comfortable position and retighten lever.

adjustments
Where to locate your Indoor Bike
Locate your Indoor Bike in a pleasant area that gives you something to look at while you’re working out, such as a window or television. Maintaining an exercise program in a poorly lit area is more difficult than when located in a pleasant and active location.
Stabilizing Your Exercise Bike
After you have placed the bike where you will be using it, check the stability by rocking it back and forth in all directions. Any movement indicates that the bike needs to be leveled. First determine which foot is not resting on the floor. Loosen the jam on that foot and adjust the foot down until it touches the floor, then tighten the jam to keep the foot in place. Repeat if necessary until the bike is completely stable.
Seat Adjustment
Before working out, make sure that the seat is properly adjusted. Do this by sitting on the seat and placing the balls of your feet on the pedals. Your knee should be slightly bent when the pedal is at the furthest point of rotation from your body. You should be able to pedal without locking your knee or shifting in the seat.
Pedal Straps
The straps should be tight enough to keep the ball of your foot on the pedals throughout the complete pedal rotation.
Before workout out, test each strap and adjust if required.
To tighten the strap simply pull down on the loose end of the strap until the strap is properly tensioned. To loosen the strap, press down on the top of the clip and pull the strap up.
Lifespan S4 Indoor Cycle with Flywheel



















