
SM-310 M2 Spin Bike
USER MANUAL


Read all instructions carefully before using this product.
Retain this owner’s manual for future reference.
IMPORTANT
All nuts and bolts are to be checked and tightened on a regular basis. This includes pedals and other moving parts. Failure to do so may cause damage to your threads and void your warranty.
NOTE:
This manual should not be used to guide your purchasing decision. Your product, and the contents inside its carton, may vary from what is listed in this manual. This manual may also be subject to updates or changes. Updated manuals are available through our website at www.lifespanfitness.com.au
I. IMPORTANT SAFETY INSTRUCTIONS
WARNING: Read all instructions before using this machine.
It is important your machine receives regular maintenance to prolong its useful life. Failing to regularly maintain your machine may void your warranty.
Please always keep this manual with you.
- It is important to read this entire manual before assembling and using the equipment. Safe and effective use can only be achieved if the equipment is assembled, maintained and used properly.
PLEASE NOTE: It is your responsibility to ensure that all users of the equipment are informed of all warnings and precautions - Before starting any exercise program you should consult your doctor to determine if you have any medical or physical conditions that could put your health and safety at risk, or prevent you from using the equipment properly. Your doctor’s advice is essential if you are taking medication that affects your heart rate, blood pressure or cholesterol level.
- Be aware of your body’s signals. Incorrect or excessive exercise can damage your health. Stop exercising if you experience any of the following symptoms: pain, tightness in your chest, irregular heartbeat, and extreme shortness of breath, lightheadedness, dizziness or feelings of nausea. If you do experience any of these symptoms, you should consult your doctor before continuing with your exercise program.
- Keep children and pets away from the equipment. This equipment is designed for adult use only.
- Use the equipment on a solid, flat level surface with a protective cover for your floor or carpet. To ensure safety, the equipment should have at least 2 meters of free space around it.
- Before using the equipment, check that the nuts and bolts are securely tightened. If you hear any unusual noises coming from the equipment during use and assembly, stop immediately. Do not use the equipment until the problem has been rectified.
- Wear suitable clothing while using the equipment. Avoid wearing loose clothing that may get caught in the equipment or that may restrict or prevent movement.
- This equipment is designed for indoor and family use only.
- Care must be taken when lifting or moving the equipment so as not to injure your back.
- Always keep this instruction manual and assembly tools at hand for reference.
- The equipment is not suitable for therapeutic use.
- The pulse or heart rate sensors are not medical devices. Various factors, including the user’s movement, may affect the accuracy of heart rate readings. The pulse sensors are intended only as exercise aids in determining heart rate trends in general.
II. CARE INSTRUCTIONS
IMPORTANT
a. All nuts and bolts are to be checked and tightened on a regular basis. This includes pedals and other moving parts. Failure to do so may cause damage to your thread and void your warranty.
b. Lubricate moving joints with grease after periods of usage.
c. Be careful not to damage plastic or metal parts of the machine with heavy or sharp objects.
d. The machine can be kept clean by wiping it down using dry cloth.
e. Flywheels must be lubricated after certain periods of use to keep the bike running smooth and reduce vibration noise.
BATTERY USAGE

- Batteries are to be installed or replaced by adult only.
- Do not use rechargeable batteries. Do not mix different battery types. Do not mix old and new batteries. Do not mix alkaline, standard (Carbon- Zinc), or rechargeable (Nickel-Cadmium) batteries.
- Remove batteries when product is not in use.
- Remove exhausted batteries from product and dispose of in accordance with the manufacturer’s recommendation.
- Do not attempt to recharge non-rechargeable batteries.
- Batteries are to be inserted with correct polarity.
- The supply terminals are not to be short-circuited.
- Do not dispose of batteries in fire, batteries may explode or leak.
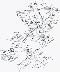
III. EXPLODED DIAGRAM

IV. PARTS LIST
| NO. | Name | Quantity | Specifications |
| 1 | PEDAL | 1 | JD-301(9/16″) |
| 2 | END CAP1 | 5 | INNER60*30*1.5 |
| 3 | CARRIAGE BOLT | 4 | M8*42 |
| 4 | REAR STABILIZER | 1 | WELDING |
| 5 | FLAT WASHER | 4 | GB/T 95-2002 8 |
| 6 | DOMED NUT | 4 | GB/T 802-1988 M8 (H=16mm) |
| 7 | SPRING ADJUSTMENT KNOB | 3 | φ57*62 (M16*1.5) |
| 8 | PLASTIC SLEEVE | 3 | 53.5*23.5*1.5 |
| 9 | LOCK NUT | 2 | M33*1*4 |
| 10 | VERTICAL SEAT POST | 1 | WELDING |
| 11 | END CAP2 | 1 | 53.5*23.5*1.5 |
| 12 | SEAT POST | 1 | WELDING |
| 13 | SEAT | 1 | DD-2681 |
| 14 | STOPPER | 4 | φ35*37/(M8X20) |
| 15 | FRONT STABILIZER | 1 | WELDING |
| 16 | MAIN FRAME | 1 | WELDING |
| 17 | HANDLEBAR POST | 1 | WELDING |
| 18 | HANDLE BAR | 1 | WELDING |
| 19 | SPRING WASHER | 4 | GB/T 859-1987 8 |
| 20 | BOLT | 4 | GB/T 70.2-2000 M8*15 |
| 21 | BUSHING | 1 | φ40*65 |
| 22 | SCREW 4 | 2 | GB/T 15856.1-2002 ST4.2X13 |
| 23 | LONG TUBE | 1 | φ13.6*φ10.3*49 |
| 24 | BRAKE KNOB | 1 | 112*32*7 |
| 25 | ADJUSTMENT KNOB | 1 | φ58*74 |
| 26 | LITTLE PLASTIC RING | 1 | 14*8*9 |
| 27 | PLASTIC RING | 1 | φ20*φ9*3 |
| 28 | FIXING NUT 1 | 2 | GB/T 6177.2-2000 M10*1.25 |
| 29 | CRANK END CAP | 2 | φ23*7.5 |
| 30 | SHEET IRON | 1 | δ5 |
| 31 | LOCK NUT | 3 | GB/T 889.1-2000 M8 |
| 32 | CHAIN WEEL | 1 | A7K-16 1/2″*1/8″ 16T(1.37″) |
| 33 | LEFT CRANK | 1 | 170*43 |
| 34 | CRANK COVER | 1 | φ45*28 |
| 35 | BEARING | 2 | 6203ZZ |
| 36 | DOMED NUT | 1 | GB/T 802-1988 M6 |
| 37 | U BRACKET | 1 | δ2.5 |
| 38 | FIXING NUT 2 | 2 | GB/T 6177.2-2000 M10*1.0 |
| 39 | FIXING BOLT | 2 | M6*55 |
| 40 | NUT | 2 | GB/T 41-2000 M6 |
| 41 | SCREW 1 | 9 | GB/T 15856.1-2002 ST4.2X19 |
| 42 | SCREW 2 | 2 | GB/T 845-1985 ST4.2*19 |
| 43 | SCREW 3 | 2 | GB/845-85 ST4.2X9.5 |
| 44 | OUTER CHAIN COVER | 1 | 636*265*40 |
| 45 | LITTLE CHAIN COVER | 1 | 108*37*3.5 |
| 46 | AXIS | 1 | φ20*146 |
| 47 | LONG FIXING TUBE | 1 | φ22*φ17.5*41 |
| 48 | SHORT FIXING TUBE | 1 | φ22*φ17.5*11 |
| 49 | INNER CHAIN COVER | 1 | 451*262*32 |
| 50 | CHAIN | 1 | P=12.7 |
| 51 | RIGHT CRANK | 1 | 170*48 |
| 52 | BRAKE | 1 | 2PCS 130mm |
| 53 | SPECIAL BOLT | 1 | M6*75 |
| 54 | BRAKE PLASTIC | 2 | 85*43*13 |
| 55 | BOLT | 2 | GB/T 5781-2000 M8*40 |
| 56 | WHEEL | 2 | φ50*23 |
| 57 | NUT | 4 | GB/T 41-2000 M8 |
| 58 | FIXING NUT 2 | 3 | GB/T 6173-2000 M10*1.0 (H=5.0mm) |
| 59 | FIXING TUBE | 1 | φ13.6*φ10.3*35 |
| 60 | BEARING | 2 | 6000ZZ |
| 61 | FLYWHEEL | 1 | φ453*27 (13KG) |
| 62 | FLYWHEEL SHAFT | 1 | φ10*147 |
| 63 | WOOLLY BLOCK | 2 | 85*40*6 |
| 64 | FIXED SEAT | 1 | φ28 |
| 65 | COMPUTER | 1 | HS-6065 |
| 66 | FIXING NUT | 1 | φ28*M20*1 |
| 67 | FLYWHEEL COVER | 1 | φ59*35 |
| 68 | SCREW 4 | 1 | ST2.9*9.5 |
| 69 | LEFT PROTECT COVER | 1 | 157*73*157 |
| 70 | HANDLEBAR COVER | 1 | 115*89*75 |
| 71 | RIGHT PROTECT COVER | 1 | 156*80*174 |
| 72 | SENSOR | 1 | SR-202 L=500 |
| 73 | FOAM GRIP | 2 | φ23*φ31*500/φ25 |
| 74 | PLASTIC PLUG 1 | 2 | φ25*1.5 |
| 75 | FLYWHEEL COVER | 2 | φ387*6.5 |
| 76 | SCREW 5 | 6 | GB/845-85 ST3.5X10 |
| 77 | FLAT WASHER 2 | 2 | GB/T 95-2002 6 |
| 78 | BOTTLE HOLDER | 1 | 117*85*90 |
V. ASSEMBLY INSTRUCTIONS
PREPARATION
- Before assembling make sure that you will have enough space around the item.
- Use the present tooling for assembling.
- Before assembling please check whether all needed parts are available (at the above of this instruction sheet you will find an explosion drawing with all single parts (marked with numbers) which this item consists of.

1. Attach the Front Stabilizer (pt.15) to the Main Frame (pt.16) using two sets of Ø8 Flat Washer (pt.5), M8 Domed Nut (pt.6) and M8*42 Carriage Bolt (pt.3).
Attach the Rear Stabilizer (pt.4) to the Main Frame (pt.16) using two sets of Ø8 Flat Washer (pt.5), M8 Domed Nut (pt.6) and M8*42 Carriage Bolt (pt.3).

- Slide the Vertical Seat Post (pt.10) into the seat post housing on the Main Frame (pt.16). You will have to slacken the knurled section of the Knob (pt.7) and pull the knob back and then select the desired height. Release the knob and retighten the knurled portion. Then slide the Seat Post (pt.12) into the Vertical Seat Post (pt.10), use the knob (pt.7) to tighten.
- Finally, the Seat (pt.13) fixed on the Seat Post (pt.12) as shown, and tighten the nuts under the seat.

ATTENTION:
Connected with the computer line, to Gap (A1) corresponding to the convex point (A2) to insert link.
- Slide the Handlebar Post (pt.17) into the handlebar post housing on the main frame. You will have to slacken the knurled section of the Knob (pt.7) and pull the knob back and then select the desired height. Release the knob and retighten the knurled portion.
- Then the Handlebar (pt.18) and the supporting plate (pt.64) fixed on the Handlebar Post (pt.17), use four Bolts (pt.20) and four Spring Washers (pt.19) to tighten. Finally, the Computer (pt.65) inserted on the supporting plate.
ATTENTION: YOU SHOULD FIX THE HANDLEBAR TIGHTLY.

- The Pedals (pt.1L & pt.1R) are marked “L” and “R” – Left and Right. Connect them to their appropriate crank arms. The right crank arm is on the right – hand side of the cycle as you sit on it.
Important Note: that the Right pedal should be threaded on clockwise and the Left pedal anticlockwise.

1. Adjusting the Tension
Increasing or decreasing the tension allows you to add variety to your workout sessions by adjusting the resistance level of the bike. To increase tension and increase resistance (requiring more strength to pedal), turn the Tension Control Knob (pt.25) to the right.
To decrease tension and decrease resistance (requiring less strength to pedla), turn the Tension Control Knob (pt.25) to the left.

2. The Emergency Brake Function
Use this safety feature in any situation where you would need to get off the bike and/or stop the bike’s flywheel.
To use the Emergency Brake function in any situation you would need it in, firmly press downon the Emergency Brake (pt.24).
VI. SEAT AND HANDLEBAR ADJUSTMENT
Seat Adjustment
To adjust the seat height, slacken the spring knob on the vertical post stem on the main frame and pull back the knob. Position the vertical seat post for the desired height so that holes are aligned, then release the knob and retighten it.
To move the seat forward in the direction of the handlebar or backwards away from it, loosen the adjusting knob and washer and pull the knob back. Slide horizontal seat post into desired position. Align holes and then retighten the adjusting knob.
Handlebar Adjustment
To adjust the handlebar height, slacken the spring knob and secondary knob and pull both knobs back. Slide the handlebar post along the housing on the main frame to the desired height and, with the holes aligned correctly, tighten the spring adjusting knob and then the secondary knob.
VII. EXERCISE GUIDE
Using your SPINNING BIKE provides you with several benefits, it will improve your physical fitness, tone muscle and in conjunction with calorie controlled diet help you lose weight.

THE WARM UP PHASE
This stage helps get the blood flowing around the body and the muscles working properly. It will also reduce the risk of cramp and muscle injury. It is advisable to do a few stretching exercises as shown below. Each stretch should be held for approximately 30 seconds, do not force or jerk your muscles into a stretch – if it hurts, STOP.
THE EXERCISE PHASE
This is the stage where you put the effort in. After regular use , the muscles in your legs will become Stronger. Work to your but it is very important to maintain a steady tempo throughout. The rate of work should be sufficient to raise your heart beat into the target zone shown on the graph below.

This stage should last for a minimum of 12 minutes for most people.
MUSCLE TONING
To tone muscle while on your SPINNING BIKE you will need to have the resistance set quite high. This will put more strain on our leg muscles and may mean you cannot train for as long as you would like. If you are also trying to improve your fitness you need to alter your training program. You should train as normal during the warm up and cool down phases, but towards the end of the exercise phase you should increase resistance, making your legs work harden than normal. You may have to reduce your speed to keep your heart rate in the target zone.
WEIGHT LOSS
The important factor here is the amount of effort you put in. The harder and longer you work the more calories you will burn. Effectively this is the same as if you were training to improve your fitness, the difference is the goal.
USE
The tension control knob allows you to alter the resistance of the pedals. A high resistance makes it more difficult to pedal, a low resistance makes it easier. For the best results set the tension while the bike is in use.
VIII. EXERCISE COMPUTER INSTRUCTION MANUAL
OVERVIEW:
The unit is an electronic that display all workout parameters on LCD display. The workout parameters include: Odometer (If have), Time, Speed, Distance, Calories and Pulse (If have). All workout parameters may be selected by the select key.
| MODE OR FUNCTION | ACTION |
| Power on | If push the button, the unit will be on and display the parameters of the last exercise. |
| Select function Scan | Push the button, the unit will display 5 parameters one by one. Push the mode key until the “SCAN” signal shows on right down side. The unit will scan by through Time, Speed, Distance, Calories and Pulse each for 4 seconds. |
| Odometer(If have) | Push the mode key again, the scan will stop and the “SCAN” signal will disappear. If push the button until the “ODO” points to “ODO”, the display shows the Odometer on the meter. The reading of the odometer will be reset to zero after replacing the batteries. |
| Time | Push the mode key until the “TMR” points to “Time” to display the exercises time. If the bike stop moving, the unit will stop count time also. |
| Speed | When the “SPD” points to “SPD” to display the speed value. Unit: km/h. |
| Distance | When the “DIST” points to “Dist” to display the distance value. Unit: km |
| Calories | When the “CAL” points to “CAL” to display the calories value. Unit: K Cal. |
| Pulse(If have) | When the “PULSE” points to “pulse” to display the heart rate of biker in per minute. If the sensor is contact with ear, clip the sensor to earlobe before measuring your pulse rate. If the pulse sensor is contact with hand, place the palms of your hands on the both of the contact pads before measuring your pulse rate. If the pulse signal is not in put over 30 second, the unit will return the “Time” function. |
| Reset | Push the mode key over 3 seconds the showing will become to zero. |
| Auto off | The unit will be off if the speed signal stops over 4 minutes. |
IX. WARRANTY
AUSTRALIAN CONSUMER LAW
Many of our products come with a guarantee or warranty from the manufacturer. In addition, they come with guarantees that cannot be excluded under the Australian Consumer Law. You are entitled to a replacement or refund for a major failure and compensation for any other reasonably foreseeable loss or damage.
You are entitled to have the goods repaired or replaced if the goods fail to be of acceptable quality and the failure does not amount to a major failure. Full details of your consumer rights may be found at www.consumerlaw.gov.au.
Please visit our website to view our full warranty terms and conditions:
http://www.lifespanfitness.com.au/warranty-repairs
WARRANTY AND SUPPORT
Any claim against this warranty must be made through your original place of purchase. Proof of purchase is required before a warranty claim may be processed.
If you have purchased this product from the Official Lifespan Fitness website, please visit
https://lifespanfitness.com.au/warranty-form
For support outside of warranty, if you wish to purchase replacement parts or request a repair or service, please visit https://lifespanfitness.com.au/warranty-form and fill in our Repair/Service Request Form or Parts Purchase Form.
Scan this QR code with your device to go to lifespanfitness.com.au/warranty-form
X. HAND PULSE TECHNOLOGY
This product comes equipped with hand pulse sensors which are used to pick up tiny EKG/ECG signals that run through the body when your heart beats. These electrical EKG/ECG signals are very small and that they must be amplified 1000 times to make the signal useful for the computer to display your pulse.
To ensure proper operation:
- The user must maintain good, consistent contact on all four sensors.
- The users skin cannot be too dry or too wet.
Other factors that could affect the reading:
- Change of grip on the sensors (during slow pace walking and up to running).
- Tightening of hand muscles will produce small electrical signals.
- Static electricity charges from the air or from walking on the treadmill.
EKG/ECG Sensors may filter through actual EKG/ECG signals and “Noise” factors that may affect the reading. This will cause the pulse reading to be delayed and will take longer to update the display as the heart rate changes. Too much noise will create an incorrect reading. Medical conditions or having no electrical signal in the hands are other factors that may affect pulse readings as well.
These are limitations of hand pulse technology and even the most expensive systems (which can cost upwards of $3,000) used in hospitals have the same problems. The difference is that a patient in a hospital is not running on a treadmill. Hand pulse technology works well on stationary exercise machines like bikes and even elliptical cross trainers but are not perfect on a treadmill. We offer treadmills with a wireless heart rate receiver which may be a more accurate option.
To test if your hand pulse sensors are working up to specification, hold them while standing on the sidestep rails, not walking, and see if the reading is more in line with what you would expect. This will eliminate the movement and static electricity factors. If your hands are dry, then wet them slightly (saliva works as a great conductor if this doesn’t bother you).





















