Cactus Technologies X00S Series CFast Card

Product Information
Features:
- Supported Standards: The Industrial Grade -X00S series CFast Card supports various industry standards.
- Host and Technology Independence: The CFast Card is independent of host and technology.
- Defect and Error Management: The card has defect and error management capabilities.
- Power Supply Requirements: The card requires a DC input voltage of 100 mV max. ripple (p-p).
System Environmental Specifications:
| Temperature | Humidity | Vibration (Non-Operating) | Shock | Altitude (relative to sea level) |
|---|---|---|---|---|
| Operating&Non-Operating: 8% to 95%, non-condensing | 16.4G, MIL-STD-810F Method 514.5, Procedure1 | Operating&Non-Operating: 50G, MIL-STD-810F Method 516.5, Procedure1 | Operating&Non-Operating: 100,000 feet maximum |
System Power Requirements:
| DC Input Voltage (VCC) | Sleep | Reading | Writing |
|---|---|---|---|
| 100 mV max. ripple (p-p) | 35 mA | 395 mA | 320 mA |
System Performance:
| Read Transfer Rate (sequential) | Write Transfer Rate (sequential) |
|---|---|
| 1G: 30MB/s 2G: 60MB/s 4G: 65MB/s 8G: 255MB/s 16G: 255MB/s 32G: 270MB/s 64G: 320MB/s | 1G: 20MB/s 2G: 30MB/s 4G: 45MB/s 8G: 60MB/s 16G: 100MB/s 32G: 125MB/s 64G: 135MB/s |
System Reliability:
| Data Reliability | Endurance (Estimated TBW) |
|---|---|
| <1 non-recoverable error in 10^14 bits READ | 1G: 60TB 2G: 120TB 4G: 240TB 8G: 480TB 16G: 960TB 32G: 1920TB 64G: 3840TB |
| Large Block Sequential workload JEDEC 219 Client workload | 1G: 12TB 2G: 23TB 4G: 46TB 8G: 92TB 16G: 184TB 32G: 368TB 64G: 737TB |
Product Usage Instructions
- Make sure the CFast Card is compatible with your device and supports the required standards.
- Insert the CFast Card into the device’s CFast slot.
- Provide a DC input voltage with a maximum ripple of 100 mV (p-p).
- The card will automatically manage defects and errors.
- The CFast Card can be used for reading and writing data sequentially.
- The CFast Card has been tested to endure a certain number of terabytes written, but it is important to regularly backup important data and replace the card if it shows signs of wear or damage.
Technical Support Services
If you encounter any issues or have any questions regarding the Industrial Grade -X00S series CFast Card, please refer to Appendix B of the product manual for technical support services.
Limited Warranty
The Industrial Grade -X00S series CFast Card comes with a limited warranty. Please refer to Appendix D of the product manual for more information regarding the warranty terms and conditions.
- The information in this manual is preliminary and is subject to change without notice. Cactus Technologies ® , Limited shall not be liable for technical or editorial errors or omissions contained herein; nor for incidental or consequential damages resulting from the furnishing, performance, or use of this material.
- Cactus Technologies® makes no warranty, representation or guarantee regarding the suitability of its products for any particular purpose, nor does Cactus Technologies® assume any liability arising out of the application or use of its products, and specifically disclaims any and all liability, including without limitation consequential or incidental damages.
- Cactus Technologies® products are not designed, intended or authorized for use as components in systems intended for surgical implant into the body or in other applications intended to support or sustain life or for any application where the failure of a Cactus Technologies® product can result in personal injury or death. Users of Cactus Technologies® products for such unintended and unauthorized applications shall assume all risk of such use and shall indemnify and hold Cactus Technologies® and its officers, employees, subsidiaries, affiliates and distributors harmless against all claims, costs, damages, expenses and attorney fees arising out of, directly or indirectly, any claim of personal injury or death associated with such unintended and unauthorized use, even if such claim alleges that Cactus Technologies® was negligent regarding the design or manufacture of the part.
- All parts of the Cactus Technologies® documentation are protected by copyright law and all rights are reserved. This documentation may not, in whole or in part, be copied, photocopied, reproduced, translated, or reduced to any electronic medium or machine-readable form without prior consent, in writing, from Cactus Technologies®, Limited.
© 2005-2022 Cactus Technologies® Limited. All rights reserved.
Introduction
Introduction to Cactus Technologies® Industrial Grade -X00S Series CFast Products
- Solid state design with no moving parts
- Industry standard CFast Type I form factor
- Capacities from 1GB to 64GB
- Compliant with Serial ATA 3.3 specifications
- ATA-8 compatible and CFast 2.0 compliant
- Supports Serial ATA Generation I/II/III interface rate of 1.5/3.0/6.0Gbps
- Support ATA SMART Feature Set
- Support ATA Security Feature Set
- End to End Datapath protection
- SRAM ECC for SEU protection
- ECC capable of correcting up to 96 random bit errors per 1KB or 120 random bit errors per 2KB
- Enhanced error correction, < 1 error in 1014 bits read
- SATA partial and slumber modes and DEVSLP mode supported
- Voltage support: 3.3V±5%
Cactus Technologies® CFast card is a high capacity solid-state flash memory product that complies with the Serial ATA 3.3 standard and is functionally compatible with a SATA hard disk drive. Cactus Technologies® CFast cards provide up to 64GB of formatted storage capacity.
Cactus Technologies® CFast product uses high quality SLC NAND flash memory from Kioxia Corporation. In addition, it includes an on-drive intelligent controller that manages interface protocols, data storage and retrieval as well as ECC, defect handling and diagnostics, power management, and clock control. The controller’s firmware is upgradeable, thus allowing feature enhancements and firmware updates while keeping the BOM stable.
Supported Standards
Cactus Technologies® Industrial CFast card is fully compatible with the following specification:
- ATA 8 Specification published by ANSI
- Serial ATA 3.3 Specification published by the Serial ATA International Organization
- CFast 2.0 Specification published by CFA
Product Features
Cactus Technologies® Industrial CFast card contains a high level, intelligent controller. This intelligent controller provides many capabilities including the following:
- Standard ATA register and command set (same as found on most magnetic disk drives).
- Manages details of erasing and programming flash memory independent of the host system
- Sophisticated defect managing capabilities (similar to magnetic disk drives).
- Sophisticated system for error recovery using powerful error correction code (ECC).
- Intelligent power management for low power operation.
Host and Technology Independence
- Cactus Technologies® Industrial CFast card appears as a standard SATA disk drive to the host system. The drive utilizes a 512-byte sector which is the same as that in an IDE magnetic disk drive. To write or read a sector (or multiple sectors), the host computer software simply issues an ATA Read or Write command to the drive as per the SATA protocol.
- The host software then waits for the command to complete. The host system does not get involved in the details of how the flash memory is erased, programmed or read as this is all managed by the built-in controller in the drive. Also, with the intelligent on-board controller, the host system software will not require changing as new flash memory evolves.
- Thus, systems that support the Cactus Technologies® Industrial CFast products today will continue to work with future Cactus Technologies® Industrial CFast cards built with new flash technology without having to update or change host software.
Defect and Error Management
- Cactus Technologies® Industrial CFast card contains a sophisticated defect and error management system similar to those found in magnetic disk drives. The defect management is completely transparent to the host and does not consume any user data space.
- The soft error rate for Cactus Technologies® Industrial CFast card is much lower than that of magnetic disk drives. In the extremely rare case where a read error does occur, the drive has sophisticated ECC to recover the data.
These defect and error management systems, coupled with the solid-state construction, give Cactus Technologies® Industrial CFast cards unparalleled reliability.
Power Supply Requirements
Cactus Technologies® Industrial CFast card operates at a voltage range of 3.3 volts ± 5%.
For all the following specifications, values are defined at ambient temperature and nominal supply voltage unless otherwise stated.
System Environmental Specifications
| CactusTechnologies®Industrial CFast | ||
| Temperature | Operating: | 0°Cto+70°C(Standard) -40°Cto+85°C(Extended) |
| Humidity | Operating&Non-Operating: | 8%to95%,non-condensing |
| Vibration | Non-Operating: | 16.4G,MIL-STD-810FMethod 514.5,Procedure1 |
| Shock | Operating&Non-Operating: | 50G,MIL-STD-810FMethod 516.5,Procedure1 |
| Altitude(relative to sea level) | Operating&Non-Operating: | 100,000feetmaximum |
System Power Requirements
| Cactus Technologies®Industrial CFast | ||
| DC Input Voltage (VCC) 100 mV max. ripple (p-p) | 3.3V ±5% | |
| (Maximum Average Value) See Notes. | Sleep: Reading: Writing: | 35 mA 395 mA 320 mA |
NOTES: All values quoted are typical at ambient temperature and nominal supply voltage unless otherwise stated.
Sleep mode is specified under the condition that all drive inputs are static CMOS levels and in a “Not Busy“ operating state.
System Performance
All performance timings assume the drive controller is in the default (i.e., fastest) mode
| 1G | 2G | 4G | 8G | 16G | 32G | 64G | |
| Read Transfer Rate (sequential) | 30MB/s | 60MB/s | 65MB/s | 255MB/s | 255MB/s | 270MB/s | 320MB/s |
| Write Transfer Rate (sequential) | 20MB/s | 30MB/s | 45MB/s | 60MB/s | 100MB/s | 125MB/s | 135MB/s |
System Reliability
| Data Reliability | < 1 non-recoverable error in 1014 bits READ | |
| Endurance (Estimated TBW): 1G 2G 4G 8G 16G 32G 64G | Large Block Sequential workload | JEDEC 219 Client workload |
| 60TB | 12TB | |
| 120TB | 23TB | |
| 240TB | 46TB | |
| 480TB | 92TB | |
| 960TB | 184TB | |
| 1920TB | 368TB | |
| 3840TB | 737TB | |
Note: Estimation is based on testing at room temperature only and without consideration of data retention.
Physical Specifications
The following sections provide the physical specifications for Cactus Technologies® Industrial CFast products
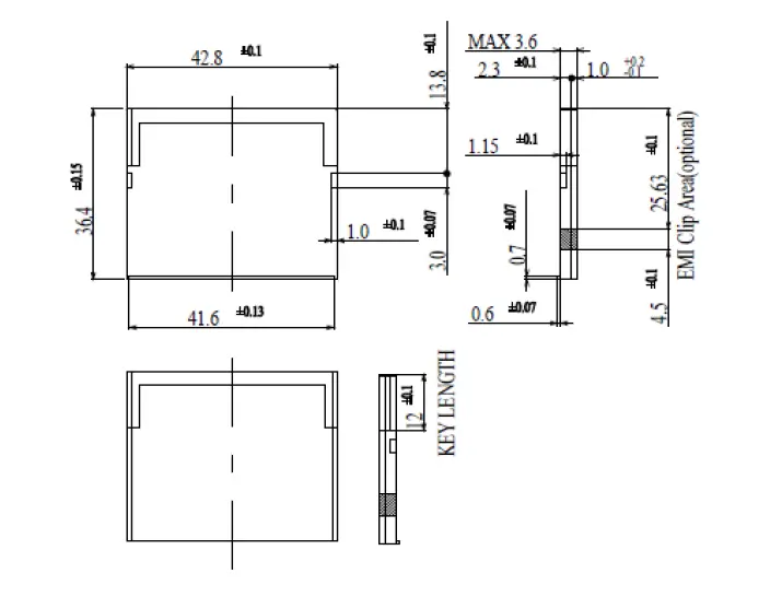
CFast Card Physical Specifications

Interface Description
The following sections provide detailed information on the Cactus Technologies® Industrial CFast card interface.
CFast Pin Assignments and Pin Type
Cactus Technologies® CFast signal pinout conforms to CFA specifications. The signal/pin assignments and descriptions are listed in Table 3-5.
Table 3-5. CFast Pin Assignments and Pin Type
Electrical Specifications
The following table defines all D.C. Characteristics for the CFast products. Unless otherwise stated, conditions are:
- Vcc = 3.3V ± 5%
- Ta = -40°C to 85°C
Absolute Maximum Ratings
| Parameter | Symbol | MIN | MAX | Units |
| Storage Temperature | Ts | -55 | +100 | oC |
| Operating Temperature | TA | -40 | +85 | oC |
| Vcc with respect to GND | Vcc | -0.3 | 3.6 | V |
DC Characteristics
| Parameter | Symbol | MIN | MAX | Units |
| Input Voltage | Vin | -0.5 | Vcc + 0.5 | V |
| Output Voltage | Vout | -0.3 | Vcc + 0.3 | V |
| Input Leakage Current | ILI | -10 | 10 | uA |
| Output Leakage Current | ILO | -10 | 10 | uA |
| Input/Output Capacitance | CI/Co | 10 | pF | |
| Operating Current Idle Active | ICC | 40 400 | mA |
AC Characteristics
Cactus Technologies® CFast products conforms to all AC timing requirements as specified in the CFA specifications. Please refer to that document for details of AC timing for all operation modes of the device.
ATA Drive Register Set Definition and Protocol
The communication to or from the CFast card is done using FIS. Legacy ATA protocol is supported by using the legacy mode defined in the SATA specifications. In this mode, the FIS has defined fields which provide all the necessary ATA task file registers for control and status information. The Serial ATA interface does not support Primary/Secondary or Master/Slave configurations. Each SATA channel supports only one SATA device, with the register selection as defined by the ATA standard.
ATA Task File Definitions
The following sections describes the usage of the ATA task file registers. Note that the Alternate Status Register of legacy ATA is not defined for SATA drives.
Data Register
The Data Register is a 16-bit register, and it is used to transfer data blocks between the SSD data buffer and the Host.
Error Register
This register contains additional information about the source of an error when an error is indicated in bit 0 of the Status register. The bits are defined as follows:
| D7 | D6 | D5 | D4 | D3 | D2 | D1 | D0 |
| BK | UNC | 0 | IDNF | 0 | ABRT | 0 | AMNF |
- Bit 7 (BBK) This bit is set when a Bad Block is detected.
- Bit 6 (UNC) This bit is set when an Uncorrectable Error is encountered.
- Bit 5 This bit is 0.
- Bit 4 (IDNF) The requested sector ID is in error or cannot be found.
- Bit 3 This bit is 0.
- Bit 2 (Abort) This bit is set if the command has been aborted because of a status condition: (Not
- Ready, Write Fault, etc.) or when an invalid command has been issued.
- Bit 1 This bit is 0.
- Bit 0 (AMNF) This bit is set in case of a general error.
Feature Register
This register provides information regarding features of the SSD that the host can utilize.
Sector Count Register
This register contains the number of sectors of data requested to be transferred on a read or write operation between the host and the SSD. If the value in this register is zero, a count of 256 sectors is specified. If the command was successful, this register is zero at command completion. If not successfully completed, the register contains the number of sectors that need to be transferred in order to complete the request.
Sector Number (LBA 7-0) Register
This register contains the starting sector number or bits 7-0 of the Logical Block Address (LBA) for any SSD data access for the subsequent command.
Cylinder Low (LBA 15-8) Register
This register contains the low order 8 bits of the starting cylinder address or bits 15-8 of the Logical Block Address.
Cylinder High (LBA 23-16) Register
This register contains the high order bits of the starting cylinder address or bits 23-16 of the Logical Block Address.
Drive/Head (LBA 27-24) Register
The Drive/Head register is used to select the drive and head. It is also used to select LBA addressing instead of cylinder/head/sector addressing. The bits are defined as follows:
| D7 | D6 | D5 | D4 | D3 | D2 | D1 | D0 |
| 1 | LBA | 1 | DRV | HS3 | HS2 | HS1 | HS0 |
- Bit 7 This bit is set to 1.
- Bit 6 LBA is a flag to select either Cylinder/Head/Sector (CHS) or Logical Block Address Mode (LBA). When LBA=0, Cylinder/Head/Sector mode is selected. When
- LBA=1, Logical Block Address is selected. In Logical Block Mode, the Logical Block Address is interpreted as follows:
- LBA07-LBA00: Sector Number Register D7-D0.
- LBA15-LBA08: Cylinder Low Register D7-D0.
- LBA23-LBA16: Cylinder High Register D7-D0.
- LBA27-LBA24: Drive/Head Register bits HS3-HS0.
- Bit 5 This bit is set to 1.
- Bit 4 (DRV) DRV is the drive number. This should always be set to 0.
- Bit 3 (HS3) When operating in the Cylinder, Head, Sector mode, this is bit 3 of the head number. It is Bit 27 in the Logical Block Address mode.
- Bit 2 (HS2) When operating in the Cylinder, Head, Sector mode, this is bit 2 of the head number. It is Bit 26 in the Logical Block Address mode.
- Bit 1 (HS1) When operating in the Cylinder, Head, Sector mode, this is bit 1 of the head number. It is Bit 25 in the Logical Block Address mode.
- Bit 0 (HS0) When operating in the Cylinder, Head, Sector mode, this is bit 0 of the head number. It is Bit 24 in the Logical Block Address mode.
Status Registers
These registers return the status when read by the host. Reading the Status register does clear a pending interrupt while reading the Auxiliary Status register does not. The meaning of the status bits are described as follows:
| D7 | D6 | D5 | D4 | D3 | D2 | D1 | D0 |
| BUSY | RDY | DWF | DSC | DRQ | CO R | 0 | E R |
- Bit 7 (BUSY) The busy bit is set when the device has access to the command buffer and registers and the host is locked out from accessing the command register and buffer. No other bits in this register are valid when this bit is set to a 1.
- Bit 6 (RDY) RDY indicates whether the device is capable of performing operations requested by the host. This bit is cleared at power up and remains cleared until the device is ready to accept a command.
- Bit 5 (DWF) This bit, if set, indicates a write fault has occurred.
- Bit 4 (DSC) This bit is set when the device is ready.
- Bit 3 (DRQ) The Data Request is set when the device requires that information be transferred either to or from the host through the Data register.
- Bit 2 (CORR) This bit is set when a Correctable data error has been encountered and the data has been corrected. This condition does not terminate a multi-sector read operation.
- Bit 1 (IDX) This bit is always set to 0.
- Bit 0 (ERR) This bit is set when the previous command has ended in some type of error. The bits in the Error register contain additional information describing the error
Device Control Register
This register is used to control the drive interrupt request and to issue an ATA soft reset to the drive. The bits are defined as follows
| D7 | D6 | D5 | D4 | D3 | D2 | D1 | D0 |
| HOB | X | X | X | 1 | SWRst | -IEn | 0 |
- Bit 7 This bit is used in 48-bit addressing mode. When cleared, the host can read the most recently written values of the Sector Count,Drive/Head and LBA registers. When set, the host will read the previous written values of these registers. A write to any Command block register will clear this bit.
- Bit 6 This bit is an X (Do not care).
- Bit 5 This bit is an X (Do not care).
- Bit 4 This bit is an X (Do not care).
- Bit 3 This bit is ignored by the drive.
- Bit 2 (SW Rst)This bit is set to 1 in order to force the drive to perform an AT Disk controller Soft Reset operation. The drive remains in Reset until this bit is reset to ‘0’.
- Bit 1 (-IEn) The Interrupt Enable bit enables interrupts when the bit is 0. When the bit is 1, interrupts from the drive are disabled. This bit is set to 0 at power on and Reset.
- Bit 0 This bit is ignored by the drive.
Drive Address Register
This register is provided for compatibility with the AT disk drive interface. It is recommended that this register not be mapped into the host’s I/O space because of potential conflicts on
Bit 7. The bits are defined as follows:
| D7 | D6 | D5 | D4 | D3 | D2 | D1 | D0 |
| X | -WTG | -HS3 | -HS2 | -HS1 | -HS0 | -nDS1 | -nDS0 |
- Bit 7 This bit is unknown.
Implementation Note: Conflicts may occur on the host data bus when this bit is provided by a Floppy Disk Controller operating at the same addresses as the SSD. Following are some possible solutions to this problem:- Locate the SSD at a non-conflicting address (i.e., Secondary address (377) when a Floppy Disk Controller is located at the Primary addresses).
- Do not install a Floppy and a SSD in the system at the same time.
- Implement a socket adapter that can be programmed to (conditionally) tri-state D7 of I/0 address 3F7/377 when a SSD product is installed and conversely to tri-state D6-D0 of I/O address 3F7/377 when a floppy controller is installed.
- Do not use the SSD’s Drive Address register. This may be accomplished by either a) If possible, program the host adapter to enable only I/O addresses 1F0-1F7, 3F6 (or 170- 177, 176) to the SSD or b) if provided use an additional Primary/Secondary configuration in the SSD that does not respond to accesses to I/O locations 3F7 and 377. With either of these implementations, the host software must not attempt to use information in the Drive Address Register.
- Bit 6 (-WTG) This bit is 0 when a write operation is in progress, otherwise, it is 1.
- Bit 5 (-HS3) This bit is the negation of bit 3 in the Drive/Head register.
- Bit 4 (-HS2) This bit is the negation of bit 2 in the Drive/Head register.
- Bit 3 (-HS1) This bit is the negation of bit 1 in the Drive/Head register.
- Bit 2 (-HS0) This bit is the negation of bit 0 in the Drive/Head register.
- Bit 1 (-nDS1) This bit is 0 when drive 1 is active and selected.
- Bit 0 (-nDS0) This bit is 0 when the drive 0 is active and selected
ATA Command Description
This section defines the ATA command set supported by Cactus Technologies® CFast card.
| COMMAND | Code |
| Check Power Mode | E5h,98h |
| Data Set Management | 06h |
| Download Microcode | 92h |
| Download Microcode DMA | 93h |
| Erase Al Blocks | C3h |
| COMMAND | Code |
| Erase Sector(s) | C0h |
| Execute Drive Diagnostic | 90h |
| Flush Cache | E7h |
| Flush Cache Ext | EAh |
| Format Track | 50h |
| Identify Drive | ECh |
| Idle | E3h,97h |
| Idle Immediate | E1h,95h |
| Initialize Drive Parameters | 91h |
| Media Lock | DEh |
| Media Unlock | DFh |
| NOP | 00h |
| Read Bufer | E4h |
| Read DMA | C8h,C9h |
| Read DMA Ext | 25h |
| Read FPD MA Ext | 60h |
| Read Log Ext | 2Fh |
| Read Log DMA Ext | 47h |
| ReadMultiple | C4h |
| Read Multiple Ext | 29h |
| Read Native Max Adress | F8h |
| Read Native Max Adress Ext | 27h |
| Read Sector(s) | 20h,21h |
| Read Sector(s)Ext | 24h |
| Read Verify Sector(s) | 40h,41h |
| Read Verify Sector(s) Ext | 42h |
| Recalibrate | 1Xh |
| Request Sense | 03h |
| Security Disable Password | F6h |
| Security Erase Prepare | F3h |
| Security Erase Unit | F4h |
| Security Freeze Lock | F5h |
| Security Set Password | F1h |
| Security Unlock | F2h |
| Seek | 7Xh |
| Set Features | EFh |
| Set Max Adress | F9h |
| Set Max Adress Ext | 37h |
| Set Multiple Mode | C6h |
| Set Sleep Mode | E6h,99h |
| SMART | B0h |
| COMMAND | Code |
| StandBy | E2h,96h |
| StandByImmediate | E0h,94h |
| TranslateSector | 87h |
| Write Bufer | E8h |
| Write DMA | CAh,CBh |
| Write DMA Ext | 35h |
| Write FP DMA Ext | 61h |
| Write DMA FUA Ext | 3Dh |
| Write Log Ext | 3Fh |
| Write Log DMA Ext | 57h |
| Write Multiple | C5h |
| Write Multiple Ext | 39h |
| Write Multiple FUA Ext | CEh |
| Write Multiplew/oErase | CDh |
| Write Sector(s) | 30h,31h |
| Write Sector(s) Ext | 34h |
| Write Sector(s) w/o Erase | 38h |
| Write Verify | 3Ch |
ATA Command Set
Table 5-6 summarizes the supported ATA command set .
Erase All Blocks – C3h
- The Erase All Blocks command can be used to erase all User blocks or all Physical blocks of the card. If the value in Sector Number register is set to 0, all user and buffer blocks are erased. If the value is set to 1, all physical blocks except for the manufacturer defect blocks are erased.
- If the Erase All Block command execution is interrupted by power loss, the erase operation will resume upon power on.
Set Features – EFh
The following features are supported by Cactus Technologies® CFast card:
| Feature Code | Description |
| 02h, 82h | Enable/Disable write cache (Note: this feature has no effect as Cactus Technologies® CFast card does not use write caching.) |
| 03h | Set transfer mode |
| 05h, 85h | Enable/Disable advanced power management |
| 09h, 89h | Enable/Disable Active Power Management |
| Feature Code | Description |
| 0Ah, 8Ah | Enable/Disable power level 1 commands |
| 55h, AAh | Disable/Enable Read Look Ahead |
| 66h, CCh | Disable/Enable Power On Reset establishment of defaults at Soft Reset |
| 69h | NOP – accepted for backwards compatibility |
| 96h | NOP – accepted for backwards compatibility |
| 97h | Accepted for backwards compatibility |
| 9Ah | Set the host current source capability |
| BBh | 4 bytes of data apply on Read/Write Long commands |
| 10h, 90h | Enable/Disable SATA feature selected by the Count Register. The supported features are: 01h – Non-zero Buffer Offsets 02h – DMA Setup FIS Auto-Activate optimization 03h – DMA Setup FIS Auto-Activate optimization 04h – Guarantted In-Order Data Delivery 06h – Software Settings Preservation 07h – Device Automatic Partial to Slumber transition 09h – Device Sleep 0Bh – Power Disable Feature |
Identify Drive—ECH
The Identify Drive command enables the host to receive parameter information from the drive. This command has the same protocol as the Read Sector(s) command. The parameter words in the buffer have the arrangement and meanings defined in Table 5-7. All reserved bits or words are zero. Table 5-7 is the definition for each field in the Identify Drive Information.
| Word Adress | Default Value | Total Bytes | Data Field Type Information |
| 0 | 045AH | 2 | General configuration bit-significant information. |
| 1 | XH | 2 | Default number of cylinders capacity dependent. |
| 2 | C837H | 2 | Specific configuration. |
| 3 | 0XH | 2 | Default number of heads capacity dependent. |
| 4-5 | 0000H | 4 | Reserved |
| 6 | XH | 2 | The default number of sectors per track capacity is dependent. |





S.M.A.R.T. Support
Cactus Technologies -X00S Series CFast cards support S.M.A.R.T. Status and attribute reporting functions as determined by the value of the Feature Register. The S.M.A.R.T. subcommands supported are as follows
| Code | Sub Command |
| D0 | Read Data |
| D1 | Read Attribute Thresholds |
| D2 | Enable/Disable Attribute Autodave |
| D5 | Read Log |
| D6 | Write Log |
| D8 | Enable Operations |
| D9 | Disable Operations |
| DA | Return Status |
| E0 | Read Remap Data |
The general format for issuing a SMART command is as follows:
| Register | 7 | 6 | 5 | 4 | 3 | 2 | 1 | 0 |
| Feature | Subcommand code | |||||||
| Sector Count | ||||||||
| Sector Number | ||||||||
| Cyliner Low | 4Fh | |||||||
| Cylinder High | C2h | |||||||
| Drive/Head | 1 | 1 | 1 | D | ||||
| Command | B0h | |||||||
S.M.A.R.T. Enable Operations
Enables the SMART function. This setting is maintained when the power is turned off and then back on. Once the SMART function is enabled, subsequent SMART ENABLE OPERATIONS commands do not affect any parameters.
S.M.A.R.T. Disable Operations
- Disables the SMART function. Upon receiving the command, the drive disables all SMART operations. This setting is maintained when the power is turned off and then back on. Once this command has been received, all SMART commands other than SMART ENABLE OPERATIONS are aborted with the Aborted Command error.
- This command disables all SMART capabilities including any and all timer and event count functions related exclusively to this feature. After command acceptance, this controller will disable all SMART operations. SMART data in no longer be monitored or saved. The state of SMART is preserved across power cycles.
S.M.A.R.T. Enable/Disable Attribute Autosave
This subcommand is issued with the Sector Count register set to either 00h or F1h. 00h enables Autosave while F1h disables it. However, this is in affect a NOP as the SMART attributes are always auto-saved.
S.M.A.R.T. Read Data
This subcommand returns 512 bytes of S.M.A.R.T. data structure. When this subcommand is issued, the Feature Register must contain D0h, the LBA Mid register must contain 4Fh and the LBA high register must contain C2h. The returned data has the following structure:
| Byte | Value | Description |
| 0-1 | 0010h | SMART structure revision number |
| 2-361 | 1st – 30th attribute data (12 bytes each) | |
| 362 | 00h | Offline data collection status (no offline data collection) |
| 363 | Selftest execution status | |
| 364-365 | 0000h | Total time in seconds to complete offline data collection |
| 366 | 00h | Reserved |
| 367 | 00h | Offline data collection capability (no offline data collection) |
| 368-369 | 0003h | S.M.A.R.T. Capability |
| 370 | 00h | Error logging capability (no error logging capability) |
| 371 | 00h | Reserved |
| 372 | 00h | Short self-test routine recommended polling time |
| 373 | 00h | Extended self-test routine recommended polling time |
| 374-385 | 00h | Reserved |
| 386-387 | 0004h | SMART structure version |
| Byte | Value | Description |
| 388-391 | Firmware “Commit” counter | |
| 392-395 | Firmware Wear Level Threshold | |
| 396 | “1” : Global Wear Leveling active | |
| 397 | “1” : Global Bad Block Management active | |
| 398-401 | Reserved | |
| 402-405 | Number of Flash Blocks involved in Wear Leveling in all block pools | |
| 406-409 | Number of total ECC errors in all block pools during firmware initialization | |
| 410-413 | Number of correctable ECC errors in all block pools during firmware initialization | |
| 414-510 | 00h | Reserved |
| 511 | checksum |
S.M.A.R.T. Attributes
The -X00S series CFast card monitors the attributes as shown in the following table:
| ID | Description |
| 196 | Spare block count |
| 213 | Spare block count worse channel |
| 229 | Erase count |
| 203 | ECC error count |
| 204 | Corrected ECC error count |
| 214 | Anchor Block Status |
| 216 | Main Memory ECC error count |
| 217 | Main Memory ECC error count in Firmware Memory |
| 199 | UDMA CRC error count |
| 232 | Number of reads |
| 12 | Power on count |
| 241 | Total LBAs written |
| 242 | Total LBAs read |
| 215 | Trim Status |
| 194 | Temperature Status |
| ID | Description |
| 196 | Spare block count |
| 213 | Spare block count worse channel |
| 229 | Erase count |
| 203 | ECC error count |
| 204 | Corrected ECC error count |
| 214 | Anchor Block Status |
| 216 | Main Memory ECC error count |
| 217 | Main Memory ECC error count in Firmware Memory |
| 199 | UDMA CRC error count |
| 232 | Number of reads |
| 12 | Power on count |
| 241 | Total LBAs written |
| 242 | Total LBAs read |
| 215 | Trim Status |
| 194 | Temperature Status |
The following tables lists the returned data for each reported attribute
| Attribute 196: Spare Block Count | ||
| Byte | Value | Description |
| 0 | 196 | Attribute ID |
| 1-2 | 0013h | Flags – Pre-fail type, attribute value is updated during normal operation, attribute is an event count |
| 3 | Attribute value – percentage of remaing spare blocks summed over all the flash chips ( 100 x current spare blocks / initial spare blocks) | |
| 4 | Attribute value (worst value) | |
| 5-7 | Sum of the initial spare blocks over all flash chips | |
| 8-10 | Sum of the current spare blocks over all flash chips | |
| 11 | 00h | Reserved |
| Attribute 213: Spare Block Count Worst Channel | ||
| Byte | Value | Description |
| 0 | 213 | Attribute ID |
| 1-2 | 0013h | Flags – Advisory type, attribute value is updated during normal operation, attribute is an event count |
| 3 | Attribute value – percentage of remaining spare blocks from the worst flash channels ( 100 x current spare blocks / initial spare blocks) | |
| 4 | 64h | Attribute value (worse value). |
| 5-7 | Initial number of spare blocks of the flash channel with the worse current spare block count. | |
| 8-10 | Current number of spare blocks of the flash channel with the worse current spare block count. | |
| 11 | 00h | Reserved |
| Byte | Value | Description |
| 0 | 229 | Attribute ID |
| 1-2 | 001Xh | Flags – Pre-fail or Advisory type, attribute value is updated during normal operation, attribute is an event count |
| 3 | Attribute value. The value is the estimate of the percentage of remaining life based on the number of block erases compared to the target erase cycles per flash block. | |
| 4 | Attribute value (worse value) | |
| 5-10 | Estimated total number of block erases | |
| 11 | Reserved |
| Attribute 203 : Total ECC Error Count | ||
| Byte | Value | Description |
| 0 | 203 | Attribute ID |
| 1-2 | 001Ah | Flags – Advisory type, attribute value is updated during normal operation, attribute is an event count, attribute is an error rate |
| 3 | 64h | Attribute value; this is fixed at 100. |
| 4 | 64h | Attribute value (worse value). |
| 5-8 | Total number of ECC errors (correctable and uncorrectable) | |
| 9-10 | — | |
| 11 | 00h | Reserved |
| Attribute 204 : Correctable ECC Error Count | ||
| Byte | Value | Description |
| 0 | 204 | Attribute ID |
| 1-2 | 001Ah | Flags – Advisory type, attribute value is updated during normal operation, attribute is an event count, attribute is an error rate |
| 3 | 64h | Attribute value; this is fixed at 100. |
| 4 | 64h | Attribute value (worse value). |
| 5-8 | Total number of correctable ECC errors. | |
| 9-10 | — | |
| 11 | 00h | Reserved |
| Attribute 214 : Anchor Block Status | ||
| Byte | Value | Description |
| 0 | 214 | Attribute ID |
| 1-2 | 0002h | Flags – Advisory type, attribute value is updated during normal operation. |
| 3 | 64h | Attribute value; this is fixed at 100. |
| 4 | 64h | Attribute value (worse value). |
| 5-8 | Anchor block write count. | |
| 9-10 | — | |
| 11 | 00h | Reserved |
| Attribute 216 : Total Main Memory ECC Error Count | ||
| Byte | Value | Description |
| 0 | 216 | Attribute ID |
| 1-2 | 001Ah | Flags – Advisory type, attribute value is updated during normal operation, attribute is an event count, attribute is an error rate |
| 3 | 64h | Attribute value; this is fixed at 100. |
| 4 | 64h | Attribute value (worse value). |
| 5-8 | Total number of main memory ECC errors. | |
| 9-10 | — | |
| 11 | 00h | Reserved |
| Attribute 217 : Total Main Memory ECC Error Count in Firmware Memory | ||
| Byte | Value | Description |
| 0 | 217 | Attribute ID |
| 1-2 | 001Ah | Flags – Advisory type, attribute value is updated during normal operation, attribute is an event count, attribute is an error rate |
| 3 | 64h | Attribute value; this is fixed at 100. |
| 4 | 64h | Attribute value (worse value). |
| 5-8 | Total number of main memory ECC errors that could be corrected that are located in firmware memory. | |
| 9-11 | 00h | Reserved |
| Attribute 199 : UDMA CRC Error Count | ||
| Byte | Value | Description |
| 0 | 199 | Attribute ID |
| 1-2 | 001Ah | Flags – Advisory type, attribute value is updated during normal operation, attribute is an event count, attribute is an error rate. |
| 3 | 64h | Attribute value; this is fixed at 100. |
| 4 | 64h | Attribute value (worse value). |
| 5-8 | Total number of SATA CRC errors. | |
| 9-10 | — | |
| 11 | 00h | Reserved |
| Attribute 232 : Total number of reads | ||
| Byte | Value | Description |
| 0 | 232 | Attribute ID |
| 1-2 | 0012h | Flags – Advisory type, attribute value is updated during normal operation, attribute is an event count. |
| 3 | 64h | Attribute value; this is fixed at 100. |
| 4 | 64h | Attribute value (worse value). |
| 5-10 | Total number of flash read commands. | |
| 11 | 00h | Reserved |
| Attribute 12 : Power On Count | ||
| Byte | Value | Description |
| 0 | 12 | Attribute ID |
| 1-2 | 0012h | Flags – Advisory type, attribute value is updated during normal operation, attribute is an event count. |
| 3 | 64h | Attribute value; this is fixed at 100. |
| 4 | 64h | Attribute value (worse value). |
| 5-8 | Total number of power on cycles. | |
| 9-10 | — | |
| 11 | 00h | Reserved |
| Attribute 241 : Total LBAs Written (in units of 32MB) | ||
| Byte | Value | Description |
| 0 | 241 | Attribute ID |
| 1-2 | 0012h | Flags – Advisory type, attribute value is updated during normal operation, attribute is an event count. |
| 3 | 64h | Attribute value; this is fixed at 100. |
| 4 | 64h | Attribute value (worse value). |
| 5-10 | Total number of LBAs written, divided by 65536. | |
| 11 | 00h | Reserved |
| Attribute 242 : Total LBAs Read (in units of 32MB) | ||
| Byte | Value | Description |
| 0 | 242 | Attribute ID |
| 1-2 | 0012h | Flags – Advisory type, attribute value is updated during normal operation, attribute is an event count. |
| 3 | 64h | Attribute value; this is fixed at 100. |
| 4 | 64h | Attribute value (worse value). |
| 5-10 | Total number of LBAs read, divided by 65536. | |
| 11 | 00h | Reserved |
| Attribute 215 : TRIM Status | ||
| Byte | Value | Description |
| 0 | 215 | Attribute ID |
| 1-2 | 0002h | Flags – Advisory type, attribute value is updated during normal operation |
| 3 | Attribute value. | |
| 4 | Attribute value (worse value). | |
| 5-10 | — | |
| 11 | 00h | Reserved |
| Attribute 194 : Temperature Status | ||
| Byte | Value | Description |
| 0 | 194 | Attribute ID |
| 1-2 | 0002h | Flags – Advisory type, attribute value is updated during normal operation |
| 3 | Attribute value. | |
| 4 | Attribute value (worse value). | |
| 5 | Current temperature. | |
| 6 | Min. temperature. | |
| 7 | Max. temperature. | |
| 8-10 | — | |
| 11 | 00h | Reserved |
| Attribute 184 : E2E Data Path Protection ECC Count from Flash to SATA Interface | ||
| Byte | Value | Description |
| 0 | 184 | Attribute ID |
| 1-2 | 001Ah | Flags – Advisory type, attribute value is updated during normal operation, attribute is an event count, attribute is an error rate. |
| 3 | 64h | Attribute value (fixed at 100) |
| 4 | 64h | Attribute value (worse value). |
| 5-8 | Number of E2E errors in direction of flash to SATA interface. | |
| 9-11 | 00h | Reserved |
| Attribute 185 : E2E Data Path Protection ECC Count from SATA Interface to Flash | ||
| Byte | Value | Description |
| 0 | 185 | Attribute ID |
| 1-2 | 001Ah | Flags – Advisory type, attribute value is updated during normal operation, attribute is an event count, attribute is an error rate. |
| 3 | 64h | Attribute value (fixed at 100). |
| 4 | 64h | Attribute value (worse value). |
| 5-8 | Number of E2E errors in direction of SATA interface to flash. | |
| 9-11 | 00h | Reserved |
S.M.A.R.T. Read Attribute Thresholds
This command returns one sector of SMART attribute threshold data; the format is as follows
| Byte | Value | Description |
| 0-1 | 0010h | SMART structure version |
| 2-361 | Attribute threshold entries 1-30 (12 bytes each) | |
| 362-379 | 00h | Reserved |
| 380-510 | 00h | — |
| 511 | Checksum |
The thresholds reported are as follows:
| Byte | Value | Description |
| 0 | 196 | Attribute ID – Spare Block Count |
| 1 | Spare block count threshold | |
| 2-11 | 00h | Reserved |
| Byte | Value | Description |
| 0 | 213 | Attribute ID – Spare Block Count Worse Channel |
| 1 | Spare block count worst channel threshold | |
| 2-11 | 00h | Reserved |
| Byte | Value | Description |
| 0 | 229 | Attribute ID – Erase Count |
| 1 | Erase count threshold | |
| 2-11 | 00h | Reserved |
| Byte | Value | Description |
| 0 | 203 | Attribute ID – Total ECC Errors |
| 1 | 00h | No threshold defined for this attribute. |
| 2-11 | 00h | Reserved |
| Byte | Value | Description |
| 0 | 204 | Attribute ID – Correctable ECC Errors |
| 1 | 00h | No threshold defined for this attribute. |
| 2-11 | 00h | Reserved |
| Byte | Value | Description |
| 0 | 199 | Attribute ID – UDMA CRC Errors |
| 1 | 00h | No threshold defined for this threshold. |
| 2-11 | 00h | Reserved |
| Byte | Value | Description |
| 0 | 232 | Attribute ID – Total number of reads |
| 1 | 00h | No threshold defined for this attribute. |
| 2-11 | 00h | Reserved |
| Byte | Value | Description |
| 0 | 12 | Attribute ID – Power on count |
| 1 | 00h | No threshold defined for this attribute. |
| 2-11 | 00h | Reserved |
| Byte | Value | Description |
| 0 | 241 | Attribute ID – Total LBAs written |
| 1 | 00h | No threshold defined for this attribute. |
| 2-11 | 00h | Reserved |
| Byte | Value | Description |
| 0 | 242 | Attribute ID – Total LBAs read |
| 1 | 00h | No threshold defined for this attribute. |
| 2-11 | 00h | Reserved |
| Byte | Value | Description |
| 0 | 214 | Attribute ID – Anchor Block Status |
| 1 | 00h | No threshold defined for this attribute. |
| 2-11 | 00h | Reserved |
| Byte | Value | Description |
| 0 | 215 | Attribute ID – TRIM status |
| 1 | 00h | No threshold defined for this attribute. |
| 2-11 | 00h | Reserved |
| Byte | Value | Description |
| 0 | 194 | Attribute ID – Temperature status |
| 1 | 00h | No threshold defined for this attribute. |
| 2-11 | 00h | Reserved |
| Byte | Value | Description |
| 0 | 184 | Attribute ID – E2E Data Path Protection ECC Count from Flash to SATA Interface. |
| 1 | 00h | No threshold defined for this attribute. |
| 2-11 | 00h | Reserved |
| Byte | Value | Description |
| 0 | 185 | Attribute ID – E2E Data Path Protection ECC Count from SATA Interface to Flash |
| 1 | 00h | No threshold defined for this attribute. |
| 2-11 | 00h | Reserved |
| Byte | Value | Description |
| 0 | 216 | Attribute ID – Total Main Memory ECC Error Count |
| 1 | 00h | No threshold defined for this attribute. |
| 2-11 | 00h | Reserved |
| Byte | Value | Description |
| 0 | 217 | Attribute ID – Total Main Memory ECC Error Count in Firmware Memory |
| 1 | 00h | No threshold defined for this attribute. |
| 2-11 | 00h | Reserved |
S.M.A.R.T. Return Status
Reports the drive reliability status. Values reported when a predicted defect has not been detected:
- Cylinder Low register: 4Fh
- Cylinder High register: C2h
Values reported when a predicted defect has been detected:
- Cylinder Low register: F4h
- Cylinder High register: 2Ch
S.M.A.R.T. Read Log
This command returns the data of the SMART log. When issuing this command, set the Sector Count register to the number of sectors to read and set the Sector Number register to the Log address. The Log addresses are defined as follows:
| Address | Description |
| 0x00 | Log directory |
| 0x80-0x9F | Host Vendor Specific logs |
| 0xA1 | SMART Remap data |
| 0xA2 | Reserved |
The Log directory (address 0) returns 1 sector of data that shows the number of sectors for the defined Log addresses
| Byte | Value | Description |
| 0-1 | 1 | SMART logging version |
| 2-3 | 1 | Number of sectors in the SMART Error log summary |
| 4-5 | 51 | Number of sectors in the Comprehensive SMART Error log |
| Byte | Value | Description |
| 6-7 | 16383 | Number of sectors in the Extended Comprehensive SMART Error log |
| 96-97 | 9 | Identify Device data |
| 256-319 | 16 | Number of sectors in the logs at addresses 0x80-0x9F |
| 320-321 | 4 | Reserved |
| 322-323 | 1 | Number of sectors for SMART Log at address 0xA1 |
| 324-325 | 1 | Number of sectors for SMART Log at address 0xA2 |
All other bytes in the Log Directory are zero.
- The SMART Error Logs contain entries for internal flash errors or host transfer errors. If the corresponding host command for a flash error could not be determined, the command code field in the error entry is set to 0xF0. For flash errors that do not correspond to a processed host command, the command code field is set to 0xFF.
- The Host Vendor Specific Logs can be used by the host to store and retrieve arbitrary data. The SMART SMART Remap Data logs return the same data that is also returned by the SMART Read Remap Data command.
S.M.A.R.T. Write Log
This command writes data of the SMART log. When issuing this command, set the Sector Count register to the number of sectors to write and set the Sector Number register to the Log address. Only the Host Vendor Specific logs can be written, all other logs are read only.
S.M.A.R.T. Read Remap Data
This command returns spare block information. When issuing this command, set the Sector Count register to 1. The information returned is the number of initial spare blocks available for remapping bad blcoks and the current number of spare blocks available for remapping bad blocks. The format is as follows
| Bytes | Description |
| 0-31 | Initial number of spare blocks for interleave units 0 to 15 (2 bytes per unit) |
| 32-63 | Current number of spare blocks for interleave units 0 to 15 (2 bytes per unit) |
| 64-511 | Reserved |
Ordering Information
Model KCXFY-X00S
Where: X is drive capacities:
- 1G —————- 1GB
- 2G —————- 2GB
- 4G —————- 4GB
- 8G —————- 8GB
- 16G ————– 16GB
- 32G ————– 32GB
- 64G ————– 64GB
Where Y is temperature:
- Blank ————— Standard temperature (0° C to +70° C)
- I ——————— Extended temperature (-40° C to +85° C)
Example:
- 8GB CFast ———————————————————— KC8GF-X00S
- 8GB CFast Extended Temp ————————————- KC8GFI-X00S
Technical Support Services
Direct Cactus Technologies® Technical Support
- Email: [email protected]
- Email: [email protected]
- Email: [email protected]
Limited Warranty
WARRANTY STATEMENT
Cactus Technologies® warrants its Industrial Grade products only to be free of any defects in materials or workmanship that would prevent them from functioning properly for five years from the date of purchase. This express warranty is extended by Cactus Technologies® Limited to customers of our products.
GENERAL PROVISIONS
This warranty sets forth the full extent of Cactus Technologies® responsibilities regarding the Cactus Technologies® Industrial Grade Flash Storage Products. Cactus Technologies®, at its sole option, will repair, replace or refund the purchase price of the defective product. Cactus Technologies® guarantees our products meet all specifications detailed in our product manuals. Although Cactus Technologies® products are designed to withstand harsh environments and have the highest specifications in the industry, they are not warranted to never have failure and Cactus Technologies® does not warranty against incidental or consequential damages. Accordingly, in any use of products in life support systems or other applications where failure could cause injury or loss of life, the products should only be incorporated in systems designed with appropriate redundancy, fault tolerant or backup features.
WHAT THIS WARRANTY COVERS
For products found to be defective within five years of purchase, Cactus Technologies® will have the option of repairing, replacing or refunding the purchase price the defective product, if the following conditions are met:
- A. The defective product is returned to Cactus Technologies® for failure analysis as soon as possible after the failure occurs.
- B. An incident card filled out by the user, explaining the conditions of usage and the nature of the failure, accompanies each returned defective product.
- C. No evidence is found of abuse or operation of products not in accordance with the published specifications, or of exceeding maximum ratings or operating conditions.
All failing products returned to Cactus Technologies® under the provisions of this limited warranty shall be tested to the product’s functional and performance specifications. Upon confirmation of failure, each product will be analyzed, by whatever means necessary, to determine the root cause of failure. If the root cause of failure is found to be not covered by the above provisions, then the product will be returned to the customer with a report indicating why the failure was not covered under the warranty.
This warranty does not cover defects, malfunctions, performance failures or damages to the unit resulting from use in other than its normal and customary manner, misuse, accident or neglect; or improper alterations or repairs. Cactus Technologies® Limited may repair or replace, at its discretion, any product returned by its customers, even if such product is not covered under warranty, but is under no obligation to do so.
RECEIVING WARRANTY SERVICE
According to Cactus Technologies® warranty procedure, defective product should be returned only with prior authorization from Cactus Technologies® Limited. Please contact Cactus Technologies® Customer Service department ([email protected]) with the following information: product model number and description, nature of defect, conditions of use, proof of purchase and purchase date. If approved, Cactus Technologies® will issue a Return Material Authorization or Product Repair Authorization number with shipping instructions.
Cactus Technologies Limited
Industrial Grade -X00S Series CFast Card Product Manual

















