A-B 1771-OM AC 220/240V Output Module

Installation Instructions
To The Installer This document provides information on:
- important pre-installation considerations
- power supply requirements
- installing the module
- using the indicators for troubleshooting
- replacing the fuses
- module specifications
Pre installation Considerations
This module may be used with either 1771 Series A or B I/O chassis. If you are using 1/2-slot or 1-slot addressing you may use any combination of I/O modules.
European Union Directive Compliance
If this product has the CE mark it is approved for installation within the European Union and EEA regions. It has been designed and tested to meet the following directives.
EMC Directive
This product is tested to meet Council Directive 89/336/EEC Electromagnetic Compatibility (EMC) and the following standards, in whole or in part, documented in a technical construction file:
- EN 50081-2EMC – Generic Emission Standard, Part 2 – Industrial Environment
- EN 50082-2EMC – Generic Immunity Standard, Part 2 – Industrial Environment
This product is intended for use in an industrial environment.
Low Voltage Directive
This product is tested to meet Council Directive 73/23/EEC Low Voltage, by applying the safety requirements of EN 61131–2 Programmable Controllers, Part 2 – Equipment Requirements and Tests.
For specific information required by EN 61131-2, see the appropriate sections in this publication, as well as the following Allen-Bradley publications:
- Industrial Automation Wiring and Grounding Guidelines For Noise Immunity, publication 1770-4.1
- Guidelines for Handling Lithium Batteries, publication AG-5.4
- Automation Systems Catalog, publication B111
Power Requirements
Your module receives its power through the 1771 I/O chassis backplane from the chassis power supply. The module requires 225mA from the output of this supply. Add this to the requirements of all other modules in the I/O chassis to prevent overloading the chassis backplane and/or backplane power supply.
Initial Handling
The ac output module is shipped in a static-shielded bag to guard against electrostatic discharge damage. Observe the following precautions when handling the module.
Electrostatic Discharge Damage
ATTENTION: Under some conditions, electrostatic discharge can degrade performance or damage the module. Observe the following precautions to guard against electrostatic damage.
- Wear an approved wrist strap grounding device, or touch a grounded object to discharge yourself before handling the module.
- Do not touch the backplane connector or connector pins.
- If you configure or replace internal components, do not touch other circuit components inside the module. If available, use a static-free work station.
- When not in use, keep the module in a static-shielded bag
Installing Your Module
In this section we tell you how to key your I/O chassis, install your module and make your wiring connections
Keying Your I/O Chassis
Use the plastic keying bands, shipped with each I/O chassis, to key the I/O slots to accept only this type of module.
The module circuit board is slotted in two places on the rear edge.
The position of the keying bands on the backplane connector must correspond to these slots to allow insertion of the module. You can key any connector in an I/O chassis to receive this module except for the left-most connector reserved for adapter or processor modules.
Place keying bands between the following numbers labeled on the backplane connector:
- Between 6 and 8
- Between 28 and 30
You can change the position of these keys if system redesign and rewiring makes insertion of a different module necessary.
Installing Your Output Module
To install the ac output module in your 1771 I/O chassis, follow the steps listed below.
ATTENTION: Remove power from the 1771 I/O chassis backplane and wiring arm before removing or installing an I/O module.
- Failure to remove power from the backplane or wiring arm could cause module damage, degradation of performance, or injury.
- Failure to remove power from the backplane could cause injury or equipment damage due to possible unexpected operation.
- Turn off power to the I/O chassis.
- Place the module in the plastic tracks on the top and bottom of the slot that guides the module into position.
- Do not force the module into its backplane connector. Apply firm, even pressure on the module to seat it properly.
- Snap the chassis latch over the top of the module to secure its position.
- Connect the wiring arm to the module.
- Make wiring connections to the field wiring arm as indicated below.
Connecting Wiring to the Output Module
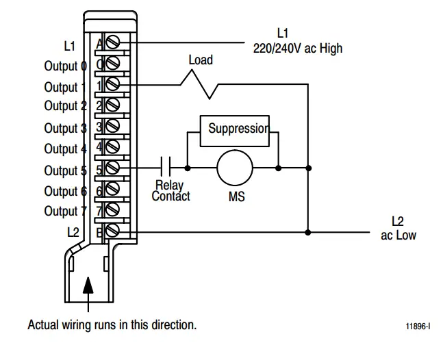
Connections to the output module are made to the 10 terminal field wiring arm (cat. no. 1771-WA) shipped with the module. Attach the wiring arm to the pivot bar on the bottom of the I/O chassis. The wiring arm pivots upward and connects with the module so you can install or remove the module without disconnecting the wires. You must supply ac high (L1) at terminal A on the wiring arm. Connect ac low (L2) to terminal B. Connect your equipment to the output terminal (numbered 0-7) and to ac low (terminal B). The front module label identifies these connections and provides space for you to identify them.
Connection Diagram
You can use an AC (220/240V) Output Module (cat. no. 1771-OM) to drive terminals on an AC (220/240V) Input Module (cat. no. 1771-IM), but you must connect a 3.3K, 20 Watt resistor between the output terminal and L2 (common). You can also use an AC (220/240V) Output Module (cat. no. 1771-OM) to drive terminals on an AC (220V) Input Module (cat. no. 1771-IMD), but you must connect a 10K, 10 Watt resistor between the output terminal and L2 (common). In either case, use the same power source to power both modules to ensure proper phasing, and prevent module damage.
Interpreting the Status Indicators
The front panel of your module contains 8 status indicators and one fuse blown indicator. The fuse blown indicator lights when any of the 8 fuses in the module is blown.
The status indicators light when the corresponding output energizes.
NOTE: An output terminal need not be connected to a load in order for its status indicator to light. The module circuitry signals an open fuse condition as long as line power (L1, L2) is supplied to the field wiring arm and the module is powered from the chassis.
Status Indicators
Replacing the Fuse
The module’s output circuitry is protected from overloads or shorts by fuses. You can replace the fuses as outlined below.
- Turn off all power to the I/O chassis and all output device power to the field wiring arm.
ATTENTION: Remove power from the 1771 I/O chassis backplane and wiring arm before removing or installing the module. Failure to remove power from the backplane or field wiring arm could cause module damage, degradation of performance, or injury. Failure to remove power from the backplane could cause injury or equipment damage due to possible unexpected operation. - Pivot the wiring arm away from the module and remove the module from the chassis.
- Remove the cover (nearest the front of the module) from the side of the module by removing the two screws on the component side.
- Replace the blown fuse with a 2A, 250V, type 3AG normal blow fuse.
- Reinstall the protective cover and install the module in the I/O chassis.
- Reposition the field wiring arm and restart system.
Specifications
| Outputs per Modu e | 8 | |
| Modu e Locatlon | 1771 1/O chassls | |
| Output Vo tage Range | 184 to 276V ac @ 47 – 63Hz | |
| Output Current Ratlng | 2A per output – not to exceed 6A per modu e | |
| Surge Current (maxlmum) | 20A per output for 100ms, repeatab e every 10 seconds | |
| Mlnlmum Load Current | 60mA per output @ 220V ac, 60Hz | |
| On State Vo tage Drop (max ) | 1 6V at 2A | |
| Off State Leakage Current (max ) | 2mA per output @ 220V ac | |
| De ay Tlmes | 1 0ms O de ay (max) 8 3ms OFF de ay (max) | |
| Power Dlsslpatlon | 13 2 Watts (max ), 1 2 Watts (mln ) | |
| Therma Dlsslpatlon | 45 1 BTU/hr (max ), 4 1 BTU/hr (mln ) | |
| Backp ane Current | 225mA @ 5V dc +5% | |
| 1so atlon Vo tage | 1500V ac (RMS) | |
| Envlronmenta Condltlons Operatlona Temperature Storage Temperature Re atlve Humldlty | 0o to 60oC (32o to 140oF) -40o to 85oC (-40o to 185oF) 5 to 95% (wlthout condensatlon) | |
| Conductors | Wlre Slze
Category | 14 gauge (2mm2) stranded maxlmum 3/64 lnch (1 2mm) lnsu atlon maxlmum 21 |
| Keylng | Between 6 and 8 Between 28 and 30 | |
| Fuse | 2A, 250V 3AG orma B ow (1 per output) | |
| Fle d Wlrlng Arm | Cata og umber 1771-WA | |
| Wlrlng Arm Screw Torque | 7-9 lnch-pounds | |
| Agency Certlflcatlon | · CSA certlfled | |
| (when product or packaglng ls | · CSA C ass 1, Dlvlslon 2, Groups A, B, C, D certlfled | |
| marked) | · UL lsted | |
| · CE marked for a app lcab e dlrectlves | ||
Allen Bradley, a Rockwell Automation Business, has been helping its customers improve productivity and quality for more than 90 years. We design, manufacture and support a broad range of automation products worldwide. They include logic processors, power and motion control devices, operator interfaces, sensors and a variety of software. Rockwell is one of the world’s leading technology companies.
Worldwide representation.
- Allen Bradley Headquarters,
- 1201 South Second Street, Milwaukee, WI 53204 USA,
- Tel: (1) 414 3822000
- Fax: (1) 414 3824444




















