king KBP Compact Unit Heaters

INTRODUCTION
KBP unit heaters are to be operated at voltage listed on the rating label. It is important that you verify the power supply voltage is the same as the nameplate voltage of the heater. Connecting the heater to an improper voltage or failure to follow the procedures as outlined in this manual can result in damage to the heater and void the warranty. This heater is provided with a factory installed thermostat. Disconnect all power from the heater at the main service panel before attempting to install or service this unit. All electrical wiring must conform to local electrical codes. Heater circuit must be properly protected.
WARNING
READ CAREFULLY – Use the heater only as described in this manual. Any other use is not recommended and could result in fire, electric shock, and personal injury. Following these instructions will prevent difficulties that might occur during the installation and use of the heater. Please study the instructions first, as they may save considerable time and trouble during use addition to providing important safety information. Make sure to save these instructions for future use.
Read all instructions before wiring or using this heater.
- WARNING Heaters outlet grill is very hot when in use. To avoid burns, do not touch hot surfaces with bare skin. Keep combustible materials, including furniture, pillows,
bedding, papers, clothes, curtains, and boxes at least 3 feet from the front of the heater and keep them away from the sides and rear. - WARNING Do not use outdoors .
- WARNING Heater is not intended for use in bathrooms, laundry areas or similar indoor locations. Never locate heater where it may fall into a bathtub or other water
container. - WARNING Do not insert or allow foreign objects to enter any inlet or outlet openings as this may cause an electric shock, fire, or damage to the heater.
- WARNING To prevent a possible of fire, do not block air intakes or exhaust in any manner .
- WARNING Heater has hot surfaces. Internal thermostat and limiting parts will arcing or create sparks inside. Do not use this heater in areas where gasoline, paint, or
flammable liquids or gases are used or stored . - WARNING Use this heater only as described in this manual. Any other use is not recommended by the manufacturer and may cause fire, electric shock, explosion or
injury to people and or property . - WARNING If heater shows signs of overheating immediately turn the circuit breaker off to the heater. Remove and inspect for any objects on or adjacent to the heater
that may cause the high temperatures. Have a professional inspect the internals until the reason is clear why the heater is overheating. Do not reinstall until it
has been professionally serviced . - WARNING Do not operate heater after it malfunctions. Disconnect heater at service panel and have heater inspected by a reputable electrician before reusing. To disconnect heater, turn controls to off position, and turn off power to heater circuit at main electrical panel or operate internal disconnect switch to off if provided .
- WARNING Extreme caution is necessary when any heater is used by or near children or invalids and whenever the heater is left operating and unattended too.
SAFETY INFORMATION
Chart 2
| Minimum Clearance From Combustibles | |
| Front | 18 in. |
| Top | 2 in. |
| Sides | 6 in. |
| Rear | 5 in. |
| Floor | 6 ft. |
Warning: Prior to operating, make sure the circuit breaker is of the configuration and capacity appropriate for the heater.
- Minimum installed distance from the heater to the adjoining wall or ceiling surfaces – 5 inches to back wall.
- When clearance to ceiling is 2 inches, Do Not Point Heater At Ceiling.
- Use extreme caution when used near children or people with disabilities
- Do not use outdoors.
- Not intended for use in bathrooms, laundry areas or other similar wet locations. Never locate heater where it may have contact with water.
- Do not use heater in wet or moist locations
- Don’t place heater against cardboard or low-density fiberboard surfaces.
- Avoid using an extension cord because the extension cord may overheat and cause a risk of fire.
- Use only the electrical power (voltage and frequency) specified on the model plate of the heater.
- Keep all combustible materials away from this heater
WHAT’S IN THE BOX

HEATER DIAGRAM

ASSEMBLY INSTRUCTIONS
Chart 3
| Minimum Clearance From Combustibles | |
| Front | 18 in. |
| Top | 2 in. |
| Sides | 6 in. |
| Rear | 5 in. |
| Floor | 6 ft. |
INSTALLATION INSTRUCTIONS

TOOLS NEEDED:
- Screwdriver (Phillips & Slotted)
- Wire Cutters
- Pliers
- Adjustable Wrench
- Electric Drill
HARDWARE NEEDED:
- Adequate gauge & length of wire for your application
- Proper size fuses or breakers to handle amperage
- Proper wire connectors for your application
- Fasteners appropriate size to mount heater
MOUNTING HEIGHT:
When the air flow of the heater is directed vertically or horizontally, the minimum mounting height is 6 feet in the USA and 8 feet in Canada. Mounting heights depend upon building utilization and heater KW capacity.
LOCATION OF HEATER:
The heater should be installed 6 feet above floor and according to minimum clearance chart (Figure 1) The direction of airflow should not be restricted by machinery, beams, etc., and the air flow should run with walls, rather than blowing directly at them. When more than one heater is used in an area, the heaters should be arranged so that the air discharge of each heater supports the air flow of the others to provide best circulation of warm air. (see figure 4).
MOUNTING HEATER:
Wall stud and ceiling joists are typically wider than our mounting bracket which is 11 inches wide. The heater weighs 14 lbs. and should be mounted onto at least one stud to be properly supported. Your fasteners penetrating a stud is critical to supporting the weight. A gypsum wall board fastener is not strong enough. But if your ideal location has no solid backing, you can fasten with large screw fasteners a 2″ x 6″ board to ceiling joists or wall studs. Attach with appropriate lag bolts with proper depth for the 14 lbs. Install wing nut fasteners into the outside of the bracket and star washer between the heater and bracket. Be certain adjustment knobs are tightened firmly to secure the heater to swivel bracket.
INSTALLATION INSTRUCTIONS
Chart 4
| 1 PHASE CIRCUIT SIZING TABLE | ||||||
| Watts (Max) | BTUH | Volts | Amps 1 Phase | Wire | Size | Circuit Protection |
| 1440 | 4,910 | 12 | #14/2 | 15A-1P | ||
| 1920 | 6,547 | 120 | 16 | #12/2 | 2DA-1P | |
| 2850 | 1,927 | 24 | #10/2 | 30A-1P | ||
| 1900 | 6,484 | 208 240 | g 1 79 | #14/2 #14/2 | 15A-2P | |
| 2850 | 9.727 | 208 240 | 137 11 9 | #12/2 #14/2 | 20A-2P 15A-2P | |
| 3800 | 12,969 | 208 240 | 18.3 15.8 | #10/2 #12/2 | 30A-2P 20A-2P | |
| 4750 | 16,211 | 208 240 | 228 198 | #10/2 | 30A-2P | |
| 5700 | 19,454 | 208 240 | 27.4 23.7 | #8/2 #10/2 | 40A-2P 30A-2P | |
| 1,000 | 3,413 | 4 | #14/2 | 15A-1P | ||
| 2,000 | 6,826 | 277 | 7 | #14/2 | 15A 1P | |
| 3,000 | 10,239 | 11 | #14/2 | 15A-1P | ||
| 4,000 | 13,652 | 15 | #12/2 | 20A-1P | ||
| 2000 | 6,826 | 4.2 | #14/2 | 15A-2P | ||
| 3000 | 10,239 | 6.3 | #14/2 | 15A-2P | ||
| 4000 | 13,652 | 480 | 83 | #14/2 | 15A-2P | |
| 5000 | 17,050 | 10.4 | #14/2 | 15A-2P | ||
| 6000 | 20,460 | 12,5 | #14/2 | 15A-2P | ||
| 3 PHASE CIRCUIT SIZING TABLE | ||||||
| Watts (Max) | BTUH | Volts | Amps 3 Phase | Wire Size | Circuit Protection | |
| 2850 | 9,727 | 208 240 | 79 6,8 | #14/3 | 15A-3P | |
| 5700 | 19,454 | 208 240 | 15.8 13.7 | #12/3 | 2DA3P | |
| 3000 6000 | 10,239 20,460 | 480 | 3,6 7,2 | #14/3 #14/3 | 15A-3P 15A-3P | |
WARNING Before proceeding further with the installation of this heater, turn off the power and lock the supply line for the heater at the main service box.
WIRING HEATER:
- Remove wiring compartment cover.
- Remove one of the knock outs from the back of the unit. It is not necessary to remove the grill cover.
- Size service wire to adequately handle amp load of the heater. Refer to the Circuit Sizing Table for proper wire size and circuit protection.
- Connect supply wire to L 1 & L2 as shown in the diagram below.
- Secure power supply cable with cable clamp.
- Connect ground wire to the green pig tail.
- Adjust the heater to the desired position.
Note: Power must land at heater uninterrupted by switches or thermostat due to thermal fan delay
WIRING DIAGRAMS
KBP1230
Chart 2
| Minimum Clearance From Combustibles | |||||
| Front | 18 in. | ||||
| Top | 2 in. | ||||
| Sides | 6 in. | ||||
| Rear | 5 in. | ||||
| Floor | 6 ft. | ||||
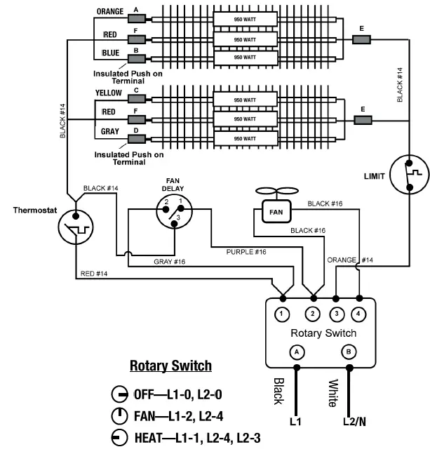
Field Wattage Selection
- Heater is wired at 2850 watts (Maximum Wattage)
- A. Disconnect A to reduce total wattage by 712 watts
- B. Disconnect B to reduce total wattage by 238 watts
- C. Disconnect C to reduce total wattage by 712 watts
- D. Disconnect D to reduce total wattage by 238 watts
- E. Black Do Not Disconnect (Common)
- F. Red Do Not Disconnect

Wiring Diagram for KBP1230 120 Volt 2850
KBP2406
Chart 2
| Minimum Clearance From Combustibles | |||||
| Front | 18 in. | ||||
| Top | 2 in. | ||||
| Sides | 6 in. | ||||
| Rear | 5 in. | ||||
| Floor | 6 ft. | ||||
Field Wattage Selection 950WATT
- Heater is wired at 5700 watts (Maximum Wattage)
- 4750 Watts disconnect terminal A
- 3800 Watts disconnect terminals A,D
- 2850 Watts disconnect terminals A,B,D
- 1900 Watts disconnect terminals A,B,C,D
- A. Black Do Not Disconnect (Common)
- B. Red Do Not Disconnect

Wiring Diagram for KBP2406 240 Volt 5700 Watt
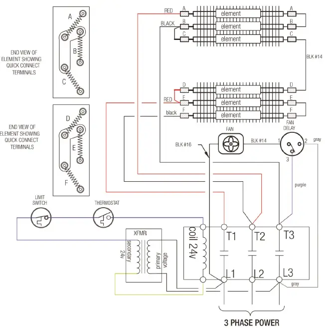
KBP2406-3MP / KBP 2006-3MP
3-Phase to 1-Phase Diagram
- Factory wired for 3-Phase.
- For conversion to 1-Phase:
- a) Move wire X – Black from T2 to T1 .
- b) Move wire Y – Red from T2 to T3.
- c) Make power connections to L 1 & L3.
Field Wattage Selection
- 3-Phase
- a) 5700 Watts factory wired
- b) 2850 Watts- disconnect B, E, H
- 1-Phase
- a) 5700 Watts factory wired
- b) 4750 Watts – disconnect H
- c) 3800 Watts – disconnect H, B
- d) 2850 Watts – disconnect H, B, E
- e) 1900 Watts – disconnect H, C, E, A

KBP2704
INSTALLATION INSTRUCTIONS
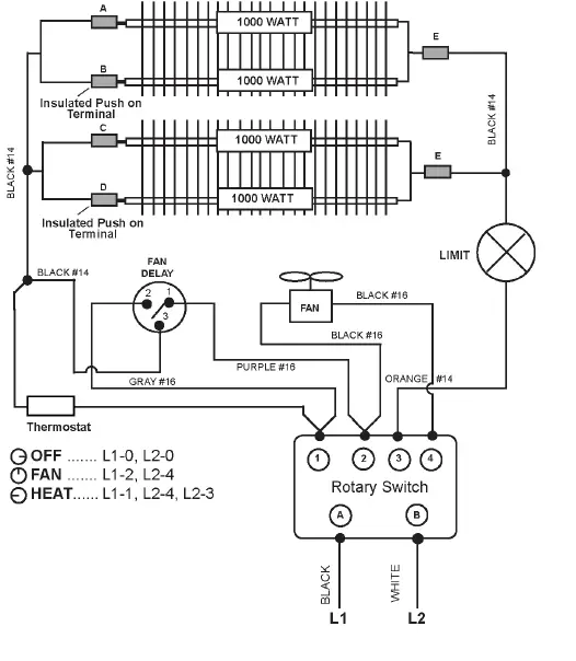
This heater is shipped from the factory wired for maximum wattage of 4000 Watts at 277 Volts To reduce the wattage unplug (disconnect) an insulated push on terminal and wrap with electrical tape to prevent the possibility of electrical contact with other parts
Field Wattage Selection
- 4000 Watts factory wired
- 3000 Watts disconnect terminal A
- 2000 Watts disconnect terminals A,D
- 1000 Watts disconnect terminals A,B,D
- E – Black Do Not Disconnect (Common)


- E – Black Do Not Disconnect (Common)
KBP48O4-3MP / KBP48O6-3MP

MAINTENANCE AND WARRANTY
The high quality and superior design of the Pie-a-Watt heater will provide years of trouble free performance. Each year the heater should be checked and cleaned for lint and dust accumulation. We recommend using a soft bristled brush such as a paint brush to assist in removing contaminants from the heater. The motor is permanently lubricated and does not need servicing. King Electrical Mfg. Co. will repair or replace, with out charge any KBP heater found to be defective or malfunctioning for five years after purchase to the original owner. For a warranty claim call King at , do not take the heater back to the store purchased from.
TROUBLESHOOTING GUIDE
| TROUBLESHOOTING GUIDE | ||
| Problem | Cause | Solution |
| Fan stays on when heat shuts off | Fan delay cycles ON/OFF until elements are cool | Heater is operating correctly |
| Heating element does not glow red | Heating element is made of stainless steel and will not glow red to produce heat | Heater is operating correctly |
| Do not feel heat or air flow | No power to heater | Check power connections/connect heater to power supply |
| Desired room temperature is reached | Thermostat will shut off once desired room temperature is reached. Heater is operating correctly | |
| Heater does not heat area in front of heater, it will disperse heat throughout room to heat entire space | Heater is operating correctly | |
| Oil drip from heater | Over fill of oil reservoir in motor or angle of heater is too extreme | Will stop once over fill is purged. Reduce angle of heater to level. |
KING ELECTRIC MFG co
9131 10TH AVENUE SOUTH SEATTLE, WA 98108
- PH: 206 762 0400
- FAX: 206 763 7738
- www.king-electric.com
























