velleman PEM30DN PHOTOELECTRIC BEAM SENSOR DARK-ON

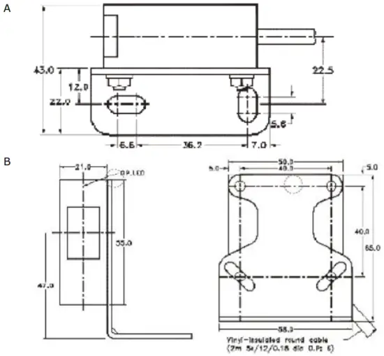
Product Dimension

Introduction
To all residents of the European Union
Important environmental information about this product
This symbol on the device or the package indicates that disposal of the device after its lifecycle could harm the environment. Do not dispose of the unit (or batteries) as unsorted municipal waste; it should be taken to a specialized company for recycling. This device should be returned to your distributor or to a local recycling service. Respect the local environmental rules.
If in doubt, contact your local waste disposal authorities.
Thank you for choosing EtiamPro! Please read the manual thoroughly before bringing this device into service. If the device was damaged in transit, do not install or use it and contact your dealer.
Notes
- It is recommended to use this device indoors. Rain drops and condensation may influence its operation.
Safety Instructions
Read and understand this manual and all safety signs before using this appliance.
- This device can be used by children aged from 8 years and above, and persons with reduced physical, sensory or mental capabilities or lack of experience and knowledge if they have been given supervision or instruction concerning the use of the device in a safe way and understand the hazards involved. Children shall not play with the device. Cleaning and user maintenance shall not be made by children without supervision.
- Make sure that the voltage supply does not exceed the rated value.
- Do not deactivate the device within 50 ms after its activation in order to avoid damage.
- Keep the cables well clear of other current-carrying conductors in order to avoid the creation of magnetic fields which may cause interference.
- Do not install the sensor where it is exposed to fluorescent lamps with rapid-starters or high-frequency starters.
- Do not expose the device to dust, water, dirt or oil and protect it from vibrations or shocks to prevent malfunction.
Wiring

The black, white and grey cables are only available on the receiver.
Aligning transmitter with receiver
Use the LEDs to align the transmitter and the receiver. This is easiest if you use an IR viewer.
Technical Specifications
- Detection method …………………………………………….. through beam
- Sensing range……………………………………………………………. 30 m
- Input voltage
- 12-240 VDC ± 10 %
- 24-240 VAC ± 10 %
- Response time ………………………………………………………….. 15 ms
- Emitting element ……………………………………………………… IR LED
- Operation indicator ………………. yellow LED (lights when beam is cut)
- Dimensions ……………………………………………….. 21 x 55 x 50 mm
- Current consumption ………………………………………………. 2 A max.
- Output method ………………………………………………….. relay output
- Contact current …………………………………………………. 3 A/250 VAC
- Illumination
- Lamplight …………………………………………………….. < 10000 lux
- Sunlight ………………………………………………………. < 30000 lux
- Connection method ………………………………………… multicore cable
- Noise resistance ……………………………………………… 1500 Vpp/1 µs
- Surge resistance …………………………………………………… 2 kV/1 µs
- Wavelength (sensor) ………………………………………………… 940 nm
- Vibration resistance …………….10-55 Hz/1.5 mm, 2 h in X.Y.Z. phase
- Housing material
- Case …………………………………………………………. intensive ABS
- Lens………………………………………………………………………… PC
- Operating temperature …………………………………. -20 °C to +60 °C
- IP rating …………………………………………………………………… IP44
Use this device with original accessories only. Velleman nv cannot be held responsible in the event of damage or injury resulting from (incorrect) use of this device. For more info concerning this product and the latest version of this manual, please visit our website www.velleman.eu. The information in this manual is subject to change without prior notice.
© COPYRIGHT NOTICE The copyright to this manual is owned by Velleman nv. All worldwide rights reserved. No part of this manual may be copied, reproduced, translated or reduced to any electronic medium or otherwise without the prior written consent of the copyright holder.



















