VIESSMANN Vitosol 200-F, SVK Solar Pack

Safety, Installation and Warranty Requirements
Please ensure that these instructions are read and understood before commencing installation. Failure to comply with the instructions listed below and details printed in this manual can cause product/property damage, severe personal injury, and/or loss of life. Ensure all requirements below are understood and fulfilled (including detailed information found in manual subsections).
Licensed professional heating contractor
- The installation, service, and maintenance of this equipment must be performed by a licensed professional heating contractor.
- Please see section entitled “Important Regulatory and Installation Requirements” in the Installation Instructions.
Product documentation
- Read all applicable documentation before commencing installation. Store documentation in a readily accessible location for reference in the future by service personnel.
- For a listing of applicable literature, please see section entitled „Important Regulatory and Safety Requirements”
Advice to owner
Once the installation work is complete, the heating contractor must familiarize the system operator/ultimate owner with all equipment, as well as safety precautions/requirements, shut-down procedure, and the need for professional service annually.
Warranty
- Information contained in this and related product documentation must be read and followed. Failure to do so renders warranty null and void.
- Grounding/Lightning protection of the solar system
- In the lower part of the building, install an electrical conductor on the piping system of the solar circuit in compliance with local regulations.
- Connection of the solar system to a new or existing lightning protection or the provision of local grounding should only be carried out by a licensed professional, who must take into account the prevailing conditions on site.
CAUTION
- Observe maximum load and distance from edge before installing the substructure to the roof. If necessary, consult with a structural engineer to determine if the structure is suitable for installing solar collectors. The collectors must be securely mounted so that the mountings can withstand intense wind conditions and local snow loads.
- Gloves and eye protection must be worn when handling solar panels.
- Solar panel connection pipes and solar heating fluid can become hot enough to cause severe burns. Extreme caution must be taken if panels have been in a stagnant condition (no flow of fluid).
- Avoid scratching or sudden shocks to glass cover of the solar panel.
- Never step on collectors or solder in close proximity to the glass surface of the solar panel.
Applicability
- Vitosol solar collectors are designed for use in closed loop heating systems for domestic hot water heating, space heating and pool heating via a heat exchanger. The use of Viessmann heat transfer medium “Tyfocor- HTL†or equivalent is strongly recommended.
- In areas with extremely cold climate conditions, where outside temperatures may drop below -31°F (-35°C), the use of Tyfocor-HTL is not recommended.
Use a solar propylene glycol mixture with a higher concentration of glycol that provides the level of freeze protection required for the area of the collector installation.
IMPORTANT
Pool water or potable water should not be pumped directly through the Vitosol collectors. Damage to collectors caused by corrosion, freezing or scaling will void warranty.
Important Regulatory and Installation Requirements
Initial start-up
Initial start-up must be performed by a qualified heating contractor. Completion of the Maintenance Record by the heating contractor is also required.
Note: See the Commissioning/Service Reports located on page 28.
Working on the equipment
The installation, adjustment, service and maintenance of this equipment must be done by a licensed professional heating contractor who is qualified and experienced in the installation, service and maintenance of hot water heating systems. There are no user serviceable parts on this equipment.
Note: Please carefully read this manual prior to attempting start-up, maintenance or service. Any warranty is null and void if these instructions are not followed. For information regarding other Viessmann System Technology componentry, please reference documentation of the respective product. Viessmann offers frequent installation and service seminars to familiarize our partners with our products. Please inquire.
Ensure main power supply to equipment, the heating system, and all external controls has been deactivated. Take precautions in all instances to avoid accidental activation of power during service work.
Note: The completeness and functionality of field supplied electrical controls and components must be verified by the heating contractor. These include low water cut-offs, flow switches (if used), staging controls, pumps, motorized valves, air vents, thermostats, etc.
Repair work
IMPORTANT
- Repairing components which fulfil a safety function can compromise the safe operation of your heating system. Replace faulty components only with original Viessmann replacement parts. Ancillary components, spare and wear parts.
- Replacement and wear parts which have not been tested together with the solar system can compromise its function. Installing non-authorized components and non-approved modifications/conversion can compromise safety and may infringe our warranty conditions.
- For replacement, use only original Viessmann replacement parts or those which are approved by Viessmann.
About these Installation Instructions
WARNING
Indicates an imminently hazardous situation which, if not avoided, could result in death, serious injury or substantial product/property damage.
CAUTION
Indicates an imminently hazardous situation which, if not avoided, may result in minor injury or product/property damage.
IMPORTANT
- Warnings draw your attention to the presence of potential hazards or important product information.
- Cautions draw your attention to the presence of potential hazards or important product information.
- Helpful hints for installation, operation or maintenance which pertain to the product.
- This symbol indicates that additional, pertinent information is to be found.
- This symbol indicates that other instructions must be referenced.
Quick Start-up Guide
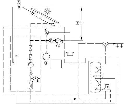
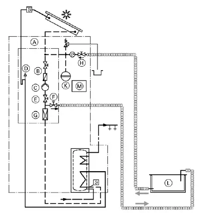
Legend
- A Solar collector
- B Solar-Divicon (pumping station) C Overflow container
- D Expansion vessel
- E Solar manual filling pump
- F System fill manifold
- G Solar storage tank
- H Air separator
- J Solar fluid
- K Tank temperature sensor
- L Collector temperature sensor
- h Static head (used to calculate system pressure). Highest point in system to expansion tank connection.
- R Return to collector
- S Supply from collector
Start-up steps
- Check and adjust nitrogen cushion pressure in the diaphragm expansion tank D. Calculate cushion pressure based on formula (see page 7) and charge cushion pressure as required.
- Thoroughly flush system through the system fill manifold F to remove debris and flux residue (see page 10).
- Fill system with solar fluid J through the system fill manifold F using charge pump or hand fill pump E.
CAUTION
4. Fill system to min. final fill pressure (see page 8). Typical values:
- 1- storey home = 25.5 psig (1.7 bar)
- 2- storey home = 30 psig (2.1 bar)
5. Purge all air from air vent H by running solar loop pump at maximum speed.
6. Set system flow rate (see page 11).
7. Provide overflow container C (minimum size should equal collector fluid volume).
8. Set control settings: Differentials, maximum tank temperature (see pages 13 and 14).
9. Fill DHW tank with water (see page 11).
10. Remove protective film from flat plate collectors.
CAUTION
- Remove protective film from flat plate collector ONLY after all above steps have been completed.
- Never flush with water when it is freezing, if no heat transfer medium is used.
- Never drain the system with a vacuum pump.
- Never turn on power to the electric element until the tank is full of water as this will damage the element and void the warranty.
IMPORTANT
Record the “pre-charge pressure level” on the expansion tank for future reference.
Calculate and Set the Expansion Tank Pre-charge Pressure (continued)
Legend
- A Heat transfer medium
- B Nitrogen filling
- C Nitrogen buffer
- D Safety water seal, min. 0.8 USG (3 L). E Safety water seal under max. pressure
Pressure calculation worksheet
| 1 | Minimum pressure at top of solar system | 15 psig | 1.0 bar |
| 2 | Additional static head pressure 0.45 psig x h (static head ft.) [0.1 bar x h (static head m)] | ——————— psig | ——————— bar |
| 3 | Pre-charge pressure of the expansion tank (1+2) | psig | bar |
| 4 | Additional safety water seal pressure | 5 psig | 0.4 bar |
| 5 | Final system fluid fill pressure (3+4) | psig | bar |
Calculate the System Fluid Fill Pressure
- Calculate the system fluid fill pressure using the formula below. The fill pressure must exceed the set air cushion charge pressure of the diaphragm expansion tank by
5 psig (0.4 bar). This additional pressure creates a safety water seal in the expansion tank (see middle picture above). The safety water seal helps for ventilation and to ensure no steam can enter the expansion tank during stagnation. - The final system fluid fill pressure can be calculated using this formula:
15 psig + 0.45 x static head (ft.) + (5 psig)
1.0 bar + 0.1 x static head (m) + (0.4 bar)
Typical fluid pressure examples
- story home, static head = 10 ft. (3 m) System fill pressure = 25.5 psig (1.7 bar)
- story home, static head = 20 ft. (6 m) System fill pressure = 30 psig (2.0 bar)
Checking the Function of the Safety Equipment
Check the safety valve:
- Response pressure
- Correct installation, with discharge pipe
Checking the Electrical Connections
Check the tightness of the electrical plug-in connectors and cable grommets; check cables for damage.
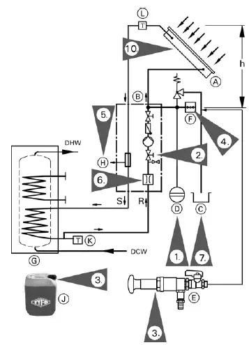
Flush, Fill and Leak Test the Solar System
Compact mobile charge station for flushing, venting and filling solar collectors, available from Viessmann.
IMPORTANT
Filling and commissioning the solar thermal system without first safeguarding heat transfer results in thermal stress. Cover the collectors and keep covered until heat transfer has been regulated.
- Accessories for flushing and filling the solar thermal system:
- Flushing and filling facility (compact mobile charger station)
- These contain a high head, high flow pump, a filter and a container for heat transfer medium.
– Manual filling pump.
- Flush solar thermal system with heat transfer medium. Otherwise there is a risk that residual water from flushing may become mixed with the heat transfer medium. This would alter the properties of the heat transfer medium.
- Flush brazed copper pipes thoroughly. Any residual scale may compromise the operation of the solar thermal system.
System Fluid Calculator
| Component | Total Fluid Content | Selection | ||||
| 2x Vitosol 200-F SVK Collectors | 2.5 L (0.7 USG) | • | • | • | • | • |
| Divicon Pump Station | 0.3 L (0.8 USG) | • | • | • | • | • |
| Vitocell 100-W (CVBA/ CVSA) Storage Tank | 6.5 L (1.7 USG) | • | • | • | • | • |
| 20’ – ½” Stainless Steel Preinsulated Lineset | 3.2 L (0.9 USG) | • | ||||
| 40’ – ½” Stainless Steel Preinsulated Lineset | 6.4 L (1.7 USG) | • | ||||
| 50’ – ½” Stainless Steel Preinsulated Lineset | 8.0 L (2.1 USG) | • | ||||
| feet of ½” Copper Type-L @ 0.05L (0.01 USG) per foot = | L ( USG) | • | ||||
| feet of ¾” Copper Type-L @ 0.10L (0.03 USG) per foot = | L ( USG) | • | ||||
| Miscellaneous Fluid (Extra piping or Charge cart) | 3.0 L (0.8 USG) | • | • | • | • | • |
| Total fluid content based on component selection: | 15.5 L (4.1 USG) | 18.7 L (4.9 USG) | 20.3 L (5.4 USG) | L ( USG) | L ( USG) | |
Flush, Fill and Leak Test the Solar System (continued)
Legend
- A Solar-Divicon
- B Flow check valve
- C Solar circuit pump
- D Air separator
- E Shut-off valve (adjusting screw above flow indicator G) F Drain valve
- G Flow indicator
- H Fill valve
- K Expansion vessel
- L Flushing and filling apparatus
- M Solar control unit
- Close shut-off valve E: Use a screwdriver to turn the slot on the adjusting screw clockwise 90 degrees (the slot should now be horizontal).
- Open the flow check valve B by turning the handle clockwise 90 degrees (handle located above the glycol pump).
- Connect the hoses of the flushing and filling apparatus L to drain valve F and fill valve H.
- Fill the container of flushing and filling apparatus L with heat transfer medium.
- Open drain valve F and fill valve H.
- Start the charge pump of flushing and filling apparatus L.
- Observe the fluid level in the container and top up with heat transfer medium if necessary to prevent any air entering the solar circuit. Let the charge pump of flushing and filling apparatus L run until no more air bubbles rise to the top of the container
(at least 20 to 30 min). - Open shut-off valve E towards the end of the flushing process: Use a screwdriver to turn the slot on the adjusting screw counter-clockwise 90 degrees (the slot should now be vertical).
- Close drain valve F. Let the charge pump of flushing and filling apparatus L run until the required cold fill fluid pressure is reached.
- Close fill valve H and switch off charge pump of flushing and filling facility L. The fluid pressure must not drop for at least 1 hour.
- Vent the circulation pump by carefully loosening the flat head screw on the rear of the pump head. Once the bubbles stop coming out tighten the flat head screw.
- Vent the internal air separator inside the pump station. Select manual mode on the solar control, and set pump speed selector switch to 3 (high speed). Very carefully open the manual air vent valve on air separator D. Allow the air to be purged from this unit then tighten the air vent valve. Repeat as required until the float in the flow meter holds a constant position when the pump is running.
- Repeat the air venting procedure after the system has been operating for a few days.
- If after venting the system pressure drops below the cold fill fluid pressure, top up with heat transfer medium and repeat venting process.
Notes on Residual ventilation:
- If there is air in the system, the flow meter float will cycle up and down. Repeat filling and venting until no air is present.
- Even after thorough ventilation, some dissolved air will still remain in the heat transfer medium. This will be released as the temperature rises, and must be discharged via air separator D.
Setting the Flow Rate
Determining the flow rate and adjusting if required
Check the value at the bottom edge of the flow indicator float. Adjust the flow rate by changing the speed selector switch on the solar pump.
Fine adjustments can be made via shut-off valve E (adjusting screw above the flow indicator).
Filling the DHW Tank
- Fill the DHW tank with potable water.
- Open several hot water faucets to allow air to escape from the tank. When a steady stream of water flows from the faucets, the tank is filled.
- Check the fittings on the heating water and DHW sides for tightness and retighten if required.
- Check the function of the safety valves according to the manufacturer’s instructions.
Note: When the DHW tank is pressurized, retighten the flange cover with a torque of 18.5 lb.ft (25 Nm).
CAUTION
Never turn on power to the electric element until the tank is full of water as this will damage the element and void the warranty.
Initial Control Setup
Language: Adjust the desired menu language.
Unit: Adjust the desired unit.
Time: Adjust the clock time. First of all adjust the hours, then the minutes.
Date: Adjust the date. First of all adjust the year, then the month and then the day
Maximum tank temperature: Adjust the maximum tank temp. In 2-tank systems, the adjustment has to be carried out for S1MAX and S2MAX as well.
Pump control type: Adjust the type of pump control for PUMP1 Carry out this adjustment for PUMP2 if needed.
Range of the flow rate sensor: Adjust the range of the sensor, if the flow rate sensor is connected.
Range of the pressure sensor: Adjust the range of the sensor, if the pressure sensor is connected.
Complete the commissioning menu by pressing button 5: The controller is then ready for operation and normally the factory settings will give close to optimum operation
- When the hydronic system is filled and ready for operation, connect the controller to the power supply.
- The controller runs an initialization phase in which all symbols are indicated in the display. The directional pad flashes red.
- When the controller is commissioned for the first time or when it is reset, it will run a commissioning menu after the initialization phase. The commissioning menu leads the user through the most important adjustment channels needed for operating the system and starts with the indication of the BX version number.
Commissioning menu
The commissioning menu consists of the channels described in the following. In order to make an adjustment, push button 5. The set symbol flashes and the adjustment can be made. Confirm the adjustment with button 5. Push button , the next channel will appear in the display.
Recommended Solar Control Settings – CVBA Tank
Selected Control Model: RESOL BX, Arr#1 Note: This coding only applies to the CVBA tank!
Parameters
| Main Channel | Sub Channels | Factory Default Values | Adjusted Parameters | ||
| Arr | 1 | ||||
| LOAD> | DTO | 6ºK / 12ºRa | |||
| DTF | 4ºK / 8ºRa | ||||
| DTS | 10ºK / 20ºRa | ||||
| RIS | 2ºK / 4ºRa | ||||
| SMAX | 60ºC / 140ºF | 60ºC to 77ºC / 140ºF to 170ºF | |||
| SMXS | Sensor #2 | ||||
| COL> | CEM | 130ºC / 270ºF | |||
| OCCO | OFF | ON = Collector Cooling Feature | |||
| >> | CMX | 110ºC / 230ºF | 95ºC to 100ºC / 203ºF to 212ºF | ||
| OCMI | OFF | ||||
| OTCO | OFF | ||||
| OCFR | OFF | ON = Collector Antifreeze Function | |||
| CFRO | 4ºC / 40ºF | -20ºC to -25ºC / -4ºF to -13ºF | |||
| CFRF | 5ºC / 42ºF | -15ºC to -20ºC / +5ºF to -4ºF | |||
| LLOGI> | ODB | OFF | |||
| COOL> | OSYC | OFF | |||
| OSTC | OFF | ON = Tank Cooling Feature | |||
| OHDP | OFF | ||||
| PUMP> | PUMP1 | OnOf | OnOf | Glycol Pump Operates ON/OFF | |
| MAN> | MAN1 | Auto | |||
| MAN2 | Auto | ||||
| MAN3 | Auto | ||||
| MAN4 | Auto | ||||
| BLPR | OFF | ||||
| OTDIS> | OFF | ||||
| OPARR> | OFF | ||||
| OHQM> | OFF | ||||
| GFDS> | OFF | ||||
| DATE> | TIME | XXX | Set to current time | ||
| YYYY | XXX | Set to current year | |||
| MM | XXX | Set to current month | |||
| DD | XXX | Set to current day | |||
IMPORTANT
Only enable the collector cooling (OCCO) and tank cooling (OSTC) features if and only if a solar rated DHW anti-scald valve has been installed. The tank can reach temperatures up to 200°F (95°C).
Recommended Solar Control Settings – CVSA Tank
Selected Control Model: RESOL BX, Arr#1 Note: This coding only applies to the CVSA tank!
Parameters
| Main Channel | Sub Channels | Factory Default Values | Adjusted Parameters | ||
| Arr | 1 | ||||
| LOAD> | DTO | 6ºK / 12ºRa | |||
| DTF | 4ºK / 8ºRa | ||||
| DTS | 10ºK / 20ºRa | ||||
| RIS | 2ºK / 4ºRa | ||||
| SMAX | 60ºC / 140ºF | 60ºC to 65ºC / 140ºF to 150ºF | |||
| SMXS | Sensor #2 | ||||
| COL> | CEM | 130ºC / 270ºF | |||
| OCCO | OFF | ||||
| OCMI | OFF | ||||
| OTCO | OFF | ||||
| OCFR | OFF | ON = Collector Antifreeze Function | |||
| CFRO | 4ºC / 40ºF | -20ºC to -25ºC / -4ºF to -13ºF | |||
| CFRF | 5ºC / 42ºF | -15ºC to -20ºC / +5ºF to -4ºF | |||
| LLOGI> | ODB | OFF | |||
| COOL> | OSYC | OFF | |||
| OSTC | OFF | ||||
| OHDP | OFF | ||||
| PUMP> | PUMP1 | OnOf | Glycol Pump Operates ON/OFF | ||
| MAN> | MAN1 | Auto | |||
| MAN2 | Auto | ||||
| MAN3 | Auto | ||||
| MAN4 | Auto | ||||
| BLPR | OFF | ||||
| OTDIS> | OFF | ||||
| OPARR> | OFF | ||||
| OHQM> | OFF | ||||
| GFDS> | OFF | ||||
| DATE> | TIME | XXXX | Set to current time | ||
| YYYY | XXXX | Set to current year | |||
| MM | XX | Set to current month | |||
| DD | XX | Set to current day | |||
IMPORTANT
Due to the fixed high limit of the thermostat being factory set at 180°F (82°C), collector cooling (OCCO) and tank cooling (OSTC) features cannot be enabled.
Should one of these features be enabled the tank could reach temperatures up to 200°F (95°C) which will cause the fixed high limit to trip. Should this safety device trip the electric heating element will not provide hot water backup until the safety device is manually reset.
Checking the Switching Function of the Solar Control Unit
Maintenance, Inspection and Cleaning
The solar thermal system must be inspected regularly by the building owner to verify that the control is operational, and that the solar pump is running when the sun is shining and that the system fluid pressure is within range.
CAUTION
The building owner must notify a qualified heating contractor immediately if they notice any problems with the solar control or solar pump, or a system pressure drop. Failure to do so can result in system stagnation leading to excessively high temperatures and damage to the solar fluid and or system components.
- The solar thermal system should be inspected once a year by a qualified heating contractor to ensure operational reliability.
- In addition to this, a visual inspection of all essential components ( e.g. collectors and pipe work) is recommended every 3 to 5 years.
- Regular inspection and service by a qualified heating contractor is critical to the performance of the Viessmann Vitosol 100-F, 200-F and 200-T. Neglected maintenance, e.g. forgoing regular cleaning services, impacts on warranty and will result in decreased efficiency of the system. Regular cleaning and maintenance ensures clean, environmentally friendly and efficient operation. We recommend a maintenance contract with a qualified heating contractor.
Regular maintenance required
- Keep collectors clean
- Check integrity of collector roof mounting hardware
- Check the thermal insulation of the pipes for positioning and damage and adjust if required
- Regularly check the pressure gage
- Compare the system operating pressure with the set value. If values are different, check the expansion tank (see page 7)
- Bleed air from air separator on Solar-Divicon.
- Have any leaks repaired immediately by a heating contractor
- After approximately six months the following functions should be tested:
- operating pressure
- smooth running of the pump(s)
- supply temperatures
- control functions
- Check freezing point and pH of the heat transfer medium annually
- After five years, the storage tank heat exchanger should be inspected
- For Vitocell 100 tanks, check and replace magnesium anode every two years
- Annually check the operation of the electric heating thermostat (CVSA only).
Refer to the Vitocell 100 Service Instructions.
Check Frost Protection Temperature of Heat Transfer Medium
Tyfocor HTL should be between 45-50% propylene glycol. See below or for more details, refer to the product MSDS information on Tyfocor.
CAUTION
- In areas with extremely cold climate conditions, where outside temperatures may drop below -31°F (-35°C), the use of Tyfocor-HTL is not recommended.
- Use a solar propylene glycol mixture with a higher concentration of glycol that provides the level of freeze protection required for the area of the collector installation.
- Never mix Tyfocor HTL with water or alternate heat transfer fluid.
- Failure to test frost protection temperature of solar fluid can lead to freezing and damage to collector.
Check the freezing point of Tyfocor HTL heat transfer medium with a Viessmann frost protection tester, or approved alternate refractometer.
Check pH of Heat Transfer Medium
The Tyfocor heat transfer medium supplied is a liquid based on 1.2 – propylene glycol with a frost protection limit of -31°F (-35°C). Below this temperature the fluid is no longer pumpable.
The heat transfer fluid can be damaged if exposed to long periods of stagnation. The pH level of the fluid is the indicator of the fluids suitability for continued use. The pH value should be in the range of 7.5 – 10. This must be tested annually.
If the pH value falls below 7.5, the heat transfer fluid must be drained, flushed and refilled with the new fluid.
CAUTION
Failure to test pH and replace solar fluid as required can lead to corrosion and fouling of collector circuit.
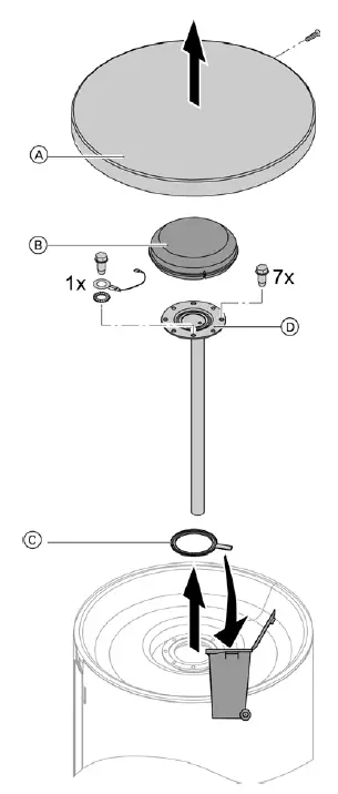
Inspection and Maintenance of the Solar Tank
It is recommended to do a visual inspection and (if necessary) cleaning no later than two years after the tank has been commissioned, and thereafter according to requirements.
Note: In addition, we recommend an annual visual inspection of the magnesium anode.
Testing the Anode Ground Current with an Anode Tester
- Remove cover A and flange insulation B.
- Pull ground cable C off tab D.
- Connect tester in series between ground cable C and tab D.
- The anode is OK if the current measures > 0.3
- If the current measures < 0.3 mA or if there is no current at all, the anode must be visually inspected.

Legend
- A Cover
- B Flange insulation
- C Ground cable
- D Tab
Cleaning the Inside of the DHW Tank
Legend
- A Cover
- B Flange insulation
- C Gasket
- D Flange cover
WARNING
Unchecked leakage of DHW or heating water can result in scalding and structural damage. Only open the DHW and heating water connections after the DHW tank has been depressurized.
- Disconnect power to solar control and electric element.
- Drain the DHW tank by opening the DCW drain valve or port. It is important to open a DHW faucet or open the PRV to allow air to enter the tank thus allowing for faster emptying of the tank.
IMPORTANT
Material losses may result from draining with a vacuum pump when the air vent valve is closed. Open the air vent valve during draining.
- Remove cover A, flange insulation B and flange cover D.
- Disconnect the DHW tank from the pipe work to prevent cleaning agents and contaminants entering the pipe system.
- Remove loose deposits with a high pressure cleaner.
- Use a chemical cleaning agent to remove hard deposits that cannot be removed with a high pressure cleaner.
- Fully drain any cleaning agent.
- Flush the DHW tank thoroughly after cleaning.
IMPORTANT
Cleaning agents containing hydrochloric acid attack the material of the DHW tank. Never use such cleaning agents.
WARNING
Cleaning agent residues can result in poisoning. Always observe the information provided by the cleaning agent manufacturer.
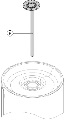
Checking the Magnesium Anode
Legend
- F Magnesium anode
Check magnesium anode F. If the magnesium anode has degraded to Ø 0.4-0.6 in. (Ø 10−15 mm), we recommend replacing it.
Note: Factory or new condition of the magnesium anode:
- Diameter is Ø 1.3 in. (Ø 33 mm)
- Length of magnesium rod 17.7 in. (450 mm)
- Overall length magnesium and bolt 18.9 in. (480 mm)
Replacing the Solar Control
- Remove thermal insulation towards the front.
- Remove the Solar Control by sliding it to the left.
- Open the control unit casing and disconnect the cables/leads.
- Flip over the control, remove the 4x mounting screws which hold the control to the thermal insulation.
- Install the new control unit in reverse order.
- Adjust the solar control to suit the respective pump.
Viessmann DeltaSol BX solar control installation and service instructions
Restarting the DHW Tank 
Legend
- A Cover
- B Flange insulation
- C Ground cable
- D Tab
- E Flange cover G Gasket
- Reconnect the DHW tank to the pipe work.
- Insert new gasket G under flange cover E.
- Mount flange cover E with earth cable C and tighten the screws with a maximum torque of 18.5 lb.ft 25 Nm.
- Push ground cable C onto tab D.
- Fill the DHW tank from the DCW side, then retighten flange cover E with a torque of 18.5 lb.ft (25 Nm).
- Mount flange insulation B and cover A.
- Vent the DHW tank and pipe system of entrapped air by opening the furthest DHW faucet from the tank. Let the DHW run until no more air is present. Close all faucets when finished.
Replacing the Electric Heating Element
WARNING
Replacement element must be replaced with Viessmann parts only. The replacement parts are to have the same voltage and wattage as listed on the model rating plate affixed to the solar water heater.
Heating element replacement
- Turn “off the electrical supply to the water heater.
- Shut off the water connections to the hot and the cold ports of the tank.
- Carefully drain the hot water from the tank by opening the DCW drain valve or port. It is important to open a DHW faucet or open the PRV to allow air to enter the tank thus allowing for faster emptying of the tank.
- Remove the center screw from the white protective cover and remove the cover from the tank jacket.
- Spread the tangs of the tapped mounting bracket outwards and remove from the tank mounting tabs.
- Remove the clear plastic electrical protection cover by lifting up on the arrow tab (located at the top of cover).
- Carefully remove the electrical wires from the electric element and move to the side, allowing for unobstructed access to the electric element.
- Using a 1.5” deep socket and a ratchet carefully break loose the electric element by rotating counter clockwise.
IMPORTANT
- Once loose, finish unscrewing the electric element by hand.
- Very carefully remove the element from the tank preventing damage to the interior glass lining.
- Screw the new electric element into the 1” NPSM tapped hole. Use suitable pipe sealant to ensure a leak free seal. Using a torque wrench and a 1.5” deep socket carefully tighten the electric element into place.
- Reassemble in reverse order (steps 4-7) once the replacement element has been installed.
- Fill the tank with potable water from the DCW side.
- Vent the DHW tank and pipe system of entraped air by opening the furthest DHW faucet from the tank.
- Let the DHW run until no more air is present. Close all faucets when finished.
- Turn “on” the power supply.
Fixed High Limit and Electric Heating Element Temperature Adjustment
Fixed High Limit
The high limit safety feature is factory set at 180°F5°F (82°C 3°C)
DHW Temperature Adjustment
- The factory preset DHW temperature is 120°F +5°F (49°C+3°C) at “HOT” indicator setting.
- The DHW temperature is field adjustable between 110°F to 160°F (43°C to 71°C
- The factory temperature differential (non-adjustable) is between 7°F to 17°F (4°C to 9°C).

CAUTION
For your safety DO NOT attempt to repair thermostat, heating element or electrical wiring (if applicable). Always refer such repairs to a qualified service technician.
Heating element temperature settings To adjust the temperature settings:
- Turn off the electrical power at the junction box of the water heater.
- Carefully take off the access panel.
- Turn the water temperature dial clockwise to increase the temperature, or counterclockwise to decrease the temperature.
| Thermostat Setting | Approx. DHW Temperature |
| ° | 110°F5°F (43.5°C3°C) |
| HOT | 120°F5°F (49.0°C3°C) |
| A | 130°F5°F (54.5°C3°C) |
| B | 140°F5°F (60.0°C3°C) |
| C | 150°F5°F (65.5°C3°C) |
| VERY HOT | 160°F5°F (71.0°C3°C) |
4. Carefully replace the access panel.
5. Turn “on” the power supply.
IMPORTANT
Each thermostat is factory preset at “HOT” or
120+5°F (49+3°C). This setting will reduce the risk of scald injury. This temperature setting has proven by experience to be the most satisfactory from the standpoint of operation costs, household needs and the ability to store solar generated heat.
Solar water heaters installed in Florida require the thermostat to be set at 125°F (52°C).
| Approx. Water Temperature | Time to produce 2nd and 3rd Degree burns on adult skin |
| 120°F (49.0°C) | more than 5 minutes |
| 125°F (51.5°C) | 1.5 to 2 minutes |
| 130°F (54.5°C) | about 30 seconds |
| 135°F (57.0°C) | about 10 seconds |
| 140°F (60.0°C) | less than 5 seconds |
| 150°F (65.5°C) | about 1.5 seconds |
| 160°F (71.0°C) | about 0.5 seconds |
| 170°F (76.5°C) | nearly instantaneous |
Replacing the Electric Heating Thermostat
CAUTION
For your safety DO NOT attempt to repair thermostat, heating element or electrical wiring (if applicable). Always refer such repairs to a qualified service technician.
WARNING
Replacement thermostat must be replaced with Viessmann parts only. The replacement parts are to have the same voltage and wattage as listed on the model rating plate affixed to the solar water heater.
Thermostat Assembly Components – Exploded View A Heating Element
- B Thermostat
- C Support bracket
- D Clear plastic electrical protection cover
- E Tapped mounting bracket
- F White protective cover
- G Center screw
IMPORTANT
Refer to the tank parts section of this manual before ordering replacement parts. Some of the system components can be purchased individually while others are part of an accessory package containing multiple items.
Heating thermostat replacement
- Turn “off the electrical supply to the water heater.
- Remove the center screw G from the white protective cover F and remove the cover from the tank jacket.
- Spread the tangs of the tapped mounting bracket E outwards and remove from the tank mounting tabs.
- Remove the clear plastic electrical protection cover D by lifting up on the arrow tab (located at the top of cover).
- Carefully remove all electrical wires from the thermostat B and move them to the side.
- Remove the thermostat by removing the support bracket C located at the bottom of the thermostat.
- Once the thermostat support bracket has been removed, the thermostat B can be removed by hand. Reassemble in the reverse order after the installation has been completed.
- Adjust the newly replaced thermostat temperature (see page 20).
- Turn “on” the power supply
Parts
Model No.SVK Collector
Serial No. 7508661
Parts for Main Enclosure Assembly
- 0001 Connection tee, long
- 0002 Connection tee, short with sensor well 0004 Compression connector, straight 0005 Clip for assembly kit, short
- 0006 Clip for assembly kit, long
- 0007 Installation plate
- 0008 Collector adaptor
- 0009 Lubricant 6 g
- 0010 Collector sensor, FKP6 (L=1.5 m)
- Other Parts (not illustrated)
- 0100 Technical literature set
- 0101 Installation instructions
- 0102 Operating and service instructions 0103 Parts list, Vitosol 200-F SVK
- 0106 Copper pipe adaptor, ¾†x 4â€
A Serial Number is located on side panel of Vitosol 200-F collector (not shown). For Storage Tank, Control and other accessories, please see separate Parts Lists.
Model No. CVBA Tank
Serial No. 7533403
Parts for DHW Storage Tank Assembly 0001 Top panel
- 0002 Insulation blanket II, top
- 0003 Anode flange with anode and gasket 0004 Flange with gasket
- 0005 Consumable anode, top
- 0006 Gasket
- 0007 Jacket, insulated (white)
- 0008 Jacket strip, outside
- 0009 Jacket clip, inside (set of 3)
- 0010 Sensor mounting hardware
- 0011 Leveling bolt (each)
- 0012 Nameplate Viessmann
- 0013 Nameplate Vitocell 100
- 0014 Adaptor set with gasket (NPT, set of 2)
- Other Parts (not illustrated)
- 0100 Technical literature set
- 0101 Installation instructions
- 0102 Operating and service instructions 0104 Parts list Vitocell 100-W CVBA
Model No. CVSA Tank
Serial No 7533402
Parts for DHW Storage Tank Assembly 0001 Top panel
- 0002 Insulation blanket II, top
- 0004 Anode flange with anode and gasket 0005 Flange with gasket
- 0006 Consumable anode, top
- 0007 Gasket
- 0008 Jacketry, insulated (white)
- 0009 Jacket strip, outside
- 0010 Jacket clip, inside (set of 3)
- 0011 Leveling bolt (each)
- 0012 Nameplate Viessmann
- 0013 Nameplate Vitocell 100
- 0014 Cover
- 0015 Accessory pack, mounting hardware 0016 Shield for 240V connections
- 0017 Thermostat
- 0018 Heating element 4500W, 240V
Other Parts (not illustrated)
- 0300 Installation Set *1
- 0400 Technical Literature Set
- 0402 Installation Instructions
- 0403 Operating and Service Instructions 0405 Parts List for Vitocell 100-W CVSA 0408 Warranty Sheet Vitocell 100
- *1 For Installation Set see separate Parts List

Model No. Serial No.
CVSA Tank 7533402
CVBA Tank 7533403
Parts for Solar-Divicon Assembly
- 0001 Accessory pack, mounting hardware
- 0002 Insulation case
- 0003 Gasket set, 1 (set of 5)
- 0004 U-pipe for solar supply
- 0005 Air bleed valve, G 1/2
- 0006 Accessory pack,compression rings (set of 2) 0007 Accessory pack, support bracket
- 0008 Circulation pump (Grundfos) VI 15-68 130 0009 Safety header assembly
- 0010 Flow meter (Oventrop) 2-14 L/min
- 0011 Ball valve, return
- 0012 Handle for ball valve, blue
- 0013 Pressure gage (psi)
- 0014 Gasket, 21 x 30 x 2 (each)
- 0015 O-ring, R 1/2 (set of 5)
- 0016 Solar elbow with sensor well (return)
- 0017 Strain relief
- 0018 DeltaSol BX controller
- 0019 Accessory pack, fasteners
- 0020 Harness for 120V pump
- 0021 Harness for 120V power, L=4500
- 0022 Adaptor cable for FKP6 sensor
- 0023 Immersion temperature sensor,
- FRP6 (L=2.5m)
Other Parts (not illustrated)
- 0024 Fuse, T4.0A/250V (set of 10)
- 0025 Collector temperature sensor, FKP6 (L=1.5m)

Specification
| Type | SVK | |
| Absorber area | ft2 (m2) | 21.6 (2.01) |
| Aperture area | ft2 (m2) | 21.7 (2.02) |
| Max. stagnation temperature | ºF (ºC) | 401 (205) |
| Permiss. operating pressure | psig (bar) | 87 (6) |
| Content, heat transfer medium | USG (L) | 0.34 (1.27) |
| Type | CVBA | CVSA |
| Tank capacity USG (L) | 66 (250) | 69 (260) |
| Standby heat loss*1 Btu/24h (kWh/24 h) qBS at 45 K temperature differential | 3036 (0.89) | 3036 (0.89) |
| Vaux (standby volume) L (USG) | 100 (26) | 110 (29) |
| Vsol (solar volume) L (USG) | 150 (40) | 150 (40) |
| Specification with 3-stage solar circuit pump | ||
| Grundfos solar circuit pump | 15–68 | |
| Rated voltage | V~ | 115 |
| Power consumption at | ||
| g Output stage I | W | 50 |
| g Output stage II | W | 62 |
| g Output stage III | W | 70 |
| Flow indicator | USG/min (L/min) | 0.52 to 4 (2 to 15) |
| Safety valve (solar) | bar (psig) | 6 (87) |
| Max. operating temperature | °F (°C) | 230 (120) |
| Max. operating pressure | bar (psig) | 6 (87) |

Commissioning/Service Reports
| Commissioning | Service | Service | |
| date: | |||
| by: |
| Service | Service | Service | |
| date: | |||
| by: |
| Service | Service | Service | |
| date: | |||
| by: |
| Service | Service | Service | |
| date: | |||
| by: |
| Service | Service | Service | |
| date: | |||
| by: |
Viessmann Manufacturing Company Inc. 750 McMurray Road Waterloo, Ontario N2V 2G5 Canada
Techlnfo Line 1-888-484-8643
1-800-387-7373 Fax (519) 885-0887
www.viessmann.[email protected]
Viessmann Manufacturing Company (U.S.) Inc. 45 Access Road Warwick, Rhode Island 02886 USA
Techinfo Line 1-888-484-8643
1-800-288-0667 Fax (401) 732-0590
www.viessmann-us.com [email protected]







Model No. CVSA Tank



















