airtouch ZoneTouch3 Touch Screen Zone Controller with App

Components

- Console
Users can input control commands from the console to turn on or off a group/zone. It is used to input all parameters. The color LCD displays clock, zone, WiFi, temperature and other statuses. - Main Control Module and Extension Module (optional)
Main control module (8 zones) and its optional extension module (extra 8 zones) control the position of the motorized damper of each zone. - Motorized Damper (Bright Green)
Motorized dampers drive the blade of the damper to adjust the air supply. - Cables
Cables with left latch or central latch plugs connect the main control module, extension module (if applicable), console, and motorized dampers together. - Power Supply
24VAC transformers provide power to the main and extension modules.
Configuration
OneTouch 3 System is a star architecture system that allows communications between ZoneTouch 3 main control module, extension module, WiFi router (to connect to smartphones), up to 16 zone dampers, and up to two consoles. Figure below shows the connection of devices such as the WiFi router, a console, and eight dampers to the main module.
Figure 1: ZoneTouch 3 Main Control Module connected to, WiFi router, Smartphone and 8 Dampers.
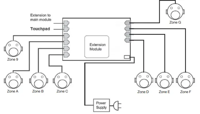
Eight motorized dampers can be connected to the main control module. Nine dampers and above (up to 16) will need the extension module. The wiring of the ZoneTouch 3 system is straightforward. A cable with central latched plugs connects a motorized damper to the relevant output port clearly marked on the main or extension module. The figure below shows the connection of eight dampers to the extension module.
Figure 2: ZoneTouch 3 with Extension module and 8 Zone ports
Main and extension modules can be in different locations and connected via a cable with left-latched plugs on both ends. The console is connected to the ‘T’ port on the main module. Up to two consoles can be joined in a system. One will be connected to the main module and the other to the extension module. The figure below shows the linking of the main module to the extension module, consoles, and smartphone.
NOTE: Install the console at least 20mm away from any other wall control to avoid potential interference.
Pre-Installation
Good planning leads to a successful zone system installation. Before installing and commissioning a zoning system, please complete the following listed tasks:
- Decide how many zones (dampers) are to be controlled in the system.
- Group zones according to customer’s requirements. Each group initially has one zone but can have up to a maximum of four zones (Example: There could be one or more zones going into a common area such as Kitchen/Dining or Family/Dining room). Work out the total group number (The maximum total group number in a system is 16).
NOTE: It is important to test all cables before installation. Testing all cables to be used before the start of the installation will save considerable diagnostic time if the fully installed system is subsequently found to have a problem. Cable testing is quick and easy with a Zonemaster Cable tester available from Polyaire.
Components Installation


- Mount the main and/or extension modules (if using more than 8 zones) by screwing the boxes to a roof frame or Polyaire Diffusion Fitting (PDF).
IMPORTANT: The modules should be kept away from hot places such as in between the sheet metal roof and the indoor unit where the extreme heat from the roof and indoor unit would affect the performance and life span of electronics used in the modules. - Remove the two side covers on the main module. All LEDs and sockets for zone dampers are exposed.
- If the extension module is used, connect the main module to the extension module at the ‘E/M’ port on both modules with a left latched cable.
- Use the pre-tested cable to connect the ‘Z1’ port on the main module to the motorized damper of the 1st zone.
- Repeat step 4.4 to connect other zone dampers to their relevant zone ports on the main and extension modules.
- Connect the console to the ‘T’ port on the main module. If two consoles are used, connect one to T on the main module and the other to the extension module.
- Connect the 24V AC transformer to the screw terminals on the main control module. If an extension module is used, connect another 24 VAC transformer to the screw terminals of the extension module.
- Replace the side covers back on the main control and extension module once finished setting and commissioning.
- Fit the Console to wall The plastic casing of the console consists of two halves. The front cover contains the PCB board along with the LCD/console. The back cover attaches to the wall as a mounting base. During the installation process the case will have to be opened to mount the console on the wall. Follow the steps below to carefully install the console to the wall:
- Slide the back base to bottom side to clear the stops on the front cover
- Remove the base from the front cover
- Position the back base on the wall where the cable is (about 1.5m high from the floor). Ensure it is away from any heat or cool source and mark the cable hole and screw holes.
Note: The correct back cover direction is marked on its surface; follow that mark when fixing the back cover. - Cut the rectangular hole for the cable and fix the back base to the wall by using four screws on the marked positions.

- Retrieve the console cable (from main control module) out of the cable hole and plug it into the console.

- Align the bottom edge of the back base with the bottom inside of the front cover and the two side edges of the back base with the front cover.

- Gently push the front cover against the wall and make sure the back of front cover is flush against the wall. And then push the front cover downwards with two figures holding the top side of the front cover where there are two slots till the two snap-ons click in.


Recommended Commissioning Procedure
There are two sets of settings, the installer’s and user’s. In the installer’s settings, the followings can be set: parameters, zone setting, spill/bypass, grouping and service. These settings are protected by a password which has default value Polyaire but can be changed. Touching Installer’s tab will bring up password input page. After inputting the correct password, installer’s setting page will come up. In the user’s settings which are discussed in User’s Manual, the following can be set: owner name, date/time, group name, WiFi, turbo group, touch tone, child lock and other user related settings.
Parameters
Total Groups in the System
For the purpose of group status display and spill zone calculation, the system needs to know the total number of groups to be installed. The factory default number is 8.
IMPORTANT: This number must be equal to the total group number used in the system as planned in the Pre-Installation process. If this is wrong, the system may not work properly.
Installer Settings Password
The password is used to prevent unauthorized changing of the installer settings. To reset this password, touch the password edit field in the ‘Parameter’ screen, and then type in the new password and touch the ‘Enter’ key to confirm the password change.
Damper RPM Setting
OneTouch 3 can work with other dampers which are not made by Polyaire. But the damper motors have to meet certain requirements:
Power supply: 24 VAC
Drive Open and Drive Close Revolution per Minute (RPM): 0.1 to 2.5
Damper Rotation Direction
If dampers move in the wrong direction while zones are being turned on and off, this setting will reverse the damper rotation direction and make sure the damper is closing or opening while the zone is being turned off or on respectively.
Touchpad Temp
The touchpad has a temperature sensor. When the screen is on, it will generate heat and the temperature sensor value may be higher than the room temperature. When the screen goes to sleep mode for a while, its temperature value may be close to real room temperature. In extremely rare cases, the temperature value might need calibration. If necessary, do it when the screen is not heated up and use an accurate reference temperature gauge. Input the correct value to match the reference gauge. If there are two consoles connected in the system, they will be automatically identified as touchpad 1 and 2 and their temperature can be displayed on its own screen.
Reset and Save current system settings
To record all system settings, press the Backup Settings button. If the main module has been replaced, the system can be recovered from this file. Press the Recover Saved Settings button to recover. After successful recovery, the system has to be powered off for at least 30 seconds and then powered back on to use the recovered settings. If the system needs to be reset to factory default settings in some cases, press Reset to Factory. All group names and settings will be back to original factory settings.
Zone Setting
A zone can be marked as Disabled if the port is faulty. Then it will not be used by any group. The group used this zone before can choose another good zone. Electronic balancing feature of ZoneTouch 3 offers the flexibility of balancing the amount of airflow to each zone electronically. Once the opening position of the damper is set, the damper will only open to this position. The default setting for each damper is 100% opening position and the adjustable range is between 5% and 100% with 5% increment. The zone settings can be conducted on the touch screen as below.
- On ‘Installers’ screen, touch Zones menu
- Touching the percentage value for the zone to bring up the value input dialog. Confirm the required value to start the balancing process. All zones will open to its balanced position. You can input proper value and check the airflow until the right value is reached.
- Repeat the process for all zones which need balancing. Then touch the Stop button to stop the balancing process.
- Mark the zone as Disabled if the zone port is faulty.
Note: The %OPEN value on the Zoning screen can be operated by the user for additional air flow adjustment to the groups. The overall opening % of the zone is calculated as %OPEN x Balance %.
Grouping Zones
For ease of control operation, multiple zones can be grouped together. The grouped zones are treated as one group with its own name and turned on or off together. Individual balanced damper position is not affected by grouping, which means zone balancing can be conducted before or after grouping.
Grouping can be carried out as follows:
- In ‘Installers’ screen, touch Grouping to enter ‘Grouping’ screen
- Touch the edit field of the group
- Then touch + or – button to add or minus zones to the group
- Repeat steps b) and c) to define all groups
- Press the Reset button if the grouping is corrupted
Note: If a zone is marked as Disabled, it cannot be used in a group, a good and available zone can be chosen instead.
Spill or Bypass
Spill or bypass mode is a safety feature of the ZoneTouch 3 system to prevent pressure from building up and causing duct damage. This usually occurs if someone has turned off all groups while the A/C unit is pumping air into the system leading to a pressure build-up (and potential of duct puncture, blow-offs or joints splitting). It is designed to automatically open dampers if someone attempts to shut down all dampers thus preventing pressure build up. Spill function opens the groups chosen as spill groups in the system when all groups are being closed. Bypass function opens the bypass damper which connects the supply duct to the return duct directly when all groups being closed. When choosing groups for spill, it is strongly recommended NOT to use bedrooms as spill groups. During sleep time ifthe air conditioner is on and spill groups are forced to open, the spill groups will be very cold or hot. There is no dedicated bypass port. Any unused zone ports can be assigned as bypass ports. The system will maintain the number of groups chosen as spill groups or bypass zones open at any time when AC is running. For instance, there will be at least two groups open if two groups are chosen for spill. The first group in the chosen spill group list will open first to spill. The opening percentage of the spill group or bypass zone will march the required percentage to maintain the 100 (one spill group or bypass zone), 200 (two spill groups or bypass zones) or 300 (three spill groups or bypass zones) total opening of all dampers in the system.

IMPORTANT: Choose at least one group as spill group unless there is a permanent open zone used as spill zone. Otherwise, there will be no spill group when all zones are closed and damage may be caused by high pressure building up inside ducts if air conditioner is running. The Bypass and Spill cannot be set at the same time.
Enabling/Disabling Service Reminder
There is a built-in service reminder in the system for half year, one year and two years to automatically display an alert notifying customers that the air conditioning system is due for service. Installers can also use this feature to leave their details such as their names and contact number. The service reminder will display ‘HALF YEAR SERVICE DUE’, ‘ONE YEAR SERVICE DUE’ or ‘TWO YEAR SERVICE DUE’ and installer’s name and contact number on console for the set number of days if it has been enabled for half year (182 days), one year (364) and two years (728 days) respectively since the air conditioning system has been commissioned or serviced. The Running days in the ‘Service’ screen will automatically reset to 1 after 728 days or can be manually changed. The Service Reminder is disabled by default but can be enabled as follows:
In the ‘Installer’ settings screen, touch Service to enter the ‘Service’ screen.
- Touch the service reminder option buttons to enable or disable the relevant reminders.
- Touch the edit field to change to the desired setting. The installer name and number can be entered by using a keyboard. Make sure to touch Enter to confirm the input. Touch the number and change Display and Running days via keyboard input.
Maximum length of the name is 10 characters and the phone number is 12 digits. Reminder information will be displayed on the screen when the service is due for the length of display days (5 days in the example). Touch the “close” button on the top right corner of the message box will clear the alert but the message box will come back when the screen wakes up from sleep next time. To not show the message box before the set display days, tick the Don’t Show Again box before closing the message box.
System Info
Touching System Info menu will show product model, Device ID, current hardware and software versions of the system. If there is a new version, there will be a red dot on the Quick menu of the homepage. Following the red dot and prompts will bring up the update button for updating.
Setting up Wi-Fi Connection
With WiFi connected to the home router which has internet access, ZoneTouch 3 will be able to update online. Go to WiFi Connection section in the quick access menu to connect the ZoneTouch 3 to the home router. The available WiFi networks will appear. Choose the correct one and key in the password to connect. After successful connection, the Wi-Fi logo will appear on the top status bar. ZoneTouch 3 from Apple Store or Google Play Store can be run from mobile devices if the mobile is connected to the same WiFi network as the ZoneTouch console. The connection will stay permanent till the setting changes on the home router such as SSID, password, security levels, filters and others. The connection will automatically resume after power off and on cycle.
If the WiFi is not required, it can be turned off by ticking Off option. In this case, the ZoneTouch 3 apps cannot be run and its online update is unavailable.
Testing Damper On/Off
- Switch on the air conditioner.
- Enter the home screen of ZoneTouch 3
- Touch the group buttons to turn groups on or off to check if the dampers are correctly connected by feeling the air at the outlet.
- The Turbo group can be tested by selecting the relevant chosen group as Turbo mode in the ‘Settings’ and then press the group button until active turbo mode is displayed on the screen for the Turbo group
Troubleshooting
| Problem | Suggested Action |
| Dampers have no response when turned on or off | Check if LEDs on the main module light up for relevant zones when the zone dampers are being turned On/Off. If Green/Red LEDs are not ON for the respective zone, the main module may be faulty, replace it. If there is response, there might be a faulty cable and the cable would have to be replaced. If the zone is still not functional then there might be a faulty damper motor. Check if the cable from touch-pad to the main control module is faulty. If it is a faulty cable, then replace the cable. Check Grouping and find out if the right zones have been assigned to the right groups and have been turned ON/OFF in Zoning section. |
| Some zones cannot be turned off | Check if ‘Spill’ status is displayed for the zone. Opening other zones will rectify the error *Check spill groups. |
| No display on the LCD | *Check if the cable is plugged in properly. Unplug the cable and reconnect it. *Check if there is power to the unit. |
| LCD Display Corrupted | Reset LCD by holding RESET button on the right side of the console for 2s. If error is still not resolved, reset console by unplugging the cable from behind and then reconnect it after about 15 seconds. If the corrupted display remains, replace the console. |
| WiFi symbol disappeared from the touchpad | After a power failure, ZoneTouch 3 will re-connect to home router and WiFi icon ( ) will be back on in 3 minutes from Power ON. Turn the wireless router OFF and turn it back ON. Wait for 3 minutes for the ZoneTouch 3 system to initialise. If WiFi icon ( ) does not appear, follow WiFi setup process to re-establish connection between home router and ZoneTouch 3. |
Liability and Disclaimer
All specifications and procedures are correct at time of publication, but are subject to change without notice. Please read the instructions before installing this Zone Control System. Polyaire Pty Ltd does not accept any responsibility for loss or damage that may occur as a result of the incorrect installation or operation of this AirTouch Control System.
Polyaire Pty Ltd
11-13 White Road
Gepps Cross South Australia, 5094
Tel: (08) 8349 8466 Fax: (08) 8349 8446
© Polyaire Pty Ltd 2021
























