AMERICAN SANDERS Compass Edger User Manual
WARNING
The Products sold with this Manual contain or may contain chemicals that are known to certain governments (such as the State of California, as identified in its Proposition 65 Regulatory Warning Law) to cause cancer, birth defects or other reproductive harm. In certain locations (including the State of California) purchasers of these Products that place them in service at an employment job site or a publicly accessible space are required by regulation to make certain notices, warnings or disclosures regarding the chemicals that are or may be contained in the Products at or about such work sites. It is the purchaser’s responsibility to know the content of, and to comply with, any laws and regulations relating to the use of these Products in such environments. The Manufacturer disclaims any responsibility to advise purchasers of any specific requirements that may be applicable to the use of the Products in such environments.
***This product is intended for commercial use only***
Operator Safety Instructions
In this Operation Manual you will find three statements that you must read and observe to ensure safe operation of this machine.
DANGER means: Severe bodily injury or death can occur to you or other personnel if the DANGER statements found on this machine or in this Operation Manual are ignored or are not adhered to. Read and observe all DANGER statements found in this Operation Manual and on your machine.
WARNING means: Injury can occur to you or to other personnel if the WARNING statements found on your machine or in the Operation Manual are ignored or are not adhered to. Read and observe all WARNING statements found in this Operation Manual and on your machine. CAUTION means: Damage can occur to the machine or to other property if the
CAUTION statements found on your machine or in this Operation Manual are ignored or are not adhered to. Read and observe all CAUTION statements found in this Operation Manual and on your machine.
DANGER
![]()
Failure to read the Owner’s Manual prior to operating or servicing your American Sanders machine could result in injury to you or to other personnel; damage to the machine or to other property could occur as well. You must have training in the operation of this machine before using it. If you or your operator(s) cannot read English, have this manual explained fully before attempting to operate this machine.
DANGER

A. Sanding/finishing wood floors can create an explosive or combustible environment. Do not operate this machine around solvents, thinners, alcohol, fuels, floor finishes, wood dust or any other flammable materials. Cigarette lighters, pilot lights, electrical sparks and all other sources of ignition should be extinguished or avoided. Keep work area well ventilated.
B. Dust generated from sanding wood floors can spontaneously ignite or explode. Promptly dispose of any sanding dust in a metal container clear of any combustibles. Do not dispose in a fire.
DANGER

A. Electrocution could occur if the machine is being serviced while the machine is connected to a power source. Disconnect the power supply before servicing.
B. Electrocution or fire could occur if the machine is being operated with a damaged power cord. Keep the power cord clear of the pad. Always lift the cord over the machine. Do not move the machine by the power cord.
C. Shock hazard. Do not use the machine if it has been rained on or sprayed with water.
DANGER

To avoid injury keep hands, feet, and loose clothing away from all moving parts on the machine. Disconnect the power cord before replacing the pad, changing the abrasive, or when servicing. Do not operate the machine unless all guards are in place. Never leave the machine unattended while connected to a power source.
WARNING

Injury can occur if protective clothing or equipment is not used while sanding. Always wear safety goggles, protective clothing, and dust mask while sanding.
WARNING

This sander is not to be used on pressure treated wood. Some pressure treated woods contain arsenic and sanding pressure treated wood produces hazardous dust. Inhaling hazardous dust from pressure treated wood can cause serious injury or death. Sanding pressure treated wood decks or uneven surfaces can damage the sander which is not covered under warranty or damage waiver.
WARNING: Any alterations or modifications of this machine could result in damage to the machine or injury to the operator or other bystanders. Alterations or modifications not authorized by the manufacturer voids any and all warranties and liabilities.
WARNING: Risk of explosion. Floor sanding can result in an explosive mixture of fine dust and air. Use floor sanding machine only in a well-ventilated area free from any flame or match.
General Power Tool Safety Warnings
WARNING: Read all safety warnings and instructions. Failure to follow warnings and instructions may result in electric shock, fire and or serious injury. Save all warnings and instructions for future use. The term ‘’power tool” in the warnings refers to your main-operated (corded) power tool or battery operated (cordless) power tool.
- Work area safety
a) Keep work area clean and well lit. Cluttered or dark areas invite accidents.
b) Do not operate power tools in explosive atmospheres, such as in the presence of flammable liquids, gases or dust. Power tools create sparks which may ignite the dust or fumes.
c) Keep children and bystanders away while operating a power tool. Distractions can cause you to lose control. - Electrical safety
a) Power tool plugs must match the outlet. Never modify the plug in any way. Do not use any adapter plugs with earthed (grounded) power tools. Unmodified plugs and matching outlets will reduce risk of electric shock.
b) Avoid body contact with earthed or grounded surfaces, such as pipes, radiators, ranges and refrigerators. There is an increased risk of electric shock if your body is earthed or grounded.
c) Do not expose power tools to rain or wet conditions. Water entering a power tool will increase the risk of electric shock.
d) Do not abuse the cord. Never use the cord for carrying, pulling or unplugging the power tool. Keep cord away from heat, oil, sharp edges or moving parts. Damaged or entangled cords increase the risk of electric shock.
e) When operating a power tool outdoors, use an extension cord suitable for outdoor use. Use of a cord suitable for outdoor use reduces the risk of electric shock.
f) If operating a power tool in a damp location is unavoidable, use a RESIDUAL CURRENT DEVICE (RCD) protected supply. Use of an RCD reduces the risk of electric shock.
NOTE: The term “RESIDUAL CURRENT DEVICE (RCD)” may be replaced by the term “ground fault circuit interrupter (GFCI)”or “earth leakage circuit breaker (ELCB)”.
g) It is recommendation that the tool always be supplied via a residual current device with a rated residual current of 30mA or less. - Personal Safety
a) Stay alert, watch what you are doing and use common sense when operating a power tool. Do not use a power tool while you are tired or under the influence of drugs, alcohol or medication. A moment of inattention while operating power tools may result in serious personal injury.
b) Use personal protective equipment. Always wear eye protection. Protective equipment such as a dust mask, non-skid safety shoes, hard hat or hearing protection used for appropriate conditions will reduce personal injuries.
c) Prevent unintentional starting. Ensure the switch is in the off-position before connecting to power source and/or BATTERY pack, picking up or carrying the tool. Carrying power tools with your finger on the switch orenergizing power tools that have the switch on invites accidents.
d) Remove any adjusting key or wrench before turning the power tool on. A wrench or a key left attached to a rotating part of the power tool may result in personal injury.
e) Do not overreach. Keep proper footing and balance at all times. This enables better control of the power tool in unexpected situations.
f) Dress properly. Do not wear loose clothing or jewelry. Keep your hair and clothing away from moving parts. Loose clothes, jewelry or long hair can be caught in moving parts.
g) If devices are provided for the connection of dust extraction and collection facilities, ensure these are connected and properly used. Use of dust collection can reduce dust-related hazards.
h) Do not let familiarity gained from frequent use of tools allow you to become complacent and ignore tool safety principles. A careless action can cause severe injury within a fraction of a second. - Power tool use and care
a) Do not force the power tool. Use the correct power tool for your application. The correct power tool will do the job better and safer at the rate for which it was designed.
b) Do not use the power tool if the switch does not turn it on and off. Any power tool that cannot be controlled with the switch is dangerous and must be repaired.
c) Disconnect the plug from the power source and/or remove the BATTERY pack, if detachable, from the power tool before making any adjustments, changing accessories, or storing power tools. Such preventive safety measures reduce the risk of starting the power tool accidentally.
d) Store idle power tools out of the reach of children and do not allow persons unfamiliar with the power tool or these instructions to operate the power tool. Power tools are dangerous in the hands of untrained users.
e) Maintain power tools and accessories. Check for misalignment or binding of moving parts, breakage of parts and any other condition that may affect the power tool’s operation. If damaged, have the power tool repaired before use. Many accidents are caused by poorly maintained power tools.
f) Keep cutting tools sharp and clean. Properly maintained cutting tools with sharp cutting edges are less likely to bind and are easier to control.
g) Use the power tool, accessories and tool bits etc. in accordance with these instructions, taking into account the working conditions and the work to be performed. Use of the power tool for operations different from those intended could result in a hazardous situation.
h) Keep handles and grasping surfaces dry, clean and free from oil and grease. Slippery handles and grasping surfaces do not allow for safe handling and control of the tool in unexpected situations.
i) Operating a tool that is not completely of fully assembled could result in injury or property damage. Do not operate this tool until it is completely assembled. Keep all fasteners tight. Keep adjustments per tool’s specifications - Service
a) Have your power tool serviced by a qualified repair person using only identical replacement parts. This will ensure that the safety of the power tool is maintained.
b) If the supply cord is damaged, it must be replaced by the manufacturer, its service agent or similarly qualified persons in order to avoid a hazard.
Safety Warnings for Sanding Operations
- This power tool is intended to function as a sander. Read all safety warnings, instructions and specifications provided with this power tool. Failure to follow all instructions listed below may result in electric shock, fire, or personal injury.
- Operations such as grinding, wire brushing, polishing or cutting-off, are not recommended to be performed with this power tool. Operations for which the tool was not designed may create a hazard and cause personal injury.
- Do not convert this power tool to operate in a way which is not specifically designed and specified by the tool manufacturer. Such a conversion may result in a loss of control and cause serious personal injury.
- Do not use accessories which are not specifically designed and recommended by the tool manufacturer. Just because the accessory can be attached to your power tool, it does not assure safe operation.
- The rated speed of the accessory must be at least equal to the maximum speed marked on the power tool. Accessories running faster than their rated speed can break and fly apart.
- The outside diameter and thickness of your accessory must be within the capacity rating of your power tool. Incorrectly sized accessories cannot be adequately guard or controlled.
- Do not use a damaged accessory. Before each use inspect the accessory such as abrasive wheel for chips or cracks, backing pad for cracks, tear or excess wear, wire brush for loose or cracked wires. If power tool or accessory is dropped, inspect for damage or install an undamaged accessory. After inspecting or installing an accessory, position yourself or bystanders away from the plane of the rotating accessory and run the power tool at maximum no-load speed for one minute. Damaged accessories will normally break apart during this time.
- Wear personal protective equipment. Depending on application, use face shield, safety goggles or safety glasses. As appropriate, wear dust mask, hearing protectors, gloves and workshop apron capable of stopping small abrasive or work piece fragments. The eye protection must be capable of stopping flying 5 debris generated by various applications. The dust mask or respirator must be capable of filtrating particles generated by the particular application. Prolonged exposure to high intensity noise may cause hearing loss.
- Keep bystanders a safe distance away from work area. Anyone entering the work area must wear personal protective equipment. Fragments of work piece or a broken accessory mayfly away and cause injury beyond immediate area of operation.
- Position the cord clear of the spinning accessory. If you loose control, the cord may be cut or snagged and your arm or hand may be pulled into the spinning accessory.
- Never lay the power tool down until the accessory has come to a complete stop. The spinning accessory may grab the surface and pull the power tool out of your control.
- Do not run the power tool while carrying it at your side. Accidental contact with the spinning accessory could snag your clothing, pulling the accessory into your body.
- Regularly clean the power tools air vents. The motor’s fan will draw the dust inside the housing and excessive accumulation may cause electrical hazards.
- Do not operate the power tool near flammable materials. Sparks could ignite these materials.
- Do not use accessories that require liquid coolants. Using water or other liquid coolants may result in electrocution or shock.
- Use proper sized sanding disc paper. Follow manufacturers recommendations, when selecting sanding paper. Larger sanding paper extending too far beyond the sanding pad presents a laceration hazard and may cause snagging, tearing of the disc or kickback.
- The arbor size of wheels, flanges, backing pads or any other accessory must fit the spindle of the power tool. Accessories with arbor holes that do not match the mounting hardware of the power tool will run out of balance, vibrate excessively and may cause loss of control.
- Risk of explosion. Floor sanding can result in an explosive mixture of fine dust and air. Use floor sanding machine only in a well-ventilated area free from any flame or match.
Kickback and Related Warnings
Kickback is a sudden reaction to a pinched or snagged rotating wheel, backing pad, brush or any other accessory. Pinching or snagging causes rapid stalling of the rotating backing pad which in turn causes uncontrolled power tool to be forced in the opposite direction of the backing pad’s rotation at the point of the binding. For example, if an abrasive wheel is snagged or pinched by the work piece, the edge of the wheel that is entering into the pinch point can dig into the surface of the material causing the wheel to climb out or kick out. The wheel may either jump toward or away from the operator, depending on direction of the wheel’s movement at the point of pinching. Abrasive wheels may also break under these conditions. Kickback is the result of power tool misuse and incorrect operating procedures or conditions and can be avoided by taking proper precautions as given below.
- Maintain a firm grip on the power tool and position your body and arms to allow you to resist kickback forces. Always use auxiliary handles, if provided for maximum control over kickback or torque reactions during start up. The operator can control torque reactions or kickback forces, if proper precautions are taken.
- Never place your hand near the rotating accessory. Accessory may kickback over your hand.
- Do not position your body in the area where power tool will move if kickback occurs. Kickback will propel the tool in the direction opposite to the wheel’s movement at the point of the snagging.
- Use special care when working corners, sharp edges etc. Avoid bouncing and snagging the accessory. Corners, sharp edges or bouncing have a tendency to snag the rotating accessory and cause loss of control or kickback.
- Do not attach a saw chain woodcarving blade, segmented diamond wheel with a peripheral gap greater than 10 mm or toothed saw blade. Such blades create frequent kickback and loss of control.
Additional Rules For Safe Operation
- Empty the dust bag or dust collection receiver frequently. Do not leave residue in dust bag or dust collection receiver unattended. Always empty in a noncombustible metal container. Sanding wood or varnish produces dust that can self ignite and cause injury or damage. Follow this precaution for storage.
- Set all exposed nails. Sweep loose abrasive away from work area. Do not strike metal pipes, ect., with sanding paper. Striking metal or abrasive particles with sanding paper produces sparks that could ignite the sanding dust which can cause injury or damage.
- Do not operate a partially assemble power tool. Keep all adjustments within manufacturer’s specifications. Keep all fasteners tight. Operating a partially assembled power tool could result in injury to the operator or bystander and could cause damage to the equipment or surroundings.
- Do not attempt to change the sanding paper while the power tool is running. The sanding pad can snag clothing and cause injury to limbs and moving sanding paper can cause abrasions.
- The power tool should only be used on an electrical system (mains) that is rated for the electrical requirements of the power tool as shown on the nameplate. Use only on an earthing (grounded) system. Do not service the power tool if it is energized or connected to an electrical circuit. Improper use could cause fire or electric shock.
Introduction
KNOW YOUR MACHINE
- ON/OFF Switch
- Start Button
- Power Cord Receptacle
- 1-1/2” VAC Connection
- Operation Handles
- Head Index Latch
- LED Work Light
- Sanding Disk
- Guide Wheel
- Edging Caster Attachment
- Brush Holders
| Model | 07 35 | 07 35B |
| Electrical Rating | 115 V, 5.5 A,60 Hz | 30 V, 3.5 A,50 Hz |
| Storage Case | Standard | Standard |
| Motor | .50Hp | .50 Hp |
| Abrasive Size | Dia. Disc | 5″Dia. Disc |
| Disc Rate | 3900 rpm | 3900 rpm |
| Disc Driver System | Belt Driven | Belt Driven |
| Power Cable | 14-3 Gray | 1.0mm2 HO5vv-f |
| Dust Collection | External Vac. | External Vac. |
| Dust Control Rate | Vac. Dependent | Vac. Dependent |
Electrical Connection Instructions
Extension Cords (120V)
Use only an approved extension cord with three conductors, a plug with three terminals, and a connector body with three holes.
WARNING: If you use an extension cord, use an extension cord with minimum wire size 12 AWG. Do not use an extension cord longer than 50 feet. Do not join two extension cords.
Extension Cords (230V)
Use only an approved extension cord with two main conductors and one earthing conductor.
WARNING: If you use an extension cord, use an extension cord with minimum wire size 1.50 mm2. Do not use an extension cord longer than 15 meters. Do not join two extension cords.
WARNING: Do not cut, remove, or break the ground terminal. Do not try to fit a three-terminal plug into a receptacle or connector body that does not fit the plug. If the receptacle or connector body does not fit the plug, see your Authorized person to make the connection.
Electrical Connection Instructions (120V)
Instructions for connection to the power supply and the electrical ground.
This product must be grounded. If it should malfunction or breakdown, grounding provides a path of least resistance for electric current to reduce the risk of electrical shock. This product is equipped with a cord having an equipment-grounding conductor and grounding plug. The plug must be inserted into an appropriate outlet that is properly installed and grounded in accordance with all local codes and ordinances.
WARNING: Improper connection of the equipment-grounding conductor can result in a risk of electric shock. Check with qualified electrician or service person if you are in doubt as to whether the outlet is properly grounded. Do not modify the plug provided with the product – if it will not fit the outlet, have a proper outlet installed by a qualified electrician.
This product is for use on a nominal 120 volt circuit and has a grounding attachment plug that looks like the plug illustrated in figure 2. Make sure that the product is connected to an outlet having the same configuration as the plug. No adapter should be used with this product. Always connect the machine to a dedicated 20 amp electrical line to prevent nuisance breaker tripping and line overload due to other devices.
WARNING: To prevent possible electric shock, protect the machine from rain. Keep the machine in a dry building.
WARNING: To prevent possible electric shock, always use a 3-wire electrical system connected to the electrical ground. For maximum protection against electrical shock, use a circuit that is protected by a ground fault circuit interrupter. Consult your electrical contractor.
WARNING: Do not cut, remove or break the ground pin. If the outlet does not fit the plug, consult your electrical contractor.
WARNING: Have worn, cut or damaged cords replaced by an authorized service person
Electrical Connection Instructions (230V)
CAUTION: This machine will operate only on the AC frequency and electrical voltage shown on the nameplate. Make sure you have the correct frequency and voltage before connecting the power cord to an outlet.
This machine must be connected to the electrical ground to protect the operator from electric shock. The machine has a power cord with two main conductors and one earthing conductor. Connect the plug to the type of receptacle shown in figure 3. The green and yellow conductor cord is the ground wire. Never connect this wire to any terminal other than the ground terminal.
WARNING: Always use this machine with an AC three- conductor electrical system connected to the electrical ground. Replace any worn, cut, or damaged cords. Replace any damaged plugs, receptacles, or connector bodies. Do not move the machine over an electrical cord. Always lift the cord over the machine.
Machine Setup
This sanding machine is designed to be operated with a 1-1/2” remote vacuum dust collection system.
Preparing Remote Vacuum Dust Collection Systems
To prepare the machine for remote vacuum dust collection system that have a 1 1/2” hose end, follow this procedure:
- Install supplied 1-1/2” hose swivel cuff (Figure 4) by screwing cuff CCW onto hose.
- Push swivel cuff onto base using a twisting motion (Figure 4).

NOTE: Start the remote vacuum collection system before operation.
Preparing the Machine for Operation
- Familiarize yourself with machine. Read all danger, warning, and caution statements and the Owner’s Manual before operating this machine.
- The machine will only accept hook and loop abrasive discs. When installinga brasive disc, take care to center disc on driver (Figure 5).

- Edging Caster Attachment should be used for edging only. For Stair sanding – remove Edging Caster Attachment with one quick backwards tap on the caster attachment (Figure 6).
- NOTE: To avoid damaging the hook surface on the driver when sanding thick paint, varnish, or wax, it is recommended you stack two discs on the driver using a course, open coat abrasive.
Operating Instructions
- Move machine to the location of your work. Set any exposed nails with hammer and punch to avoid encounter with abrasive.
- Adjust angle by rotating Head Index Latch upward (Figure 7). Position handle in desired location (180 Degrees total rotation).
- Make sure the control switch is in the “OFF” position then connect the power cable to an appropriately grounded fused circuit. Connect the power cable to the Power Cord Receptacle (Figure 1).
- With the machine in the reclined position move the ON/OFF switch to the “ON” position (Figure 1).
- Energize the Sanding Disc by pressing and releasing the red start button.
- Stop the machine by switching the ON/OFF Switch to OFF. 7. Gradually lower pad to surface intended for sanding. Make sure the machine is in motion while the pad is engaged with the surface to be sanded. It is advisable to not add effort to the pad as this may lead to “nosing in” or “tipping” which produces grooves or lines on the surface.
- When replacing abrasive, emptying the contents of the dust bag, or when sanding operation is completed, return machine to reclined position, flip ON/OFF switch to “OFF” then disconnect the power cable from the Power Cord Receptacle.
- Empty remote vacuum dust bag whenever it becomes 1/3 full.

Adjustment Procedures
Leveling
This machine can be leveled without tools. Grasp the adjusting screw, “A”, and loosen the lock nut, “B”. (F Leveling This machine can be leveled without tools. Grasp the adjusting screw, “A”, and loosen the lock nut, “B”. (Figure 8).
Condition – Pad creates ridges on both edges or a “hop” is experienced: Rotate both adjusting screws equal amounts clockwise. Tighten locknuts and test on a piece of plywood. Repeat procedure until condition is corrected. We recommend you not exceed 1/8” rotation for each attempt.
Condition – Pad creates a ridge on the tip of the pad: Rotate bothadjusting screws counter clockwise, tighten locknuts and test. Repeat procedure until condition is corrected. Use only 1/8 rotation for each attempt.
Condition – Pad creates a ridge on only one side of the pad: Eitherrotate the adjusting screw of the side effected clockwise or rotate the adjusting screw opposite counterclockwise, depending on whether the ridge terminates beyond the tip of the pad or prior to it. If it is prior to the tip, adjust the side affected, otherwise adjust the opposite side.
DANGER: Failure to disconnect the power cable from machine whenever servicing, replacing abrasive, or emptying the dust bag could result in electrocution or severe injury. Never leave machine unattended while the power cable is connected.
DANGER: Never leave dust bag unattended with sanding dust in it. Sanding dust can spontaneously ignite and cause a fire or explosion. Empty dust bag into a metal container, clear of any combustibles. Do not empty dust bag contents into a fire. Do not overfill dust bag.
Routine Maintenance
CAUTION: Failure to perform maintenance at recommended intervals may void warranty.
Carbon Brushes
Have the carbon brushes replaced at least every 500 hours and more frequently under heavy use.
Bearings
To insure reliable performance, have armature and pad driver bearings inspected for wear or damage after every 1500 hours. If used heavily, have the bearings replaced seasonally.
Belt
The belt should be inspected every 500 hours. Replace if there are cracks or signs of wear.
CAUTION: Maintenance and repairs performed by unauthorized personnel could result in damage or injury. Maintenance and repairs performed by unauthorized personnel will void your warranty. Failure to perform maintenance at recommended intervals may void warranty
Maintenance
Carbon Brushes
Inspect both brushes every 6 months or 250 hours. Access to the brushes is gained through the front and back brush caps (figure 9). Turn cap CCW using a flat screw driver until cap is free of housing. If any brush has worn to 3/8” in length or shorter, replace the entire set.
CAUTION: Use only motor brush PN PR007500 or motor failure will occur. When replacing the brushes make sure the machine is unplugged from power source, the brush seats against the commutator, the spring rests in the recess of the brush holder, and the brush is free to travel. When returning the Brush Cap, keep any wires clear of the commutator and any pinch site.
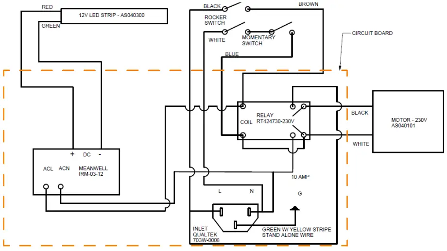
Wiring Diagram
07235A (115V-60Hz)
07235B (230V-50Hz)
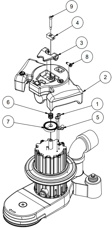
Parts List
| ITEM | QTY | PART NUMBER | DESCRIPTION |
| 1 | 1 | 87701A | 5/16 – 18 x 5/8, BHCS |
| 2 | 5 | 962027 | SCREW, 8-32 X 1/2, PAN HD |
| 3 | 4 | 962822 | SCR 1/4-20 X 5/8 BT ST SOC |
| 4 | 1 | AS003501 | PAD, FOAM, 5″ |
| 5 | 1 | AS038101 | ASSY, BASE, STAIR SANDER |
| 6 | 1 | AS038600 | SHAFT, DRIVEN, STAIR SANDER |
| 7 | 1 | AS039400 | PULLEY, ASSEM, 5″ STAIR |
| 8 | 1 | AS039700 | PULLEY, POLY V DRIVE, .9″ |
| 9 | 1 | AS039800 | BELT, POLY-V, 3 PJ 486 SJ139T |
| 10 | 1 | AS040300 | LIGHT, LED STRIP, 8″ |
| 11 | 1 | AS040900 | GROMMET, 1/2 ID HEYCO G1153 |
| 12 | 1 | AS041000 | COVER, STAIR SANDER |
| 13 | 1 | AS042700 | CUFF, 1-1/2″, SWIVEL |
| 14 | 1 | AS043100 | LENS, LED |
| 15 | 1 | AS059600 | PLATE, COMPASS SLIDE |
| 16 | 1 | AS087500 | ASSY., COMPASS CASTER BRACKET |
| 17 | 1 | AS089800 | DISC, METAL, 5″ SANDING |
| 18 | 4 | NB3350 | WASHER, FLAT, 1/4″, CZ |
| 19 | 1 | NB9267 | WASHER, FLAT, 5/16″ |
| 20 | 4 | NB9645 | WASHER, FLAT, #10 |
| 21 | 4 | NB033300 | SCREW, BH, 10-24 X 7/8 |
| 22 | 6 | NB080800 | SCR 10-24X 3/8 SF ST CAP |
| 23A | 1 | AS040100 | MOTOR, 115V |
| 23B | 1 | AS040101 | MOTOR, 230V |
| 24 | 1 | Sanding Disc |
LOWER COMPONENTS

UPPER COMPONENTS

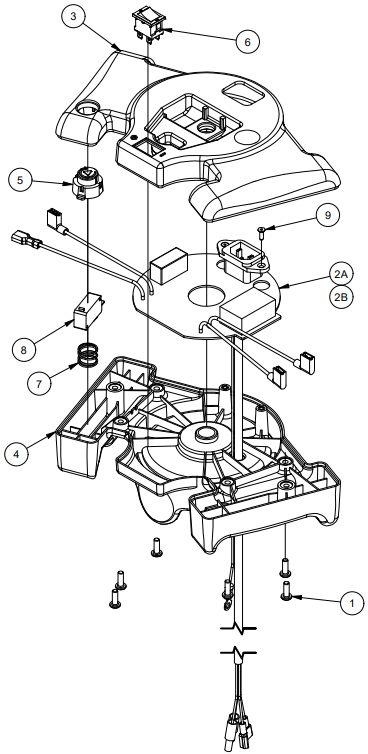
| Parts List | |||
| ITEM | QTY | PART NUMBER | DESCRIPTION |
| 1 | 2 | 962016 | SCR 10-24 X 1/2 RD ST MACH |
| 2 | 1 | AS038800 | HANDLE ASSEMBLY |
| 3 | 1 | AS039100 | HANDLE, RELEASE |
| 4 | 1 | AS040600 | BLOCK, PIVOT, STAIR SANDER |
| 5 | 1 | AS058000 | CLAMP, STRAIN RELIEF, 1/4″ |
| 6 | 1 | AS090100 | SPRING, COMP. .5L, .6OD,.045W |
| 7 | 1 | AS091200 | CLUTCH, INDEX COMPASS |
| 8 | 2 | NB075200 | 1/4X1/2X#10-24 SHORT-THREAD SS |
| 9 | 1 | NB080700 | SCREW SH 1/4 X 1-1/4 X 10-24 |
HOUSING ASSEMBLY

| ITEM | QTY | PART | DESCRIPTION |
| NUMBER | |||
| 1 | 1 | 77094A | LABEL, GROUND SYMBOL |
| 2 | 1 | 962289 | SCREW, 1/4-20 X 3/4 SOCKET HD |
| 3 | 1 | AS006900 | DECAL, “CONSULT OPER. MANUAL” |
| 4 | 1 | AS038000 | COVER, MOTOR |
| 5 | 2 | AS038500 | WHEEL, GUIDE, STAIR SANDER |
| 6 | 1 | AS038800 | ASSEMBLY, COMPASS HANDLE |
| 7 | 1 | AS039000 | WLDMT, PLATE, HANDLE ADAPTOR |
| 8 | 1 | AS039300 | TREAD, GUIDE, WHEEL |
| 9 | 2 | AS041700 | RING, RETAINING, 4.06 SHAFT |
| 10 | 1 | LB063800 | LOGO, AMERICAN SANDERS 1.5″ |
| 11 | 0.50 in | MP139800_D | EDGING, WEAR, SKIRT, STEEL |
| 12 | 2 | NB6035 | TIE, NYLON, 1/8″ X 4″, BLK |
| 13 | 4 | NB082600 | SCREW, 8-32 X 1/2 FLAT, TORX, T15 |
| 14 | 1 | SN014800 | LABEL, 07235A COMPASS |
| 15 | 1 | SN014801 | LABEL, 07235B COMPASS |
HANDLE ASSEMBLY

| ITEM | QTY | PART NUMBER | DESCRIPTION |
| 1 | 6 | 962027 | SCREW, 8-32 X 1/2, PAN HD |
| 2A | 1 | AS042800 | BOARD, ASM, MAIN CIRCUIT, 115V |
| 2B | 1 | AS042801 | BOARD, ASM, MAIN CIRCUIT, 230V |
| 3 | 1 | AS087201 | ASSY. HANDLE, COMPASS, UPPER |
| 4 | 1 | AS087301 | ASSY., HANDLE, COMPASS, LOWER |
| 5 | 1 | AS087400 | BUTTON, COMPASS START |
| 6 | 1 | AS090000 | SWITCH, ROCKER, DPST |
| 7 | 1 | AS090100 | SPRING, COMP. .5L, .6OD,.045W |
| 8 | 1 | AS090300 | SWITCH, MICRO, V7-1C27E9 |
| 9 | 2 | NB075500 | SCREW, #4 X 3/8 SC FH |
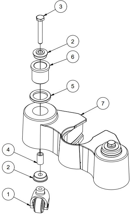
CASTER ASSEMBLY

| ITEM | QTY | PART NUMBER | DESCRIPTION |
| 6 | 2 | 960130 | SCREW, SWIVEL, CASTER |
| 1 | 2 | 10212A | WHEEL & YOKE ASM. |
| 4 | 2 | 298215 | COLLAR, SPACING |
| 2 | 4 | 50740A | BEARING, BALL, 1/4 X 3/4, SHIELD |
| 3 | 2 | 85702A | SCR 1/4-20 X 1 3/4 HX ST CAP |
| 5 | 2 | 920670 | NUT, LOCK, ADJUST |
| 7 | 1 | AS087500 | BRACKET, COMPASS CASTER |

Limited Warranty
TO QUALIFY FOR THIS WARRANTY 1) Machine must be registered within 30 days from the time of purchase on a form provided by American Sanders. Your American Sanders Distributor is responsible for the registration of your machine. Please cooperate with your Distributor in supplying necessary information on the card.
- The machine must have been purchased from American Sanders or an authorized American Sanders Distributor.
- This warranty extends to the original purchaser only and is not transferable to subsequent owners




















