Diamond AP75M-1B Wall Hung Cooling Machine User Manual
General Information
General Information
This Use and Maintenance Handbook is an integral part of the BLOCKSYSTEM (identified, in this document, with the term MACHINE) manufactured by for this reason, it must accompany the MACHINE if transferred to a new user or owner. This handbook must be carefully stored and protected from any agents which could cause its deterioration, for the entire lifecycle of the machine.
This handbook was drafted for the purpose of providing operators and technicians responsible for the maintenance of the machine with the essential information and instructions to correctly operate the machine in safe conditions.
ATTENTION: Please keep this manual in a safe and accessible place for use as an immediate reference by any operator or engineer.
This handbook contains all the data and information necessary for preliminary training of staff responsible for managing the MACHINE correctly; for this purpose, its use is compulsory.
DANGER: for clarity, some illustrations in this handbook show the machine or its components when opened or dismantled; it is however forbidden to use the machine in such conditions.
Even though all the attention notes and warnings for correct use of the MACHINE by the operators have been highlighted or to enable staff responsible for maintenance to intervene correctly, this handbook assumes that, in the environments in which the MACHINE is installed, all norms in force are complied with in relation to safety and hygiene in the workplace matters and that staff responsible for operation and maintenance have a level of training that allows them to correctly interpret the information reported.
NOTE: the user can request a copy of this document (for example, in case of damage to the original document) by making a written request to the Manufacturer’s Technical Office (see Paragraph 1.6.1 – Request for Support in this chapter), making a commitment, in any case, to replace the damaged copy.
Property of information
This Use and Maintenance Handbook contains confidential information. All rights reserved. This handbook cannot be reproduced or photocopied, all or in part, without the prior, written consent of the manufacturer. Use of this documentation material is only permitted to the client to whom the handbook was provided with the machine and only for purposes of installation, use and maintenance of the machine to which the handbook refers.
The manufacturer declares that the information contained in this handbook complies with the technical and safety specifications of the machine to which the handbook refers. The drawings, diagrams and technical data reported are updated on the date of publication of this document and are exclusively valid for the machine to which they are attached.
The manufacturer reserves the right to make changes or improvements without prior notice to this documentation material.
The manufacturer does not assume any responsibility for direct or indirect damage to persons, property or domestic animals as a result of use of this documentation material or the machine in conditions other than those planned.
Contents of the Use and Maintenance Handbook
This Maintenance Handbook is for use by operators and technicians to allow them to understand and correctly use the MACHINE. This handbook, in fact, other than a functional description of the MACHINE and its main parts, also contains the instructions and indications to:
- transport and install the MACHINE correctly;
- correctly use the MACHINE;
- conduct correct cleaning, regulation and maintenance of the MACHINE;
- pay attention to the fundamental safety and accident prevention regulations.
The aforementioned staff will therefore have the chance to understand the potential of the MACHINE and the problems that may arise during its management.
It is necessary to carefully read all the chapters to understand the instructions provided in this handbook and to operate the MACHINE; for subsequent, easy searches of the contents, refer to Table 1, containing a description of the topics covered in the chapters
| CHAPTER | CONTENTS | RECIPIENTS |
| Chapter 1 General Information | Description of this use and maintenance handbook, of its layout and the conventions used;definition of the terms used;definition of the relationship between the manufactures and the purchaser/user (in terms of the warranty and support conditions). | All staff using the MACHINE. |
| Chapter 2Machine description | Description of the MACHINE and its functioning. | All staff using the MACHINE. |
| Chapter 3 Safety and TechnicalData | Presentation of general indications for the MACHINE, on the solutions implemented to protect operator staff, on generic warnings to comply with to correctly, use the machine and the residual risks present during the phases of the life cycle of the MACHINE;presentation of the main technical data concerning the MACHINE. | All staff using the MACHINE (in particular, the mechanic and electric maintenance workers and the personnel appointed to its handling). |
| Chapter 4 Transportation and Installation | Description of the lifting and transportation modes of the MACHINE; description of the modes of connection to the power supply and of the appliances; description of the storage modes of the MACHINE. | All staff using the machine (in particular the mechanic and electric maintenance workers, the technicians of the Producer, and the personnel appointed to handling.) |
| Chapter 5Machine use | Description of the procedures to follow in order to use the MACHINE. | All staff using the MACHINE. |
| Chapter 6 Maintenance and Demolition | Description of the verification and control procedures of the parts and the components of the MACHINE (in particular, the parts most subject to wear out);description of the procedures that allow the appointed personnel to perform the cleaning of the MACHINE ;presentation of the indications to perform the dismantling, demolition, and disposal of the MACHINE. | All staff using the machine (in particular the mechanic and electric maintenance workers, the technicians of the Producer, and the personnel appointed to handling.) |
| Chapter 7 Optional | Description of the possible optional features that can be installed on the MACHINE. | All staff using the MACHINE. |
| Chapter 8 faults search | List of the possible malfunctions of the machine and the relative solutions. | All staff using the MACHINE. |
| Chapter 9 Attachments | Indications for the retrieval of the: technical sheet of the MACHINE, refrigerant diagram, electrical wiring diagram of the MACHINE, documentation of the components present on the MACHINE. | All staff using the MACHINE. |
Convention and Definitions
General Information
The Use and Maintenance Handbook of the MACHINE was divided into chapters to enable, for each phase of the MACHINE life (transport, installation, use, regulation, maintenance and decommissioning), easy availability of relative necessary information for the user of the MACHINE.
All the documentation relating to the MACHINE was drafted by developing the topics indicated by the Machinery Directive (2006/42/EC), PED Directive (97/23/CE) and the safety norms in force; therefore, the complete reading of all the relative material is indispensible to obtain the best performance from the MACHINE and ensure maximum duration of all its units. The configuration of certain units or devices described or shown in the documents can differ from that in the MACHINE in the specific preparation according to particular requirements or safety norms; in this case, certain descriptions, references or procedures recommended can be generic in order to maintain their efficiency. Drawings mentioned or photographs are provided for example purposes as a reference for easy comprehension of the text.
Term conventions
MACHINE: the term used in this Use and Maintenance Handbook to indicate the BLOCKSYSTEM. IPD: the acronym indicates Individual Protection Device/s.
Definitions
DANGER ZONE
Any ZONE inside or near the MACHINE in which the presence of an exposed person composes a risk to the safety and health of that person.
USER
Any PERSON (business person/company) adequately using the MACHINE or that assigns its use or operations connected to use to trained people.
EXPOSED PERSON
Any PERSON located inside or partly in the danger zone or near these zones.
OPERATOR
Staff, generally without specific skills, that conduct the operations necessary to operate the MACHINE and clean the MACHINE and the place in which it is installed; if necessary, the operator can conduct simple regulation and restore of functioning operations on the MACHINE.
MECHANICAL MAINTENANCE PERSON
QUALIFIED TECHNICIAN who can intervene on any mechanical unit to regulate or repair it and conduct the necessary maintenance operations The mechanical maintenance person is not enabled to conduct intervention on the electrical systems when voltage is present.
ELECTRICAL MAINTENANCE PERSON
QUALIFIED TECHNICIAN responsible for all electrical intervention (regulation, maintenance and repairs) and, when necessary, works with voltage present inside the electrical cabinets and the shunt boxes.
MOVEMENT STAFF
QUALIFIED STAFF that perform the tasks of moving the MACHINE or the materials used if the operation requires the use of lifting devices.
MANUFACTURER TECHNICIAN
QUALIFIED TECHNICIAN made available by the manufacturer of the MACHINE to conduct complex operations in particular situations or, however, when agreed with the user.
Individual Protection Devices and Behaviour Norms
For each of the operations described in this handbook, the individual protection devices were indicated for responsible staff which must be used (if necessary, in addition to those staff must wear when installing the MACHINE) and the behaviour norms that enable operator safety to be safeguarded
NOTE: Paragraph 3.8 – General Warnings and Behaviour Norms in Chapter 3 – Safety and Technical Data in particular reports a series of general recommendations to comply with to avoid risk conditions for people or damage to the machine.
Machine status
The status of the MACHINE is the feature that describes both the functioning mode (for example, on and off) and the safety conditions present (for example, guards included, guards excluded and electrical power sectioning).
Typographic conventions
The graphical settings of this Use and Maintenance Handbook enable easy recognition of contents; in this optic, for example, the instructions are associated with lists, indicated as follows:
- this symbol identifies a generic pointed list or a pointed list formed by simple actions (the order in which the actions are presented is not binding, but recommended);
- in this way an explanatory numbered list identifies a complex procedure (the order in which the actions are presented is binding to correctly and safely conduct the intervention in question).
Text in Italics is used, in particular for:
- cross references; cross references used in this handbook are expressed in the following format: “Paragraph/Figure/Table” with the number and, generally, the specification of the “Chapter” with the number and relative name (when not specified it is assumed the paragraph, table or figure belongs to the current chapter);
- technical and specialist terms, the first time they appear in the text;
- foreign terms not commonly used (they too, usually only the first time they appear in the text).
Bold text is used to highlight words, sentences or parts of procedures. In the description of the MACHINE, its components, its use and maintenance, explanatory figures of the portion in question are used and these identify the specific points of interest, with the following notation:
number Symbolic representation of a command or signalling device (for example, buttons, selectors or indicator lights).
-letter- or -number- Symbolic representation of a part of the MACHINE.
Furthermore, to guarantee more in-depth knowledge of the MACHINE and the indications for its correct and safe use, the text of this Use and Maintenance Handbook comes with indications that complete it, providing additional news, indispensible attention or danger notes that are particularly significant to consider; the following notation is used in relation to this:
NOTE: indicates the notes, the warnings, the suggestions and other points the reader should pay attention to or complete the explanation with further news.
ATTENTION: indicates situations or operations where there is a valid possibility of causing damage to the machine, the equipment connected to it or the environment.
DANGER: indicates situations or operations which must be followed or information to which particular attention must be paid to avoid harming people.
GRAPHIC SYMBOLOGY USED TO INDICATE THE NEED FOR INDIVIDUAL PROTECTION DEVICES
This paragraph indicates the graphic symbols used in this handbook to indicate the need to wear certain IPD.
Indicates the need to use suitable head protection to conduct the operation described.
Indicates the need to use suitable protective gloves to conduct the operation described (possibly dielectric to conduct electrical system intervention).
Indicates the need to use suitable protective clothing to conduct the operation described.
Indicates the need to use suitable safety footwear to conduct the operation described.
Indicates the need to use suitable protective goggles to conduct the operation described.
Warranty
General Conditions
The manufacturer, guarantees the BLOCKSYSTEM and its equipment manufactured by the same manufacturer as being free of material and manufacturing defects for a period agreed and stipulated in the sales contract of the MACHINE.
Parts excluded from warranty
The warranty excludes pieces that wear and all consumable tools and materials possibly supplied by the manufacturer with the MACHINE.
Responsibility of the User
The client is responsible for:
- electrical system set-up;
- consumable tools and materials
Operations causing warranty invalidity
Any attempt to dismantle, modify or tamper with a MACHINE component by the user or by unauthorised staff leads to the warranty becoming invalid and removes the manufactured from any responsibility regarding possible damage to persons or property deriving from such tampering.
The manufacturer is also removed from possible responsibility and the warranty is invalid for the MACHINE in the following cases:
- unplanned use of the MACHINE (see Paragraph 3.6 – Proper and improper use of the machine Chapter 3 – Safety and Technical Data);
- use contrary to requisites in norms in force in the country of use; installing the MACHINE in conditions other than those specified in Chapter 4 – Transport and Installation;
- connections non-conforming to specifications reported in Chapter 4 – Transport and Installation; use of work equipment other than those specified in Chapter 5 – Machine
- Use and in Chapter 6 – Maintenance and Demolition;
- total or partial non-compliance with the instructions reported in this handbook;
- no or incorrect maintenance;
- use of non-original parts or those not specified by the manufacture
Support
Regarding maximum use of the performance provided by the MACHINE and the extraordinary maintenance operations, this handbook does not replace the experience of the installers, users or maintenance staff that is trained and qualified.
On the subject, the Technical Support Service of provides:
Intervention Support Requests
To contact the Technical Support Service contact the:
During the requests for support, specify the name, model and registration of the machine.
Machine description
The machine is a refrigerating system consisting of a condensing unit (external cold room), an evaporating unit (internal cold room) and an electronic control panel located inside the condensing unit. The refrigerating fluid follows the compression refrigeration cycle’s modes. Blocksystems are equipped with a hot gas defrosting system (MBP and LBP types) or ventilation defrost system (HBP type), controlled by the electronic unit.
Defrosting occurs automatically with a cyclic frequency that can be modified by
the user; it can be also activated manually using the appropriate control. This solution enables to have a product easy to be used and installed with the maximum versatility. The use of forefront technical solutions has enabled us to optimize the encumbrance of the machines by also improving their installation mode, especially in reduced dimensions cold rooms. The machines are equipped with:
- self-supporting casing in zinc-plated metal sheet, which is coated with epoxy powder;
- front panel easy to be removed in order to guarantee an easy access to the components and fast maintenance intervention;
- hermetic compressors with thermal motor protection;
- electronic board that can be programmed according to different user requirements;
- heat exchangers with aluminum fins and copper coils;
- condensation by air (optional condensation by water);
- direct gas expansion with capillary tube or thermostatic expansion valve (optional where not fitted as standard);
- automatic defrosting with programmable run, duration and frequency settings;
- integral evaporating condensing water tray, or condensing water direct discharge;
- integral or remote control panel (optional);
- additional electronic module for Master and Slave operation (optional);
- additional electronic module for monitoring, recording and remote management (optional).
The FA model is for wall-mounted, saddle version installation.
The FT model is for wall installation with plug-in insulating panel fitted version.
Control panel
Below (Table 2) reports the description of the commands on the management software.
Figure 1 Control panel
Table 2 – commands descriptions.
| SIMBOL | DESCRIPTION |
![]() | Green “COMPRESSOR” LED |
| OFF: The compressor is off LIT: The compressor is operating. BLINKING: The switch on request is pending (delays or protective devices activated) | |
![]() | Green “FANS” LED |
| OFF: The fans are off LIT: The fans are operating BLINKING: The switch on request is pending (delays or protective devices activated) | |
![]() | Green “DEFROSTING” LED |
| OFF: Defrosting is not activated LIT: Defrosting is in progress BLINKING: Manual defrosting is in progress; a defrosting request is pending (delays or protective devices activated); network synchronised (master/slave) defrosting | |
![]() | Yellow “ALARM LED” |
| OFF: No alarm is in progress LIT: A serious alarm is in progress (and alarm relay activated) BLINKING: A non-serious alarm is in progress or a serious alarm has been silenced (alarm relay deactivated) | |
![]() | “SETPOINT” key + “SETPOINT/REDUCED SET” green LED |
| LIT: The setpoint is displayed BLINKING: The reduced set is activated ENTER” key: This is used to set the setpoint, to access the programming menu, and to view the machine status (if held down for 1 second); to enter the programming mode, this key must be held down for 5 seconds. | |
![]() | “UP” key: This is used to command manual defrosting (if held down for more than 5 seconds) as well as to increase the value of the parameter being displayed and to scroll forwards through the menu list. |
![]() | “ON/OFF” key: This is used as a manual on-off control, to confirm a parameter value and it also allows you to return to the previous menu. To switch the machine on or off, hold this key down for more than 5 seconds. |
| SIMBOL | DESCRIPTION |
![]() | “DOWN” key: This is used to command the lights manually (if held down for 1 second); it also decreases the value of the parameter being displayed and scrolls back through the menu list. |
Safety and Technical Data
Safety General Information
Engineering Criteria
For the machine design, the principles and concepts introduced in the relevant paragraphs of the norms indicated in Table 3 were implemented.
Table 3 – Main norms used in the machine design
| NORM | TITLE |
| UNI EN ISO 12100: 2010 | Machine safety – General principles for design – Risk assessment and risk reduction |
| UNI EN ISO 13857: 2008 | Machine safety – Safety distances to prevent upper and lower limbs from reaching dangerzones |
| UNI EN 953: 2009 | Machine safety – Guards – General requirements for the design and building of fixed andmovable guards |
| CEI EN 60204-1: 2006 | Machine safety – Electrical equipment of machines – Part 1: General rules |
| CEI EN 60335-1: 2008 | Safety of electrical appliances for household and similar use – Part 1: General rules |
The compliance of the paragraphs to the aforementioned norms has enabled risks to be eliminated or reduced as much as possible, both during normal functioning and during regulation and maintenance operations, for the entire lifecycle of the machine.
The components used were carefully chosen among those available on the market and the materials composing the machine (and the machine accessory tools) present no risks to personal health and safety. All the parts provided by third parties are CE marked (when planned) and comply with the relevant reference directives. All the details were closely controlled in compliance with the qualitative standards prescribed by the laws in force. For the machine, the warning and protection measures were also implemented that are necessary to confront residual risks (see Paragraph 3.3 – Residual Risk Warnings on this).
Protection Devices and Solutions
Passive Safety Devices
The machine includes implemented devices and construction solutions as described below. Fastened guards, on all sides of the machine, which enclose the entire body of the machine.
Fastened guards in metal or plastic mesh over the mobile units. Safety signs corresponding to the machine protections.
Active Safety Devices
The machine includes active safety devices as described below.
- Safety pressure switch on the compressor
- Security valve (when provided)
Residual Risk Warnings
To avoid all dangerous conditions for people or damage to the machine caused by residual risks, i.e. those risks that persist despite all the devices implemented, or potential risks that are not obvious, the manufacturer recommends the operators, maintenance staff and all staff working on the machine scrupulously follow the warnings on the following pages.
ATTENTION: always comply with the notifications and instructions on the plates applied to the machine and operate exclusively based on the instructions provided in this handbook (for example those reported in Paragraph 3.8 – General Warnings and Behaviour Norms)
Lifting and Transportation
3.3.1.1. Residual Risks During Lifting and Transport Phases
During the lifting and transport phases, risks are present related to:
- operations on the machine by staff that is unqualified, untrained, uninformed or not correctly equipped.
- wrong choice or wrong use of transport and movement vehicles (for example, forklift or hoist) for the machine;
- crushing of operators responsible for movement;
- loss of load stability during the operations in question;
- projection of mobile parts of the machine that cannot be adequately removed or fastened;
- knocking of parts or machine components with people or property due to sudden movements of the machine or incorrect behaviour of the employees conducting the operation;
- knocking or falling of machine components, damaging the machine and the relative protections;
- possible unhealthy or excessively forced movements by transport and movement operators of the machine components.
Necessary Individual Protection Devices

Attention Warnings During Lifting and Transport Phases
During the lifting and transport phases, it is necessary to follow the attention warnings in this paragraph.
- Only appoint specialist and trained staff for these operations for machinery movement operations that are capable of choosing and using the lifting and transport vehicles in a safe manner most appropriate for the situation (for example a crane or hoist).
- Check and, if necessary, ensure that all the parts capable of moving are correctly fastened (or, if planned, removed and reassembled when the operation is complete).
- Do not lift, for any reason, the various parts of the machine by grabbing them by non-structural elements (for example, cables or sheaths).
- Ensure there are no people near the zone where the lifting, movement and unloading operations take place and always keep a safe distance.
- Always give warning of the start of manoeuvres.
- Do not transit under suspended loads.
- Do not carry anyone on the loads.
Installation and Connection
Risks During Installation and Connection Phases
During the installation and connection phases, risks are present related to:
- operations on the machine by staff that is unqualified, untrained, uninformed or not correctly equipped.
- contact with electrically powered elements;
- knocking or crushing by moved machine components;
- tripping or falling over electrical power connections;
- machine damage during the installation and connection phases
Necessary Individual Protection Devices

Signs Present
The machine is supplied with specific danger and forbidden signs; see Paragraph 3. 4 – Safety Signs.
Attention Warnings During Installation and Connection Phases
During the installation and connection phases, it is necessary to follow the attention warnings in this paragraph.
- Follow the instructions relating to safety reported in Paragraph 3.3.1 – Lifting and Transport during the necessary movement operations of the machine components.
- Use the auxiliary equipment and, however, any other machinery or equipment (electrical or pneumatic) only having understood the instructions reported in the relative Use and Maintenance Handbook or after specific and formal training.
- Choose an installation location which:
- includes sufficient space for normal use and maintenance of the machine,
- enables the correct connections necessary for machine functioning,
- In relation to electrical energy, the earthing system connection must be connected before any other connection to the electrical mains line.
- Protect connection tubing to energy sources using adequate rigid sheathing or cable passages.
- Conduct the intervention requested using standardised work tools (ladders, various tools) and pay maximum attention to elements that could cause tripping or cause cuts and trauma.
- The operational settings of the machine cannot be dealt with until the machine is inspected: the presence of possible assembly or installation errors could in fact lead to serious accidents for the operators responsible for the operations.
- Before proceeding with the inspection and the first functioning of the machine, check its parts do not present any physical damage due to knocks, tears or abrasion and that all the connections present were correctly conducted, with no possibility of disconnection
Machine use
Residual Risks during Machine Use Phase
During machine use the following risks are present due to:
- use of the machine by staff that is unqualified, untrained, uninformed or not correctly equipped.
- contact with electrically powered parts;
Necessary Individual Protection Devices
Signs Present
The machine is supplied with specific danger and forbidden signs; see Paragraph 3. 4 – Safety Signs.
Attention warnings during machine use
During use of the machine, it is necessary to follow the attention warnings in this paragraph.
- Only use the machine if all the safety protection devices are intact.
- Do not remove, for any reason, the safety devices and protections installed. Comply with all the safety and danger signs affixed to the machine. Ensure all the safety and danger signs affixed to the machine are legible. Wear all the IPD necessary, regularly checking their integrity (immediately signal any IDP that are no longer capable of conducting the specific task they were assigned for).
- Do not intervene on the machine without having fully and carefully read this handbook.
- Use the auxiliary equipment and, however, any other machinery or equipment (electrical or pneumatic) only having understood the instructions reported in the relative Use and Maintenance Handbook or after specific and formal training. Immediately signal functioning anomaly situations.
- Do not conduct any intervention (including cleaning) on movement units or hot surfaces.
- Do not conduct unpermitted operations on the machine (refer to the instructions reported in this handbook).
- Do not use the machine when under the influence or medicine or beverages that can slow your reflexes.
Maintenance and Demolition
Risks During Maintenance and Demolition Phases
During the maintenance and demolition phases, risks are present related to:
- operations on the machine by staff that is unqualified, untrained, uninformed or not correctly equipped.
- contact with powered electrical parts;
- knocking or crushing by moved machine components;
- contact with hot elements on the machine or relative equipment;
- contact with the refrigerant.
Necessary Individual Protection Devices
Signs Present
The machine is supplied with specific danger and forbidden signs; see Paragraph 3. 4 – Safety Signs.
Attention warnings during maintenance and demolition Phases
During the maintenance and demolition phases, it is necessary to follow the attention warnings in this paragraph.
- Conduct the interventions requested using the standardised work tools (ladders, various tools) and always wearing the necessary IPD.
- The implementation of maintenance and demolition interventions must be performed by qualified, specifically trained staff. Check that the power supplies are adequately sectioned and that nobody can reactivate them prior to concluding the requested interventions (use of locks, adequate signs and consolidated work procedures); also check that any residual energy was discharged before conducting the intervention. Operate, as much as possible, on the machine and the tubing only after emptying it and before proceeding to restarting, guaranteeing adequate cleaning of the system.
- Obtain the necessary work permits and check all the preparation procedures of the machine for maintenance operations are correctly conducted.
- Use the auxiliary equipment and, however, any other machinery or equipment (electrical or pneumatic) only having understood the instructions reported in the relative Use and Maintenance Handbook or after specific and formal training
- Do not use, for any reason, petrol, solvents or inflammable fluids to clean parts, but use commercial, approved detergent that is inflammable and non-toxic.
- Do not make changes, transformations or applications to the machine that could prejudice safety, without having obtained written authorisation from the manufacturer.
- Before restarting the machine, check that all the safety devices of the machine were restored.
Safety signs
Signaling labels are present on the machine, which are indicated in Table 4.
Table 4 – Description of the signaling labels present on the machine.
| LABEL | DESCRIPTION | |
| A | ![]() | This label indicates that it is forbidden to remove the safety devices and protections installed on the machine; it is usually accompanied by the explicatory writing: DO NOT REMOVE THE PROTECTION DEVICES. |
| B | ![]() | This label indicates that it is forbidden to perform any intervention (including lubrication and cleaning) in proximity of moving parts; it is usually accompanied by the explicatory writing: DON NOT REPAIR OR REGULATE DURING MOTION. |
| C | ![]() | This label warns about the danger due to the presence of mobile parts in proximity of the area in which the machine is positioned. |
| D | ![]() | This label warns about the danger due to the presence of warm surfaces in proximity of the area in which the machine is positioned. |
| E | ![]() | This label warns about the danger due to the presence of elements under voltage in proximity of the area in which the machine is positioned. |
| F | ![]() | This label warks about the obligation to read the manual for the installation |
| G | ![]() | Warning to the sharp parts durino condenser cleaning |
Work Area and Position of the Operator
The machine functions automatically requesting the intervention of the operator corresponding to the control and command software only to manually start and stop and for functioning programming. The operator’s work area therefore exclusively corresponds to the control panel on the machine.
Noise and Vibration Indications
Noise
BLOCKSYSTEM FA-FT were designed and manufactured to reduce the noise emitted during normal functioning to a minimum. The level of mass acoustic pressure A generated by BLOCKSYSTEM FA-FT and measured, following the criteria set by the norms in force, during functioning is less than 70 dB (A).
Vibrations In use conditions in compliance with the instructions supplied by the manufacturer in this handbook, the vibrations were not such to create dangerous situations.
The operator however, if vibrations occur, should immediately stop the machine and signal the phenomenon to the manufacturer’s support service.
Proper and Improper Use of the Machine
The machine was designed and manufactured exclusively for the industrial and commercial refrigeration in stable locations. The machine can exclusively use refrigerating gas to the group 2 (according to UNI EN 378 1). The machine was designed and manufactured to work in environments free of a potentially explosive atmosphere and such cannot generate a potentially dangerous atmosphere.
It is a good cautionary practice to place powder extinguishers near the machine. To prevent the possibility of fire, it is necessary to keep the machine clean of pieces of plastic, oils, solvents, paper and rags. The machine must be adequately protected from the environmental elements. The use of the machine for different operations could cause damage to persons or the machine itself and is therefore considered improper uses for which the Manufacturer cannot be held responsible.
WARNING: In case of different intended uses, it is essential to first consult the technical office of the manufacturer.
General Warnings and Behavioural Norms
To avoid any risky conditions to people or damage to the machine, we recommend you scrupulously follow the general warnings and behavioural norms reported here.
DANGER: the manufacturer declines all responsibility for any damage to property and/or persons deriving from improper interventions conducted by unqualified, untrained or unauthorised staff.
- The operators responsible for machine management must be adequately trained to use it at its best and without risk and must operate in a comfortable environment that guarantees the best safety and hygiene conditions possible.
DANGER: prevent the machine being used by unauthorised staff or untrained staff without supervision: in fact, before starting work, each operator must be perfectly aware of the position and functioning of all the controls and features of the machine. Furthermore, the operator must have read this handbook ENTIRELY.
- Bperators present in the danger zones near the machine.
- Before using the machine, ensure all the guards are in place and that all safety devices are present and efficient.
- Warn supervisors of any functioning irregularities in the machine or any problems relating to the integrity of the machine protections.
- Carefully read the machine labels. Do not cover them for any reason and replace them immediately if damaged.
- Do not rest liquid containers on the machine.
- Consult this handbook on the safety specifications in force and the specific IPD to implement for personal safety; in particular, however, the staff responsible for the machine must wear suitable clothing, by avoiding or paying due attention to: loose clothing, wide sleeves, ties or hanging scarves, necklaces, bracelets and rings.
- Staff responsible for maintenance of the machine must be aware of all the procedures reported in Chapter 6 – Maintenance and Demolition and be adequately prepared technically to correctly interpret the instructions and diagrams in this handbook and to intervene on the machine.
- The area where the maintenance operations take place must always be clean, dry and with suitable equipment always available and efficient.
- The work area must never be occupied in such a manner to interfere with the free movement of the operator. In case of emergency, immediate access to the machine must be guaranteed for responsible staff.
- In the aforementioned area, access to people who are not directly responsible for machine functioning is forbidden, to avoid danger due to distraction or negligence during machine intervention.
- If intervention has to be conducted near the electrical components, work with dry hands and use dielectric gloves (working on electrical components with wet hands leads to almost certain danger of electrical shock).
DANGER: you should ensure that before starting any type of machine intervention or corresponding to its components or accessory equipment to section power; if this is not possible, it is necessary to take measures to allow you to operate on the machine in safe conditions.
DANGER: tampering or unauthorised replacement or one or more parts of the machine and use of accessories, tools or consumable materials other than those indicated by the manufacturer can generate danger of injury.
ATTENTION: all the materials with environmental impact which must be eliminated after interventions or processes on the machine must be disposed of according to norms in force. If necessary, entrust specialist structures to dispose of them.
Machine Data and Technical features
Identification Plate
To identify the machine, a CE identification plate is affixed to it; the identification data reported on this plate must be notified to the manufacturer’s offices on each request for intervention or to order spare parts. Specifically, the identification plate reports the following data:
- code,
- registration,
- ampere absorption (A),
- Watt absorption (W),
- refrigerant type,
- power voltage (Volt/Ph/Hz),
- maximum operating pressure PS HP (high pressure side) – PS LP (low pressure side),
- maximum operating temperature TS HP (high pressure side) – TS LP (low pressure side),
- overall class according to directive 97/23/ CE (PED). Registration Identification
- figure 1 and 2 = last two figures of year of manufacture,
- figure 3 and 4 = week of year in which the machine was manufactured,
- figures 5, 6 , 7 and 8 = progressive number.
Technical Data and Overall Dimensions
The technical features of the machine are found in Chapter 9 – Attachments in this handbook.
Transport and Installation
General information
The installation and possible re-installation of the machine must be conducted directly by qualified staff. Before proceeding to installing the machine, it is necessary to prepare the power supplies and utilities necessary for the correct functioning of the system, following the indications reported in this chapter and, if necessary, consulting the manufacturer’s Technical Office in advance.
ATTENTION: This product as sold complies with the 97/23CE (PED) standard and is marked with the relevant category. After purchase it is the responsibility of the owner to ensure that this equipment is regularly maintained continue its compliance up to the stage when it is finally decommissioned according to the relevant national law.
DANGER: the manufacturer declines all responsibility for any damage to property and/or persons deriving from improper interventions conducted by unqualified, untrained or unauthorised staff.
Power and Utilities
The power supplies and utilities necessary (responsibility of the purchaser) for machine functioning exclusively consist in the supply of electrical energy.
Unless otherwise indicated, the purchaser is responsible for:
- the preparation of transport vehicles to transport the machine to the assembly or installation location;
- the preparation of equipment necessary for assembly and installation;
- the preparation of the installation location;
- the preparation of auxiliary vehicles and consumable materials (for example, non-
- flammable and non-corrosive detergents, materials and tools necessary for cleaning and cover).
Transportation and Movement
The indications contained in this paragraph must be complied with during the transport and movement phases of the machine, which can occur in the following situations:
- machine storage;
- assembly and first installation of the machine;
- de-installation and dismantling of the machine;
- moving and relocating the machine.
DANGER: the manufacturer declines all responsibility for any damage to property and/or persons deriving from improper interventions conducted by unqualified, untrained or unauthorised staff.
To conduct the task in question, the following Individual Protection Devices are necessary:
During transport or movement of the machine, it is necessary to follow the warnings below:
- Check the lifting equipment is suitable for the weight and dimensions of the machine.
- Do not bang the structure or guards of the machine with equipment or otherwise.
Lifting
DANGER: lifting operations must be conducted with the direct supervision of a qualified mechanical maintenance person or a manufacturer technician.
To correctly perform the lifting operations, follow the warnings reported below.
- Never use two lifting vehicles simultaneously.
- Never stay under suspended loads.
- If using steel ropes, always apply the end eye to the lifting hook.
- If using steel ropes, pay attention not to create sharp bends, i.e. with a bending radius lower than that of the rope end eyelets.
- Use adequately wide ropes, to enable the angle between the ropes and the horizon to always be over 45°.
Machine movement
For reduced distances, as in the case of transport to the assembly or storage locations of the machine, it is necessary to use lifting equipment (for example, forklift and hoists) suitable for the dimensions and weight of the machine.
ATTENTION: during all these operations follow the precautions necessary to avoid knocking and tipping over, moving the machine in a manner not to loose balance.
DANGER: ensure there are no unauthorised staff near the zone where the lifting, movement and unloading operations take place and always keep a safe distance.
Installation
DANGER: the manufacturer declines all responsibility for any damage to property and/or persons deriving from improper interventions conducted by unqualified, untrained or unauthorised staff.
To conduct the task in question, the following Individual Protection Devices are necessary:’

The Blocksystem must be installed in locations where good recycling and exchange of air is guaranteed and must only be installed on vertical walls. For other installations, we recommend you contact the manufacturer. For positioning of a mono-condensing unit and the evaporator, comply with the minimum heights reported in Figure 3 Figure 3 – Minimum compliance heights.

During installation, leave the machine sufficient space to conduct maintenance in safe conditions. For correct functioning of the machine, we recommend the following minimum thicknesses of the coldroom walls (polyurethane insulation): MBP and HBP coldroom insulation thickness 60 mm; LBP coldroom insulation thickness 100 mm.
FT series plug-in version installation method
To proceed to installation of the machine, implement the following procedure:
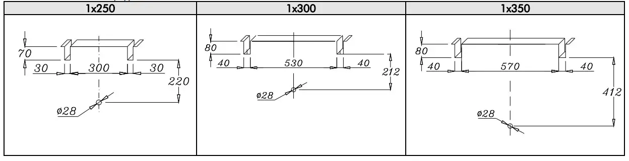
- On the wall of the cold room, make a hole of suitable dimensions as indicated in Figure 4 according to the specific sizes of each type of machine, as shown in Table 5.
Figure 4 – Installation of the FT model.
Table 5 – Opening size by type in the FT model.
- Lift the machine with a forklift (or other suitable lifting mechanism) using the appropriate lifting hooks.
- Place the machine on the cold room wall by inserting the evaporator section into the hole from the outside.
- Fix the machine to the cold room wall with appropriate screws (included).
- Seal the perimeter of the buffer with silicone (of suitable characteristics for using the cold room) to avoid infiltration of hot air inside the cold room. On the upper side, perform the operation prior to positioning.
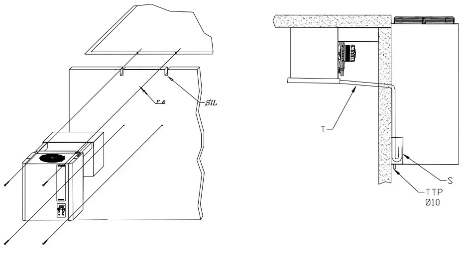
FA series the saddle version installation method
To proceed to installation of the machine, implement the following procedure:
- Before mounting the cold room ceiling, make n° 2 grooves on the upper end of the wall and a hole for water discharge as shown in Figure 5 according to the specific sizes of each type of machine, as shown in Table 6.
Figure 5 – Installation of the FA model
Legend- DH = Water discharge hole
- S = Siphon
- T = Water discharge tube
- OT = Overflow tube
- SIL = Silicon

Table 6 – Grooves size by type in the FA model.
- Remove the aluminum tray underneath the evaporator by unscrewing the 4 screws.
- Lift the machine with a forklift (or other suitable lifting mechanism) using the appropriate lifting hooks.
- Place the machine on the grooves in the cold room wall.
- Fix the machine to the cold room wall with appropriate screws (included).
- Seal the grooves perimeter with silicon (of suitable characteristics for using the cold room) to avoid infiltration of hot air inside the cold room.
- Replace the tray under the evaporator and fix it with the 4 screws previously removed.
- Check the proper operation of the evaporator condensation water discharge.
WARNING: We recommend connecting a hose to the overflow tube for allowing water drainage in case of malfunctions or improper use.
Connection to the power supply network
The power supply (also in terms of voltage and frequency) provided by the Purchaser shall be sufficient to properly feed the machine. Specifically, you must take the following procedure
- make sure that the voltage on the line corresponds to the values on the label attached to the unit’s power cable. The power cable must be fully extended (avoid coiling and overlapping), in a position not exposed to any impact or tampering, it must not be near liquids, water or heat sources and shall not be damaged (otherwise, have it replaced by qualified personnel).
- Arrange a differential thermo-magnetic switch with C-type tripping curve (10÷15 In) between the power line and the machine, and make sure that the line voltage matches the voltage specified on the label (see label on the machine); allowed tolerance ± 10 % of the rated voltage. For sizing the differential thermo-magnetic switch, it must see the absorption indicated on the label.
WARNING: the differential circuit breaker must be placed very close to the machine so that it can be clearly visible and accessible by the technician in case of maintenance.
- It is necessary that the section of the power cable is adequate for the power consumption of the machine (this power is shown in the label attached to the machine).
WARNING: According to the law, it is mandatory to connect the machine to an efficient grounding system. We deny liability in case of failure to comply with such provision; we deny liability in case the electrical system which the machine is connected to, is not designed according to current regulations.
- Fix the micro-port switch included to the cold room’s door leaf, which automatically causes the cold room light to turn on at every opening and the compressor as well as the evaporator and condenser fans to stop.
WARNING: The micro-port cable must pass away from electrical cables in order to avoid signal interference.
- Attach the light and connect the cold room light cable by following the instructions inside the support.
- With the LBP-range units (-15°C/-25°C) a cable for connecting the port resistor is included. This connection must be performed using a fuse sized according to the port resistor used.
WARNING: Do not connect COLD ROOM LIGHT AND PORT RESISTOR cables to the 230-Volt line. The labels attached to each cable show the connection to be performed. The maximum output of the light that you can connect to the cold room light cable (included) is of 100W for incandescent lamps and of 66W for neon (230V-50Hz power supply). The maximum output of the resistance that can be connected to the port resistor cable (included in all LBP models) is of 300W (230V-50Hz power supply).
Storage
If necessary to store the machine for a period before installation (or following de-installation), we recommend you protect it adequately and store it in a suitable environment, with the following features:
- external surfaces resistant to atmospheric agents;
- protected against access to unauthorised people;
- with the following environmental conditions:
- good ventilation;
- room temperature between -20 °C and +50 °C;
- relative humidity of compressed air 30% and 80%;
- possibly in dry, dust-free atmosphere.
ATTENTION: do not remove any packaging possibly present for certain components of the machine and take adequate precautions to protect the exposed parts.
De-installation
If the machine must be de-installed, proceed following the inverse order for installation reported in Paragraph 4.3 – Installation.
DANGER: the manufacturer declines all responsibility for any damage to property and/or persons deriving from improper interventions conducted by unqualified, untrained or unauthorised staff.
To conduct the task in question, the following Individual Protection Devices are necessary
Machine use
Machine use
DANGER: for the machine, only operators correctly training and informed on the risks present can intervene on the machine and only having fully read this use and maintenance handbook. the manufacturer declines all responsibility for any damage to property and/or persons deriving from improper interventions conducted by unqualified, untrained or unauthorised staff.
To use the machine, the following Individual Protection Devices are necessary:

Operation
Before starting the machine, it is necessary to ensure:
- the locking screws are tight;
- the electrical connections were correctly installed;
- the coldroom door is closed to ensure the micro-door contact is closed.
Switch on/off
To switch on (off) the machine, it is necessary to press the “ON/OFF” key for 5 seconds placed on the control panel.
ATTENTION: when the machine is powered, the control panel display shows the writing OFF alternated with the temperature of the coldroom.
Parameter variation procedure
Functioning of the Blocksystem is regulated by the parameters set in the memory of the electronic central unit by the manufacturer (see Table 8). We recommend you do not change these values unless strictly necessary and in any case always contact the enabled staff. As well as for functioning, the parameters are sub-divided by safety/accessibility level:
- level 0 SETPOINT parameters direct access (see Paragraph 5.1.3.1);
- level 1 frequent use parameters access without password (see Paragraph 5.1.3.2).
Coldroom temperature regulation
The fields of the temperature values for which the Blocksystem can operate are reported in Table 7.
Table 7 – Temperature value fields.
| Minimum | Maximum | |
| High temperature HBP | +2 | +10 |
| Medium temperature MBP | – 5 | + 5 |
| Low temperature LBP | – 25 | – 15 |
It is possible to access the regulation set point of the temperature in a direct manner to display or change the value. In relation to this, implement the following procedure:
- Press and release SETPOINT: the display shows “SET” (if there are alarms ongoing the procedure is slightly different; see Paragraph 5.1.4)
- Press SETPOINT: in this way the green SET led switches on and the display shows the SETPOINT value.
- Press UP and DOWN to set the new value.
- Press SETPOINT or ON/OFF (or wait for the 5 second timeout) to confirm the value; in this way the SET led switches off and the display shows “SET”.
- Press ON/OFF (or wait for the 5 second timeout) to return to normal view.
Change level 1 parameters
To change the parameters corresponding to level 1, use the following procedure:
- press SET for 5 seconds until the displays shows “reg” (regulation parameters);
- press UP and DOWN to display the desired menu on the display;
- press SET to access the menu; in this way the code appears of the first parameter of the menu selected;
- press UP and DOWN to display the desired parameter;
- press SET to display the parameter value;
- press UP and DOWN to set the desired value;
- press SET to confirm the value and return to the parameters list; or press ON/OFF to confirm the value and return to menu list;
- to pass to the parameters list to the menu list press ON/OFF;
- to exit the change parameters procedure press ON/OFF again.
If you don’t press one of the keys for more than 15 seconds, the possible value display is stored in the relative parameter and you are forced to exit the change parameters procedure.
Machine status view
To view the machine status, use the following procedure:
- press and release SET: the display shows “SEt” or “AAL” if alarms are ongoing;
- press UP and DOWN to view the relevant status. The statuses could be:
- AAL alarms ongoing (if present)
- SEt setpoint
- Pb1 coldroom temperature probe value
- Pb2 evaporator temperature probe value
- Pb3 probe value 3 (if present)
- Out relay outputs status
- InP digital inputs status
- press SET to display the value;
- in the case of alarms status, outputs status, inputs status, press UP and DOWN to scroll respectively the ongoing alarms, the outputs and the inputs;
- press SET or ON/OFF (or wait for the 5 second timeout) to return to the list of statuses;
- press ON/OFF (or wait for the 5 second timeout) to return to normal view.
Table 8 – Machine parameters.
| Code | Level | Descr. | Range | Unit | MBP | LBP | HBP |
| List of -PPS passwords | |||||||
| PPA | Parameters access password Entering a pre-set password will give access to protected parameters | 0 … 255 | – | – | – | ||
| List of -rEG adjustment parameters | |||||||
| SEt | 0 | Set point | LSE …HSE | °C [°F] | 2 | -18 | 5 |
| diF | 1 | Differential temperature > setpoint + diff. -> adjustment On temperature ≤ setpoint -> adjustment Off | 0.1 … 50.0 | °C [°F] | 2 | 2 | 2 |
| Code | Level | Descr. | Range | Unit | MBP | LBP | HBP | ||
| List of -Pro probe parameters | |||||||||
| CA1 | 1 | Probe 1 calibration | The value assigned to this parameter is added to (positive value) or taken away from (negative value) the temperature detected bythe probe | -20.0 …20.0 | °C [°F] | 0 | 0 | 0 | |
| CA2 | 1 | Probe 2 calibration | 0 | 0 | 0 | ||||
| CA3 | 1 | Probe 3 calibration | 0 | 0 | 0 | ||||
| List of -CPr compressor parameters | |||||||||
| Ont | 1 | Compressor ON time in theevent of probe failure | In the event of an adjustment probe error, the compressor is enabled in cyclical mode with set operation and off times. In particular:Ont=0: the compressor remains off Ont>0 and OFt=0: the compressorremains on | 0 … 60 | min | 15 | 15 | 15 | |
| OFt | 1 | Compressor OFF time in the event of probe failure | 0 … 60 | min | 15 | 15 | 15 | ||
| dOn | 1 | Compressor activation delayThe time, starting from the switch on request, after which the compressor is effectively activated.In the event of network control in sequential mode, this represents the activation delay from compressor to compressor | 0 … 250 | sec | 0 | 0 | 0 | ||
| dOF | 1 | Minimum compressor OFF timeThe time, starting from the moment of deactivation, for which it is not possible to restart the compressor | 0 … 60 | min | 3 | 3 | 3 | ||
| dbi | 1 | Delay between switch on timesThe time, starting from the moment of previous activation, for which the compressor cannot be restarted. | 0 … 60 | min | 0 | 0 | 0 | ||
| OdO | 1 | Outputs delay at power-on (compressor, fans, defrosting)This is used to delay the enabling of adjustments after the instrument has been switched on for a set amount of time.The transition from stand-by to machine activated (ON commandfrom the keyboard) bypasses this delay | 0 … 60 | min | 3 | 3 | 3 | ||
| List of -dEF defrosting parameters | |||||||||
| dtY* | 1 | Defrosting type0 = heating element: ends at temperature or after maximum safe time (timeout)1 = hot gas: ends at temperature or after maximum safe time (timeout)For defrosting using a heating element, there is a 1 second delay between the compressor switching off and the defrosting relay being triggered | 0,1 | 1 | 1 | 0 | |||
| dit | 1 | Defrosting intervalThe maximum time (from start to start) between two consecutive defrosting cycles. When this time expires, a defrosting cycle is enabled (cyclical defrosting). The timer is reset at each defrosting request (even if not cyclical).0 = cyclical defrosting disabled | 0 … 250 | h | 4 | 4 | 4 | ||
| dct | 1 | Defrosting interval count mode0 = counts if the compressor is operating 1 = counts all the time | 0,1 | 1 | 1 | 1 | |||
| dOH | 1 | Defrosting start delay at power-onThe time, as from when the instrument is switched on, for which any defrosting requests are frozen (manual defrosting excluded) | 0 … 250 | min | 0 | 0 | 0 | ||
| dEt* | 1 | Defrosting timeoutWhen the set time expires, defrosting is in any case ended, even if the defrost end temperature has not been reached, passing on to the drip phase | 1 … 250 | min | 15 | 15 | 15 | ||
| dSt* | 1 | Defrost end temperatureThe probe 2 temperature above which defrosting is ended. If, at the start of a defrosting cycle, the temperature is greater than that set, no defrosting will be carried out. In the event of a probe 2 malfunction, the defrosting cycle will in any case terminate after reaching a timelimit | -50.0 …199.0 | °C [°F] | 10 | 15 | 10 | ||
| Code | Level | Descr. | Range | Unit | MBP | LBP | HBP | |
| dS2 | 1 | Defrost end temperature for the second evaporator The probe 3 temperature above which defrosting for the second evaporator is ended. If, at the start of a defrosting cycle, the temperature is greater than that set, no defrosting will be carried out. In the event of a probe 3 malfunction, the defrosting cycle will in any case terminate after reaching a time limit. This function is only enabled if P01=3o4, Co4=3 and CP0=2 (alarm relay used for second evaporator defrosting and probe 3 used to detect the temperature of the second evaporator). In this case, the dripping phase will begin after the defrosting cycles of both evaporators have ended. | -50.0 …199.0 | °C [°F] | 10 | 10 | 10 | |
| dPO | 1 | Defrosting at power-on 0 = disabled1 = defrosting when the instrument is switched on | 0,1 | flag | 0 | 0 | 0 | |
| List of -FAn fan parameters | ||||||||
| FSt | 1 | Fans switch on temperature | probe2 ≥ FSt: fans off Fot ≤ probe2 < (FSt –FAd): fans onprobe2 < (Fot – FAd): fans off | -50.0 …199.0 | °C [°F] | 8 | -5 | 50 |
| Fot | 1 | Fans switch off temperature | -50.0 …199.0 | °C [°F] | -50 | -50 | -50 | |
| FAd | 1 | Fans switch on and off differential | 1.0 …90.0 | °C [°F] | 2 | 2 | 2 | |
| Fdt | 1 | Post-dripping time The time after the dripping phase, during which the fans remain switched off | 0 … 60 | min | 1 | 2 | 0 | |
| dt | 1 | Dripping time The time after a defrosting cycle during which the compressor and the evaporator are stopped in order to favour evaporator dripping | 0 … 60 | min | 2 | 2 | 0 | |
| dFd | 1 | Fans deactivated during defrosting0 = fans activated (operation set from FPt) 1 = fans deactivated | 0,1 | flag | 1 | 1 | 0 | |
| FCO | 1 | Fans activated with compressor off 0 = fans deactivated1 = fans activated (operation set from FPt) 2 = fans in duty cycle operation | 0 … 2 | 0 | 0 | 0 | ||
| Fon | 1 | Fans ON time during duty cycle operation (FCO=2) | 1 … 60 | min | 15 | 15 | 15 | |
| FoF | 1 | Fans OFF time during duty cycle operation (FCO=2) | 1 … 60 | min | 15 | 15 | 15 | |
| List of -ALr alarm parameters | ||||||||
| AFd | 1 | Temperature alarm threshold differential This sets the re-entry temperature threshold after a high- or low- temperature alarm condition | 1.0 … 90.0 | °C [°F] | 2 | 2 | 2 | |
| HAL | 1 | Maximum alarm threshold Above this value (absolute or referred to the set point) an alarm is triggered If the reference is relative, the unmarked value is added to the set point | -50.0 …199.0 | °C [°F] | 10 | 10 | 10 | |
| LAL | 1 | Minimum alarm threshold Below this value (absolute or referred to the setpoint) an alarm is triggered If the reference is relative, the unmarked value is subtracted from the set point | -50.0 …199.0 | °C [°F] | -10 | -10 | -10 | |
| PAO | 1 | Temperature alarm delay at power-on | 0 … 10 | h | 4 | 4 | 4 | |
| dAO | 1 | Temperature alarm delay after defrost The time, starting from the end of the dripping phase, during which no alarm is signalled. In the event of contemporaneous network defrosting, the time refers tothe defrosting end command | 0 … 999 | min | 60 | 60 | 60 | |
| OAO | 1 | Temperature alarm delay after door closure The time, after the door is closed again and during which no alarm is signaled | 0 … 10 | h | 0 | 0 | 0 | |
| dAt | 1 | Defrosting alarm timeout enabling This enables the signaling of any defrosting end due to the maximum time limit being reached (timeout).0 = signal disabled1 = signal enabled | 0,1 | flag | 0 | 0 | 0 | |
| List of -did display parameters | ||||||||
| ndt | 1 | Decimal point display0 = display without decimal point 1 = display with decimal point. | 0,1 | flag | 1 | 1 | 1 | |
| Code | Level | Descr. | Range | Unit | MBP | LBP | HBP |
| ddL | 1 | Display during the defrosting phase0 = normal display (as set from the ddd par.)1 = freezes the temperature value displayed at the start of defrosting until the end of defrosting and the reaching of the setpoint2 = “dF” until the end of defrosting and the reaching of the setpointThe ddL parameter can be controlled only if the standard display (ddd par.) includes the adjustment probe (probe 1 or network probe) | 0,1,2 | 0 | 0 | 0 | |
| Ldd | 1 | Defrosting display block timeoutThe time, starting from the end of defrosting (end of dripping phase),after which the normal display is in any case restored | 0 … 255 | min | 6 | 6 | 6 |
| dro | 1 | °C or °F selection 0 = °C1 = °FThis selection only affects temperature measurements. The values of the parameters concerning temperature maintain their current values and therefore, they must be varied manually to adapt them to theFahrenheit scale. | 0,1 | flag | 0 | 0 | 0 |
| List of -CnF configuration parameters | |||||||
| LOC(**) | 1 | Keyboard lock0 = keyboards disabled1 = main terminal keyboard enabled2 = secondary terminal keyboard enabled3 = keyboards enabled (the first to request a service has precedence until completion) | 0 … 3 | 1 | 1 | 1 | |
| rEL | 1 | Software releaseA read-only value that identifies the software version | 0.0 … 99.9 | – | – | – | |
| List of -Lan(***) network parameters | |||||||
| dEA | 1 | Supervision network address (for Master only)The address to be set on each master must take into account the number of slaves present in the LAN network preceding it: “dEA”=”dEA[previous master]”+”L01[previous master]”+1The Supervision network address for a Slave is “dEA[master]”+”L00”) | 1 … 199 | 1 | 1 | 1 |
ATTENTION: To unlock the keyboard, simultaneously press “SET” and “ON/OFF” for at least 5 seconds.
ATTENTION: the “LAN” network parameter is only used in case of MASTER/SLAVE and TELEMANAGEMENT functioning.
Alarm signals
In case of alarms, the board normally activates the following actions:
- the relative alarm code is signalled on the display. In particular, the display control alternates the alarm code and the temperature normally displayed;
- the alarm led switches on;
- the relay alarm is activated.
For certain alarms and signals, the led and/or the relay is not activated. By pressing any key, the relay deactivates (if active) and the led flashes, while the display alarm code continues to be displayed. The led switches on and the alarm code disappears only when the cause that generated it is found. Table 9 reports in detail the descriptions of each alarm and the actions undertaken in this respect
Table 9 – Alarms description
| Code displayed | Description/Control | LEDenable | Relay enable | Reset Mode |
| E1 | cold room probe temperature errorif a probe is used for adjustment, the compressor will be activated cyclically and defrosting cycles will be disabled;if a balanced network probe is enabled, adjustment will continue,bypassing the malfunctioning probe | yes | yes | automatic when the condition ceases |
| E2 | End defrostin probe g errordefrosting will end due to timeout | yes | yes | automatic when the conditionceases |
| E3 | 3rd probe error (condenser temperature) the associated controls are disabled | blink. | no | automatic when the condition ceases |
| Code displayed | Description/Control | LED enable | Relay enable | Reset Mode |
| 3rd probe error (2nd evaporator temperature)defrosting will end due to timeout | yes | yes | ||
| heat alarm (*)adjustment is disabled | yes | no | automatic when the condition ceases | |
| HP pressure switch alarm(*) adjustment is disabled | yes | no | automatic when the condition ceases | |
| LP pressure switch alarm(*)adjustment is disabled | yes | no | automatic when the condition ceases | |
| E4 | repeated heat alarm adjustment is disabled permanently | yes | yes | at switch on |
| E5 | repeated HP pressure switch alarm adjustment is disabled permanently | yes | yes | at switch on |
| E6 | repeated LP pressure switch alarm adjustment is disabled permanently | yes | yes | at switch on |
| LO | low temperature alarm | yes | yes | automatic when the condition ceases |
| HI | high temperature alarm | yes | yes | automatic when the condition ceases |
| EE | data saving alarm default parameters are loaded | yes | yes | at power-on or after the parameter has been stored to memory |
| Ec | condenser cleaning alarm | blink. | no | automatic when the condition ceases |
| Er | network alarm (**) | yes | yes | automatic when the condition ceases |
| Ed | defrosting timeout alarm | blink. | no | automatic at the start of the next defrost |
| Od | door open timeout alarm normal operation is enabled again | blink. | no | automatic when the condition ceases |
| nx | slave x alarm (on master only) | yes | progr. | automatic when the condition ceases |
| Ux | slave x not connected (on master only)the slave is not controlled | blink. | no | automatic when the condition ceases |
| u0 | master not connected (on slave only)the slave is released from the network and operates autonomously | blink. | no | automatic when the condition ceases |
| dx | slave x download failed(on master only) | blink. | no | manual or automatic when the condition ceases |
(*) No writing appears on the display.
(**) For network alarms, we intend the alarm control propagated by the master to all network devices, on planning, in case of activation of the alarm relay on the master.
During functioning, in particular conditions, the signals reported in Table 10 are displayed.
| Code displayed | Description | Notes |
| OFF | unit in stand-by (operation disabled) | remains until the next ON command |
| dF | defrosting in progress | see par. “ddL” |
| dFu | defrosting not performed | displayed for 2 seconds when the defrosting command is not performed because the evaporator temperature is already abovethe defrosting end temperature (parameter dst) |
| uM | master unit | at switch on, the network configuration of the unit is displayed |
| uSx | slave x unit | |
| Cn | terminal/control connection interrupted | the terminal is not receiving data from the control |
ATTENTION: if on start-up, the terminal connection/control is not working correctly, the terminal displays “88.8” and the leds are all off.
Maintenance and Demolition
General Maintenance Information
To guarantee maximum reliability to the machine and avoid dangerous conditions, scrupulously comply with the instructions and warnings reported in the following pages.
bDANGER: for safety reasons, all the maintenance operations reported in this chapter must only be conducted by qualified technicians that are specifically trained. The responsible technicians must also have all the tools and IDP necessary to operate safely.
WARNING: to always guarantee operators full efficiency and safety of the machine and prevent problems linked to deterioration of the safety measures or machine stoppages which can be taxing, it is necessary to implement efficient preventive maintenance, by planning interventions with planned intervals, with the purpose of renewing or replacing the normal wear parts and audit the general status of the mechanical and electrical components composing the machine (and its auxiliary equipment), thereby providing the instructions on possible extraordinary operations which may become necessary.
Before conducting any type of maintenance or cleaning intervention reported in this paragraph, it is necessary to section the machine from the electrical power supply; do so by removing the plug from the power socket.
DANGER: the manufacturer declines all responsibility for any damage to property and/or persons deriving from improper interventions conducted by unqualified, untrained, inadequately equipped or unauthorised staff.
Safety Signs
To conduct correct maintenance and cleaning operations, it is indispensible to take into consideration the indications reported below.
- During interventions, it is necessary to signal machine intervention using specific signs (these signs are positioned in such a manner to prevent any undesired intervention on the machine).
- During the interventions only authorised staff can access the work area.
ATTENTION: the maintenance and cleaning operations must only be conducted by expert and specialist staff that have read and understood all the indications reported in this Use and Maintenance Handbook.
DANGER: only dismantle the parts of the machine actually necessary to conduct the specific maintenance operation. Furthermore, before re-delivering the machine to operators, it is necessary to verify its integrity and functionality.
All the materials with environmental impact which must be eliminated after maintenance interventions must be disposed of according to norms in force.
ATTENTION:: to dispose of materials with high environmental impact, if necessary, appoint specialist structures
In any case, to conduct all the maintenance and cleaning operations reported below on the machine, the following Individual Protection Devices are necessary:

Verification of Material Availability
With an advance of at least 60 days from the fixed date for maintenance interventions, conduct a detailed examination of the necessary material
- check the material is in the warehouse,
- if necessary, ask the manufacturer’s Technical Office for the missing pieces, at least 30 days in advance
Emergency system
DANGER:: for the machine, only operators correctly trained and informed on the risks present can intervene on the machine and only having fully read this use and maintenance handbook. The manufacturer declines all responsibility for any damage to property and/or persons deriving from improper interventions conducted by unqualified, untrained or unauthorised staff.
DANGER: before conducting any planned cleaning interventions, ensure the machine is sectioned from the power supply, and any hot surfaces have cooled.
If a functioning fault or anomaly occurs on the electronic central unit and immediate replacement is not possible, the EMERGENCY SYSTEM can be used to maintain the unit operational until the central unit is replaced. To use this system, having sectioned the machine, proceed as follows:
- Remove all bridges on the L terminals and the common ones on the board relays (terminals 25-28- 33-36-38);
- As reported in the diagram in Figure 7, connect a thermostat between terminal L, the NO terminals (terminals 32,37) and the NC terminal (terminal 34) of the relays on the compressor, defrosting and fans (COMP, DEF and FAN).
- Then make a bridge between the L terminals and the NO terminal of the ON/OFF relay (terminal 26 for power supply of the tolerance on the carter, door and drainage where present).
- Connect the Blocksystem again to the power line and set the thermostat to the desired temperature.
DANGER: what we’ve described is a temporary connection! As soon as possible contact the vendor or directly contact the manufacturer to replace the non-operating board.
ATTENTION: during the entire emergency phase, defrosting is excluded, therefore we recommend you reduce opening the coldroom to a minimum.
When installing the new central unit, restore all the connections described in points 2, 3, 4 and 5.
Figure 7 – Emergency system.

Cleaning and maintenance
DANGER: the manufacturer declines all responsibility for any damage to property and/or persons deriving from incorrect or incomplete maintenance.
DANGER: before conducting any planned ordinary maintenance interventions, ensure the machine is sectioned from the power supply; also wait for any hot surfaces to cool
ATTENTION: in case of replacement of machine components, they must be replaced with identical and original components.
ATTENTION: Any measures taken to braze on a product category risk PED ≥ 1, must be conducted by qualified professionals.
The most significant and important operations are related to ordinary maintenance and can be summarised as follows’
- On a weekly basis check the evaporator is clean, in particular that there is no ice accumulation. When the evaporator is obstructed by ice, conduct manual defrosting and keep the “UP” key pressed for more than 5 seconds. Repeat the procedure until the evaporator is completely clean. Check after 12 hours.
- Periodically clean (at least each month) the condenser by removing dust and grease. If the room where the unit is installed is very dusty, you can clean it more frequently.
- Every four months clean the fastened and mobile contacts, for all the counters and replace them if they show signs of deterioration.
- Check (every four months) the tightening of all the electrical terminals both inside the panels and on the terminal blocks of each electrical utility; carefully also check tightening of the fuse elements.
- Visually check the entire refrigerator circuit, also inside the machines, to search for refrigerant leaks, which can also be found looking for traces of lubricating oil. If in doubt, prompt, in-depth intervention is required. Check for refrigerating gas leaks:
- for systems with 3 kg ≤ refrigerant load < 30 kg the control must be annual;
- for systems with 30 kg = refrigerant load < 300 kg the control must be six monthly;
- for systems with a refrigerant load ≥ 300 kg the control must be quarterly.
- If a leak is detected, immediate intervention is required and an audit must be conducted within 30 days to ensure the repair was efficient. Every four months check the regular flow of the refrigerant in the light on the liquid line.
- Every four months check the level of oil using the specific light (where present) on the compressor carter.
- Every four months use the passage light glass on the liquid line to examine the colour of the element sensitive to humidity.
- Green indicates dry, yellow indicates humidity. If humidity is indicated, stop the machine immediately and replace the filter on the liquid, replace the refrigerant and oil load. Repeat the control after 3 days of functioning.
- Every four months check the noise of the compressor. This operation should be conducted with care because it requires the system to be functioning; check the presence of ticking or vibrations which are synonymous with breakages or excessive mechanical ranges between the moving parts. Regularly check the drainage of condensate water is not clogged. For the MBP and LBP models, check the water drainage tolerance is efficient
Out of service, dismantling and demolition
To perform these dismantling and demolition operations, the following Individual Protection Devices are necessary

Machine placed out of service
To place a machine out of service for a long period, follow the operations below:
- Remove machine voltage.
- Clean the machine.
- Also conduct the maintenance operations and then cover the machine with a sheet.
Dismantling
If it is necessary to dismantle the machine, follow the procedures indicated below.
- Isolate the machine from electrical power.
- Refer to the Paragraph 4.4.1 – De-installation in Chapter 4 – Transport and Installation, proceed to de-install the machine; also contact the manufacturer’s Technical Office to obtain the necessary support during this intervention.
- To proceed to moving the machine components, work according to the instructions reported in Paragraph 4.2 – Transport and Movement in Chapter 4 – Transport and Installation.
- Organise the components adequately based on the fact they have to be transported to another location (refer to Paragraph 4.2 – Transport and Movement in Chapter 4 – Transport and Installation), which must be stored (refer to Paragraph 4.4 – Storage in Chapter 4 – Transport and Installation) or demolished (refer to Paragraph 6.2.3 – Demolition).
DANGER: the manufacturer declines all responsibility for any damage to property and/or persons deriving from improper interventions conducted by unqualified, untrained, inadequately equipped or unauthorised staff.
Demolition and disposal
When the machine has reached the end of its lifecycle, before proceeding to final disposal, it is necessary to perform a series of operations to minimise environmental impact linked to the disposal of the machine components, as requested by the norms in force on waste disposal. These operations are:
- Separate and store the parts with environmental impact, or rather:
a. separate the various parts that could cause pollution;
b. select the materials to encourage their recycling, dividing them for differentiated disposal (in particular select the plastic or rubber elements). - The gas contained in this system must not be dispersed in the environment. Thermal insulation of the buffer and oil in the compressor must undergo differentiated collection; for this reason, we recommend you dispose of the generator only in specialist collection centres and not as normal iron scrap, following the norm directives in force.
- Dispose of the casing, or rather:
a. having removed and stored the polluting elements, entrust disposal of the casing to specialist structures.
ATTENTION: on demolishing the machine, ensure the identification plate of the machine and the relevant technical documentation can no longer be used. It is the faculty of the client to return these elements to the manufacturer’s Technical Office for their destruction. Simple conservation in an inaccessible location of the aforementioned elements is not permitted.
On completion of the interventions, communicate to the manufacturer’s Technical Office that the machine has been disposed of.
Optional
On the machine, on request of the customer, it is possible to have the following optional.
WATER CONDENSATE
It is obtained by replacing the air-cooled condenser with a water-cooled condenser. To connect the water-cooled condensers, you must use tubes with a diameter of no less than those present on the Blocksystem, in compliance with the input and output instruction. If the unit is dimensioned for water condensation with tower water, the inlet tube is the tube composed of a joint that connects the two smaller-section tubes of the condenser. Instead, when the condensation is planned with well water, the inlet tube is distinguished because a static pressure regulator valve is installed on it that is used to regulate the water flow. Install the shut-off valve of the water supply line within the operator’s reach.
WARNING: never turn off the water supply shut-off cock when the machine is running.
To improve the performance and lifetime of the machine, make sure that:
- the water temperature is between 20 and 30°C for units with tower-water condensation and between 5° and 20°C for units with well-water condensation;
- the water pressure is between 1 and 5 bars
WARNING: water piping must be protected from low outside temperatures.
CONDENSATION CONTROL WITH PRESSURE SWITCH
(optional – when not provided as standard) Stops the condenser fan when the condensation pressure goes under the calibration value less the differential.
CONDENSATION CONTROL WITH CONDENSER FAN SPEED VARIATOR (optional – when not provided as standard) Adjusts the condenser fan speed according to the condensation pressure, in order to keep it within the set limits. It is connected into the high pressure circuit. The instructions for use are attached to the machine documentation.
LOW PRESSURE SWITCH
It is activated, stopping the machine, when the pressure in the suction circuit drops below the value at which it is calibrated. This is as a consequence of a failure.
CRANKCASE HEATER
It is used to heat the compressor crankcase prior to start and to keep it warm during shutdown. The heat produced by the resistance causes the evaporation of any liquid refrigerant which lies inside the compressor.
REMOTE PANEL
It allows to position the control panel at a certain distance from the Blocksystem; for example next to the door of the cold room (max distance 100m).
VOLTAGE MONITOR
It disconnects the power supply to the Blocksystem in case the line voltage exceeds the set range. Reset is automatic.
DIFFERENTIAL THERMO-MAGNETIC SWITCH
A device that protects the Blocksystem from overloads, short circuits and indirect contacts.
- FA BLOCKSYSTEM PLUG-IN VERSION KIT
- FA 1×250 – COD.99600133
- FA 1×300 – COD.99600135
- FA 1×350 – COD.99600137
With the plug-in version, it can change the assembling modes from the standard saddle version to the plug-in version (assembly instructions are provided with the plug-in).
DIFFERENT VOLTAGE
| 1 | 230/1/50 Hz |
| 2 | 400/3/50 Hz |
| 3 | 115/1/60 Hz |
| 4 | 220/3/60 Hz |
| 5 | 220/1/60 Hz |
| 6 | 460/3/60 Hz |
| 8 | 230/3/50 Hz |
ADDITIONAL MODULE FOR MASTER/SLAVE FUNCTIONING
It allows you to connect together 2 Block systems into a cold-room with the possibility of synchronized functions (defrosting, alarm temperature display and Block system running).
ADDITIONAL MODULE FOR MONITORING, REGISTRATION AND TELEMANAGEMENT
Allows connections of the Blocksystem to a telemanagement system.
TELEMANAGEMENT SYSTEM
Enables monitoring and programming of the Blocksystem via a PC or data recorder. It gives the possibility of advanced management (communication via modem or GSM) of all Block system alarms
Faults search
| POSSIBLE CAUSES | SOLUTIONS | |
| A | The compressor does not start up and does not release a humming sound
|
|
| B | the thermal protector intervenes
|
|
| C | The compressor starts up, but the relay doesn’t open
|
|
| D |
|
|
| E | The compressor starts up and circulates, the functioning cycles are of brief duration 1 Thermal protector. 2 Thermostat. 3 Intervention of the high pressure switch, due to the insufficient cooling of the condenser. 4 Intervention of the high pressure switch, due to the excessive load of refrigerant gas. 5 Intervention of the low pressure switch, due to the scarce load of refrigerant gas. 6 Intervention of the low pressure switch, due to the restriction or clogging of the expansion valve. |
|
| F | The compressor operates uninterruptedly or for long periods
|
|
| G | Electric-run condenser damaged, interrupted, or in short circuit
|
|
| H | Start-up relay defective or burnt out
|
|
| I | Cold-room temperature too high
|
|
| L | Frosted suction piping
|
|




































