Orbit 50022 All In One Sprinkler System Kit with B Hyve Timer

Complete Sprinkler System Kit
For instructions in Spanish, visit: orbitlonline.com
WARNING: Check Local Codes
It is important that you check with your city, county, state, and municipal water agencies to learn the local codes and permit requirements for sprinkler systems. Call utility providers to mark utility lines. Call before you dig; in most areas dial 8-1-1. Call days in advance to give the utility companies time to mark their lines on your property.
CAUTION:
In order to keep your drinking water safe and free of hazards, all faucets must be protected against the possibility of water flowing backwards from this irrigation system, into the home. If your faucet does not have a backflow device, such as a vacuum breaker, make sure to install one before attaching this sprinkler system. The home’s backflow device must be compliant with local and federal plumbing codes. Orbit is not responsible for damage or harm caused by not installing and maintaining the appropriate backflow prevention device.
One Zone Kit Product List

2-Zone Kit Additional Product List
If you purchased the Complete 2-Zone Sprinkler System Kit you will have these additional items:

STEP 1 Test Your Pressure
Attach the pressure gauge to the desired hose faucet, turn water on to find out how much pressure is available.
If pressure exceeds 80 psi it is recommended to use a pressure reducer.
If pressure is below 35 psi, please note that this system may not work as designed.
STEP 2 Determining Sprinkler Head Spacing
Your available pressure will determine how far your sprinkler heads will spray water. Use this chart to help you determine how far apart to space your heads.
Distances are approximate and based on the Orbit recommended, U-shaped, design.
Performance will vary based on your design, and whether or not you choose to use all of the sprinkler heads in the kit. The spacing is based on the .75 nozzle provided with the kit. Distance will vary if the nozzle is changed.
STEP 3 Prepare the Blu-Lock Pipe
- Unroll the 125′ coil of pipe, making sure not to kink the pipe in the process.
- Let the pipe rest in the sun for approximately one hour (depending on how warm it is outside), which will make the pipe easier to put into place.
While you are waiting for the pipe, you can move on to the next few steps.
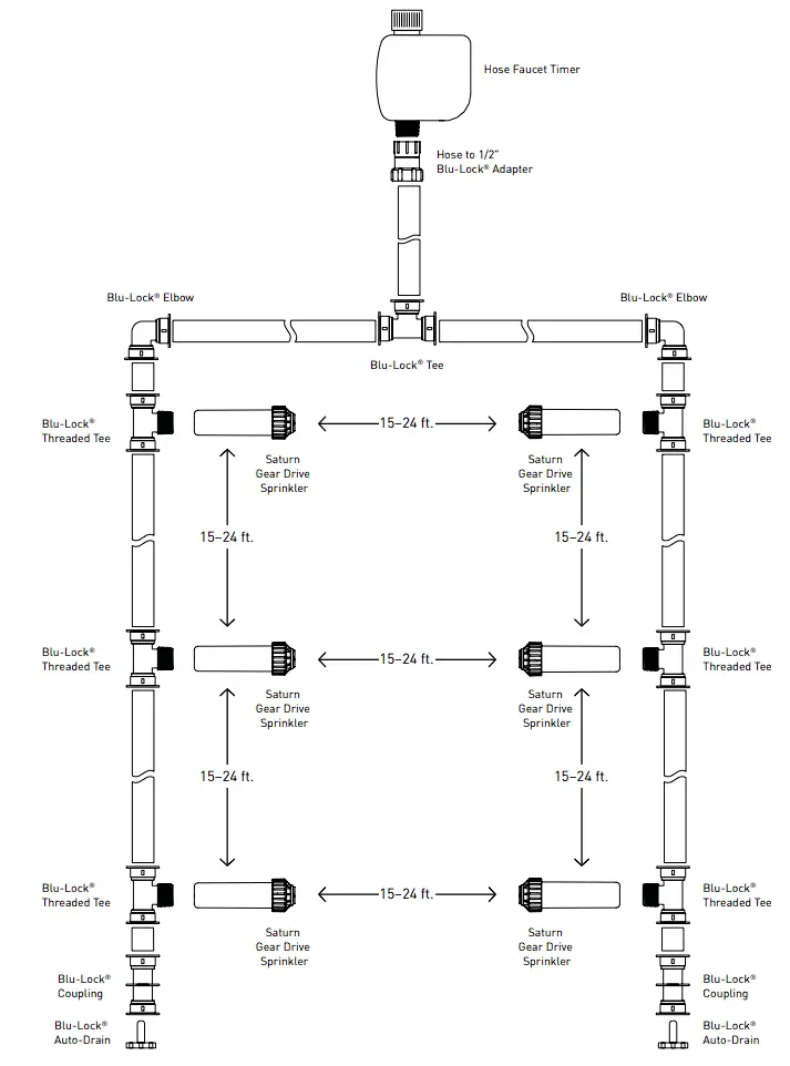
STEP 4 Design Your System
For optimal coverage and health of your plants, locate each sprinkler so that the spray distance reaches adjacent sprinklers. Ideally the sprinkler heads’ spray pattern will spray over each head a short distance.
- Orbit recommends the U-shaped design shown in this manual, but this design can be adapted to the unique shape of your landscape.
- To ensure proper pressure and spray coverage of your lawn, do not put any more than three sprinkler heads on any length of pipe.
- If you have the 2-zone kit, adapt this design for your second zone. It is okay to have extra parts left over when you are done; we added parts for varying layouts.

STEP 5 Connect the Timer
Connect the timer to the desired faucet and then connect the Hose to ½” Blu-Lock adapter to the timer.
STEP 6 Cut the Pipe
Cut the pipe where tees, elbows, and couplings will be located. Mark the Blu-Lock pipe one inch from the end before installing the fittings. This mark will help you know how far to push the fittings on to the Blu-Lock pipe. Don’t worry if the pipe stays coiled, it will straighten out as fittings are attached.
STEP 7 Connect the Fittings
Connect the Blu-Lock pipe to the Hose to Blu-Lock adapter, tees, elbows, and couplings where you made your cuts. Make sure to push the pipe all the way into each fitting using the marking you made in Step 6. Attach sprinkler heads and auto-drains to the appropriate fittings.
Auto-drains allow water to purge the pipes, reducing possible damage to your system. This does not take the place of winterizing your irrigation system. Be sure to properly winterize if you live in an area with freezing temperatures.
STEP 8 Test Your System
Above ground, place your pipes, sprinkler heads, and drains in the desired location. Stake or secure your sprinkler heads to the ground so they will not move when you turn your water on to perform this test. Turn your water on slowly.
Look for leaks. Blu-Lock fittings are designed to be removed in case adjustments are needed. First make sure that your water is off, then simply pull back on the blue tabs located at the end of the fitting, push the pipe in, twist the pipe, then pull the pipe out.
Leave the water on. If water does not reach from sprinkler head to sprinkler head, see Step 9.
STEP 9 Adjust Your Sprinklers
Watch each sprinkler head as it rotates to ensure desired coverage. You can also improve your coverage by moving sprinkler heads, or adjusting the sprinkler with a flat head screw driver.
See the enclosed Saturn III, Gear Drive Sprinkler manual for complete instructions on how to adjust the sprinkler head.
STEP 10 Digging
Once you are satisfied with your system coverage, it is time to dig down to bury the pipe.
- Start by removing your sod, dig down a few inches in rectangular or square shapes and pry up your sod. Set the sod aside so that it can be put back in place later.
- Dig down through your soil a total of eight inches. The top of the sprinkler head should be level with the ground.
- Auto-Drains should be installed at the lowest elevation point in the system so that water can properly drain from it. Dig the auto-drain locations deeper than the rest of your pipe.

STEP 11 Clean Up
Bury your trenches. Shovel and rake soil back into the trench it came from, making sure to compact your trench so soil will not settle and create a trip hazard in your yard. Replace sod back over your trenches.
Clean up any extra material from your yard.
STEP 12 Program Your Timer
See the included timer instruction manual on how to program your timer.
Recommended Sprinkler System Design

Need more help?
Try our online videos at orbitonline.com/support/
We have many helpful videos such as:
- How to Perform a Water Pressure Test
- Saturn III Gear Drive Sprinkler by Orbit
- How to Program an Orbit Hose Faucet Timer
(find the timer model number appropriate for your system) - How to Winterize a Sprinkler System
For help with your sprinkler design try: www.design.orbitonline.com
Orbit® North Salt Lake, UT 84054
1-800-488-6156 orbitonline.com
©2019 Orbit® Inc. All rights reserved.
50020-24 rA




















