Antari M-7X Stage Fog Machine

OVERVIEW
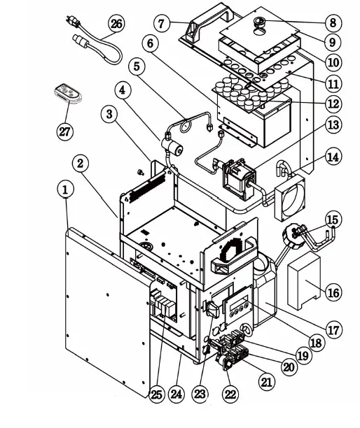
SPARE PARTS OF M-7X

Note: This is an exploded diagram of 120V machine, For 220-240V, please contact your local Antari dealer or us.
Safety Information
Please read the following safety information carefully before operating the machine. Information includes important safety information about installation, usage, and maintenance. Pay attention to all warning labels and instructions in this manual and printed on the machine. If you have questions about how to operate the machine safely, please contact your local Antari dealer for help.
- Keep this device dry.
- Always connect to a grounded circuit to avoid risk of electrocution.
- Before connecting the machine to power, always check the voltaged indicate on the machine matches to your local AC voltage. Do not use the machine if AC power voltage does not match.
- Disconnect the machine from AC power before servicing and when not in use.
- If the supply cord is damaged, contact your local Antari dealer for replacement.
- This product is for indoor use only! Do not expose to rain or moisture. If fluid is spilled, disconnect AC power and clean with a damp cloth. If fluid is spilled onto electronic parts, immediately unplug the machine and contact your local Antari dealer for advice.
- No user serviceable and modifiable parts inside. Never try to repair this product, an unauthorized technician may lead the machine to damage or malfunction.
- For adult use only. Children being supervised not to play with the machine. Never leave the machine running unattended.
- The machine is not to be used by persons (including children) with reduced physical, sensory or mental capabilities, or lack of experience and knowledge.
- Installed in a well ventilated area. Provide at least 50 cm space around the machine.
- Never add flammable liquid of any kind to the machine.
- Make sure there are no flammable materials close to the machine while operating.
- Only use Antari fluid. Other fluid may lead to heater clog and malfunction.
- If the machine fails to work, unplug the machine and stop operation immediately. Contact your local Antari dealer for .
- Before transporting the machine, make sure the fluid tank is completely drained.
- Smoke fluid may present health risks if swallowed. Do not drink smoke fluid. Store it securely. In case of eye contact or if fluid is swallowed immediately look for medical advice.
Unpacking and Inspection
Immediately upon receiving the machine, carefully unpack the carton, check all content to ensure that all parts are present and have been received in good condition. If any parts appear damaged or mishandled from shipping, notify the shipper immediately and retain the packing material for inspection.
What is included:
- 1 x M-7X Fogger
- 1 x W-2 Wireless Remote
- 1 x Power Cord
- 1 x User Manual
Product Dimension
Product Overview

Setting Up
- Step 1: The fog machine can be rigged at any angle. Leave at least 50 cm open space around the machine. Clamps can be installed at bottom of M-7X fog machine. See below image. The threads of the opening hole for clamps are M10 with 1.5 pitch.

- Step 2: Fill the fluid tank with Antari-approved fluid.
- Step 3: Connect the machine to suitably rated power supply. To determine the power requirement for the machine refer to the label on the back of the machine.
- Step 4: Turn on the machine and allow it to heat up. Heat up takes approximately 5 mintues. Once the machine has reached operating temperature, the LCD display will show “Ready To Fog”. Now the machine is ready for operation.
- Step 5: To start making fog, locate the button on the control panel, and press the button to start making fog.
- Step 6: To turn off the machine, press STOP button and turn Powercon to the OFF position
Operation
Control Panel Operation
The machine can be operated with an onboard digital control interface

| Button | Function |
| [MENU] | Scroll through setting menu |
| ▲ [UP]/[TIMER] | Up/Activate Timer function |
| ▼ [DOWN]/[VOLUME] | Down/Activate Volume function |
| [STOP] | Deactivate Timer/Volume function/Return to Standby |
Control Menu

- Set DMX address from 1 to 504
- Set machine as Master of Slave unit
- Turn built-in LED color mode On or Off
- Set LED output color from macro 1 to 10
- Set LED chase from 1 to 15
- Set interval from 15 to 360 seconds
- Set duration from 1 to 5 seconds
- Turn On or Off W-2 wireless control function
- Set wireless remote button function macro color 1 to 10 or chase 1 to 15 and off.
- Set wireless remote button function macro color 1 to 10 or chase 1 to 15 and off.

- Set wireless remote button function macro color 1 to 10 or chase 1 to 15 and off.
- Set wireless remote button function macro color 1 to 10 or chase 1 to 15 and off.
- Setting for LED to turn on with fog only or always on.
- Set LED delay time before off from 0.3-0.5 or 0-5 seconds.
- Turn On/Off run last setting function
- Turn On/Off 2-7 Sec Jet Mode; Jet output can be set between 2-7 seconds
- Turn On/Off W-DMX
- Rest W-DMX connection
Wireless Operation
Wireless remote control system W-2 consist of a transmitter equipped with four buttons to activate four user-configurable LED setting and fog; with an onboard receiver attach to the rear panel of M-7X.


Wireless settings are configurable through onboard control panel, refer to control menu section to setup each buttons. In an open unobstructed space the effective distance is 50 meters, the effective distance depending on obstacle level is 10-25 meters.
Registering transmitter
The transmitter can be paired or deleted from the receiver. Each receiver can pair up to 10 transmitters. Follow the steps below to pair or delete a transmitter from the receiver.
- Step 1: Power off M-7X Fogger
- Step 2: Press and hold [DOWN] button
- Step 3: Turn power on and release [DOWN] button when LCD display blinks
- Step 4: Follow the menu instruction to pair or delete transmitter

Transmitter battery replacement
If the effective distance appears to be decreased, it is possible the battery level is low and require replacement. In order to replace the battery, undo the three screws on the back of transmitter to release the cover. Replace with the same type and specification of battery which is 27A 12V
DMX Connector Pin Assignment
The machine provides 3 or 5 pin XLR connector for DMX connection. The diagram below indicates pin assignment information

| Pin | Function |
| 1 | Ground |
| 2 | Data- |
| 3 | Data+ |
| 4 | N/A |
| 5 | N/A |
DMX Channel Function
| Channel 1 | DMX Value Range | Function |
| Fog | 0 – 4 5 – 255 | Fog Off Fog On (lasts for 20s) |
| Channel 2 | DMX Value Range | Function |
| Red LED | 0-255 | 0-100% |
| Channel 3 | DMX Value Range | Function |
| Green LED | 0-255 | 0-100% |
| Channel 4 | DMX Value Range | Function |
| Blue LED | 0-255 | 0-100% |
| Channel 5 | DMX Value Range | Function |
| Amber LED | 0-255 | 0-100% |
| Channel 6 | DMX Value Range | Function |
| Chase | 1-15 | Chase 1 |
| 16-31 | Chase 2 | |
| 32-47 | Chase 3 | |
| 48-63 | Chase 4 | |
| 64-79 | Chase 5 | |
| 80-95 | Chase 6 | |
| 96-111 | Chase 7 | |
| 112-127 | Chase 8 | |
| 128-143 | Chase 9 |
| 144-159 | Chase 10 | |
| 160-175 | Chase 11 | |
| 176-191 | Chase 12 | |
| 192-207 | Chase 13 | |
| 208-223 | Chase 14 | |
| 224-255 | Chase 15 | |
| Channel 7 | DMX Value Range | Function |
| Chase Speed | 0-255 | 0-255 step per min |
| Channel 8 | DMX Value Range | Function |
| Master Dimmer | 0-255 | 0-100% |
| Channel 9 | DMX Value Range | Function |
| Strobe | 0-255 | 1-20 Hz |
Status of W-DMX Connection (Optional)
| Symbol on the Liquid Crystal Display | Status of W-DMX connection |
| ○ | Transmitter not assigned |
| ◎ | Transmitter assigned, No DMX signal |
| ⊙ | Transmitter link lost or linking to transmitter |
| ● | Transmitter assigned, DMX signal received |
Fluid
Use Antari FLC water-based Fluid for the best effect for the M-7X Fogger. The machine is tested and calibrated with this liquid to get the best output performance. Warranty will be voided if any other type of liquid is used, improper use of liquid may lead to machine failure and malfunction.
Service and Maintenance
- Do not allow the machine to become contaminated.
- Remove dust from air vents with air compressor, vacuum or a soft brush.
- Only use a damp cloth to clean the casing.
- Before storing run distilled water through the system to help avoid condensing the pump or heater.
- It is recommended to run the machine on a monthly basis in order to achieve best performance and output condition.
- Excessive dust, liquid and dirt built up will degrade performance and cause overheating
Breaker Reset
- Step 1: Disconnect AC power
- Step 2: Flip breaker to ON position
- Step 3: Turn on machine to test

Breaker
- 100V = 16A 250V
- 120V = 15A 250V
- 240V = 9A 250V
Technical Specifications
- Input voltage US model:AC 100-120V, 50 / 60Hz 13A
- Rated power EU model:AC 220-240V, 50 / 60Hz 6.5A
- Light source 1516W
- Warm-up time 22 x 3W LED (5 Red, 6 Green, 6 Blue, 5 Amber)
- Fluid consumption 0°C – 40 °C (32 °F-104 °F)
- Fluid tank capacity 10 meters height
- Compatible fluid DMX512, Timer, Manual, Wireless, Master/Slave
- Ambient temp. range Wireless DMX (Optional)
- Output 9 channels
- Control Neutrik TRUE 1 Connector (Power)
- DMX channels XLR 3-pin and 5-pin (DMX)
- Optional accessories WTR-90 Wireless DMX
- Dimension L344 W193 H381 mm (L13.54 W7.60 H15 inch)
- Weight 14 kg (30.8 lbs)

Product Overview


















