F-80Z / F-80ZY Fog Machine
User Manual
F-80Z / F-80ZY
Fog Machine User Manual![]()
© 2021 Antari Lighting and Effects Ltd.
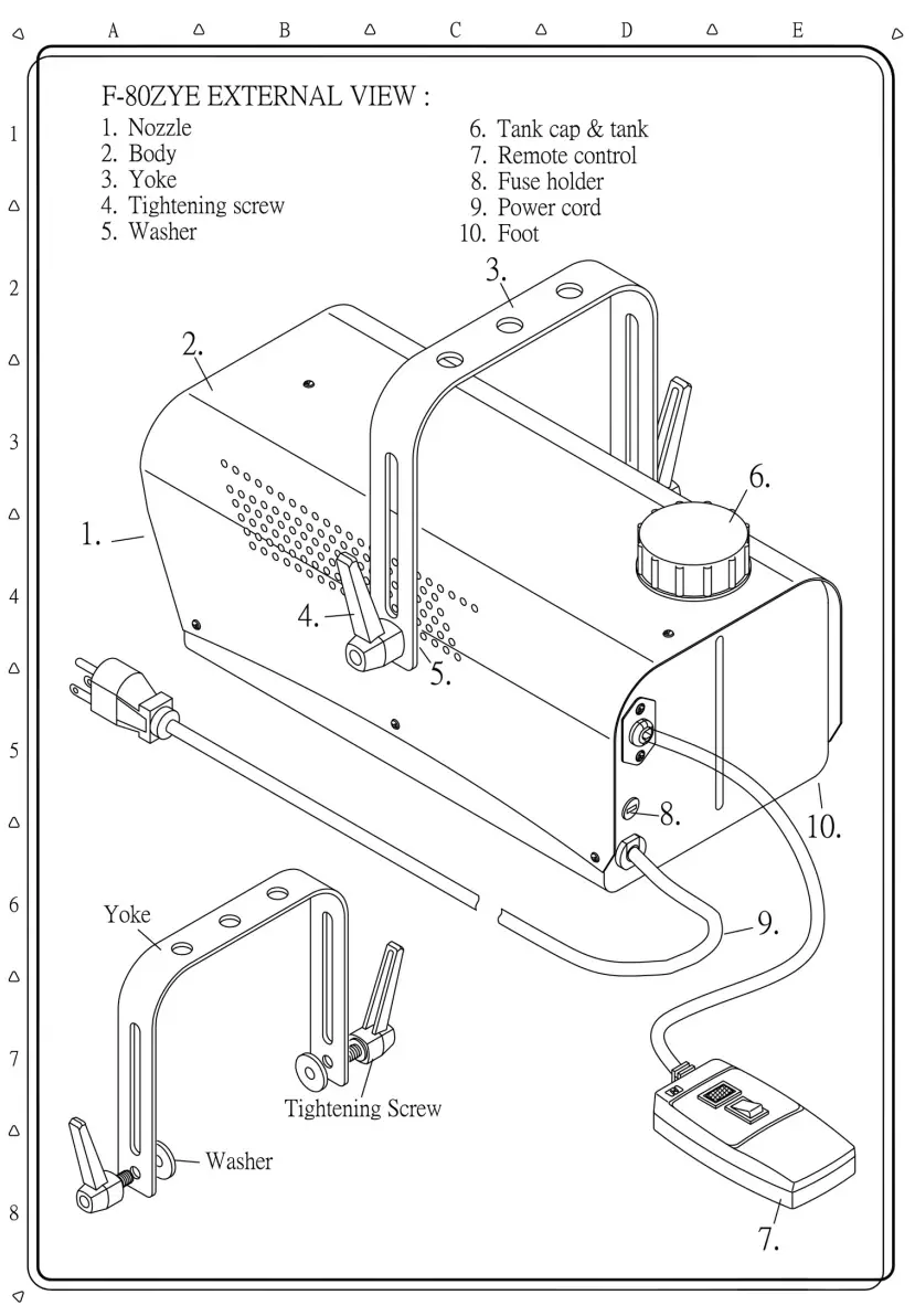
F-80Z Fog Machine
Thank you for choosing the F-80Z. You now own a rugged and powerful state-of-the-art machine. Prior to use, we suggest that you carefully read all of the instructions. By following the suggestions found in this user manual, you can look forward to an exceptional performance from your Antari Fog Machine for years to come.
Please follow this operation, safety, and maintenance instructions to ensure a long and safe life for your fog machine.
SPECIFICATIONS

- Power: US model: AC 100-120V. 50/60Hz
- EU model: AC 220-240V. 50/60Hz
- Heater: 700W
- Fuse: AC 120V (250V / F7A)
- AC 240V (250V / F3.15A)
- Warm-up time: 4 minutes
- Output: 2500 cuft/min
- Tank capacity: 0.8 litre
- Dimensions: 330 x 160 x 130 mm
- Weight: 3.6 kg
CAUTIONS
Pay attention to all warning labels and instructions printed on the exterior of your Antari Fog Machine
Danger of electric shock
- Keep this device dry.
- For indoor use only. Not designed for outdoor use.
- Prior to use make sure that the unit is installed using the properly rated voltage
- Always unplug your Antari Fog Machine before filling its tank.
- Keep the fog machine upright.
- Turn off or unplug when not in use.
- This machine is not waterproof. If moisture, water, or fog liquid gets inside the housing, immediately unplug the unit and contact a service technician or your Antari dealer before using it again.
- No user-serviceable parts inside. Refer to your Antari dealer or other qualified service personnel.
Danger of burns
- For adult use only. Fog machines must be installed out of the reach of children. Never leave the unit running unattended.
- Keep the nozzle at least 50 cm away from contact with anything while operating.
- The fog vapor at the point of release is under pressure and is extremely hot.
- Never aim the output nozzle directly at people.
- Fog machine output is very hot. Avoid coming within 50 cm of the output nozzle during operation
- Operate the fog machine in a well-ventilated area. Never cover the unit’s vents. In order to guarantee adequate ventilation, allow a free air space of at least 20 cm around the sides and top of the unit.
- Never aim the output nozzle at open flames.
- The output nozzle becomes very hot during operation (300 degrees C). Keep flammable materials at least 50 cm away from the nozzle.
- Always allow your Antari Fog Machine to cool down before attempting to clean or service it.
Danger of explosion
- Never add flammable liquids of any kind (oil, gas, perfume) to the fog liquid.
- Use only the high-quality, water-based fog liquid that your Antari dealer recommends. Other fog liquids may produce a lower quality fog, clogging and “spitting” of unevaporated liquid.
- Always make sure there is sufficient liquid in the fog liquid tank. Operating this unit without liquid will damage the pump and the heater.
- If your Antari Fog Machine fails to work properly, discontinue use immediately. Drain all fog liquid from the tank, pack the unit securely (preferably in the original packing material), and return it to your Antari dealer for service.
- Always drain the tank before shipping or transporting this unit.
- If fog liquid comes in contact with skin or eyes, rinse thoroughly with water. Never drink fog liquid. In case of ingestion, immediately seek medical attention.
Unpacking & Inspection
Open the shipping carton and check that all equipment necessary to operate the system has arrived intact. In addition to the F-80Z, you should receive the following items:
- FCW-80Z wired remote
- Hanging bracket
- 800 ml (1 quart) Liquid tank.
- Before beginning the initial setup of your Antari Fog Machine, make sure that there is no evident damage caused by transportation.
- In the event that the unit’s housing or cable is damaged, do not plug it in and do not attempt to use it until contacting your Antari dealer for assistance.
Setup
- Remove all of the packing materials from the fog machine. Check that all the foam and plastic padding are removed, especially around the nozzle area.
- Fill with Antari Fog Liquid or other high-quality water-based fog fluid. Any other type of fluid can damage the unit. When filled, place the cap back on liquid tank.
- Firmly attach the remote control cable to the proper input located on the rear of the machine.
Operation
- Plug the power cord into a grounded electrical outlet. If necessary, turn the power switch on the rear of the unit to the “ON” position. The machine starts to warm up and the red lamp on the remote control will be on. When warm-up is complete the red lamp is off.
- To emit fog, press the button on the remote and hold it for the desired length of time.
- The remote unit’s lamp will cycle on and off as the machine re-heats to the proper operating temperature.
- For further information on operating your Antari Fog Machine, see the section titled, “Remote Control Operation”.
Installation
The F-80Z fog machine includes a mounting bracket designed for overhead installation. This bracket allows the unit to be hung from lighting equipment trussing or other suitable supports. The unit can also be operated at floor level or placed on any regular surface as well.
If the unit is to be mounted using the bracket, it is important that the fog is not aimed directly at anybody’s face. Therefore, do not point the nozzle in the direction of a person.
Whatever installation method you choose, do not allow the unit to have more than a 15-degree angle of inclination.
Remote Control Operation
- FCW-80Z-I (American Standard)
FCW-80ZE-I (European Standard)
3 meter ON/OFF wire remote controller.
- FC-5I (Optional for F-80Z):
Wireless remote controller. Remote operation of on/off function is possible up to a distance of 50 meters.
Maintenance
Do not allow the fog liquid to become contaminated. Always replace the caps on the fog liquid container and the fog machine liquid tank immediately after filling. After every 40 hours of continuous operation, it is recommended to run distilled water through the system to prevent the accumulation of particulate matter in the heating element. When cleaning, use only a clean, lint-free cloth. An effective cleaning regimen is as follows:
- While the unit is unplugged and cool, unscrew the nozzle at the very front of the unit and clean out debris with vinegar and a pipe cleaner, making sure that the hole is free of clogs.
- Empty all fog fluid from the machine. Add cleaning solution to the tank. Plug the unit in and begin to warm up
- Run the unit in a well-ventilated area until the tank is empty.
- Replace the nozzle and refill with liquid.
Cleaning your fog machine regularly will help reduce costly parts replacement and repair charges.
Important Always monitor tank fluid level as you are fogging. Running a fog machine with no fluid can permanently damage the unit. If you experience low output, pump noise or no output at all, unplug immediately. Check fluid level, the external fuse, remote connection, and power from the wall. If all of the above appears to be O.K., plug the unit in again. If fog does not come out after pressing the remote button for 30 seconds, check the hose attached to the tank to make sure there is fluid going through the hose. If you are unable to determine the cause of the problem, do not simply continue pushing the remote button, as this may damage the unit. Return the machine to your Antari dealer.
Performance Notes
- All fog machines develop condensation around the output nozzle. Because this may result in some moisture accumulation on the surface below the output nozzle, consider this condensation when installing your unit.
- Fog machines may sputter small amounts of fog occasionally during operation and for a minute or so after being turned off.
- All fog machines have a recycling period after bursts of fog when the machine will shut itself down for a short period in order to heat back up. During this time no fog can be produced.
- Only for liquids with certified suitability. Save these instructions



For current product information visit Antari at:www.antari.com
For information requests please contact us at:[email protected]


















