vetus BULFL0835 Flexible Propeller Shaft Coupling

Mounting
In connection with the axial movement of the propeller shaft a minimum free space between outer bearing and propeller hub is required.
Propeller-thrust
N.B. When sailing in forward direc-tion the rubber part must be com-pressed.
Using the Combiflex in combina-tion with a V-drive type gearbox is not allowed!

Over-size (larger) propeller shaft diameter
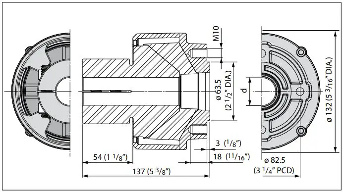
Reduce the propeller shaft diam-eter for the taper length (dimen-sion ‘A’) to the given dimension ‘d’ of the coupling, see Overall di-mensions. Radius ‘r’ minimal 2 mm (1/16”).

Misalignment
The maximum allowable misalign-ment of the propeller shaft is 2˚.

General assembly
To achieve a reliably operating coupling all the bolts and nuts must be tightened with the tor-ques given. Use a torque wrench; tightening it ‘in the blind’ will not lead to satisfying results.
The propeller shaft must be in-serted into the hub for a sufficient length (L) and the shaft and hub must be free of grease and dirt (*).

Tighten the bolts with the speci-fied torque.
Take care that the rubber parts are not affected by solvents.

Technical data
| 6 Technical data | ||||
| Max. torque to | DIN6270B : | 250 Nm (184 ft.lb) | ||
| Max. torque to | DIN6270A : | 212 Nm (156 ft.lb) | ||
| Max. power to | DIN6270B * : | 5,2 kW/100 rpm | 2,4 kW/100 rpm | |
| Max. power to | DIN6270A * : | 3,6 kW/100 rpm | 1,7 kW/100 rpm | |
| Mass moment of inertia | J : | 230 10-4 kg.m2 | ||
| GD2 : | 0.01 kgf.m2 | |||
| Dyn. torsion stiffness | : | 870 Nm/rad (8.93 °/100 ft.lb) | 600 Nm/rad (12.95 °/100 ft.lb) | |
| Axial pull stiffness | : | 1.7 kN/mm (0.0103 inch/100 lbf) | ||
| Axial push stiffness | : | 2.8 kN/mm (0.0063 inch/100 lbf) | ||
| Maximum angular displacement : 2° | ||||
| Max. rpm at | 2° : | 1500 rpm | ||
| 0° : | 4500 rpm | |||
| Max. thrust force | : | 10 kN (2248 lbf) | ||
* Max. Power: Pmax = Mmax . 2 . π . n (Mmax is the max. torque and n the RPM)
Dimensiones principales

Adapter flanges


Fokkerstraat 571 – 3125 BD Schiedam – The Netherlands
Tel.: +31 (0)88 4884700
[email protected] – www.vetus.com
Printed in the Netherlands
030210.01 2022-07


















