GLXD4R Plus Rack Mount Receiver
User Manual
GLXD4+ and GLXD4R+
System Overview
The GLX-D+ wireless systems from Shure combines the leading edge of automatic frequency management technology with bestinclass intelligent lithium ion battery rechargeability, world-renowned microphones and unparalleled design and construction. Available in a wide offering of bodypack and handheld configurations – including vocal, headset and presenter systems as well as traditional guitar options. The GLX-D+ wireless systems define the newest standard for seamless ease of operation and exceptional digital audio clarity.
- Exceptional digital audio clarity
- Operates in 2.4 GHz and 5.8 GHz spectrum, available worldwide
- Rechargeable batteries deliver cost-efficiency and up to 17 hours of runtime at 2.4 GHz and 12 hours of runtime at 5.8 GHz.
- Adjustable transmitter gain to optimize audio signal
- Automatically moves away from interference without audio interruption
- RF back-channel for remote control of transmitter functions
- Globally unlicensed 2.4 GHz and 5.8 GHz frequency band allows operation of up to 4 compatible systems in a typical setting and up to 8 compatible systems under ideal conditions
- Automatic transmitter power-off to conserve battery life when transmitter is not in use
Quick Start
To reduce set up time, the transmitter and receiver automatically link to form an audio channel the first time they are powered on and never have to be linked again.
Note: When setting up multiple receiver systems, turn on and link each transmitter/receiver pair one at a time to prevent cross-linking.
| Step 1 | Connect power supply to the receiver and plug cord into an AC power source. Connect the audio output to an amplifier or mixer. |
| Step ② | Install charged transmitter batteries. |
|
Step ③ | Turn on the transmitter and receiver. The blue RF LED will flash while the transmitter and re cleaver form a link. When the link has successfully formed, the RF LED will remain illuminated. Note: The transmitter and receiver will remain linked for future usage. At power-up, the blue RF LED will illuminate, skipping the linking step. |
| Step ④ | Check the audio and adjust the gain if necessary. |
Receiver Controls and Connectors
- Antenna
Two antennas per receiver. Antennas pick up the signal from the transmitter. - RF Status LED
◦ ON = Linked transmitter is on
◦ Flashing = Searching for transmitter
◦ OFF = Linked transmitter off or transmitter unlinked - Group Button
Press and hold for two seconds to enable manual group edit. - Link Button
Press to manually link receiver to a transmitter or to activate the remote ID function - Channel
◦ Momentary press to start a channel scan
◦ Press and hold 2 seconds to enable manual channel edit - LCD Screen
Displays receiver and transmitter status. - Gain Buttons
Press to increase or decrease transmitter gain in 1 dB increments. - Battery Charging Indicator
Illuminates when battery is in charging bay:
◦ Red = battery charging
◦ Green Flashing = battery charge > 90%
◦ Green = battery charged
◦ Amber Flashing = charging error, replace battery - Battery Charging Bay
Charges transmitter battery. - Power Switch
Powers the unit on and off.
Note: The battery continues to charges even when the switch is off. - Power Supply Jack
Connect the supplied 15 V DC external power supply. - Mic Out
XLR microphone output jack supplies microphone-level audio output. - USB-C Port
For uploading firmware updates - Instar Out
TRS ¼” (6.35mm) audio output. Connect to mixers, recorders, and amplifiers.
Receiver Screen
- Group
Displays the selected group. - Channel
Displays the selected channel. - Transmitter Battery Runtime
Displays remaining battery life in hours and minutes.
Alternatively displays the following battery status:
◦ CALC = battery life calculation
◦ Lo = battery life less than 15 minutes
◦ Err = replace battery - Audio Meter
Indicates audio signal level and peaks. - Gain
Displays transmitter gain settings (dB). - OL Indicator
Indicates audio overload, reduce gain. - Transmitter Locked
Displayed when linked transmitter controls are locked. - Scanning
Indicates a scan is in progress. - Auto
Indicates that the selected group has backup channels available.

Transmitters
- Antenna
Carries wireless signal. - Status LED
LED color and state indicate transmitter status. - Power Switch
Turns the transmitter on/off. - TA4M Input Jack
Connects to a 4-Pin mini connector (TA4F) microphone or instrument cable. - USB-C Charging Port
Connect to USB-C battery charger. - Link Button
◦ Press and hold within 5 seconds of power-on to manually link with receiver
◦ Press momentarily to activate Remote ID function - Battery Compartment
Holds 1 Shure rechargeable battery. - Microphone Cartridge
GLXD2+ transmitter models are available with the following cartridge types: SM58, Beta 58, SM86, Beta 87A.
Installing Transmitter Batteries
Bodypack Transmitter
- Move the locking lever to the open position and slide the battery door open.
- Place the battery into the transmitter.
- Close the battery door and slide the latch to lock.

Handheld Transmitter
- Unscrew and remove the battery cover.
- Place the battery into the transmitter.
- Replace and tighten the battery cover.

Multiple Receiver Systems
For ease of set up, frequencies are divided into groups to best match the channel requirements for your system.
Select the group by determining the total number of receivers in your system (channel count). All receivers in the system must be set to the same group.
| Group | Channel Count (Number of Re ceilers) | Number of Backup Frequencies | Notes |
| 1 | Up to 4 | 3 | Initial factory setting. |
| 2 | Up to 5* | 3 | Best multi-channel group if you experience interfere emcee. |
| 3 | Up to 8* | 0 | For large multi-channel systems. Only use Group 3 in controlled Wi-Fi environments because there are no backup frequencies to avoid interference. |
| 4 | 1 | 27 | Best single-channel group if you experience interfere emcee. |
*Environmentally dependent, 4 systems typical
See “Tips to Improve Wireless System Performance” section for additional information.
Setting Up Receivers and Transmitters
Note: Before beginning, turn off all receivers and transmitters. Turn on and set up each receiver/transmitter pair individually to prevent cross-linking.
- Turn on the first receiver.
- Press and hold the group button to select a group (if necessary) or if the group is already set, press the channel button to scan for the best available channel.
- Turn on the first transmitter. The blue fry LED will illuminate when a link is established.
Repeat steps 1-3 for each additional receiver and transmitter. Remember to set each receiver to the same group.
Note: Dashes appearing on the group and channel display during a channel scan indicate that frequencies are not available in the selected group. Choose a group that supports more receivers and repeat the set up steps.
Manually Linking a Transmitter to a Receiver
Use the manual linking option to change the transmitter linked to a receiver. A common use for manual linking is changing the linked transmitter from a bodypack type to a handheld type.
- Turn on the transmitter: Within 5 seconds, press and hold the LINK button until the transmitter LED begins to flash green.
- Press and hold the link button on the receiver: The blue rf LED will flash, and then remain on when the link has been established.
- Test the audio to verify the link and adjust the gain if necessary.
Combo Systems
A combo system is created by linking two transmitters to a single receiver. Only one transmitter can be active at a time to pre vent cross interference. Gain settings for each transmitter can be independently set and stored when the transmitter is active.
Important! Do not turn on and operate both linked transmitters at any time.
Turn off both transmitters before beginning.
- Press the group button to select a group. The receiver automatically scans the selected group to find the best available channel.
- Turn on transmitter 1 and link it to the receiver. Adjust the gain, and then turn off the transmitter.
- Turn on transmitter 2 and link it to the receiver. Adjust the gain, and then turn off the transmitter.
Firmware
Firmware is embedded software in each component that controls functionality. Periodically, new versions of firmware are delve opted to incorporate additional features and enhancements. To take advantage of design improvements, new versions of the firmware can be downloaded and installed using the Shure Update Utility tool.
Software is available for download from http://www.shure.com/update-utility.
Operation
Gain Adjustment
Use the gain buttons on the receiver to increase or decrease the gain of a linked transmitter:
- Turn on the linked transmitter and momentarily press the gain buttons to adjust the gain in 1 dB increments
- For faster gain adjustments, press and hold the gain buttons
Tip: Monitor the audio and observe the receiver audio meter level while adjusting the gain to prevent signal overload.
Locking and Unlocking the Controls
The controls of the receiver and transmitter can be locked to prevent accidental or unauthorized changes to settings.
Note: Locks are not affected by power cycles.
Locking the Receiver Controls
Simultaneously press and hold the group and channel buttons until LK appears on the LCD. Repeat to unlock.
- LK is displayed if a locked control is pressed
- UN is displayed momentarily to confirm the unlock command
Locking the Transmitter Power Switch
Starting with the transmitter set to off, press and hold the LINK button while turning on the transmitter. Continue to hold the link button until the lock icon appears on the receiver LCD. Repeat sequence to unlock.
Optionally, the transmitter power switch can be remotely locked from the receiver front panel:
Simultaneously press and hold the group and link buttons for approximately 2 seconds until the flashing lock icon appears on the receiver LCD. Repeat sequence to unlock.
Identifying Linked Transmitters and Receivers with Remote ID
Use the Remote ID feature to identify linked transmitter and receiver pairs in multiple receiver systems. When Remote ID is active, the receiver LCD will blink and display ID. The status LED of the corresponding transmitter will alternately flash red and green for approximately 45 seconds.
To activate Remote ID:
- Momentarily press the link button on the transmitter or receiver.
- The LCD of the linked receiver will blink and display ID and the status LED on the linked transmitter will flash red/green.
- To exit Remote ID mode, momentarily press the link button or allow the function to timeout.

Manually Selecting a Group and Channel
Specific groups and channels can be assigned to the receiver instead of using the automatic scan function.
Note: Group 3 should only be used in controlled Wi-Fi environments to prevent interference from unexpected Wi-Fi devices.
Selecting a Group
- Press and hold the group button for 2 seconds until the group display flashes.
- Press the group button to scroll through the available groups.
- The receiver will automatically save the selected group.
Selecting a Channel
- Press and hold the channel button for 2 seconds until the channel display flashes.
- Press the channel button to scroll through the available channels.
- The receiver will automatically save the selected channel.
Note: A double dash symbol– displayed on the receiver screen during a channel scan indicates that there are no available channels within the selected group.
Choose a group with more channels and repeat set up steps.
Accessories
Furnished Accessories
| Power Supply | PS43 |
| Carrying Case | 95E16526 |
| Shure Lithium-Ion Rechargeable Battery | SB904 |
| USB-C Cable | unsure |
Optional Accessories
| Black Bodypack Pouch | WA582B |
Specifications
Tuning Bandwidth
2400–2483.5 MHz, 5725-5850 MHz
Working Range
| Indoor | Up to 30 m ( 100 ft.) typical, Up to 60 m ( 200 ft.) maximum |
| Outdoor | Up to 20 m ( 65 ft.) typical, Up to 50 m ( 165 ft.) maximum |
Transmit Mode
Shure proprietary digital
Audio Frequency Response
20 Hz– 20 kHz
Dynamic Range
120 dB, Weighted
RF Sensitivity
88 dBm, typical
Total Harmonic Distortion
0.2%, typical
RF Output Power
10 mW E.I.R.P. max
Operating Temperature Range
0°C to 45°C
Storage Temperature Range
-29°C (-20°F) to 74°C (165°F)
Polarity
Positive voltage applied to the tip of the guitar cable phone plug produces positive voltage at the tip of the high impedance ¼-inch output.
Battery Life
Up to 11.5 hours
Guitar Tuner
| Tuning Accuracy | ±1 cent |
| Tuning Range | F#0 to C8 |
Channel Count
4 typical, Up to 8 maximum
GLXD1
Dimensions
90 x 65 x 23 mm ( 3.56 x 2.54 x 0.90 in.), H x W x D (without antenna)
Weight
132 g (4.7 oz.) without batteries
Power Requirements
3.7 V
Rechargeable Li-Ion
Housing
Cast Metal, Black Powder coat
Input Impedance
900 kΩ
RF Output Power
10 mW E.I.R.P. max
Transmitter Input
Connector
4-Pin male mini connector (TA4M)
Configuration
Unbalanced
Maximum Input Level
1 kHz at 1% THD
+8.4 dB (7.5 Pp.)
Antenna Type
Internal Monopole
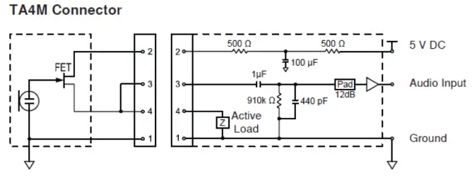
Pin Assignments
TA4M
| 1 | ground (cable shield) |
| 2 | + 5 V Bias |
| 3 | audio |
| 4 | Tied through active load to ground (On in strident adapter cable, pin 4 floats) |
Pin Assignments
TA4M
| 1 | ground (cable shield) |
| 2 | + 5 V Bias |
| 3 | audio |
| 4 | Tied through active load to ground (On instrument adapter cable, pin 4 floats) |


Weight
| SM58 | 267 g (9.4 oz.) without batteries |
| BETA 58 | 221 g (7.8 oz.) without batteries |
| SM86 | 275 g (9.1 oz.) without batteries |
| BETA 87A | 264 g (9.3 oz.) without batteries |
Housing
Molded Plastic
Power Requirements
3.7 V
Rechargeable Li-Ion
RF Output Power
10 mW E.I.R.P. max
Maximum Input Level
| SM58 | 146 dB SPL |
| BETA 58 | 147 dB SPL |
| SM86 | 143 dB SPL |
| BETA 87A | 147 dB SPL |
Dimensions
| Model | A | B | C |
| SM58 | 51 mm, (2.0 in.) | 252 mm, (9.9 in.) | 37 mm, (1.5 in.) |
| BETA 58 | 51 mm, (2.0 in.) | 252 mm, (9.9 in.) | 37 mm, (1.5 in.) |
| SM86 | 49 mm, (1.9 in.) | 252 mm, (9.9 in.) | 37 mm, (1.5 in.) |
| BETA 87A | 51 mm, (2.0 in.) | 252 mm, (9.9 in.) | 37 mm, (1.5 in.) |

Dimensions
40 x 183 x 117 mm (1.6 x 7.2 x 4.6 in.), H x W x D
Weight
286 g (10.1 oz.) without batteries
Housing
Molded Plastic
Power Requirements
14 to 18 V DC (Tip positive with respect to ring), 550 mA
Spurious Rejection
>35 dB, typical
Gain Adjustment Range
20 to 40 din 1 dB steps
Phantom Power Protection
Yes
Tuning Bandwidth
2400–2483.5 MHz
Working Range
| Indoor | Up to 30 m ( 100 ft.) typical, Up to 60 m ( 200 ft.) maximum |
| Outdoor | Up to 20 m ( 65 ft.) typical, Up to 50 m ( 165 ft.) maximum |
Transmit Mode
Frequency Hopping
Audio Frequency Response
20 Hz– 20 kHz
Dynamic Range
120 dB, Weighted
RF Sensitivity
88 dBm, typical
Total Harmonic Distortion
0.2%, typical
RF Output Power
10 mW E.I.R.P. max
Operating Temperature Range
-18°C (0°F) to 57°C (135°F)
Storage Temperature Range
-29°C (-20°F) to 74°C (165°F)
Polarity
Positive pressure on microphone diaphragm (or positive voltage applied to tip of WA302 phone plug) pro duces positive voltage on pin 2 (with respect to pin 3 of low impedance output) and the tip of the high impedance 1/4-inch output.
Battery Life
Up to 16 hours
Channel Count
4 typical, Up to 8 maximum
Audio Output
Configuration
| XLR Output | Impedance balanced |
| 6.35 mm (1/4″) output | Impedance balanced |
Impedance
| XLR Output | 100 Ω |
| 6.35 mm (1/4″) output | 100 Ω(50 Ω, Unbalanced) |
Maximum Audio Output Level
| XLR connector (into 600 Ω load) | +1 dB |
| 6.35 mm (1/4″) connector (into 3 kΩ load) | +8.5 dB |
Pin Assignments
| XLR Output | 1=ground, 2=hot, 3=cold |
| 6.35 mm (1/4″) connector | Tip=audio, Ring=no audio, Sleeve=ground |
Receiver Antenna Input
Impedance
50 Ω
Antenna Type
½ Wave Sleeve Dipole, non-removable
Maximum Input Level
−20 dBm
Information to the user
This device complies with part 15 of the FCC Rules. Operation is subject to the following two conditions:
- This device may not cause harmful interference.
- This device must accept any interference received, including interference that may cause undesired operation.
Note: This equipment has been tested and found to comply with the limits for a Class B digital device, pursuant to part 15 of the FCC Rules. These limits are designed to provide reasonable protection against harmful interference in a residential installation. This equipment generates uses and can radiate radio frequency energy and, if not installed and used in accordance with the instructions, may cause harmful interference to radio communications. However, there is no guarantee that interference will not occur in a particular installation. If this equipment does cause harmful interference to radio or television reception, which can be determined by turning the equipment off and on, the user is encouraged to try to correct the interference by one or more of the following measures:
- Reorient or relocate the receiving antenna.
- Increase the separation between the equipment and the receiver.
- Connect the equipment to an outlet on a circuit different from that to which the receiver is connected.
- Consult the dealer or an experienced radio/TV technician for help.
Any changes or modifications not expressly approved by the party responsible for compliance could void the user’s authority to operate the equipment.
Certifications
FCC ID: DD4GLXD1Z3, DD4GLXD2Z3, DD4GLXD4Z3, DD4GLXD4RZ3, DD4GLXD6Z3
IC: 616A-GLXD1Z3, 616A-GLXD2Z3, 616A-GLXD4Z3, 616A-GLXD4RZ3, 616A-GLXD6Z3 CAN ICES-003 (B)/NMB-003(B)
This equipment complies with FCC radiation exposure limits set forth for an uncontrolled environment. End user must follow the specific operating instructions for satisfying RF exposure compliance. This transmitter must not be co-located or operating in conjunction with any other antenna or transmitter.
This device contains licenceexempt transmitter(s)/receiver(s) that comply with Innovation, Science and Economic Develop mint Canada’s licenceexempt RSS(s). Operation is subject to the following two conditions:
- This device may not cause interference.
- This device must accept any interference, including interference that may cause undesired operation of the device.
This equipment complies with ISED radiation exposure limits set forth for an uncontrolled environment. End user must follow the specific operating instructions for satisfying RF exposure compliance. This transmitter must not be co-located or operating in conjunction with any other antenna or transmitter.
For devices with detachable antenna(s), the maximum antenna gain permitted for devices in the band 5725-5850 MHz shall be such that the equipment still complies with the e.i.r.p. limits as appropriate.
This product meets the applicable Innovation, Science and Economic Development Canada technical specifications. Certified by ISED in Canada under RSS-247 and RSS-GEN.
Connection and use of this communications equipment is permitted by the Nigerian Communications Commission.
Paraguay Distributor: Microsystems S.R.L., Senator Long 664 c/Dr. Lili, Paraguay
This product meets the Essential Requirements of all relevant European directives and is eligible for CE marking.
Hereby, Shure Incorporated declares that the radio equipment is in compliance with Directive 2014/53/EU. The full text of the EU declaration of conformity is available at the following internet address: http://www.shure.com/europe/compliance
Authorized European representative:
Shure Europe GmbH
Headquarters Europe, Middle East & Africa
Department: EMEA Approval
Jakob-Dieffenbacher-Str. 12
75031 Eppingen, Germany
Phone: +49-7262-92 49 0
Fax: +49-7262-92 49 11 4
Email: [email protected]



















