Wall Hoods
DHW301, DHW361, DHW421, DHW482
Installation Instructions
DHW482 Wall Hoods
Before You Begin…
Important:
- Installer: In the interest of safety and to minimize problems, read these installation instructions completely and carefully before you begin the installation process. Leave these installation instructions with the customer.
- Customer: Keep these installation instructions for future reference and the local electrical inspector’s use.
If You Need Help…
If you have questions or problems with installation, contact your Dacor dealer or the Dacor Customer Service, Team. The model and serial number are printed on the appliance data label (see below for location).
Appliance Data Label
- The appliance data label contains the model and serial number information and the electrical requirements.
- The label is located inside the hood chassis behind the filter(s). Remove the filter(s) to view the label.
All specifications are subject to change without notice. Dacor assumes no liability for changes to specifications.
Important Safety Instructions
Important Information About Safety Instructions
- The Important Safety Instructions and warnings in these instructions are not meant to cover all possible problems and conditions that can occur. Use common sense and caution when installing, maintaining, or operating this or any other appliance.
- Always contact the Dacor Customer Service Team about problems and conditions that you don’t understand.
DANGER
Immediate hazards that WILL result in severe personal injury or death.
WARNING
Hazards or unsafe practices COULD result in severe personal injury or death.
CAUTION
Hazards or unsafe practices COULD result in minor personal injury or property damage.
DANGER
To avoid the possibility of explosion or fire, do not store or use combustible, flammable, or explosive vapors and liquids (such as gasoline) inside or in the vicinity of this or any other appliance. Also keep items that could explode, such as aerosol cans away from the range or cooktop and range hood. Do not store flammable or explosive materials in adjacent cabinets or areas.
WARNING
WARNING – TO REDUCE THE RISK OF FIRE, ELECTRIC SHOCK, OR INJURY TO PERSONS, OBSERVE THE FOLLOWING:
a) Use this unit only in the manner intended by the manufacturer. If you have questions, contact the manufacturer.
b) Before servicing or cleaning the unit, switch the power off at the service panel and lock the service disconnecting means to prevent power from being switched on accidentally. When the service disconnecting means cannot be locked, securely fasten a prominent warning device, such as a tag, to the service panel.
WARNING
WARNING – TO REDUCE THE RISK OF FIRE, ELECTRIC SHOCK, OR INJURY TO PERSONS, OBSERVE THE FOLLOWING:
a) Installation work and electrical wiring must be done by a qualified person(s) in accordance with all applicable codes and standards, including fire-rated construction.
b) Sufficient air is needed for proper combustion and exhausting of gases through the flue(chimney) of fuel-burning equipment to prevent back drafting. Follow the heating equipment manufacturer’s guidelines and safety standards such as those published by the National Fire Protection Association (NFPA), the American Society for Heating, Refrigeration and Air Conditioning Engineers (ASHRAE), and the local code authorities.
c) When cutting or drilling into a wall or ceiling, do not damage electrical wiring and other hidden utilities.
d) Ducted fans must always be vented to the outdoors.
CAUTION
For general ventilating use only. Do not use to exhaust hazardous or explosive materials and vapors.
READ AND SAVE THESE INSTRUCTIONS
General Safety Precautions
To reduce the risk of fire, electric shock, serious injury, or death when using your appliance, follow basic safety precautions, including the following:
WARNING
- If the information in this manual is not followed exactly, a fire or explosion may result causing property damage, personal injury, or death.
- Do not install or operate this hood if it has been damaged, dropped, has damaged electrical wires, or is not working properly. If the product is damaged when received, immediately contact the dealer or builder.
- This range hood must be installed and grounded by a qualified installer according to these installation instructions.
- Install or locate this appliance only in accordance with these installation instructions and the requirements specified by the manufacturer of the cooktop or range.
Improper installation, adjustment, alteration, service, or maintenance can cause serious personal injury or property damage. - The customer should not install, repair or replace any part of the range hood unless specifically recommended in the literature accompanying it. A qualified service technician should perform all other services.
- Keep all packaging materials away from children. Plastic bags can cause suffocation.
- Do not use an extension cord or adapter plug with this appliance.
- The installer must show the customer the location of the fuse box or circuit breaker panel so that the customer knows where and how to turn the power off.
- Read the use and care manual completely before using the appliance. Clean the appliance only as instructed in the use and care manual. Use only the cleaners specified.
- Clean the filter(s) and all grease-laden surfaces often to prevent grease fires and maintain performance. Never allow the filter(s) to become blocked or clogged. Do not allow foreign objects, such as cigarettes or napkins, to be sucked into the hood.
- Do not tamper with the controls.
- If the range or cooktop and range hood are near a window, use appropriate window treatment. Avoid long drapes or other window coverings that could blow over the cooktop and hood, resulting in a fire hazard.
- Never leave the range or cooktop unattended when a burner (or element) is in use. Boil-overs and greasy spills may smoke and/or ignite.
- Do not leave children or pets alone or unattended in the area where the range or cooktop and range hood are in use. Never allow children to sit or stand on an appliance. Do not let children play with a range, cooktop, or range hood. Do not store items of interest to children above or around the cooktop, range, or range hood.
- The minimum vertical distance between the cooking surface and the exterior part of the hood must be no less than 30” (76.2 cm). The vertical distance may be longer for the range or cooktop being used. Consult the range or cooktop installation instructions for the minimum and maximum vertical distance from the appliance being used.
- TO REDUCE THE RISK OF FIRE, USE ONLY METAL DUCTWORK.
- TO REDUCE THE RISK OF INJURY TO PERSONS IN THE EVENT OF A RANGE TOP GREASE FIRE:
a) SMOTHER FLAMES with a close-fitting lid, cookie sheet, or metal tray, then turn off the burner. BE CAREFUL TO PREVENT BURNS. If the flames do not go out immediately, EVACUATE AND CALL THE FIRE DEPARTMENT.
b) NEVER PICK UP A FLAMING PAN – you may be burned.
c) DO NOT USE WATER, including wet dishcloths or towels – a violent steam explosion may result.
d) Use a fire extinguisher ONLY if: - You have a Class ABC extinguisher, and you already know how to operate it.
- The fire is small and contained in the area where it started.
- The fire department is being called.
- You can fight the fire with your back to an exit.
Installation Specifications
Performance Specifications
All Models
| Blower | 600 CFM* (for single blower units) and 1200 CFM* (for dual blower units) |
| Blower Speeds | 4 with electronic speed control |
| Lights | 12 Vac, 20 Watt halogen |
| Filters | Baffle-type, dishwasher safe |
| Exhaust | 8-inch |
| Finish | 430 stainless steel |
| Total Connected Load | 120 Vac, 60 Hz. (See table below for current draw) |
| Circuit Requirement | 120 Vac, 15 Amp. grounded, dedicated circuit, minimum |
* At zero inches of static pressure
Model Specific
| Model | Blowers | Lights | Filters | Maximum Current Draw |
| DHW301 | 1 | 2 | 1 | 3.4 Amp. |
| DHW361 | 1 | 2 | 1 | 3.4 Amp. |
| DHW421 | 1 | 3 | 1 | 3.6 Amp. |
| DHW482 | 2 | 4 | 2 | 6.8 Amp. |
Electrical Specifications
WARNING
The electrical service to the range hood should be installed only by a licensed electrician.
It is the owner’s responsibility to ensure that the electrical connection of this appliance is performed by a qualified electrician. The electrical installation, including minimum supply wire size and grounding, must be in accordance with the National Electric Code ANSI/NFPA* (or latest revision) and local codes and ordinances.
* A copy of this standard may be obtained from:
National Fire Protection Association
1 Batterymarch Park
Quincy, Massachusetts 02169-9101
Connect the hood to a junction box supplied by a 120 Vac, 60 Hz. dedicated, grounded, 3-wire (hot, neutral, ground) circuit protected by a 15 Amp. circuit breaker or time delay fuse. Locate the junction box a minimum of 17” (43.2 cm) above the bottom of the range hood (for example, attached to a stud).
Dimensions
Tolerances: ±1/16” (±1.6 mm), -0 unless otherwise stated

* 18” 1/4 (46.4 cm) on model DHW482 with exhaust cowling
IMPORTANT: The minimum installed distance from the hood to the cooking surface must be no less than 30 inches. The minimum specified distance may be higher for the particular range or cooktop in use. Check the manufacturer’s specifications for the cooktop or range.
Planning the Location
WARNING
Observe all governing codes and ordinances during planning and installation. Contact your local building department for further information.
- Carefully check the location where the hood is to be installed. The hood should be placed for convenient access. Make certain that electrical power can be provided in the selected location.
- The hood model selected must be as wide as the cooktop surface or wider.
- All contact surfaces between the hood and any cabinets or walls must be solid and at right angles.
- Install the range hood and cooking appliance(s) so that they can be removed if service is required.
- Plan the installation so that all minimum dimensions are met or exceeded. Dimensions shown above provide minimum clearances unless otherwise noted.
Installation Specifications
Recirculating Configuration
Recirculating kits AVDH1 and AVDH2 (sold separately) contain the parts necessary to convert a DHW series hood to a recirculating configuration in instances were exhausting the hood outside the building is not practical or desired. The kit consists of a top cap and charcoal filter(s).
When installed, the top cap redirects airflow out of the vents in the sides of the hood chimney assembly. The provided charcoal filter(s) is/are installed underneath the mesh-type filter(s) included with the hood. The charcoal filter reduces smoke and fumes before the hood exhaust is vented into the room. Use kit AVDH1 for models DHW301, DHW361 and DHW421. Use kit AVDI2 for model DHW482.

Ducted Installation – Planning and Installing the Duct Work
WARNING
- To prevent combustion by-products, smoke, or odors from entering the home and to improve efficiency, tape all duct joints securely.
- Use only duct work deemed acceptable by state, municipal, and local codes.
- DO NOT install an additional in-line or external blower to increase the length of the duct run. Even small differences between blower air flow rates can greatly reduce the air draw of the hood.
CAUTION
To reduce the risk of fire and to properly exhaust air, be sure to duct air outside the house or building. Do not vent exhaust air into spaces within walls or ceilings or into attics, crawl spaces, or garages.
- All ductwork materials (including screws and duct tape) must be purchased separately by the customer.
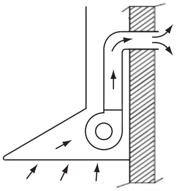
- When planning new duct work, always look for the shortest, most direct route to the outside. Venting can be done through the roof or directly through the back wall to the outside as shown.

- Local building codes may require the use of makeup air systems with ventilation systems that move air greater than the specified movement rate (CFM). The specified rate varies based on locale. Consult a qualified HVAC specialist when designing the system for the requirements in your area and to assure optimal performance.
- The hood exhaust connects to an 8-inch round duct. You can increase the duct size over the duct run if desired. To prevent a backdraft, never decrease the duct size over the run. If existing ductwork is smaller than 8 inches in diameter, remove it and replace it with 8-inch ductwork.
- Do not rely on tape alone to seal duct joints. Fasten all connections with sheet metal screws and tape all joints with certified silver tape or duct tape. Use sheet metal screws as required to support the duct weight. To prevent back-drafts, a damper at the duct outlet may also be required.
- Make sure ductwork does not interfere with floor joists or wall studs.
Calculating the Maximum Duct Run Length
The maximum straight duct length for the hood is 50 feet.
To determine the actual maximum duct run, subtract the equivalent length of each elbow, transition, and cap from 50 feet.
| EQUIVALENT LENGTHS | |||
| Piece | Subtract | Piece | Subtract |
| 8” 90° elbow | 7 feet | 10” 90° elbow | 5 feet |
| 8” 45° elbow | 3 feet | 10” 45° elbow | 2 feet |
| 3¼” X 10” to round 90° transition | 25 feet | 3¼” X 10” to 8”/10” round transition | 4 feet |
| Roof cap | * | Wall cap with damper | * |
* The equivalent lengths of the roof and wall caps vary with model and configuration. For equivalent length, contact the manufacturer or a qualified HVAC specialist.
Duct Work Design Tips
- Wherever possible, reduce the number of transitions and turns to as few sharp angles as possible. Two staggered 45° angles are better than one 90°.
- Keep turns as far away from the hood exhaust as possible, and as much space between bends as possible.
- For best performance, use round duct instead of rectangular, especially when elbows are required.
- If multiple elbows are used, try to keep a minimum of 24 inches straight duct between them.
- Avoid “S” or “back to back” use of adjacent elbows.
- In regions where the weather gets extremely cold, use thermal breaks, such as a short section of non-metallic duct, to avoid indoor heat loss. Locate the break as close as possible to the outside pass through the point.
- Do not use flexible metal ducts.
- DO NOT use ductwork that is smaller in cross-sectional area than the recommended types above.
Installation Instructions
WARNING
- Observe all governing codes and ordinances during installation. Contact your local building department for further information.
- A qualified technician must complete the installation of this built-in appliance. The owner is responsible to make sure the hood is properly installed.
- Do not install the range hood unless the power supply provided meets the required Electrical Specifications (see page 3).
- To avoid an electric shock hazard and property damage, locate electric wires and water pipes and avoid drilling or cutting in the vicinity.
- The range hood is heavy. To prevent personal injury and property damage install the hood only as specified in the following instructions and use only the hood mounting bracket provided with the unit. Make sure all screws used to mount and assemble the hood are tight. Failure to properly anchor the hood to the wall may result in personal injury due to the unit falling. Hanging the range hood requires two people. Do not attempt to lift the hood without assistance.
Verify the Package Contents
Unpack the box and verify that all parts listed have been provided. If any item is missing or damaged, please contact the dealer immediately. Do not install a damaged or incomplete appliance. Make sure you have everything required for proper installation before proceeding.
| A | Hood assembly with filter(s) |
| B | Chimney assembly (2 pieces) |
| C | Chimney mounting bracket |
| D | Mounting bracket |
| E | Duct collar (1 blower unit only) |
| F | Blower exhaust cowling (2 blower units only) |
| G | Mounting and assembly hardware |
| H | Product literature |

Installation Preparation
NOTE: If installing the hood in the recirculating configuration (recirculating kit # AVDH1 or AVDH2), consult the instructions that come with the kit before starting installation.
- Attach the hood junction box to the top of the hood using two machine screws as shown.
- Remove the shipping tape holding the damper flaps closed. Make sure all the flaps open and close freely before proceeding.

- Remove the filter(s) to reduce weight and avoid damage.
Installing the Mounting Bracket
NOTE: The mounting hardware included with the hardware packet is suitable for mounting to brick and masonry only. If mounting the range hood to drywall, Dacor strongly recommends using a sturdy anchoring system designed for use with drywall. In addition, Dacor strongly recommends that you install a reinforced mounting block between the studs behind all hood mounting locations.

- Using a pencil, draw a level horizontal line on the wall where the bottom of the hood will be. The line must be at least 30 inches above the cooking surface.
- On the hood itself, measure the distance between the bottom of the hood and the top of the mounting bracket hole on the hood is installed. Using a pencil, draw a short line on the wall the same distance above the horizontal line drawn in step 1. You will use this line to determine the height of the mounting bracket when attached to the wall.

- Locate the vertical center line for the hood mounting location on the wall. Mark the center line with a six-inch vertical line that intersects the line drawn in step 2.
- Make sure the mounting location is properly reinforced so that it will hold the weight of the hood.

- Find the mounting bracket in the shipping box. Place it against the wall where the two lines cross. Center it vertically and line the top of the bracket up with the horizontal line as shown.

- Make sure the bracket is level, and use a pencil to mark the mounting hole locations through the bracket holes.
- Drill the mounting holes. The method for drilling the holes depends on the type of mounting surface…
If mounting the hood to brick or masonry:
– Drill three 5/16” x 1 1/2” holes in the locations marked.
– Insert three of the provided wall anchors into the holes. The anchors provided are for attaching the hood to masonry or brick only.
If mounting the hood to drywall:
– Drill three appropriate-sized pilot holes for the mounting hardware being used. The drywall mounting hardware must be purchased separately.
- Attach the mounting bracket securely to the wall.
Installing Chimney Mounting Bracket
- Locate the chimney mounting bracket and position it against the ceiling as shown. Center it on the hood center line.
- Mark the ceiling and the wall in two places each, through the holes in the bracket.
- Drill four 5/16” holes through the four spots marked on the ceiling and wall.
- Insert the four of the provided wall anchors into the four holes in the ceiling and wall.
- Attach the chimney mounting bracket using four included 1 1/2” screws.

Hanging the Range Hood
- Lift the hood up on both sides and put the mounting hole on the top of the hood over the lip of the mounting bracket. Gently lower it into place.

- Insert two provided machine screws into the two holes above the mounting bracket on the range hood. Tighten the screws until they make contact with the bracket, then tighten them as necessary to make minor leveling adjustments to the hood.
- Insert two machine screws through the front of the mounting bracket and tighten them into place.

- Install the duct collar or exhaust cowling on the top of the hood assembly as shown below, using the screws included with the hood.

Connecting the Duct Work
WARNING
Do not use screws to attach the duct work to the hood exhaust outlet. Use duct tape only. Screws may prevent the damper flaps on the top of the hood from opening.
If installing the unit with a recirculating kit, skip to Final Electrical Installation. Otherwise, install the ductwork between the hood exhaust and the previously installed ductwork. Attach the duct to the hood exhaust with duct tape alone. Use sheet metal screws (not provided) and duct tape on the remaining joints.
Final Electrical Installation
WARNING
- To avoid electric shock or fire hazards, prior to connecting the electrical wiring to the hood, make sure that power to the hood power supply line is turned off at the circuit breaker panel or fuse box.
- Improper connection of the hood’s electrical wiring may create an electric shock or fire hazard and may result in damage to the hood’s electrical system. See page 3 for specifications.
- Do not ground the hood to the neutral (white) power supply wire. Connect the hood ground wire to a separate, proper ground wire installed by a licensed electrician.
- Make sure all wire used is capable of handling the total connected load. See page 3.
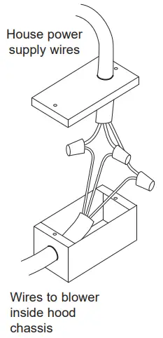
Connect the house power supply wires to the wires coming out of the hood junction box, inside the chimney:
- Connect the white wire from the hood to the neutral (white) power supply wire.
- Connect the black wire from the hood to the hot (black) power supply wire.
- Connect the green and yellow wire from the hood to the house ground (green) wire from the junction box.

Final Chimney Assembly
WARNING
Be careful not to pinch the electrical wires while assembling the chimney.
- Remove the protective plastic covering from both pieces of the chimney assembly. Do not remove the protective tape strips from the inside of the chimney. They protect the telescoping pieces from scratching during installation.

- Carefully slide both sections together so that only the vents on the top section show.
- Hold the chimney vertically with the vents up.
- Carefully put the chimney over the top of the ductwork extending out of the top of the hood, taking care not to scratch the surfaces. Make sure the wiring is tucked in behind the chimney.
- Move the chimney up toward the ceiling. Line up the holes on the side of the chimney, above the vents, with the holes on the side of the chimney mounting bracket.
- Attach the sides of the chimney to the bracket using two sheet metal screws, one on each side.
- Carefully, slide the bottom portion of the chimney down until it rests on the top of the range hood.
Verifying Proper Operation
- Reinstall the range hood filter(s) before operation.
- Make sure the power is switched on at the circuit breaker panel or fuse box.
- If the control panel is not lit, remove the filter(s) and turn on the main power switch located behind the filters on the underside of the hood. Replace the filter(s).
- Touch the light key. Verify that all the lights come on.
- Touch the light key again to turn the lights off.
- Touch the blower “+” key once and release. Verify that one light is showing on the blower speed indicator and that the blower is on at low speed.
- Touch and release the blower “+” repeatedly, three times. Verify that with each touch of the key the number of lights on the speed indicator increases and that the blower speed increases accordingly.
- Touch and hold the blower “-” key until the blower turns off.
If the hood fails to operate properly:
- Verify that power is supplied to the hood.
- Check the electrical connections to ensure that the installation has been completed correctly.
- Repeat the above test.
- If the hood still does not work, contact Dacor Customer Service. Do not attempt to repair the appliance yourself. If you need service, be sure to have the model and serial numbers available when you call. See the inside cover for the location.
Do not attempt to repair the appliance yourself. Dacor s not responsible for the cost of correcting problems caused by a faulty installation.
Installation Checklist
WARNING
- To ensure a safe and proper installation, the following checklist should be completed by the installer to ensure that no part of the installation has been overlooked.
- Proper installation is the responsibility of the homeowner. The importance of proper installation of your Dacor range hood cannot be overemphasized.
- Is the mounting bracket properly attached to the wall according to the instructions on page 6?
- Is the ductwork completely installed? Are all joints attached with sheet metal screws and wrapped with duct tape? See pages 4 and 8?
- Is the range hood wired and grounded according to these instructions and in accordance with all applicable electrical codes? See pages 3 and 8.
- Are the filters properly installed according to the use and care manual?
- Has proper operation been verified?
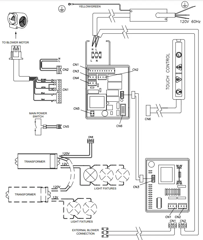
Wiring Diagrams

Please note—the layout on the PC Board shown above may vary—however all wires are coded and the connections on the PC Board are also coded with the same number/letters.
Single Blower Models: DHW301, DHW361, DHW421

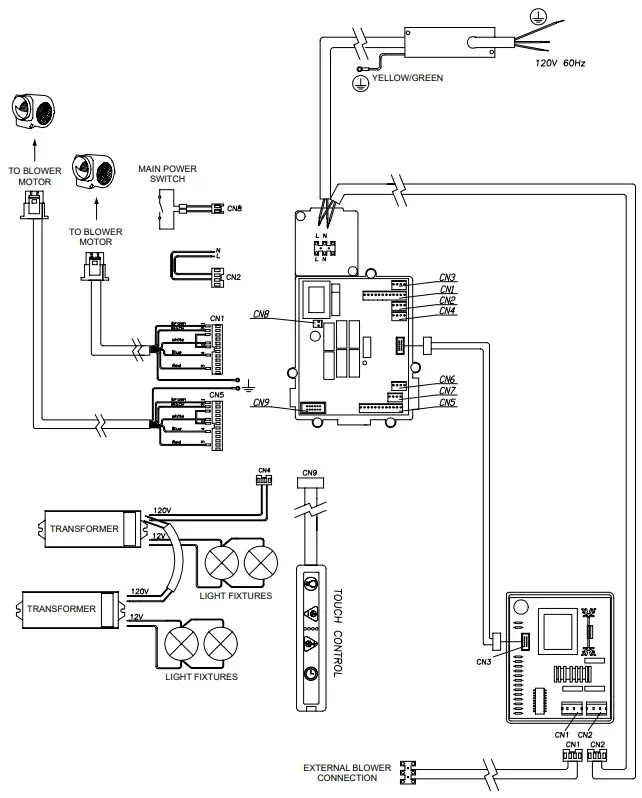
Please note—the layout on the PC Board shown above may vary— however all wires are coded and the connections on the PC Board are also coded with the same number/letters.
Double Blower Model: DHW482
Notes
…………………………………………….






– Insert three of the provided wall anchors into the holes. The anchors provided are for attaching the hood to masonry or brick only.




















