dacor DHI361 Island Hoods
Before You Begin
Important:
- Installer: In the interest of safety and to minimize problems, read these installation instructions completely and carefully before you begin the installation process. Leave these installation instructions with the customer.
- Customer: Keep these installation instructions for future reference and the local electrical inspector’s use.
If You Need Help…
If you have questions or problems with installation, contact your Dacor dealer or the Dacor Customer Service Team. The model and serial number are printed on the appliance data label (see below for location).
Appliance Data Label
The appliance data label contains the model and serial number information and the electrical requirements.
The label is located inside the hood chassis behind the filter(s). Remove the filter(s) to view the label.
Important Safety Instructions
Important Information About Safety Instructions: The Important Safety Instructions and warnings in these instructions are not meant to cover all possible problems and conditions that can occur. Use common sense and caution when installing, maintaining or operating this or any other appliance.
Always contact the Dacor Customer Service Team about problems and conditions that you don’t under-stand.
DANGER: To avoid the possibility of explosion or fire, do not store or use combustible, flammable or explosive vapors and liquids (such as gasoline) inside or in the vicinity of this or any other appliance. Also keep items that could explode, such as aerosol cans away from range or cooktop and range hood. Do not store flammable or explosive materials in adjacent cabinets or areas.
WARNING: WARNING – TO REDUCE THE RISK OF FIRE, ELECTRIC SHOCK, OR INJURY TO PERSONS, OBSERVE THE FOLLOWING:
- Use this unit only in the manner intended by the manufacturer. If you have questions, contact the manufacturer.
- Before servicing or cleaning unit, switch power off at service panel and lock the service disconnecting means to prevent power from being switched on accidentally. When the service disconnecting means cannot be locked, securely fasten a prominent warning device, such as a tag, to the service panel.
WARNING: WARNING – TO REDUCE THE RISK OF FIRE, ELECTRIC SHOCK, OR INJURY TO PERSONS, OBSERVE THE FOLLOWING:
- Installation work and electrical wiring must be done by qualified person(s) in accordance with all applicable codes and standards, including fire-rated construction.
- Sufficient air is needed for proper combustion and exhausting of gases through the flue(chimney) of fuel burning equipment to prevent back drafting. Follow the heating equipment manufacturer’s guideline and safety standards such as those published by the National Fire Protection Association (NFPA), and the American Society for Heating, Refrigeration and Air Conditioning Engineers (ASHRAE), and the local code authorities.
- When cutting or drilling into wall or ceiling, do not damage electrical wiring and other hidden utilities.
- Ducted fans must always be vented to the outdoors.
CAUTION: For general ventilating use only. Do not use to exhaust hazardous or explosive materials and vapors.
Safety Symbols and Labels
DANGER: Immediate hazards that WILL result in severe personal injury or death.
WARNING: Hazards or unsafe practices that COULD result in severe personal injury or death.
CAUTION:Hazards or unsafe practices that COULD result in minor personal injury or property damage.
Important Safety Instructions
General Safety Precautions: To reduce the risk of fire, electric shock, serious injury or death when using your appliance, follow basic safe-ty precautions, including the following:
WARNING:
- If the information in this manual is not followed exactly, a fire or explosion may result causing property damage, personal injury or death.
- Do not install or operate this hood if it has been damaged, dropped, has damaged electrical wires or is not work-ing properly. If the product is damaged when received, immediately contact the dealer or builder.
- This range hood must be installed and grounded by a qualified installer according to these installation instruc-tions.
- Install or locate this appliance only in accordance with these installation instructions and the requirements speci-fied by the manufacturer of the cooktop or range. Improper installation, adjustment, alteration, service or mainte-nance can cause serious personal injury or property damage.
- The customer should not install, repair or replace any part of the range hood unless specifically recommended in the literature accompanying it. A qualified service technician should perform all other service.
- Keep all packaging materials away from children. Plastic bags can cause suffocation.
- Do not use an extension cord or adapter plug with this appliance.
- The installer must show the customer the location of the fuse box or circuit breaker panel so that the customer knows where and how to turn the power off.
- Read the use and care manual completely before using the appliance. Clean the appliance only as instructed in the use and care manual. Use only the cleaners specified.
- Clean the filter(s) and all grease-laden surfaces often to prevent grease fires and maintain performance. Never allow the filter(s) to become blocked or clogged. Do not allow foreign objects, such as cigarettes or napkins, to be sucked into the hood.
- Do not tamper with the controls.
- If the range or cooktop and range hood are near a window, use appropriate window treatment. Avoid long drapes or other window coverings that could blow over the cooktop and hood, resulting in a fire hazard.
- Never leave the range or cooktop unattended when a burner (or element) is in use. Boil-overs and greasy spills may smoke and/or ignite.
- Do not leave children or pets alone or unattended in the area where the range or cooktop and range hood are in use. Never allow children to sit or stand on an appliance. Do not let children play with a range, cooktop or range hood. Do not store items of interest to children above or around the cooktop, range or range hood.
- The minimum vertical distance between the cooking surface and the exterior part of the hood must be no less than 30” (76.2 cm). The vertical distance may be longer for the range or cooktop being used. Consult the range or cooktop installation instructions for the minimum and maximum vertical distance from the appliance being used.
- TO REDUCE THE RISK OF FIRE, USE ONLY METAL DUCT WORK.
- TO REDUCE THE RISK OF INJURY TO PERSONS IN THE EVENT OF A RANGE TOP GREASE FIRE:
- SMOTHER FLAMES with a close-fitting lid, cookie sheet or metal tray, then turn off the burner. BE CAREFUL TO PREVENT BURNS. If the flames do not go out immediately, EVACUATE AND CALL THE FIRE DEPARTMENT.
- NEVER PICK UP A FLAMING PAN – you may be burned.
- DO NOT USE WATER, including wet dish cloths or towels – a violent steam explosion may result.
- Use a fire extinguisher ONLY if:
- You have a Class ABC extinguisher, and you already know how to operate it.
- The fire is small and contained in the area where it started.
- The fire department is being called.
- You can fight the fire with your back to an exit.
Installation Specifications
Performance Specifications
All Models
| Blower | 600 CFM* (for single blower units) 1200 CFM* (for dual blower units) |
| Blower Speeds | 4 with electronic speed control |
| Lights | 12 Vac, 20 Watt halogen |
| Filters | Baffle type, dishwasher safe |
| Exhaust | 8-inch |
| Finish | 430 stainless steel |
| Total Connected Load | 120 Vac, 60 Hz., (See below for current draw) |
| Circuit Requirement | 120 Vac, 15 Amp. grounded, dedi- cated circuit, minimum |
At zero inches static pressure
Model Specific
| Model | Blowers | Lights | Filters | Maximum Current Draw |
| DHI361 | 1 | 4 | 1 | 3.8 Amp. |
| DHI421 | 1 | 4 | 1 | 3.8 Amp. |
| DHI482 | 2 | 4 | 2 | 6.8 Amp. |
| DHI542 | 2 | 6 | 2 | 7.1 Amp. |
Electrical Specifications
WARNING
The electrical service to the range hood should be installed only by a licensed electrician.
It is the owner’s responsibility to ensure that the electrical connection of this appliance is performed by a qualified electrician. The electrical installation, including minimum supply wire size and grounding, must be in accordance with the National Electric code ANSI/NFPA* (or latest revision) and local codes and ordinances.
A copy of this standard may be obtained from:
National Fire Protection Association
1 Batterymarch Park
Quincy, Massachusetts 02169-9101
Connect the hood to a junction box supplied by a 120 Vac, 60 Hz. dedicated, grounded, 3-wire (hot, neutral, ground) circuit protected by a 15 Amp. circuit breaker or time delay fuse. Locate the junction box a minimum of 17” (43.2 cm) above the bottom of the range hood (for example, attached to a stud in the ceiling).
Dimensions
Tolerances: ±1/16” (±1.6 mm), -0 unless otherwise stated
18” 1/4 (46.4 cm) on models DHI482 and DHI542
IMPORTANT: The minimum installed distance from the hood to the cooking surface must be no less than 30 inches. The minimum specified distance may be higher for the particular range or cooktop in use. Check the manufacturer’s specifications for the cooktop or range.
Installation Specifications
Planning the Location
WARNING
- Observe all governing codes and ordinances during planning and installation. Contact your local building department for further information.
- The range hood is heavy. To prevent personal injury and property damage caused by the hood coming loose from the ceiling, use only the hood mounting bracket provided with the unit.
- Carefully check the location where the hood is to be installed. The hood should be placed for convenient access. Make certain that electrical power can be provided in the selected location.
- The hood model selected must be as wide as the cooktop surface or wider.
- Install the range hood and cooking appliance(s) so that they can be removed if service is required.
- Plan the installation so that all minimum dimensions are met or exceeded (see page 3). Dimensions shown provide minimum clearances, unless other-wise noted.
- The mounting bracket must be attached directly to the studs in the ceiling, or to a reinforced mounting block secured to the studs. See below for mounting bracket hole dimensions.

- The mounting bracket must be mounted directly above the center of the cooking surface. The mount-ing surface must be level.
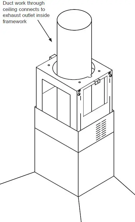
- Allow clearance in the center of the mounting bracket for the exhaust duct to pass through the ceiling.
Recirculating Configuration:
Recirculating kits AVDI1 and AVDI2 (sold separately) contain the parts necessary to convert a DHI series hood to a recirculating configuration in instances where exhausting the hood outside the building is not practical or desired. The kit consists of a top cap and charcoal filter(s). When installed, the top cap redirects air flow out the vents in the sides of the hood chimney assembly. The provided charcoal filter(s) is/are installed underneath the mesh type filter(s) included with the hood. The charcoal filter reduces smoke and fumes before the hood exhaust is vented into the room. Use kit AVDI1 for models DHI361 and DHI421. Use kit AVDI2 for models DHI482 and DHI542. 
Installation Specifications
WARNING
- To prevent combustion by-products, smoke or odors from entering the home and to improve efficiency, tape all duct joints securely.
- Use only duct work deemed acceptable by state, municipal and local codes.
- DO NOT install an additional in-line or external blower to increase the length of the duct run. Even small differences between blower air flow rates can greatly reduce the air draw of the hood.
- CAUTION To reduce the risk of fire and to properly exhaust air, do not vent exhaust air into spaces within walls or ceilings or into attics, crawl spaces or garages.
Local building codes may require the use of makeup air systems with ventilation systems that move air greater than the specified movement rate (CFM). The specified rate varies based on locale. - Consult a quali-fied HVAC specialist when designing the system for the requirements in your area and to assure optimal performance.
- All duct work materials (including screws and duct tape) must be purchased separately by the customer.
- When planning new duct work, always look for the shortest, most direct route to the outside.
- The hood exhaust connects to an 8-inch round duct. You can increase the duct size over the duct run if desired. To prevent a back draft, never decrease the duct size over the run. If existing duct
- work is smaller than 8 inches in diameter, remove it and replace it with 8-inch duct work.
- Do not rely on tape alone to seal duct joints. Fasten all connections with sheet metal screws and tape all joints with certified silver tape or duct tape. Use sheet metal screws as required to support the duct weight.
- To prevent back-drafts, a damper at the duct outlet may also be required.
- Make sure duct work does not interfere with floor joists or wall studs.
Calculating the Maximum Duct Run Length
The maximum straight duct length for the hood is 50 feet. To determine the actual maximum duct run, subtract the equivalent length of each elbow, transition and cap from 50 feet.
| EQUIVALENT LENGTHS | |||
| Piece | Subtract | Piece | Subtract |
| 8” 90° elbow | 7 feet | 10” 90° elbow | 5 feet |
| 8” 45° elbow | 3 feet | 10” 45° elbow | 2 feet |
| 3¼” X 10” to round 90° transition | 25 feet | 3¼” X 10” to 8”/10” round transition | 4 feet |
| Roof cap | * | Wall cap with damper | * |
* The equivalent lengths of roof and wall caps vary with model and configuration. For equivalent length, contact the manufacturer or a qualified HVAC specialist.
Duct Work Design Tips
- Wherever possible, reduce the number of transitions and turns to as few sharp angles as possible. Two staggered 45° angles are better than one 90°.
- Keep turns as far away from the hood exhaust as possible, and as much space between bends as pos-sible.
- For best performance, use round duct instead of rect-angular, especially when elbows are required.
- If multiple elbows are used, try to keep a minimum of 24 inches straight duct between them.
- Avoid “S” or “back to back” use of adjacent elbows.
- In regions where the weather gets extremely cold, use thermal breaks, such as a short section of non-metallic duct, to avoid indoor heat loss. Locate the break as close as possible to the outside pass through point.
- Do not use flexible metal duct.
- DO NOT use duct work that is smaller in cross-sec-tional area than the recommended types above.
Installation Instructions
Verify the Package Contents
Unpack the parts boxes and verify that all required com-ponents have been provided. The parts shown below include the contents of the chimney kit (DHICH), which is required for installation (sold separately). If any item is missing or damaged, please contact the dealer immediately. Do not install a damaged or incomplete appliance.
- Hood assembly with filter(s)
- Chimney assembly (2 piece) – chimney kit DHICH (sold separately)
- Duct collar (1 blower units only)
- Blower exhaust cowling (2 blower units only) Framework assembly (2 piece)
- Mounting bracket
- Mounting and assembly hardware
Product literature
Assemble the Hood
- Place the hood assembly on a soft surface with the bottom side down during assembly to avoid damage.
- Tip the hood up on it’s side and remove the filter(s) to reduce weight and avoid damage.
- Remove the tape holding the damper flaps closed. Make sure all the flaps open and close freely before proceeding. Remove any shipping tape that may be present.

- Remove the tape that holds the wiring in place on top of the hood during shipment.
- Install the duct collar or exhaust cowling on the top of the hood assembly as shown, using the screws included with the hood.

Installation Instructions
WARNING
- Observe all governing codes and ordinances during installation. Contact your local building department for further information.
- A qualified technician must complete the installation of this built-in appliance. The owner is responsible to make sure the hood is properly installed.
- Do not install the range hood unless the power supply provided meets the required Electrical Specifications (see page 3).
- To avoid an electric shock hazard and property damage, locate electric wires and water pipes and avoid drilling or cutting in the vicinity.
- The range hood is heavy. To prevent personal injury and property damage install the hood only as specified in the following instructions. Make sure all screws used to mount and assemble the hood are tight. Failure to properly anchor the hood to the ceil-ing may result in personal injury due to the unit fall-ing. Hanging the range hood requires two people. Do not attempt to lift the hood without assistance.
- DO NOT use the mounting anchors provided with the unit. They are part of a standard mounting hard-ware package provided with many Dacor hoods, but not suitable for use with this model.
NOTE: If installing the hood in the recirculating configu-ration (recirculating kit # AVDI1 or AVDI2), consult the instructions that come with the kit before starting installa-tion.
Installation Preparation
- Locate the mounting bracket and position it against the ceiling at the previously determined mounting location (see page 4).
- Using a pencil, mark the four mounting hole locations on the ceiling.
- Drill four 1/16” (1.6 mm) pilot holes at the mounting hole locations.
- Attach the bracket using four #12 screws (not sup-plied). Make sure the screws penetrate into the wood mounting surfaces 1 1/2” (3.8 cm).
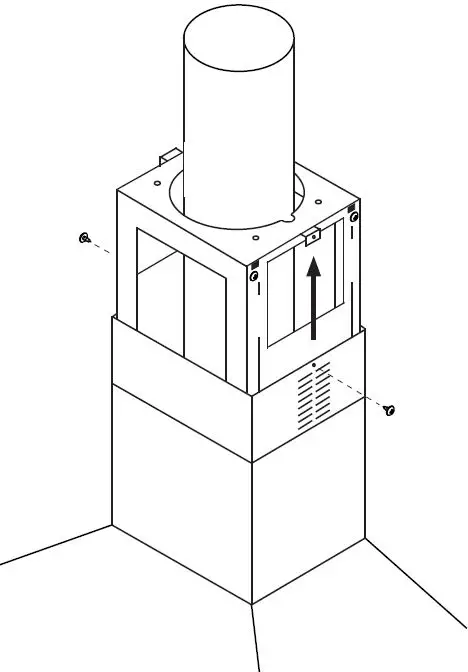
- Separate the bottom framework piece from the top framework piece. The top frame work piece has inch slots on the sides. The bottom piece has a series of holes on the sides.
- Position the bottom framework piece on top of the hood as shown below. Slide the studs on the top of the hood into the holes on the bottom of the frame-work piece. The cutouts for the wiring allow the bot-tom framework piece to fit on only one way. If it does not fit properly, turn it 180° so that the cut-outs line up. Make sure all wiring is tucked inside the frame-work piece and are not pinched.
- Use eight provided lock washers and nuts to secure the bottom framework piece to the top of the hood.

- Determine the required framework height. To deter-mine the required framework height:
- Measure the distance from the ceiling to the cooking surface.
- Subtract the height at which the hood will be mounted (30” minimum) and the hood thickness (12 1/2”) from the distance measured.
- Put the top framework piece over the bottom frame-work piece as shown below. The mounting slots on the top piece must be up.
- Use four machine screws to fasten the top piece to the bottom piece. The total height of the two pieces together must equal the required framework height determined above.
- Remove the protective plastic covering from both pieces of the chimney assembly. Do not remove the protective tape strips from the inside. They protect the telescoping pieces from scratching during instal-lation.
- Carefully slide both sections together so that only the vents on the top section show.
- Hold the chimney vertically with the vents up.
- Carefully put the chimney over the top of the frame-work, taking care not to scratch the surfaces. Make sure the Dacor logo faces the same side as the con-trol panel.
- Make sure any wires are tucked in behind the chim-ney and are not pinched.

Hang the Hood
WARNING: To prevent personal injury, do not rely on the mounting springs to hold the hood assembly in place on the ceiling. Once the hood is hooked in place IMMEDIATELY secure the framework to the mounting bracket as described below.
- Before raising the hood into position, lift it up and orient it so that the control panel faces the same direction as the front of the cooktop or range.
- Lift the hood assembly up on both sides and slip the end of the framework over the mounting bracket. Push up until all four mounting springs protrude out of the mounting slots on the top of the framework.
- Attach the framework to the mounting bracket immediately using four self-tapping screws.

Preparing for Installation
Install the Duct Work
WARNING Do not use screws to attach the duct work to the hood exhaust outlet. Use duct tape only. Screws may prevent the damper flaps on the top of the hood from opening.
- If installing the unit with a recirculating kit, skip to Final Electrical Installation. Otherwise, install the duct work system according to the specifications on page 5.
- Lift the chimney up and reach inside the frame-work to access the hood exhaust. Attach the duct to the hood exhaust with duct tape alone. Use sheet metal screws (not provided) and duct tape on all the remaining duct system joints.

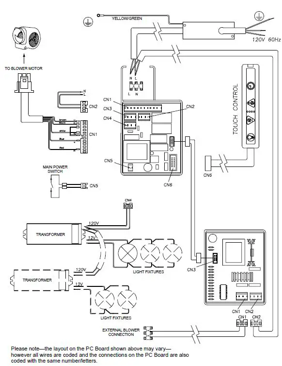
Final Electrical Installation
WARNING
- To avoid electric shock or fire hazard, prior to con-necting the electrical wiring to the hood, make sure that power to the hood power supply line is turned off at the circuit breaker panel or fuse box.
- Improper connection of the hood electrical wiring may create an electric shock or fire hazard and may result in damage to the hood’s electrical system. See page 3 for specifications.
Do not ground the hood to the neutral (white) power supply wire. Connect the hood ground wire to a separate, proper ground wire installed by a licensed electrician.
Make sure all wire used is capable of handling the total connected load. See page 3.
Connect the house power supply wires to the wires inside the hood junction box, inside the chimney, on the right side:- Connect the white wire from the hood to the neutral (white) power supply wire.
- Connect the black wire from the hood to the hot
(black) power supply wire. - Connect the green and yellow wire from the hood to the house ground (green) wire from the junction box.

Final Chimney Assembly
WARNING Be careful not to pinch the electrical wires while assembling the chimney.
- Move the chimney up toward the ceiling. Line up the holes on the side of the chimney, above the vents, with the holes on the side of the mounting bracket.

- Attach the sides of the chimney to the bracket using two machine screws, one on each side.
- Carefully, slide the bottom portion of the chimney down until it rests on the top of the range hood.
- Reinstall the range hood filter(s) before operation.
Verifying Proper Operation
- Make sure power is switched on at the circuit breaker panel or fuse box.
- If the control panel is not lit, remove the filter(s) and turn on the main power switch located behind the filters on the underside of the hood. Replace the filter(s).
- Touch the light key. Verify that all the lights come on.
- Touch the light key again to turn the lights off.
- Touch the blower “+” key once and release. Verify that one light is showing on the blower speed indica-tor and that the blower is on at low speed.
- Touch and release the blower “+” repeatedly, three times. Verify that with each touch of the key the num-ber of lights on the speed indicator increases and that the blower speed increases accordingly.
- Touch and hold the blower “-” key until the blower turns off.
If the hood fails to operate properly:
- Verify that power is supplied to the hood.
- Check the electrical connections to ensure that the installation has been completed correctly.
- Repeat the above test.
- If the hood still does not work, contact Dacor Customer Service. Do not attempt to repair the appliance yourself. If you need service, be sure to have the model and serial numbers available when you call. See the inside cover for location. Dacor is not responsible for the cost of correcting problems caused by a faulty installation.
Installation Checklist
WARNING
- To ensure a safe and proper installation, the follow-ing checklist should be completed by the installer to ensure that no part of the installation has been overlooked.
- Proper installation is the responsibility of the home-owner. The importance of proper installation of your Dacor range hood cannot be overemphasized.
- Is the mounting bracket properly attached to the ceil-ing according to the instructions on page 7.
- Is the hood properly secured to the mounting bracket with the machine screws? See page 8.
- Is the duct work completely installed? Are all joints attached with sheet metal screws and wrapped with duct tape? See pages 5 and 9?
- Is the range hood wired and grounded according to these instructions and in accordance with all appli-cable electrical codes? See pages 3 and 9.
- Are the filters properly installed according to the use and care manual?
- Has proper operation been verified?





























