Sliding Door
Hardware Manual
(J Shape 6.6ft)
Product Content



Tools Needed

Measurements

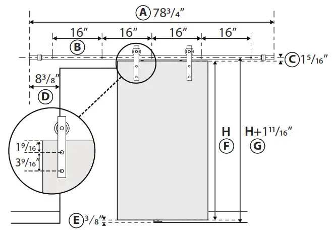
A Overall Rail length is 78/”.
B The gap between each pre-drilled hole is 16″.
C Distance from door top side to holes on the wall is 1/”.
D End of the rail is 8/” away from the entrance of the door.
E Distance from the bottom of the door to the floor is /”.
F Door height is H.
G The height of holes on the wall is H+1/”.
Instructions
It is very important to determine whether you will be installing a Header Board prior to installing the track.
Due to many overlapping factors such as the location of wall studs (Our rail come with pre-drilled holes every 16″ on center), the weight of a barn door and the various types of trim used in homes, we recommend using a Header Board in all situations. Please install a 1″ x 4″ or 1″ x 6″ Header Board above the door opening directly into studs.
Header Board must be solid wood and measure at least the full length of the track or longer.

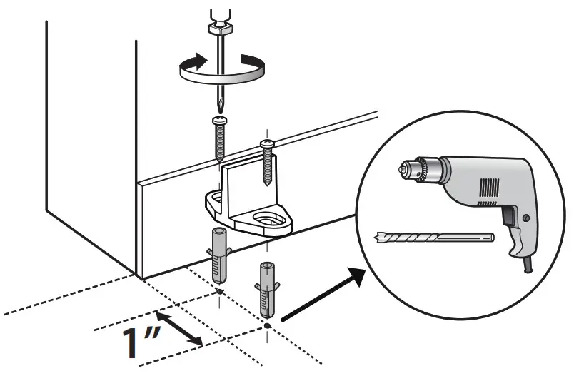
- Place the rail against the wall, and use a pencil to mark where the holes should be.
Make sure the height of holes on the wall is H+1/”.
- We provide 2 kinds of screws for you to install rail onto concrete wall or drywall.
A Concrete wall Installation. Install the anchor to holes on the concrete wall first, then install carriage bolt to anchor.
B Drywall Installation. Install the lag bolt to wood stud or head board directly.
- Insert door stoppers into rail. Install door stoppers between A-B and C-D. Door stopper is used to prevent the hangers coming out of the rail.

- Use router or circular saw to create a kerf at bottom of the door, along the center to allow the tip of the T-shaped floor guide to fit in between, to keep your door stable and prevent the door bottom swinging back and forth when you slide it open and closed.

- Install the hangers onto the door according to the measurement in the pictures below. Maximum door thickness is 1/”. If your door’s thickness is less than 1/”, please add some bolt washers or cut the long door bolts to a suitable length to fit the door.

- The rubber ends are used to protect the door from touching the rail when sliding the door. You need to drill holes on the door top side, please drill the holes /” away from the edge of the door. Then install the rubber ends on the door.

- Hang the door over the rail

- Turn the rubber ends approximately 180 degrees so that they are stuck between the door and the rail.

- Adjust the 2 door stoppers to find a suitable position, Use the hex key to screw the door stoppers in place.

- Install the floor guidePut floor guide on the floor first to fix a suitable position and make a mark so that the tip of the floor guide can work well in the slot. Use suitable drill bit to drill holes on the floor where the mark is, and then install the floor guide.


B Drywall Installation. Install the lag bolt to wood stud or head board directly.






















