EATON IL0131073EN NRX RF Series Fixed Vraker Three Way Cable Interlock Kit Installation Guide
WARNING
- ONLY QUALIFIED ELECTRICAL PERSONNEL SHOULD BE PERMITTED TO WORK ON THE EQUIPMENT.
- ALWAYS DE-ENERGIZE PRIMARY AND SECONDARY CIRCUITS IF A CIRCUIT BREAKER CANNOT BE REMOVED TO A SAFE WORK LOCATION.
- DRAWOUT CIRCUIT BREAKERS SHOULD BE LEVERED (RACKED) OUT TO THE DISCONNECT POSITION.
- ALL CIRCUIT BREAKERS SHOULD BE SWITCHED TO THE OFF POSITION AND MECHANISM SPRINGS DISCHARGED.
FAILURE TO FOLLOW THESE WARNINGS FOR ALL PROCEDURES DESCRIBED IN THIS INSTRUCTION LEAFLET COULD RESULT IN DEATH, BODILY INJURY, OR PROPERTY DAMAGE.
WARNING
THE INSTRUCTIONS CONTAINED IN THIS IL AND ON PRODUCT LABELS HAVE TO BE FOLLOWED. OBSERVE THE FIVE SAFETY RULES:
- DISCONNECTING
- ENSURE THAT DEVICES CANNOT BE ACCIDENTALLY RESTARTED
- VERIFY ISOLATION FROM THE SUPPLY
- EARTHING AND SHORT-CIRCUITING
- COVERING OR PROVIDING BARRIERS TO ADJACENT LIVE PARTS
DISCONNECT THE EQUIPMENT FROM THE SUPPLY. USE ONLY AUTHORIZED SPARE PARTS IN THE REPAIR OF THE EQUIPMENT. THE SPECIFIED MAINTENANCE INTERVALS AS WELL AS THE INSTRUCTIONS FOR REPAIR AND EXCHANGE MUST BE STRICTLY ADHERED TO PREVENT INJURY TO PERSONNEL AND DAMAGE TO THE SWITCHBOARD.
General information
This information leaflet (IL) provides detailed installation instructions for installing and interconnecting one fixed Type RF frame breaker to another type of low voltage circuit breaker (LVCB) in any position (see A, B, C in Table 1) for a Type 31 or Type 33 interlock configuration as shown in Figure 1. When purchasing kits for a Type 31 or Type 33 interlock configuration setup, additional interlock kits (the types of interlock kits and the other breakers on which they can be installed that are compatible with this kit are listed in Table 2) are required for the other two breakers as well as the interconnecting cable kits (two or three are required depending on whether a Type 31 or Type 33 interlock configuration is desired, respectively).
For Type 31 or Type 33 interlock configurations, the mechanical interlock holds one or more of the breakers tripped or open (prevents closure) when some combination of the others are closed. A lever assembly is mounted on each breaker and interfaces with the pole shaft and trip bar. The lever assemblies are interconnected with cables provided in interconnecting cable kits (listed in Table 3) that are compatible with this interlock kit. The cable kits, purchased separately, each contain two cables and can be used for any orientation of the breakers according to the installation recommendations in Step 9.
Refer to Figure 2 and Figure 3 for identification of interlock kit and interconnecting cable kit contents, respectively.
Figure 1. Cable routing for Type 31 and Type 33 interlock configurations

Table 1. Type 31 and Type 33 interlock logic

| Breaker | Breaker | ||||
| A | B | C | A | B | C |
| Allowed states or conditions | |||||
| 0 | 0 | 0 | 0 | 0 | 0 |
| 1 | 0 | 0 | 1 | 0 | 0 |
| 0 | 1 | 0 | 1 | 0 | 1 |
| 0 | 0 | 1 | 0 | 0 | 1 |
| – | – | – | 0 | 1 | 0 |
0 = open
1 = closed
Table 2. Interlock assembly kits for interconnected breakers
| Interconnected breaker | Interlock assembly kit for fixed breaker | Interlock assembly kit for drawout breaker |
| NRX Type NF frame | IZMX-MIL3133C-F16-2 | IZMX-MIL3133C-W16-2 |
| NRX Type RF frame | IZMX-MIL3133C-F40-2 | IZMX-MIL3133C-W40-2 |
| Magnum DST, SB or IZM | MCI2W3W3133FX | MCI2W3W3133DO |
Table 3. Interconnecting cable kits (two cables per kit) a
| Cable kit length | Catalogue number |
| 1,5 m (5 ft) | IZMX-MIL-CAB1520-2 |
| 1,8 m (6 ft | IZMX-MIL-CAB1830-2 |
| 2,4 m (8 ft) | IZMX-MIL-CAB2440-2 |
| 3,0 m (10 ft) | IZMX-MIL-CAB3050-2 |
(1) Cable kits are purchased separately as needed.
Figure 2. Interlock kit part identification, includes parts to install on a single fixed Type RF frame breaker (does not include cables)

Figure 3. Interconnecting cable kit part identification (includes cables)

Installation
Required tools
- 10 mm hex socket
- 11/16-inch open-end wrench
- 3/8-inch open-end wrench
- 3/8-inch hex socket
- 2 mm Allen wrench
- Drive extension
- Adjustable wrench
- Ratchet
- T15 Torx driver
- Measuring instrument, in mm
Before proceeding with the following steps, ensure that all breakers are in the OPEN and DISCHARGED position.
Step 1
Remove the four screws (six for 4-pole breaker) holding the cover in place. Pull down on the charging handle and remove the front cover as shown in Figure 4. Remove drive arm window as shown in Figure 5. Either use a utility knife to cut the window from the cover or use a punch and a small hammer to carefully punch out the window. Once the window is removed, use a small file to remove any burrs that remain. Make certain that all pieces and/or particles are cleaned up and removed before proceeding.
Step 2
Remove and retain the upper right M5 x 12 mm screw from the fixed breaker mounting foot (ref. IL01301076E) as shown in Figure 4.
Figure 4. Details for Steps 1 and 2

Figure 5. Details for Steps 1 and 2
Step 3
Install the drive arm (E) to the end of the pole shaft using an M6 x 35 mm flathead screw (F) as shown in Figure 6. Apply LoctiteT Blue 242 to ensure that the screw cannot come loose during operation. The drive arm should be oriented as shown in Figure 5. Torque to 7,3–9,6 N∙m (65–85 in-lb).
Step 4
Install the trip pin (A) to the trip bar using an M3 x 16 mm flathead screw (B) as shown in Figure 6. Apply Loctite Blue 242 to ensure that the screw cannot come loose during operation.
Use a wrench to hold the trip lever during installation. Torque to 0,3–0,6 N∙m (3-5 in-lb).

Step 5
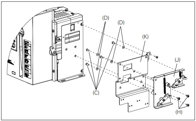
Fasten the interlock assembly (J) to the fixed mounting bracket (K) using four M6 x 12 mm hex bolts (C) and four lock washers (D) as shown in Figure 7. Torque to 4,5–5,6 N∙m (40–50 in-lb).

Figure 8

Step 6
Fasten the fixed mounting bracket (K) to the right side fixed breaker mounting foot using three M6 x 10 mm thread-forming screws (H) as shown in Figure 9. Torque to 7,3–9,6 N∙m (65–85 in-lb). Ensure that once attached to the breaker, the trip paddle is above the trip pin on the trip bar as shown in Figure 8.
Figure 9.
Step 7
Re-install M5 x 12 mm screw as shown in Figure 7. Torque to 2,2 N∙m (20 in-lb).
Step 8
Fasten four cable brackets (G) to the right fixed mounting bracket (K) just below the interlock assembly (mounted in Steps 5, 6, and 7) using four M6 x 10 mm thread-forming screws (H) as shown in Figure 9. Torque to 7,3–9,6 N∙m (65–85 in-lb).
Step 9
This step contains cable routing and installation procedures. Verify that cables move freely in their cable housings before installation.
When attaching cables to the swivel fittings, ensure that both ends of the cable are connected to push swivel fittings or both ends of the cable are connected to pull swivel fittings (refer to Figure 11).
For example, a cable connected to the drive lever pull swivel fitting on Breaker A must connect to the driven level pull swivel fitting on Breaker B.
ATTENTION
FIGURE 10 SHOWS THE TYPICAL CABLE ROUTING FOR TYPE 31 AND TYPE 33 INTERLOCK CONFIGURATIONS. NOTICE THAT, DEPENDING ON THE POSITION OF THE BREAKER WITHIN THE INTERLOCK CONFIGURATION, THE CABLES WILL BE ATTACHED IN DIFFERENT LOCATIONS. THE CABLE MOUNTING ON BOTH POINTS OF THE DRIVE AND DRIVEN LEVERS ARE DESCRIBED BELOW. TABLE 4 SHOWS THE TYPE 31 AND TYPE 33 INTERLOCK LOGIC DEPENDING ON POSITION.

Figure 10. Cable routing for Type 31 and Type 33 interlock configurations
Table 4. Type 31 and Type 33 interlock logic
| Breaker | Breaker | ||||
| A | B | C | A | B | C |
| Allowed states or conditions | |||||
| 0 | 0 | 0 | 0 | 0 | 0 |
| 1 | 0 | 0 | 1 | 0 | 0 |
| 0 | 1 | 0 | 1 | 0 | 1 |
| 0 | 0 | 1 | 0 | 0 | 1 |
| – | – | – | 0 | 1 | 0 |
Installation recommendations
- 102 mm (4 in) minimum allowable cable housing bend radius
- Use plastic wire ties / clamps to attach cable housing to structure after installation and adjustment
- Do not compress the cable housing
- Recheck to ensure cables move freely
Figure 11. Push and pull swivel fitting identification
Step 10
This step describes how to first attach the drive (short rod) end of a cable to its interlock assembly and cable bracket (see Figure 12).
To attach the drive (short rod) end of a cable to the drive lever pull swivel fitting (refer to Figure 11), follow the directions below.
- Remove upper nut, compression spring, and 38,1 mm (1,5 in) tube spacer from the end of rod of cable assembly.
- Slide the rubber boot toward tip of the rod.
- Unthread the outer bulkhead nut, and slide nut and lock washer toward the tip.
- Insert the threaded end of rod into the swivel fitting.
- Slide the smaller diameter portion of bulkhead fitting into the cable bracket slot, keeping one of the two lock washers with each bulkhead nut.
- Raise the cable assembly until the threaded portion of bulkhead fitting enters the slotted hole in the cable bracket (threads show above bracket).
- Bring the bulkhead washer and nut down to the threads and hand tighten.
- Adjust the two bulkhead nuts to approximately center the threaded section of the bulkhead fitting on the cable mounting bracket.
- Hand tighten the bulkhead nuts at this time.
- Slide the rubber boot back into place over the end of bulkhead fitting.
- Replace the 38,1 mm (1,5 in) tube spacer, compression spring, and upper nut on end of rod.
- The lower nuts should be against the stop at the end of the thread and upper nut tightened against the tube spacer.
- Hold the lower nuts and torque upper nut to 3,3–4,5 N∙m (30–40 in-lb).
To attach the drive (short rod) end of a cable to the drive lever push swivel fitting (refer to Figure 11), follow the directions below (see Figure 12).
- Remove the upper nut from the end of the rod of the cable assembly.
- Slide the rubber boot toward the tip of rod.
- Unthread the outer bulkhead nut, and slide the nut and lock washer toward tip.
- Insert the threaded end of the rod with the 38,1 mm (1,5 in) tube spacer into the swivel fitting, ensuring that the compression spring remains between the lower nuts and the swivel.
- Slide the smaller diameter portion of the bulkhead fitting into the cable bracket slot, keeping one of the two lock washers with each bulkhead nut.
- Raise the cable assembly until the threaded portion of the bulkhead fitting enters the slotted hole in the cable bracket (threads show above bracket).
- Bring the bulkhead washer and nut down to the threads and hand tighten.
- Adjust the two bulkhead nuts to approximately the center of the threaded section of the bulkhead fitting on the cable mounting bracket.
- Hand tighten the bulkhead nuts at this time.
- Slide the rubber boot back into place over the end of bulkhead fitting.
- Replace 38,1 mm (1,5 inch) tube spacer, compression spring, and upper nut on end of rod.
- Lower nuts should be against the stop at the end of thread and upper nut tightened against tube spacer.
- Hold lower nuts and torque upper nut to 3,3–4,5 N∙m (30–40 in-lb).

Figure 12. Details for Step 10: cable assembly drive (short rod) end mounting component identification, mounting cable assembly in cable bracket, and cable rod attachment to drive arm
Step 11
This step describes how to attach the driven (long rod) end of a cable attached to an interlock assembly on another breaker to the cable bracket and interlock assembly on this Type RF frame breaker.
Refer to Figure 10 and Figure 11 for cable routing and the correct swivel fittings to which the cables are connected.
The driven (long rod) end of the cable is attached to the corresponding push or pull swivel fitting on the driven lever on this cable interlock assembly similarly to Step 10 except the driven end does not utilize a compression spring between the swivel and the nut. Remove and discard the 22,2 mm (0,875 in) cable tube spacer (N) on the rod end of the cable assembly (L) and replace it with the 38,1 mm (1,5 in) cable tube spacer (M). Install as shown
in Figure 13.
Step 12
This step describes how to adjust the cables to ensure proper functionality of the cable interlock setup. Cable adjustments are made with the large bulkhead nuts ONLY and with all breakers OPEN. Nuts on the rod ends should not be moved.
Begin by adjusting or verifying that the threaded section of all bulkhead fittings are approximately centered on the cable mounting brackets, allowing for room to adjust in either direction. Hand tighten the nuts at this time.
Perform the initial adjustments on the driven (long rod) end of the cable. There should be a small clearance (see Table 5) between the upper nut and the face of the pull swivel on which it pulls, and between the lower nuts and the face of the push swivel on which it pushes (see Figure 13).
If there is too much clearance, adjust both the bulkhead nuts to retract the cable housing (move threaded portion down).
If there is no clearance, advance the cable housing in the same manner (move threaded portion up).
If additional adjustment length is needed, the bulkhead nuts on the other (drive) end of cable can be used.
When the proper clearance is attained on the driven end, torque both cable bulkhead nuts to 11–13 N∙m (100–120 in-lb) without moving the bulkhead fittings.
After the driven end has been adjusted and the bulkhead nuts have been tightened, perform adjustments on the drive (short rod) end of the cable. Adjust the bulkhead nuts up (move threaded portion down) such that the gap between the drive lever and the interlock assembly base shown on Figure 11 is less than 8 mm (0,32 in).
When the gap is less than 8 mm (0,32 in), torque the cable bulkhead nuts on both ends to 11–13 N∙m (100–120 in-lb).
Table 5. Driven lever cable rod clearances
| Driving breaker | Driven RF push clearance | Driven RF pull clearance |
| Type NF frame | < 1,6 mm (0,06 in) | < 1,6 mm (0,06 in) |
| Type RF frame | < 1,6 mm (0,06 in) | < 1,6 mm (0,06 in) |
| Magnum | < 4,5 mm (0,18 in) | < 10,0 mm (0,39 in) |
Figure 13. Details for Step 11: driven (long rod) end mounting component identification and Step 12 driven (long rod) end after adjustments

Functional test of interlock assembly
Refer to Table 1 and Figure 1 for breaker position in the interlock configuration. Begin the test sequence with all breakers OPEN. For
Breaker A, verify that the interlock assembly is positioned as shown in Figure 14 while in the various states required by the steps below.
For Breakers B and C, use the figure included in the information leaflet for the interlock kit installed on those breakers.
Type 31
Four-cable interlock assembly test. Refer to Table 1 for logic details.
- CHARGE and CLOSE Breaker A
- CHARGE and attempt to CLOSE Breaker B. It should not respond to CLOSE attempt (no noise, spring discharge, or contact motion)
- CHARGE and CLOSE Breaker C. Verify that Breaker A remains CLOSED
- CHARGE and attempt to CLOSE Breaker B again. It should still not respond to CLOSE attempt (no noise, spring discharge, or contact motion)
- OPEN Breaker A. Verify that Breaker C is still CLOSED. CHARGE and attempt to CLOSE Breaker B. It should still not respond to CLOSE attempt (no noise, spring discharge, or contact motion)
- OPEN Breaker C. All breakers should now be OPEN
- CHARGE and CLOSE Breaker B. CHARGE and attempt to CLOSE
Breakers A and C. Verify that they do not respond to CLOSE attempt (no noise, spring discharge, or contact motion)
Type 33
Six-cable interlock assembly test. Refer to Table 1 for logic details.
- CHARGE and CLOSE Breaker A
- CHARGE and attempt to CLOSE Breakers B and C. Verify that neither breaker responds to the CLOSE attempt (no noise, spring discharge, or contact motion)
- OPEN Breaker A. The interlock should release
- Repeat above test on Breaker B using B for A, C for B, and A for C and Breaker C using C for A, A for B, and B for C
The mechanical interlock is now properly installed and adjusted.
Use a light amount of supplied lubricant (I) if any interlock parts are sticky or do not fully reset. This is only recommended if needed.

Figure 14. Position of interlock based on breaker state
Disclaimer of warranties and limitation of liability
The information, recommendations, descriptions, and safety notations in this document are based on Eaton’s experience and judgment, and may not cover all contingencies. If further information is required, an Eaton sales office should be consulted.
Sale of the product shown in this literature is subject to the terms and conditions outlined in appropriate Eaton’s selling policies or other contractual agreement between Eaton and the purchaser.
THERE ARE NO UNDERSTANDINGS, AGREEMENTS, WARRANTIES, EXPRESSED OR IMPLIED, INCLUDING WARRANTIES OF FITNESS FOR A PARTICULAR PURPOSE OR MERCHANTABILITY, OTHER THAN THOSE SPECIFICALLY SET OUT IN ANY EXISTING CONTRACT BETWEEN THE PARTIES. ANY SUCH CONTRACT STATES THE ENTIRE OBLIGATION OF EATON. THE CONTENTS OF THIS DOCUMENT SHALL NOT BECOME PART OF OR MODIFY ANY CONTRACT BETWEEN THE PARTIES.
In no event will Eaton be responsible to the purchaser or user in contract, in tort (including negligence), strict liability or otherwise for any special, indirect, incidental or consequential damage or loss whatsoever, including but not limited to damage or loss of use of equipment, plant or power system, cost of capital, loss of power, additional expenses in the use of existing power facilities, or claims against the purchaser or user by its customers resulting from the use of the information, recommendations and description contained herein.
The information contained in this manual is subject to change without notice.


















