USER GUIDE &
INSTALLATION INSTRUCTIONS
Kitchener and Professional+ 110 Dual Fuel
U111148 - 03a
User Guide 
U111148-03a Kitchener and Professional+ 110 Dual Fuel
This is #MyRangemaster
Search Rangemaster UK
Simply snap and share a picture of your kitchen and tag #MyRangemaster for the chance to win £200 of Rangemaster cookware. If selected we will also send a photographer round to professionally photograph you at home with your range. You might even feature in some of the UK’s top home interest titles!
To enter all you have to do is send in photos of your Rangemaster kitchen and tell us in one sentence what makes Rangemaster the heart of your kitchen? Entries can be posted on our Facebook page, Instagram or Twitter by tagging @RangemasterUK and using #MyRangemaster. Or, if you prefer, simply send in your entry via e-mail to
[email protected].
Rangemaster will feature a number of entries on the website online gallery and on the Rangemaster Facebook page, and some kitchens may be selected to be professionally photographed.
* Terms & Conditions Apply
To enter simply
SNAP
and SHARE #MyRangemaster

Our range cookers are well known for providing the best possible cooking performance and years of faithful service.
However, a great cooker alone cannot guarantee perfect results every time. The other vital ingredients are of course enthusiasm and quality cookware.
We offer cookware to work perfectly with all fuel types manufactured by Rangemaster, including induction hobs.
You can be assured of functionality with style, as well as the quality and meticulous attention to detail you expect from the pioneers of range cooking.
Visit www.rangemastercookshop.co.uk
* Terms & Conditions
- This is my Rangemaster is open to residents of UK mainland only, aged 18 years & over.
- All entries should be submitted to the advertised e-mail address, or Rangemaster UK Facebook, Instagram or Twitter page using the advertised hashtag & tag.
- If we would like to professionally photograph your kitchen, you will be contacted via e-mail, Facebook / Twitter message or Instagram comment.
- We cannot guarantee your kitchen will be professionally photographed.
- Any photographs received and professional photographs taken will belong to AGA Rangemaster plc with full usage rights. E&OE.
Before You Start
Your cooker should give you many years of trouble-free cooking if installed and operated correctly. It is important that you read this section before you start.
Personal Safety
This appliance is for cooking purposes only.
It must not be used for other purposes, for example heating a room. Using it for any other purpose could invalidate any warranty or liability claim. Besides invalidating claims
this wastes fuel and may overheat the control knobs.
This appliance is for use in Great Britain and the Republic of Ireland. It is a Cat II2H3+ cooker and is set for G20 at 20 mbar. (A conversion kit for LPG is available for the cooker).
- This appliance can be used by children aged from 8 years and above and persons with reduced physical, sensory or mental capabilities or lack of experience and knowledge if they have been given supervision or instruction concerning use of the appliance in a safe way and understand the hazards involved.
- WARNING: Children less than 8 years of age should be kept away unless continuously supervised. Children shall notplay with the appliance. Cleaning and user maintenance shall not be made by childrenwithout supervision.
- The cooker should not be placed on a base
- This appliance is designed for domestic cooking only. Use for any other purpose could invalidate any warranty or liability claim.
- Before operating the ovens please refer to the oven shelf installation, in the Accessories section.
- WARNING: The appliance and its accessible parts become hot during use and will retain heat even after you have stopped cooking. Care should be taken to avoid touching heating elements. Children less than 8 years of age shall be kept away unless continuously supervised.
- CAUTION: A long term cooking process has to be supervised from time to time. A short term cooking process has to be supervised continuously.
- At the risk of fire DO NOT store items on the cooking surfaces.
- To avoid overheating, DO NOT install the cooker behind a decorative door.
- WARNING: Accessible parts will become hot during use and will retain heat even after you have stopped cooking. Keep babies and children away from the cooker and never wear loose-fitting or hanging clothes when using the appliance.
- DO NOT use a steam cleaner on your cooker.
- Always keep combustible materials, e.g. curtains, and flammable liquids a safe distance away from the cooker.
- DO NOT spray aerosols in the vicinity of the cooker while it is on.
Electrical Connection Safety
A Gas Safe registered engineer should service the cooker and only approved spare parts should be used.
The electrical installation must be installed in accordance with all relevant British Standards/Codes of Practice, BS 7671.
Or with the relevant national and local regulations and with the local gas and electricity supply companies’ requirements.
Otherwise, all installations must be in accordance with the relevant instructions in this booklet.

WARNING: THE APPLIANCE MUST BE EARTHED.
Note: The cooker must be connected to the correct electrical supply as stated on the voltage label on the cooker, through a suitable cooker control unit incorporating a double pole switch, having a contact separation of at least 3 mm in all poles.
THE COOKER MUST NOT BE CONNECTED TO AN ORDINARY DOMESTIC POWER POINT.
Access to the mains terminal is gained by removing the electrical terminal cover box on the back panel. Connect the mains cable to the correct terminals for your electrical supply type (Fig. 1.1 and Fig. 1.2). Check that the links are correctly fitted and that the terminal screws are tight. Secure the mains cable using the cable clamp.
Minimum temperature rating T105.
Read the instructions before installing or using this appliance.
Gas Connection Safety
- This cooker is a Class 2 Subclass 1 appliance.
- This appliance can be converted for use on another gas.
- Before installation, make sure that the cooker is suitable for your gas type and supply voltage. See the data badge.
- DO NOT use reconditioned or unauthorised gas controls.
- Disconnect from the electricity and gas supply before servicing.
- When servicing or replacing gas-carrying components disconnect from the gas supply before starting operation. Check the appliance is gas sound after completion.
- Make sure that the gas supply is turned on and that the cooker is wired in and switched on.
- In your own interest and that of safety, it is law that all gas appliances be installed by a qualified person(s).
- An appliance for use on LPG must not be installed in a room or internal space below ground level, e.g. in a basement.
This cooker must be installed in accordance with:
- British Standards/Codes of Practice, BS 5440 Part 2
- Natural Gas: BS 6172 and BS 6891
- LP Gas: BS 5482-1 (when the installation is in a permanent dwelling)
- Gas Safety (Installation and Use) regulations
- Relevant Building/IET regulations
If You Smell Gas
- DO NOT turn electric switches on or off
- DO NOT smoke
- DO NOT use naked flames
- Turn off the gas at the meter or cylinder
- Open doors and windows to get rid of the gas
- Keep people away from the area affected
- Call your gas supplier
- If you are using Natural Gas in the UK, ring the National Grid on: 0800 111 999
Peculiar Smells
When you first use your cooker it may give off an odour. This should stop after use.
Before using for the first time, make sure that all packing materials have been removed and then, to dispel manufacturing odours, turn the ovens to 200 °C and run for at least an hour. Before using the grill for the first time you should also turn on the grill and run for 30 minutes with the grill pan in position, pushed fully back and the grill door open.
Make sure the room is well ventilated to the outside air (see ‘Ventilation’ below). People with respiratory or allergy problems should vacate the area for this brief period.
Cooling Fan
This appliance may have a cooling fan. When the grill or ovens are in operation the fan will run to cool the fascia and control knobs.
Ventilation
The use of a cooking appliance results in the production of heat and moisture in the room in which it is installed. Therefore, make sure that the kitchen is well ventilated: keep natural ventilation holes open or install a powered cookerhood that vents outside. If you have several hotplates/burners on, or use the cooker for a long time, open a window or turn on an extractor fan
Maintenance
- It is recommended that this appliance is serviced annually.
- WARNING: Before replacing the bulb, turn off the power supply and make sure that the oven is cool.
- DO NOT use cooking vessels on the hotplate that overlap the edges.
- Unless specified otherwise in this guide, always allow the cooker to cool and then switch it off at the mains before cleaning or carrying out any maintenance work.
- DO NOT use the control knobs to maneuver the cooker.
- NEVER operate the cooker with wet hands.
- DO NOT use a towel or other bulky cloth in place of a glove – it might catch fire if brought into contact with a hot surface.
- DO NOT use hotplate protectors, foil or hotplate covers of any description. These may affect the safe use of your hotplate burners and are potentially hazardous to health.
- NEVER heat unopened food containers. Pressure build up may make the containers burst and cause injury.
- WARNING: Use only hob guards designed by the manufacturer of the cooking appliance or indicated by the manufacturer of the appliance in the instructions for use as suitable or hob guards incorporated in the appliance. The use of inappropriate guards can cause accidents.
- DO NOT use unstable saucepans. Always make sure that you position the handles away from the edge of the hotplate.
- NEVER leave the hotplate unattended at high heat settings. Pans boiling over can cause smoking, and greasy spills may catch on fire. Use a deep fat thermometer whenever possible to prevent fat overheating beyond the smoking point.
WARNING: UNATTENDED COOKING ON A HOB WITH FAT OR OIL CAN BE DANGEROUS AND MAY RESULT IN FIRE.
• NEVER try to extinguish a fire with water, but switch off the appliance and then cover the flame e.g. with a lid or a fire blanket.
• NEVER leave a chip pan unattended. Always heat fat slowly, and watch as it heats. Deep fry pans should be only one third full of fat.
WARNING: DANGER OF FIRE: DO NOT STORE ITEMS ON THE COOKING SURFACES.
- NEVER try to move a pan of hot fat, especially a deep fat fryer. Wait until the fat is cool. Filling the pan too full of fat can cause spill over when food is added. If you use a combination of oils or fats in frying, stir them together before heating, or as the fats melt.
- Foods for frying should be as dry as possible. Frost on frozen foods or moisture on fresh foods can cause hot fat to bubble up and over the sides of the pan. Carefully watch for spills or overheating of foods when frying at high or medium high temperatures.
- DO NOT use the top of the flue (the slot along the back of the cooker) for warming plates, dishes, drying tea towels or softening butter.
- DO NOT use water on grease fires and never pick up a flaming pan. Turn the controls off and then smother a flaming pan on a surface unit by covering the pan completely with a well fitting lid or baking tray. If available, use a multi-purpose dry chemical or foam-type fire extinguisher.
- DO NOT modify this appliance. This appliance is not intended to be operated by means of external timer or separated remote-control system.
- If flammable materials are stored in the drawer, oven(s) or grill(s) it may explode and result in fire or property damage.
Oven Care
- When the oven is not in use and before attempting to clean the cooker always be certain that the control knobs are in the OFF position.
- Use oven gloves to protect your hand from potential burns.
- Cooking high moisture content foods can create a ‘steam burst’ when the oven door is opened (Fig. 1.3). When opening the oven, stand well back and allow any steam to disperse.
- The inside door face is constructed with toughened safety glass. Take care NOT to scratch the surface when cleaning the glass panel.
- Accidental damage may cause the door glass panel to fracture.
- Keep oven vent ducts unobstructed.
- DO NOT use harsh abrasive cleaners or sharp metal scrapers to clean the oven door glass since they can scratch the surface, which may result in shattering of the glass.
- Make sure the shelves are pushed firmly to the back of the oven. DO NOT close the door against the oven shelves.
- DO NOT use aluminium foil to cover shelves, linings or the oven roof.
- When the oven is on, DO NOT leave the oven door open for longer than necessary, otherwise the control knobs may become very hot.
- DO NOT use the timed oven if the adjoining oven is already warm.
- DO NOT place warm food in the oven to be timed.
- DO NOT use a timed oven that is already warm.
- Use dry oven gloves when applicable – using damp gloves might result in steam burns when you touch a hot surface.

Oven Shelves
To fit the glide-out shelf, hook the front of the shelf onto the runners as shown (Fig. 1.4). The rear of the shelf should rest on the runners, in front of the rear stop (Fig. 1.4).
Standard oven shelves can be fitted by lining up the shelf with a groove in the oven ladders. Push the shelf back until the ends hit the shelf stop. Lift the front so the shelf clears the stops, then lower the front so the shelf is level and push it fully back.
Grill/Glide-out Grill™ Care
WARNING: UNATTENDED COOKING UNDER THE GRILL CAN BE DANGEROUS AND MAY RESULT IN FIRE.
- When using the grill, make sure that the grill pan is in position and pushed fully in, otherwise the control knobs may become very hot.
- DO NOT leave the grill on for more than a few moments without the grill pan underneath it, otherwise the knobs may become hot.
- NEVER close the grill door when the grill is on.
- Accessible parts may be hot when the grill is in use. Young children should be kept away
Cooker Care
As steam can condense to water droplets on the cool outer trim of the oven, it may be necessary during cooking to wipe away any moisture with a soft cloth. This will also help to prevent soiling and discolouration of the oven exterior by cooking vapours.
Cleaning
- Isolate the electricity supply before carrying out any thorough cleaning. Allow the cooker to cool.
- In the interests of hygiene and safety, the cooker should be kept clean at all times as a build up in fats and other food stuff could result in a fire.
- Clean only the parts listed in this guide.
- Clean with caution. If a wet sponge or cloth is used to wipe spills on a hot surface, be careful to avoid steam burns. Some cleaners can produce noxious fumes if applied to a hot surface.
- NEVER use paint solvents, washing soda, caustic cleaners, biological powders, bleach, chlorine based bleach cleaners, coarse abrasives or salt.
- DO NOT mix different cleaning products – they may react together with hazardous results.
- All parts of the cooker can be cleaned with hot soapy water.
- Take care that no water seeps into the appliance.
- Before you remove any of the grill parts for cleaning, make sure that they are cool or use oven gloves.
- DO NOT use any abrasive substances on the grill and grill parts.
- DO NOT put the side runners in a dishwasher.
- DO NOT put the burner heads in a dishwasher.
- NEVER use caustic or abrasive cleaners as these will damage the surface.
- DO NOT use steel wool, oven cleaning pads or any other materials that will scratch the surface.
- NEVER store flammable materials in the drawer. This includes paper, plastic and cloth items, such as cookbooks, plastic ware and towels, as well as flammable liquids.
- DO NOT store explosives, such as aerosol cans, on or near the appliance.
- DO NOT use steel wool, oven cleaning pads, or any other materials that will scratch the surface.
- DO NOT attempt to disassemble or clean around any burner while another burner is on, otherwise an electric shock could result.
Cooker Overview

This User Guide covers a number of different models.
Although some of the illustrations will look different to your particular model the functions will be the same.
The 110 dual fuel cooker (Fig. 2.1) has the following features:
A. 5 hotplate burners with a wok burner
B. Control panel
C. A Glide-out Grill™
D. Main fan oven
E. Fan oven
F. Storage drawer

Hotplate Burners
The drawing by each of the central knobs indicates which burner that knob controls.
Each burner has a Flame Supervision Device (FSD) that prevents the flow of gas if the flame goes out.
When a hotplate control knob is pressed in, sparks will be made at every burner – this is normal. DO NOT attempt to disassemble or clean around any burner while another
burner is on, otherwise an electric shock could result.

To light a burner, push in and turn the associated control knob to the high position as indicated by the large flame symbol (
), (Fig. 2.2).
The igniter should spark and light the gas. Keep holding the knob pressed in to let the gas through to the burner for about ten seconds.
If, when you let go of the control knob, the burner goes out, then the FSD has not been bypassed. Turn the control knob to the ‘OFF’ position and wait for one minute before you try again, this time making sure to hold in the control knob for slightly longer.
Adjust the flame height to suit by turning the knob counterclockwise (Fig. 2.3). On this cooker the low position is beyond high, not between high and off.
If a burner flame goes out, turn off the control knob and leave it for one minute before relighting it.
Make sure that the flames are under the pans. Using a lid will help the contents boil more quickly (Fig. 2.4).
Large pans should be spaced well apart.
Pans and kettles with concave bases or down-turned base rims should not be used (Fig. 2.5).
Simmering aids, such as asbestos or mesh mats, are NOT recommended (Fig. 2.6). They will reduce burner performance and could damage the pan supports.
You should also avoid using unstable and misshapen pans that may tilt easily, and pans with a very small base diameter, e.g. milk pans, single egg poachers (Fig. 2.7).
The minimum recommended pan diameter is 120 mm. The maximum allowable pan base diameter is 260 mm.
DO NOT use cooking vessels on the hotplate that overlap the edges.
Wok Burner
The wok burner is designed to provide even heat over a large area. It is ideal for large pans and stir-frying (Fig. 2.8).
For heating smaller pans, the aforementioned hotplate burners may be more efficient.
You can remove the burner parts for cleaning; see ‘Cleaning Your Cooker’. You should wipe the enamel top surface of the cooker around the hotplate burners as soon as possible after spills occur. Try to wipe them off while the enamel is still warm.
NOTE: The use of aluminium pans may cause metallic marking of the pan supports. This does not affect the durability of the enamel and may be cleaned off with a suitable metal cleaner.
The Wok Cradle (Optional for all models)
The wok cradle is designed to fit a 35 cm wok. If you use a different wok, make sure that it fits the cradle. Woks vary very widely in size and shape. It is important that it sits down on the pan support – however, if the wok is too small, the cradle will not support it properly (Fig. 2.9).
The cradle should be used on the wok burners only. When you fit the cradle, check that the wok is supported properly on a pan support and is sitting level in the cradle (Fig. 2.10).
The cradle will get very hot in use – allow plenty of time for it to cool before you pick it up.

The Griddle (Optional on Kitchener)
The griddle fits the left-hand pan support, front to back (Fig. 2.11). It is designed for cooking food on directly. DO NOT use pans of any kind on it. The griddle surface is nonstick and metal cooking utensils (e.g. spatulas) will damage the surface. Use heat resistant plastic or wooden utensils.
DO NOT put it crossways – it will not fit properly and will be unstable (Fig. 2.12).
Do not put it on any other burner – it is not designed to fit in any of the other pan supports.
Position the griddle over the hotplate burners resting on the pan support. Check that it is securely located.
The griddle can be lightly brushed with cooking oil before use (Fig. 2.13). Light the hotplate burners. Adjust the flame heights to suit.
Preheat the griddle for a maximum of 5 minutes before adding food. Leaving it longer may cause damage. Turn the control knobs towards the low position, marked with the
small flame symbol, to reduce the burner flames.
Always leave space around the griddle for the gases to escape.
NEVER fit two griddles side by side (Fig. 2.14)
After cooking, allow the griddle to cool before cleaning.
![]() | ![]() |
The Grill / Glide-out Grill
CAUTION: This appliance is for cooking purposes only. It must not be used for other purposes, for example room heating.
Accessible parts may be hot when the grill is in use. Young children should be kept away.
Open the door and pull the grill pan carriage forward using the handle (Fig. 2.15).
The grill has two elements that allow either the whole area of the pan to be heated or just the right-hand half.
Adjust the heat to suit by turning the control knob. To heat the whole grill, turn the knob clockwise (Fig. 2.16).
To heat the right-hand half, turn the knob counter-clockwise.
The neon indicator light by the grill control will come on.
For best results, slide the carriage back into the grill chamber.
The grill trivet can be removed and the food placed on it while you are waiting for the grill to preheat.
DO NOT leave the grill on for more than a few moments without the grill pan underneath it, otherwise the knobs may become hot.
Once the grill has preheated, slide the carriage out again.
With the trivet back in place with the food on it, slide the carriage back into the grill chamber. Make sure that it is pushed right in.
The grill pan trivet can be turned over to give two grilling positions (Fig. 2.17).
Do not leave the grill on for more than a few moments, without the grill pan underneath it.
Never close the grill door when the grill is on.
The Ovens
The clock must be set to the time of day before the ovens will work. See the following section on ‘The Clock’ for instructions on setting the time of day.
References to ‘left-hand’ and ‘right-hand’ ovens apply as viewed from the front of the appliance.
The left-hand oven is a programmable fan oven (Fig. 2.20).
The right-hand oven is a fan oven (Fig. 2.21).
The Fan Oven
Fan ovens circulate hot air continuously, which means faster, more even cooking. The recommended cooking temperatures for a fan oven are generally lower than those
for a non-fan oven.
NOTE: Please remember that all cookers vary so temperatures in your new ovens may differ to those in your previous cooker.
Operating the Ovens
Fan Ovens
Fan ovens circulate hot air continuously, which means faster, more even cooking.
The recommended cooking temperatures for a fan oven are generally lower than a conventional oven.
Turn the oven knob to the desired temperature (Fig. 2.18).
The oven indicator light will glow until the oven has reached the temperature selected (Fig. 2.19). It will then cycle on and off during cooking.
Note: Please remember that all cookers vary so temperatures in your new ovens may differ to those in your previous cooker.
![]() | ![]() |
Accessories
Oven Shelves
The oven shelves (Fig. 2.22) are retained when pulled forward but can be easily removed and refitted.
Pull the shelf forward until the back of the shelf is stopped by the shelf stop bumps in the oven sides (Fig. 2.23).
Lift up the front of the shelf so the back of the shelf will pass under the shelf stop and then pull the shelf forward (Fig. 2.24).
To refit the shelf, line up the shelf with a groove in the oven side and push the shelf back until the ends hit the shelf stop.
Lift up the front so the shelf ends clear the shelf stops, and then lower the front so that the shelf is level and push it fully back (Fig. 2.25).
The Handy rack (Left-hand Oven)
The Handy rack (Fig. 2.26) fits to the left-hand oven door only. Food cooking on it is easy to attend to, because it is accessible when the door is open.
The maximum weight that can be held by the Handy rack is 5.5 kg (12 lb). It should only be used with the supplied roasting tin, which is designed to fit the Handyrack. Any other vessel could be unstable.
It can be fitted at two different heights. One of the oven shelves must be removed and the other positioned to suit.
When the Handy rack is used in its highest position, other dishes can be cooked on the bottom shelf position or base of the oven.
When the Handy rack is used in its lowest position, other dishes can be cooked on the second shelf position or base of the oven.
To fit the Handy rack, locate one side of it on the door bracket (Fig. 2.27).
Then spring the other side out to clip it onto the other bracket (Fig. 2.28).

Oven Lights
Press the button to turn the lights on (Fig. 2.29).
If the oven light fails, turn off the power supply before changing the bulb. See the ‘Troubleshooting’ section for details on how to change the bulb.
Telescopic runners (Optional)
A glide-out oven shelf is available for either oven (Fig. 2.30).
Note: The Handy rack must be removed before fitting the glide-out shelf.
The rungs on the shelf supports are in pairs. The glide-out shelf runners can be fitted to any pair except the top. To fit the glide-out shelf runners
Hook the rear of the runner over the top rung of a pair of shelf supports. Then hook the front of the runner onto the same rung. Push to clip under the bottom rung (Fig. 2.31).
The front of the shelf runners can be identified by the bracket (Fig. 2.33).
Ensure that the shelf runners are fitted in the same position on each side (Fig. 2.32).
To fit the glide-out shelf
Check the shelf runners are secure before fitting the glide-out shelf.
Hook the front of the glide-out oven shelf onto the runners as shown (Fig. 2.33). The rear of the shelf should rest on the runners, in front of the rear stop (Fig. 2.33).
Ensure that the shelf sits flat once in position.
DO NOT put the glide-out shelf runners in a dishwasher
![]() | ![]() |
Rotary clock
Symbol key

Setting the time
The clock must be set to the time of day before the oven will work

Minute Minder

NOTE
If the alarm is not manually switched off it will stop after approximately 2 minutes.
When the Minute Minder is active the clock will not dim between the hours of 10 pm and 6 am
To stop the oven at a specific time of day (main oven only)
You have set the required temperature and function mode and you would like the oven to automatically stop.
![]() | ![]() |

To start and stop the oven automatically (main oven only)
The timer allows you to automatically start and stop by a combination of the length of the cooking time and the stop time.
Giving you the flexibility to cook casseroles etc while you are out. You cannot set the actual start time.
4. 6 Button clock
| Symbol | Function | Notes |
| [] | Minute Minder is active | |
|
[] | Oven(s) can be operated | If the ‘cook’ [] symbol is not displayed the program has either: ended and the oven(s) are non- operational the oven(s) are being controlled by an automatic program that has not started |
| [AUTO] | Oven(s) are being controlled in semi- automatic or automatic mode | |
| [P] | Self clean (pyrolytic) mode has been enabled | Your cooker may not have this pyrolytic function |
| [dot] | Flashes during setting the time of day |
Table 4.1 overview of the functions
Setting the time
The clock must be set to the time of day before the oven will work. The time of day can be set in two ways:
DO NOT forget that it is a 24-hour clock.
If you need to reset the clock/cooker, turn off the power and wait several minutes, then start again.
Automatic dimming
Providing there are no automatic programs set, and the minute minder is not active, your clock will automatically dim during the hours between 22:00 and 06:00.
Minute Minder

Setting a cook duration (main oven only)
You have set the required temperature and function mode and you would like the oven to automatically stop.
REMEMBER Turn the oven control knob to 0.
Setting a cook end time (main oven only)
You have set the required temperature and function mode and you would like the oven to automatically stop.
To start and stop the ovens automatically (main oven only)
You have set the required temperature and function mode and you would like the oven to automatically stop.
Cooking Tips
Tips on cooking with the timer
If you want to cook more than one dish, choose dishes that require approximately the same cooking time. However, dishes can be ‘slowed down’ slightly by using small containers and covering them with aluminium foil, or ‘speeded up’ slightly by cooking smaller quantities or placing them in larger containers.
Very perishable foods such as pork or fish should be avoided if a long delay period is planned, especially in hot weather.
DO NOT place warm food in the oven to be timed.
DO NOT use a timed oven that is already warm.
DO NOT use the timed oven if the adjoining oven is already warm.
Whole poultry must be thoroughly defrosted before being placed in the oven. Check that meat and poultry are fully cooked before serving.
General oven tips
The wire shelves should always be pushed firmly to the back of the oven.
Baking trays with food cooking on them should be placed level with the front edge of the oven’s wire shelves. Other containers should be placed centrally. Keep all trays and
containers away from the back of the oven, as overbrowning of the food may occur.
For even browning, the maximum recommended size of a baking tray are:
- depth: 340 mm (13 3/8”) by width: 340 mm (13 3/8”) in the main oven
When the oven is on, DO NOT leave the door open for longer than necessary, otherwise the knobs may get very hot. - Always leave a “finger’s width” between dishes on the same shelf. This allows the heat to circulate freely around them.
- To reduce fat splashing when you add vegetables to hot fat around a roast, dry them thoroughly or brush lightly with cooking oil.
- Where dishes may boil and spill over during cooking, place them on a baking tray.
- The ‘Cook & Clean’ oven liners (see ‘Cleaning Your Cooker’) work better when fat splashes are avoided. Cover meat when cooking.
- Sufficient heat rises out of the oven while cooking to warm plates in the grill compartment.
- If you want to brown the base of a pastry dish, preheat the baking tray for 15 minutes before placing the dish in the centre of the tray.
Cooking Table
The oven control settings and cooking times given in the table below are intended to be used as a guide only. Individual tastes may require the temperature to be altered to provide a preferred result. Food is cooked at lower temperature in a fan oven than in a conventional oven. When using recipes, reduce the fan oven temperature by 10 °C and the cooking time by 5-10 minutes. The temperature in the fan oven does not vary with height in the oven so you can use any shelf.
| 4 Food | ConventionalOwn ‘<likeIf Position) | Fan Own Temperature | ||
| Aftwadrn4tc Cooking nmc | ||||
| Meat Seel ino bone) Lamb Pork | 100 (C) 200 (C) 100 (C) 200 (C) 160 (C) 200 (C) | PYY1,1,1, RIRRR RR | 30-35 minutes per 5009.30-35 minutes 20-25 minutes per 5009420-25 minutes 30-35 minutes per 5009.30-35 minutes 2330 minutes per 3009 ’23-30 minutes 35-40 minutes per 3009’33-40 minute,. 35-30 minutes per 5009425-30 minutes | Thoroughly thaw frozen joints bete <puking Meat may be roasted et 220-C 1210t for fun ortn) and the 444.419 time adjusted ‘accordingly. For „ufted and rat,’ meats, add aPPrtertnatefY 10 iTenutes per 5009 or cook at 2000 1190-CI for 20 minutes then te0-C (15.0″C 1 for Me rernainckt |
| Potitry Chizken …u.1,,., Duck | 100 (C) 200 (C) 100 (C) 200 (C) 100 (C) 200 (C) | 1,1,1,PYY RRRRRR | 20-25 minutes per 5009.2025 minutes 15-20 minutes per 3009’13-20 minutes 20 minutes per 3009 ’20 minutes 13 minutesper 5039 .15minutes 2330 minters per 3009 20 minute-spec 5009. | For stuffed poultry, you could cook at 200-C1190’0 tot 20 minutes then 1000 11503-1 for lemon-def.Do not forget to include the weight of the stuffing. For fresh of frozen re -picked poultry. follow imtructbns on the puck_ ThorougNy thaw frozen pcuhry before cooking |
| Casserole | 140130 ICI | 130 X.140 -C | 2-4 hours according to recipe. | |
| Yorkshire Puddthg | 220(C) | 210 Y | targeted 30-35minute4 inditridual 10.2C-ninults. | |
| Cake Very °attn.: – Christmas. wedding. etc. Fruit 180 mm tin Fruit 230 mm tin Madera ISO mm Queen cakes Scones VIclona sandwich 130 mm tin 210 mm tin | 140 (C/B) 150 (C/B) 150 (C/13) 160 (C/131 190 (C/13) 220 (C/13) 100 1081 1301081 | IJIJPYP Y 1,1-‘ R8VORF, RR | 45-50 minutes per 5009 of mature. 2-29 hours. Up to 31, hams 10-90 minutes 1325 minutes 10-15 minutes. 20-10 minutes. 3040 minutes | Using the conventional oven When two tier cooking keve at least one runner space between shelves, Penni*, the bath-9 tray with the front edge along the (genialthe own theN. Up to three tiers can be cooked on, wi a fan own.* the same time. But make stet to levee at least one runner space between each she being cocked on |
| Desserts ShoncruM tsar Trutt pies Tenets Puff pastry Meringue, Baked egg custard Baked sponge pudding Milk pudding | 200 (013) 200 (C/131 2001081 210 (Cad 100 (Cad 160 (Cie) 130 (C/B) 140-150 (C/B) | ass §iii gri ri rl ri ri | 20.30 minutes on a preheated tray. 3543 mine,. 10-20 minutes rico:. olrg to we. 20-40 minutes occordirg to size, 29 houn, 45-40 minutes 40-43 minutes. 2 to 3 hour. | Up to three tiers can be cooked on. en 4 fan own.* the same time. But mac sure to kart at least one gunner space betweeneach ,het ben.; cooked on |
| Sited | 210 (C) | 200 -C | 20-30 minutes. | |
| Fish Fillet Whole Steak | Fanned Grilling 190 (Cad 190 (C/131 190 (C/E11 | 190Y (C/E0 190Y KM 190Y VW | 15.20 minutes 15-20 minter. per 3009 Steaks according to thickness. |
Cleaning your cooker

Essential information
Isolate the electricity supply before carrying out any thorough cleaning. Allow the cooker to cool.
NEVER use paint solvents, washing soda, caustic cleaners, biological powders, bleach, chlorine based bleach cleaners, coarse abrasives or salt.
DO NOT mix different cleaning products – they may react together with hazardous results.
All parts of the cooker can be cleaned with hot soapy water – but take care that no surplus water seeps into the appliance.
Remember to switch on the electricity supply and reset the clock before re-using the cooker.
Hotplate burners
Some models have a separate trim ring, which fits on the burner head.
The burner heads and caps can be removed for cleaning.
DO NOT put the burner heads in a dishwasher.
Make sure they are absolutely dry before replacing them.
The Single Ring Burners
When refitting the burner head, make sure that the notch lines up with the electrode or hole in the base. Check that the burner head is level and that the cap is fitted centrally on the burner head (Fig. 7.1).
The Wok Burner
The Wok burner can also be taken apart for cleaning. When reassembling the wok burner (Fig. 7.2), turn over the large base ring and find the ‘D’ shaped area (Fig. 7.3). Turn the head until the ‘D’ matches the one on the burner base. Flip the burner over once again and place it on the burner base. Check the burner slots are not blocked. If a blockage occurs, remove stubborn particles using a toothbrush (Fig. 7.4).
Now fit the two burner caps, ensuring that they are seated properly.
Check the burner ports are not blocked. If a blockage occurs, remove stubborn particles using a piece of fuse wire.
The Wok Cradle
Recommended cleaning materials are hot soapy water, a moistened soap pad, cream cleaner or a nylon scourer.
The Griddle (optional)
Always clean the griddle after use. Allow it to cool completely before removing. Immerse the griddle plate in hot soapy water. Use a soft cloth or, for stubborn stains, a nylon washing up brush.
NOTE: If the griddle is washed in a dishwasher then some dishwasher residue may appear on the back. This is normal and will not affect the performance of your griddle.
Glide-out Grill
The grill pan and trivet should be washed in hot soapy water. Alternatively, the grill pan can be washed in a dishwasher. After grilling meats or any foods that soil, leave to soak for a few minutes in the sink immediately after use. Stubborn particles may be removed from the trivet using a nylon brush.
Before you remove any of the grill parts for cleaning. make sure that they are cool, or use oven gloves.
DO NOT use any abrasive substances.
Cleaning the Glide-out Grill
The grill pan can be easily removed for cleaning as follows: Remove the grill pan support frame by pulling the grill pan forward.
Lift the grill pan clear of the support frame. The support frame is held to the side rails by two clips on each side (Fig. 7.5). For each side, support the side rail with one hand and with the other hand lift the frame up and out of the side clips (Fig. 7.6).
For safety, push the side rails back into the grill chamber.
If you need to remove the side rails to allow cleaning of the grill chamber, you can unhook them from the grill chamber sides (Fig. 7.7) and wipe the sides clean with a soft cloth and mild detergent.
DO NOT put the side runners in a dishwasher.
Once you have finished, hook the side rails back onto the sides of the chamber. To refit the frame, pull the side rails forward and, for each side in turn, support the side rail and press the frame down into the side rails. Replace the grill pan Control panel and doors
Avoid using any abrasive cleaners including cream cleaners, on brushed stainless steel surfaces. For best results, use a liquid detergent.
The control panel, knobs and doors should only be cleaned with a soft cloth wrung out in clean hot soapy water – but take care that no surplus water seeps into the appliance. After cleaning, polish with a dry cloth.

Glass fronted door panels
The oven door front panels can be taken off so that the glass panels can be cleaned. Move the cooker forward to gain access to the sides (see the ‘Moving the Cooker’ section under ‘Installation’).
Open the oven door slightly and remove the front panel fixing screws from the door sides, two each side (Fig. 7.8). Carefully lift off the outer door panel. The inside face of the glass panels can now be cleaned – take care not to disturb or wet the door insulation.
NOTE: If the door is triple glazed then the inner two panels are fixed together and should not be separated.
After cleaning, carefully refit the outer door panel and replace the side fixing screws.
DO NOT use harsh abrasive cleaners or sharp metal scrapers to clean the oven door glass since they can scratch the surface, which may result in shattering of the glass.
Ovens ‘Cook & Clean’ Panels
The ovens have panels which have been coated with a special enamel that partly cleans itself. This does not stop all marks on the lining, but helps to reduce the amount of manual cleaning needed.
The Cook & Clean panels work better above 200 °C. If you do most of your cooking below this temperature, occasionally remove the panels and wipe with a lint free cloth and hot soapy water. The panels should then be dried and replaced and the oven heated at 200 °C for about one hour. This will make sure that the Cook & Clean panels are working effectively.
DO NOT use steel wool, oven cleaning pads, or any other materials that will scratch the surface.
Removing the main oven linings
Some of the lining panels can be removed for cleaning.
If you wish to clean the enamel interior of the oven, you will need to remove the shelves before removing the ‘Cook & Clean’ panels . You do not have to remove the support
brackets to remove the panels. Lift each panel upward and slide forward off the support brackets (Fig. 7.9). Once the panels have been removed, the oven enamel interior can be cleaned. Refit in the reverse order.
Cleaning table
Cleaners listed are available from supermarkets or electrical retailers as stated.
For enamelled surfaces use a cleaner that is approved for use on vitreous enamel.
Regular cleaning is recommended. For easier cleaning, wipe up any spillages immediately.
| Hotplate | ||
| Part | Finish | Recommended Cleaning Method |
| Hob top (including burner heads and caps) | Enamel, stainless steel, aluminium | Hot soapy water, soft cloth. Any stubborn stains remove gently with a nylon scourer. |
| Ceramic/Induction hob | Toughened glass | Hot soapy water; cream cleaner/scourer if necessary. |
| Griddle plate (some models only) | Non-stick surface | Allow to cool. Wash in hot soapy water. Do not use abrasive cleaners/ scourers. Dishwasher. |
| Warming zone (some models only) | Toughened glass | Hot soapy water, cream cleaner/scourer if necessary. |
| Outside of Cooker | ||
| Part | Finish | Recommended Cleaning Method |
| Door, door surround and storage drawer exterior | Enamel or paint | Hot soapy water, soft cloth. Any stubborn stains, remove gently with a liquid detergent. |
| Stainless steel | E-cloth (electrical retailers) or microfibre all-purpose cloth (supermarket). | |
| Sides and plinth | Painted surface | Hot soapy water, soft cloth. |
| Splashback/rear grille | Enamel or stainless steel | Hot soapy water, soft cloth. Cream cleaner, with care, if necessary. |
| Control panel | Paint, enamel or stainless steel | Warm soapy water. Do not use abrasive cleaners on lettering. |
| Control knobs/handles & trims | Plastic/chrome, copper or lacquered brass | Warm soapy water, soft cloth. |
| Brass | Brass polish. | |
| Oven door glass/glass lid | Toughened glass | Hot soapy water, cream cleaner/scourer if necessary. |
| Oven and Grill | ||
| Part | Finish | Recommended Cleaning Method |
| Sides, floor & roof of oven NOT COOK & CLEAN OVEN PANELS (see below) | Enamel | Any proprietary oven cleaner that is suitable for enamel. CAUTION: CORROSIVE/CAUSTIC OVEN CLEANERS: FOLLOW MANUFACTURER’S INSTRUCTIONS. Do not allow contact with the oven elements. |
| Cook & Clean oven panels (some models only) | Special enamel that partly cleans itself | This surface cleans itself at 200 °C and above, or the panels can be removed and washed with hot soapy water and a nylon brush (see ‘The Ovens’ in ‘Cleaning your Cooker’). |
| Oven shelves, Handyrack, Grill trivet, Handygrill rack | Chrome | An oven interior cleaner that is suitable for chrome. Soap filled pad. Dishwasher. |
| Grill pan/meat tin (some models only) | Enamel | Hot soapy water. Soap filled pad. Dishwasher. |
Troubleshooting
Hotplate/Cooktop ignition or hotplate burners faulty
Is the power on? Is the clock illuminated?
If not, there maybe something wrong with the power supply.
Are the sparker (ignition electrode) or burner slots blocked by debris? See (Fig. 8.1 and Fig. 8.2).
Are the burner trim and caps correctly located? See the section on ‘Cleaning’.
Hotplate/Cooktop burners will not light
Make sure that the burner parts have been replaced correctly after wiping or removing for cleaning.
Check that there is not a problem with your gas supply. You can do this by making sure that other gas appliances you mahave are working. Do the burners spark when you push the button?
If not, verify that the power is on by checking that the clock is illuminated.
Steam is coming from the oven
When cooking foods with high water content (e.g. oven fries) there may be some steam visible at the rear grille.
Take care when opening the oven door, as there may be a momentary puff of steam when the oven door is opened.
Stand well back and allow any steam to disperse.
What cleaning materials are recommended for the cooker?
See the ‘Cleaning’ section for recommended cleaning materials.
n Never use caustic or abrasive cleaners as these will damage the surface.
An oven fan is noisy
The note of the oven fan may change as the oven heats up – this is perfectly normal.
If there is an installation problem and I don’t get my original installer to come back to fix it who pays?
You do. Service organizations will charge for their call outs if they are correcting work carried out by your original installer.
It is in your interest to track down your original installer.
Power failure
In the event of a failure in the electrical supply, remember to reset the clock to make sure that the timed oven continues to operate.
Food is cooking too slowly, too quickly, or burning Cooking times may differ from your previous oven.
Check that you are using the recommended temperatures and shelf positions – see the oven cooking guide. The oven control settings and cooking times are intended to be used only as a guide.
ndividual tastes may require the temperature to be altered either way, to get the results you want.
The oven is not cooking evenly
DO NOT use a baking tray with dimensions larger than those specified in the section on ‘General Oven Tips’.
f you are cooking a large item, be prepared to turn it round during cooking.
f two shelves are used, check that space has been left for the heat to circulate. When a baking tray is put into the oven, make sure that it is placed centrally on the shelf.
Check that the door seal is not damaged and that the door catch is adjusted so that the door is held firmly against the seal.
A dish of water when placed on the shelf should be the same depth all over. (For example, if it is deeper at the back, then the back of the cooker should be raised up or the front lowered.) If the cooker is not level, arrange for your supplier o level it for you.
Oven not coming on
Is the power on? Is the clock illuminated? If not, there may be something wrong with the power supply.
Is the cooker supply on at the isolator switch?
Has the time of day been set?
The timed oven is not coming on when automatic cooking
Has the oven knob been left in the OFF position by mistake?
Oven temperature getting hotter as the cooker gets older f turning the temperature down using the oven control knob has not worked, or has only worked for a short time, then you may need a new thermostat. This should be fitted by a qualified service person.
Oven light is not working
The bulb has probably burnt out. You can buy a replacement bulb (which is not covered under the warranty) from a good electrical shop. Ask for a 40 W – 230 V halogen lamp (G9) (Fig. 8.3). Turn off the power at the circuit breaker. Before removing the existing bulb, turn off the power supply and make sure that the oven and bulb have cooled. Open the oven door and remove the oven shelves. Remove the bulb cover by turning it a quarter turn, counterclockwise. It may be very stiff (Fig. 8.4). Pull the existing bulb to remove it. When handling the replacement bulb, avoid touching the glass with your fingers, as oils from your hands can cause premature failure. Push, click in the replacement bulb. Replace the bulb cover by turning it a quarter turn, clockwise. Turn on the circuit breaker and check that the bulb now lights. The oven door is misaligned The bottom hinge of either oven door can be adjusted to alter the angle of the door (Fig. 8.5). Loosen the bottom hinge fixing screws and use the notch and a flat bladed screwdriver to move the position of the hinge to set the hinge position (Fig. 8.6). Retighten the hinge screws.
Grill
The fascia gets hot when I use the oven or grill The cooker is cooled by a fan. If the fascia becomes excessively hot when the cooker is in use then the cooling fan may have failed. Should this occur please contact your installer, a qualified repair engineer or Customer Service to arrange for its repair. The knobs get hot when I use the oven or the grill. Can I avoid this? Yes, this is caused by heat rising from the oven and heating them up. DO NOT leave the oven door open. Make sure that the grill pan is pushed right back to the ‘back stop’ when grilling. Always grill with the grill compartment door open. Grill is not cooking properly Is the grill tray pushed back fully to the stop?
INSTALLATION
Check the appliance is electrically safe and gas sound when you have finished.
Installation
Dear Installer
Before you start your installation, please complete the details below, so that, if your customer has a problem relating to your installation, they will be able to contact you easily.
Installer’s Name
Installer’s Company
ArtNo.050-0011 – Installer information table Installer’s Telephone Number
Appliance Serial Number
Safety Requirements and Regulations You must be aware of the following safety requirements & regulations.
Before installation, make sure that the local distribution conditions (nature of the gas and gas pressure) and the adjustment of the appliance are compatible.
This cooker is a Class 2 Subclass 1 appliance.
This appliance can be converted for use on another gas.
The appliance must be installed in accordance withn the regulations in force and only in a well-ventilated space.
Read the instructions before installing or using this appliance.
Failure to install the appliance correctly could invalidate any warranty or liability claims and lead to prosecution.
In the UK
The regulations and standards are as follows:
In your own interest and that of safety, it is law that all gas appliances be installed by competent persons. Gas Safe registered installers undertake to work to safe and
satisfactory standards.
The cooker must be installed in accordance with:
- All relevant British Standards / Codes of Practice, in particular BS 5440 Part 2.
- For Natural Gas – BS 6172 and BS 6891.
- For LP Gas – BS 5482-1, (when the installation is in a permanent dwelling), BS 5482-2, (when the installation is in a caravan or other non-permanent dwelling), or BS
5482-3, (when the installation is in a boat). - The Gas Safety (Installation and Use) regulations.
- The relevant Building / IET regulations.
In the Republic of Ireland
The installation must be carried out by a competent person and installed in accordance with the current edition of IS 813 “Domestic Gas Installations”, the current Building Regulations and reference should be made to the current ETCI rules for electrical installation.
Provision of Ventilation
This appliance is not connected to a combustion products evacuation device. Particular attention shall be given to the relevant requirements regarding ventilation.
All rooms require a window that can be opened, or equivalent, while some rooms require a permanent vent in addition to the window.
In the UK
The room containing the cooker should have an air supply in accordance with BS 5440 Part 2. All rooms require an openable window or equivalent, while some rooms require a permanent vent in addition to the openable window. The cooker should not be installed in a bedsitting room with volume less than 20 m³. If it is to be installed in a room of volume less than 5 m³ an air vent of effective area 100 cm² is required. If it is installed in a room of volume between 5 m³ and 10 m³ an air vent of effective area 50 cm² is required, while if the volume exceeds 11 m³ no air vent is required. f there are other fuel burning appliances in the same room, the current BS 5440 Part 2 should be consulted to determine the requisite air vent requirements.
In the Republic of Ireland
Reference should be made to the current edition of IS 813, which makes clear the conditions that must be met to demonstrate that sufficient ventilation is available.
Location of Cooker
The cooker may be installed in a kitchen/kitchen diner but NOT in a room containing a bath or shower.
This appliance is designed for domestic cooking only. Use for any other purpose could invalidate any warranty or liability claim.
Note: An appliance for use on LPG must not be installed in a room or internal space below ground level, e.g. in a basement.
Conversion
This appliance is supplied set for G20 20 mbar Cat II2H3+. A conversion kit for another gas is available for the cooker.
If the appliance is to be converted to another gas we recommend that this is carried out before installation.
We recommend an overpressure shut-off device or pressure relief valve be used in any LPG installation to prevent exposure of downstream fittings / appliances to excessive pressure (over 75mbar) in event of regulator failure.
After converting the appliance, please attach the Gas Conversion sticker over the appropriate area of the data badge – this will identify the gas type for which the appliancis now set. You will need the following equipment to complete the cooker installation satisfactorily:
- Stability bracket: If the cooker is to be supplied with gas through a flexible hose, a stability bracket or chain must be fitted. These are not supplied with the cooker but
are available at most builders’ merchants. - Gas pressure tester/manometer.
- Flexible gas hose: Must be in accordance with the relevant standards.
- Multimeter: For electrical checks.
You will also need the following tools:
- Electric drill
- Masonry drill bit (only required if fitting the cooker on a stone or concrete floor)
- Wall plugs (only required if fitting the cooker on a stone or concrete floor)
- Steel tape measure
- Cross head screwdriver
- Flat head screwdriver
- Spirit level
- Pencil
- Adjustable spanner
- Screws for fitting stability bracket
- 13 mm spanner or socket wrench

Positioning the Cooker
Fig. 9.1 and Fig. 9.2 show the minimum recommended distance from the cooker to nearby surfaces. The cooker should not be placed on a base.
Fig. 9.1 and Fig. 9.2 Cookers installed into recess: The cooker must have side clearance ABOVE hob level of 75mm up to a height of 410mm. This can be reduced to 25mm if the surface is made from a non-combustible material. A minimum space of 650 mm is required between the top of the hob and a horizontal combustible surface.
*Any cookerhood should be installed in accordance with the hood manufacturer’s instructions.
**Any splashback must be fitted in accordance with the manufacturers instructions. Allowance should be made for the additional height of the flue trim, which is fitted to the cooker hob.
Surfaces of furniture and walls at the sides and rear of the appliance should be heat, splash and steam resistant. Certain types of vinyl or laminate kitchen furniture are particularly prone to heat damage and discolouration. We cannot accept responsibility for damage caused by normal use of the cooker to any material that de-laminates or discolours at temperatures less than 65 °C above room temperature. DO NOT box the cooker in – it must be possible to move the cooker in and out for cleaning and servicing.
If the cooker is near a corner of the kitchen, a clearance of 130 mm is required to allow the oven doors to open
(Fig. 9.3). The actual opening of the doors is slightly less, but this allows for some protection of your hand as you open the door.
Moving the Cooker
On no account try and move the cooker while it is plugged into the electricity supply. The cooker is very heavy, so take great care.
We recommend that two people manoeuvre the cooker.
Make sure that the floor covering is firmly fixed, or removed, to prevent it being disturbed when moving the cooker around.
To help you, there are two levelling rollers at the back, and two screw-down levelling feet at the front.
Remove the polystyrene base pack. From the front, tilt the cooker backwards and remove the front half of the polystyrene base (Fig. 9.4).
Repeat from the back and remove the rear half of the polystyrene base.

Lowering the Two Rear Rollers
To adjust the height of the rear of the cooker, use a 13 mm spanner or socket wrench to turn the adjusting nuts at the front bottom corners of the cooker (Fig. 9.5). Rotate the nut – clockwise to raise – counter-clockwise to lower. Make 10 complete (360°) turns clockwise.
Make sure you lower BOTH REAR ROLLERS.
Completing the Move
Unfold the rear edge of the cardboard base tray. Open the oven doors so that you can get a good grip on the bottom of the fascia panel as you move the oven (Fig. 9.6).
Carefully push the cooker backwards off the base tray.
Remove the base tray.
Position the cooker close to its final position, leaving just enough space to get behind it.
DO NOT use the door handles or control knobs to manoeuvre the cooker.
Fitting the Stability Bracket or Chain
Unless otherwise stated, a cooker using a flexible gas connector must be secured with a suitable stability device. Suitable stability devices are shown in Fig. 9.7, Fig. 9.8,
Fig. 9.9 and Fig. 9.10.
If you are using a stability chain (Fig. 9.7) then the chain should be kept as short as is practicable and fixed firmly to the rear of the cooker.
If you are using a stability bracket; first attach the bracket location device to the rear of the cooker (Fig. 9.8). Then adjust the bracket to engage through the slot of the device
(Fig. 9.9 and Fig. 9.10).
Repositioning the Cooker
Following Connection
If you need to move the cooker once it has been connected then you need to unplug it and, having gripped under the fascia panel and lifted the front of the cooker slightly
(Fig. 9.6), you need to check behind the cooker to make sure that the gas hose is not caught.
As you progress, make sure that both the electricity cable and gas hose always have sufficient slack to allow the cooker to move.
With a stability chain fitted, release it as you ease the cooker out. Do not forget to refit it when you replace the cooker.
When you replace the cooker, again check behind to make sure that the electricity cable and gas hose are not caught or trapped.
Levelling
You are recommended to use a spirit level on a shelf in one of the ovens to check for level. Place the cooker in its intended position taking care not to twist it within the gap between the kitchen units as damage may occur to the cooker or the units. The front feet and rear rollers can be adjusted to level the cooker. To adjust the height of the rear of the cooker use a 13 mm spanner or socket wrench to turn the adjusting nuts at the front bottom corners of the cooker.
To set the front, turn the feet bases to raise or lower.
Gas Connection
This must be in accordance with the relevant standards. The flexible hose (not supplied with the cooker) must be in accordance with the relevant standards. Hoses may be
purchased at most builders’ merchants. The gas supply needs to terminate with a down facing bayonet (Fig. 9.11).
The connector is located just below the hotplate level at the rear of the cooker. If in doubt contact your supplier. The rear cover boxes limit the position of the supply point.
Because the height of the cooker can be adjusted and each connection is different, it is difficult to give precise dimensions.
Although a 900 mm hose can be used, a 1250 mm hose will allow slightly more flexibility in the positioning of the bayonet and make moving the cooker easier.
The hose should be fitted so that both inlet and outlet connections are vertical so that the hose hangs downwards in a ‘U’ shape. Ideally the hose supply connection should be
within the shaded area ‘A’ (Fig. 9.12). For Natural Gas, the flexible hose must be in accordance with BS 669. For LP Gas, it should be capable of 50 mbar pressure
and 70 °C temperature rise. If in doubt contact, your supplier. Screw connect the threaded end of the hose into the gas inlet. After completing the gas connection, make sure that the cooker is gas sound with a pressure test.
Pressure Testing
The gas pressure can be measured at one of the hotplate burner injectors (not a wok burner). Lift off a burner head. Fit the pressure gauge to the injector. Turn on and light one of the other hotplate burners. Turn on the control knob for the burner with the pressure gauge fitted to let gas through. See the data badge for test pressures.
Turn off the burners. Make sure that you reassemble the burner top in the correct way on the burner body. 
Current Operated Earth Leakage Breakers
The combined use of your cooker and other domestic appliances may cause nuisance tripping, so we recommend that the cooker is protected on an individual
RCD (Residual Current Device) or RCBO (Residual Current Breaker with Overload).
IF IN DOUBT, PLEASE CONSULT A SUITABLY QUALIFIED ELECTRICIAN.
Electrical Connection
The cooker must be installed by a qualified electrician, in accordance with all relevant British Standards/Codes of Practice (in particular BS 7671), or with the relevant national and local regulations.
WARNING: THE APPLIANCE MUST BE EARTHED. Note: The cooker must be connected to the correct electrical supply as stated on the voltage label on the cooker, through a suitable cooker control unit incorporating a double-pole switch, having a contact separation of at least 3 mm in all poles.
The cooker MUST NOT be connected to an ordinary domestic power point.
Access to the mains terminal is gained by removing the electrical terminal cover box on the back panel. Connectthe mains cable to the correct terminals for your electrical
supply type (Fig. 9.13 and Fig. 9.14). Check that the links are correctly fitted and that the terminal screws are tight. Secure the mains cable using the cable clamp.
Final Fitting
Fitting the 1-piece Plinth (Professional +)
Loosen the 3 screws along the front bottom edge of the cooker. Hook the central keyhole over the central screw. Twist and fit each end keyhole over their respective screws. Tighten the fixing screws (Fig. 9.15).
Fitting the 2-piece Plinth (Kitchener)
Fit the inner plinth to the bottom front of the cooker using the 4 screws provided (Fig. 9.16)
Fit the outer plinth (2 screws, 1 each end) to the inner plinth.
The height of the outer plinth can be adjusted by sliding it up or down via the slotted hole (Fig. 9.17).
Final Checks
Hob Check
Check each cooking zone in turn. Be sure to use pans of the correct size and material.
Grill Check
Turn on the grill control and check that the grill heats up. Oven Check
Set the clock as described earlier, and then turn on the ovens.
Check the oven fan start to turn and that the ovens heat up.
Customer Care
Installer: Please complete your details in this guide, inform the user how to operate the cooker and hand over the instructions.
Thank you.
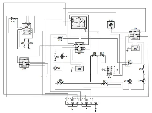
Circuit Diagram

Key
The connections shown in the circuit diagram are for single-phase. The ratings are for 230 V 50 Hz.
| Code | Description | Code | Description | |
| X01 | Grill front switch | X24 | Cooling fan | |
| X02 | Grill energy control | X26 | Neon | |
| X03 | Left hand Grill elements | X27 | Themal cut out | |
| X04 | Right hand Grill elements | X30 | Spark generator | |
| X05 | Left Hand Oven Thermostat | X31 | Oven light | |
| X07 | Left Hand Oven Front Switch | X32 | Oven light switch | |
| X09 | Left Hand Oven Fan Element | |||
| X12 | Right Hand Oven Thermostat | |||
| X14 | Right Hand Oven Front Switch | |||
| X15 | Right Hand Oven Fan Element | |||
| X16 | Oven Fan | |||
| X17 | Clock / Timer | |||
| Code | Colour |
| b | Blue |
| br | Brown |
| bk | Black |
| or | Orange |
| r | Red |
| v | Violet |
| w | White |
| y | Yellow |
| g/y | Green/yellow |
Technical Data
THE COOKER IS CATEGORY: CatII2H3+.
It is supplied set for group H natural gas. A conversion kit from NG to LP is available for the cooker.
INSTALLER: Please leave these instructions with the user.
DATA BADGE LOCATION: Cooker back, serial number repeater badge below oven door opening.
COUNTRY OF DESTINATION: GB, IE.
Connections
| Model | Kitchener 110 Dual Fuel | |
| Overall height | minimum 905 mm | maximum 930 mm |
| Overall width | 1092 mm | |
| Overall depth | 604 mm excluding handles, 652 mm including handles | |
| Minimum height above the hotplate | 650 mm | |
See the appliance badge for test pressures.
Dimensions
| Model | Professional+ 110 Dual Fuel | |
| Overall height | minimum 905 mm | maximum 930 mm |
| Overall width | 1092 mm | |
| Overall depth | 604 mm excluding handles, 642 mm including handles | |
| Minimum height above the hotplate | 650 mm | |
Hotplate Ratings
| Hotplate | Bypass Screw* | Natural Gas 20 mb | L.P. Gas | ||
| Injector | Injector | ||||
| Wok burner | 62 | 4.0 kW | 148 | 4.0 kW (291 g/h) | 103 |
| Rapide/ Large Burner | 40 | 3 kW | 134 | 3.0 kW (218 g/h) | 87 |
| Semi Rapide / Medium Burner | 32 | 1.7 kW | 109 | 1.7 kW (124 g/h) | 68 |
| Auxiliary / Small Burner | 28 | 1 kW | 75 | 1.0 kW (73 g/h) | 51 |
* The valves in this cooker are fitted with adjustable bypass screws. The cooker is supplied with the bypass screws set for Natural Gas. For LPG conversion the
bypass screws must be screwed all the way down.
Hotplate energy saving tips
Use cookware with a flat base.
Use the correct size cookware.
Use cookware with a lid.
Minimise the amount of liquid or fat.
When liquid starts boiling, reduce the setting.
Consumption is based on G30.
Oven energy saving tips
Cook meals together, if possible.
Keep the pre-heating time short.
Do not lengthen cooking time.
Do not open the oven door during the cooking period.
Do not forget to turn the appliance off at the end of cooking.
Kitchener 110 Dual Fuel
Professional+ 110 Dual Fuel
Hotplate Efficiency
| Brand | Rangemaster |
| Model Identification | Professional + Kitchener |
| Size | 110 |
| Type | Dual Fuel |
| Type of Hob | Gas |
| Number of gas burners | 5 |
| Auxiliary / Small Burner (EE gas burner) | – |
| Semi Rapide / Medium Burner (EE gas burner) | 58% |
| Semi Rapide / Medium Burner (EE gas burner) | 58% |
| Rapide / Large Burner (EE gas burner) | 56% |
| Rapide / Large Burner (EE gas burner) | – |
| Wok (EE gas burner) | 54% |
| Wok (EE gas burner) | – |
| Hotplate EE gas hob (*) | – |
| Type of Hob | Radiant |
| Number of electric zones | 2 |
| Zone 1 – Ø cm | 14.5 |
| Heating Technology | |
| Energy Consumption (ECElectric cooking) – Wh/kg | 180 |
| Zone 2 – Ø cm | 14.5 |
| Heating Technology | |
| Energy Consumption (ECElectric cooking) – Wh/kg | 180 |
Information marked thus (*) is not required with mixed fuel hobs
Oven Data
| Brand | Rangemaster | |
| Model identification | Kitchener | |
| Mass | kg | 121 |
| Model identification | Professional + | |
| Mass | kg | 126 |
| Type of oven | Electric | |
| Number of cavities | 2 | |
| Left-hand Efficiency | ||
| Fuel type | Electric | |
| Cavity type | Fanned | |
| Power – conventional | kW | – |
| Power – forced air convection | kW | 2.5 |
| Volume | Litres | 79 |
| Energy consumption (electricity) – conventional | kWh / cycle | – |
| Energy consumption (electricity) – forced air convection | kWh / cycle | 0.83 |
| Energy efficiency index – conventional | – | |
| Energy efficiency index – forced air convection | 94.4 | |
| Energy class | A | |
| Right-hand Efficiency | ||
| Fuel type | Electric | |
| Cavity type | Fanned | |
| Power – conventional | kW | – |
| Power – forced air convection | kW | 2.5 |
| Volume | Litres | 79 |
| Energy consumption (electricity) – conventional | kWh / cycle | – |
| Energy consumption (electricity) – forced air convection | kWh / cycle | 0.83 |
| Energy efficiency index – conventional | – | |
| Energy efficiency index – forced air convection | 94.4 | |
| Energy class | A | |
| Additional Information | |
| The oven complies with EN 60350-1 (electric) EN 15181 (gas) | |
| Maximum output @ 230V 50Hz | |
| Forced Air Convection (left-hand oven) | 2.5 kW |
| Multifunction | – |
| Multifunction (with Rapid Response) | – |
| Forced Air Convection (right-hand oven) | 2.5 kW |
| Grill | 2.3 kW |
| Slow Oven | – |
| Bread Proving Drawer | – |
| Name of Appliance & Colour* | |
| Appliance Serial Number* | |
| Natural Gas | LP Gas |
| Fuel Type* | |
| Dual Fuel | Electric |
| Retailer’s Name & Address | |
| Date of Purchase | |
| Installer’s Name & Address | |
| Installer’s Telephone Number | |
| Date of Installation | |
* This information is on the appliance data badge – look in the appliance instructions to find out where the data badge is located.
CONSUMER SERVICE
If you have any product enquiries, or in the event of a problem with your appliance once it has been installed, please telephone 01926 457628.
CONSUMER SERVICE LINES OPEN:
Monday to Thursday 8am–6pm
Friday 8am–5pm
WARRANTY
Your manufacturer warranty covers goods of our own brand for defective workmanship and materials for a period of 1 year from the date of purchase. This warranty covers mechanical breakdown and proven cosmetic and manufacturing defects. You will receive an additional FREE full 12 months guarantee by registering your purchase using the FREEPOST form provided. Alternatively, call free on 0800 587 5747, quoting reference RMGX57A, or register online at www.rangemaster.co.uk. Any damage, blemishes or chips identified upon receipt of the product must be reported within 7 days – proof of purchase may be required to establish validity. Scratches on the surface of ceramic hobs must be reported within 7 days. Scratches caused by usage are not covered. Accidental damage is not covered by the manufacturer’s warranty.
For warranty compliance, the requirements are that the appliance:
- Has been correctly installed in accordance with current legislation, relevant British and European Standards and Codes of Practice, by a suitably competent person
registered with Gas Safe or equivalent body and, where applicable, a qualified electrician. - Has been used solely for domestic cooking purposes.
- If in use in the UK*, has not been taken abroad as a personal export. (In the Republic of Ireland conditions may vary, so consult your retailer.)
- Is not second-hand or a refurbished appliance. The manufacturer’s warranty is not transferable.
- Has not been subject to misuse, accidental damage or modification, and has not deteriorated due to normal domestic wear and tear, and the manufacturer’s
recommendations concerning cleaning materials have been followed. - Has not been repaired by persons or organisations other than those authorised to act on behalf of AGA Rangemaster.
Exceptions: - Items not included under the free 1 year guarantee include pan supports, griddles, wok rings, baking trays, grill pans, trivets, filters, light bulbs and other consumable
accessories. - Any damage caused other than through normal use.
- Breakdowns associated with cooking spillage.
- Cosmetic deterioration deemed to be normal wear and tear.
This warranty is in addition to your Statutory Rights.
* Only certain models can be adapted for use with Mains Gas supplied in the Channel Islands and Isle of Man.
OUT OF WARRANTY
We recommend that Rangemaster appliances are serviced regularly throughout their life to maintain optimum performance and efficiency. Service work should only be carried out by technically competent and suitably qualified personnel.
For your own safety, always make sure that work is carried out by a Gas Safe registered engineer for gas appliances or an approved electrician for electrical models.
For a competetive quote and to arrange for a Rangemaster approved engineer to attend, call Consumer Services on: 01926 457628.
SPARE PARTS
To maintain optimum and safe performance, we recommend that only genuine Rangemaster spare parts are used. These are available from most major spares stockists, including ourselves. Contact Consumer Services on 01926 457628, who will be happy to help.
STANDARDS
Rangemaster cookers are designed and manufactured to a recognised international quality standard, which meets the requirements of BS EN ISO 9001, BS EN ISO 14001 and OHSAS 18001 for continually improving environmental procedures.
Rangemaster cookers comply with the essential requirements of the appropriate European Directives, and carry the CE mark.


Clarence Street
Royal Leamington Spa
Warwickshire
CV31 2AD
England
Consumer Services: +44 (0)1926 457628.
Fax: +44 (0)1926 450526
E-mail: [email protected]
www.rangemaster.co.uk
For UK Trade Enquiries Tel: +44 (0)115 946 4000
Fax: +44 (0)115 973 6602
E-mail: [email protected]
For ROI Enquiries Tel: 1850 302 502
Rangemaster is a trading name of AGA Rangemaster Limited
Registered in England and Wales. Registration No. 354715
Registered Office: c/o Aga Rangemaster, Meadow Lane, Long Eaton, Nottingham, NG10 2GD
Rangemaster continuously seeks improvements in specification, design and production of products and thus, alterations take place periodically. Whilst every effort is made to produce up-to-date literature, this brochure should not be regarded as an infallible guide to current specification, nor does it constitute an offer for the sale of any particular appliance.
























